Screw Electrolytic Capacitors ▏105℃ 2,000Hrs ▏CAWB
特徴
Endurance with ripple current: 105℃, 2,000 時間
Used for air conditioner, 汎用インバータ、power supplies
RoHS準拠
Endurance with ripple current: 105℃, 2,000 時間
Used for air conditioner, 汎用インバータ、power supplies
RoHS準拠
仕様
| アイテム | パフォーマンス | |||||||
| 動作温度. |
-40°C ~+105°C |
|||||||
| 静電容量耐性 | ± 20% (120Hz, 20℃) | |||||||
| LeakageCurrent (20℃で) | I = 0.01CV または 5 (Ma) whichever is smaller (後 5 分)
どこ, C= rated capacitance in F. V= 定格 DC 動作電圧 (V). |
|||||||
| Dissipation Factor Tan at 120Hz, 20℃ | 定格電圧 | 16 ~ 100 | 160 ~ 450 | |||||
| タン (マックス) | See the case size list | 0.15 | ||||||
| 低温特性 (120Hzで) |
静電容量の変化: c(-25℃)/ c(+20℃) 0.7 |
|||||||
|
Load Life Test at 20°C after subjected to DC voltage withrated rippled current applied for 2000 |
試験時間 | 2000 時間 | ||||||
| 静電容量の変化 | ±以内 20% 初期値の | |||||||
| 損失係数 | 未満 200% 指定された値の | |||||||
| 漏れ電流 | 規定値以内 | |||||||
| Shelf Life Test at 20°C after exposing them for 500 hours at 105°C without voltage applied. 測定前に定格電圧をコンデンサに印加する必要があります. (Refer to JIS 5102) | 試験時間 | 500 時間 | ||||||
| 静電容量の変化 | 初期値の±20%以内 | |||||||
| 損失係数 | 未満 200% 指定された値の | |||||||
| 漏れ電流 | 規定値以内 | |||||||
| リップル電流 & 周波数逓倍器 | 頻度 (Hz) | 50 / 60 | 120 | 300 | 1k | 10Kアップ | ||
| 乗数 | 0.8. | 1.0 | 1.1 | 1.3 | 1.4 | |||
| リップル電流 & 温度乗数 | 温度 (℃) | 40 | 55 | 70 | 85 | 105 | ||
| 乗数 < 250v | 4.9 | 3.9 | 3.0 | 1.8 | 1.0 | |||
| 乗数 > 350v | 3.8 | 3.3 | 2.5 | 2.0 | 1.0 | |||
| 規格 | JIS Cの特性Wを満足 5101-4 | |||||||
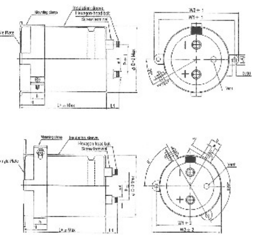
寸法
| d | P | L1 | W1 | W2 | h | h | |
| 35 | 12.7 | 2 | 10.0 | 48 | 58 | 15.0 | 10.0 |
Screw Specifications:
Plus hexagon-headed screw: M5 x 0.8 × 10 マックス. screw tightening torque: 3.23Nm
| d | P | L1 | W1 | W2 | h | h | a | b | c | ||
| 51 | 22.0 | 2 | 10 | 61.0 | 65.5 | 21.5 | 15.0 | 7.0 | 12.0 | 4.5 | 60 |
| 64 | 28.6 | 2 | 10 | 72.5 | 78.0 | 25.0 | 20.0 | 7.0 | 14.0 | 4.5 | 60 |
| 77 | 32.0 | 2 | 10 | 85.5 | 91.0 | 35.0 | 20.0 | 8.0 | 16.0 | 4.5 | 60 |
| 90 | 32.0 | 2 | 10 | 101 | 106 | 34.5 | 20.0 | 8.0 | 16.0 | 5.0 | 60 |
部品番号の例
寸法 & 許容リップル電流
寸法: jD x L (mm) Tand: 120Hz, 20℃
リップル電流: A/rms at 120Hz, 105℃
| V.DC | 16v (1c) | 25v (1E) | 35v (1v) | 50v (1h) | ||||||||||||
| アイテム
μF |
Size Code |
D x L |
タン |
リップル電流 | Size Code |
D x L |
タン |
リップル電流 | Size Code |
D x L |
タン |
リップル電流 | Size Code |
D x L |
タン |
リップル電流 |
| 3,900 | A053 | 35×53 | 0.25 | 2.8 | ||||||||||||
| 4,700 | A053 | 35×53 | 0.25 | 3.1 | ||||||||||||
| 5,600 | A053 | 35×53 | 0.25 | 3.3 | ||||||||||||
| 6,800 | A053 | 35×53 | 0.25 | 3.3 | ||||||||||||
| 8,200 | A053 | 35×53 | 0.30 | 3.3 | A065 | 35×65 | 0.25 | 3.8 | ||||||||
| 10,000 | A053 | 35×53 | 0.30 | 3.6 | A083 | 35×83 | 0.25 | 4.6 | ||||||||
| 12,000 | A053 | 35×53 | 0.35 | 3.7 | A065 | 35×65 | 0.30 | 4.2 | A083 | 35×83 | 0.30 | 5.1 | ||||
| 15,000 | A053 | 35×53 | 0.35 | 4.1 | A065 | 35×65 | 0.30 | 4.7 | A083 | 35×83 | 0.30 | 5.7 | ||||
| 18,000 | A053 | 35×53 | 0.40 | 4.2 | A065 | 35×65 | 0.35 | 4.8 | A083 | 35×83 | 0.35 | 5.7 | A100 | 35×100 | 0.35 | 6.7 |
| 22,000 | A053 | 35×53 | 0.40 | 4.7 | A065 | 35×65 | 0.35 | 5.3 | A083 | 35×83 | 0.35 | 6.3 | A121 | 35×121 | 0.35 | 8.1 |
| 27,000 | A053 | 35×53 | 0.40 | 5.5 | A083 | 35×83 | 0.40 | 6.4 | A100 | 35×100 | 0.40 | 7.5 | B075 | 51×75 | 0.40 | 9.1 |
| 33,000 | A065 | 35×65 | 0.45 | 5.7 | A083 | 35×83 | 0.40 | 6.7 | A121 | 35×121 | 0.40 | 9.0 | B100 | 51×100 | 0.40 | 11.1 |
| 39,000 | A065 | 35×65 | 0.50 | 6.8 | A100 | 35×100 | 0.40 | 7.8 | B075 | 51×75 | 0.45 | 9.2 | B121 | 51×121 | 0.40 | 13.1 |
| 47,000 | A083 | 35×83 | 0.50 | 7.1 | A121 | 35×121 | 0.40 | 9.3 | B100 | 51×100 | 0.45 | 11.2 | B121 | 51×121 | 0.40 | 13.9 |
| 56,000 | A100 | 35×100 | 0.55 | 8.4 | B075 | 51×75 | 0.50 | 9.7 | B100 | 51×100 | 0.50 | 11.4 | C100 | 64×100 | 0.45 | 13.9 |
| 68,000 | A121 | 35×121 | 0.60 | 8.8 | B100 | 51×100 | 0.50 | 11.2 | B121 | 51×121 | 0.50 | 13.6 | C121 | 64×121 | 0.45 | 16.6 |
| 82,000 | B083 | 51×83 | 0.60 | 10.7 | B100 | 51×100 | 0.60 | 11.2 | C100 | 64×100 | 0.60 | 14.8 | D121 | 77×121 | 0.50 | 18.9 |
| 100,000 | B083 | 51×83 | 0.70 | 10.8 | B121 | 51×121 | 0.60 | 14.8 | C121 | 64×121 | 0.60 | 17.6 | D121 | 77×121 | 0.50 | 19.5 |
| 120,000 | B100 | 51×100 | 0.70 | 13.1 | C100 | 64×100 | 0.80 | 14.9 | C121 | 64×121 | 0.70 | 17.6 | D121 | 77×121 | 0.50 | 19.5 |
| 150,000 | B121 | 51×121 | 0.80 | 15.3 | C121 | 64×121 | 0.80 | 17.9 | D121 | 77×121 | 0.70 | 19.8 | E130 | 90×130 | 0.50 | 22.5 |
| 180,000 | B121 | 51×121 | 0.90 | 15.7 | C121 | 64×121 | 1.00 | 17.9 | D121 | 77×121 | 0.70 | 19.8 | E157 | 90×157 | 0.50 | 23.9 |
| 220,000 | C121 | 64×121 | 0.90 | 19.2 | D121 | 77×121 | 1.00 | 21.3 | D144 | 77×144 | 0.70 | 23.4 | ||||
| 270,000 | C121 | 64×121 | 1.00 | 19.6 | D121 | 77×121 | 1.00 | 21.7 | E157 | 90×157 | 0.70 | 25.5 | ||||
| 330,000 | D121 | 77×121 | 1.20 | 21.1 | D144 | 77×144 | 1.00 | 23.4 | ||||||||
| 390,000 | D121 | 77×121 | 1.30 | 21.3 | E130 | 90×130 | 1.00 | 24.9 | ||||||||
| 470,000 | D144 | 77×144 | 1.60 | 24.2 | ||||||||||||
| V.DC | 63v (1J) | 80v (1k) | 100v (2a) | 160v (2c) | ||||||||||||
| アイテム
μF |
Size Code |
D x L |
タン |
リップル電流 | Size Code |
D x L |
タン |
リップル電流 | Size Code |
D x L |
タン |
リップル電流 | Size Code |
D x L |
タン |
リップル電流 |
| 560 | A053 | 35×53 | 0.15 | 1.2 | ||||||||||||
| 680 | A053 | 35×53 | 0.15 | 1.3 | ||||||||||||
| 820 | A065 | 35×65 | 0.15 | 1.4 | ||||||||||||
| 1,000 | A083 | 35×83 | 0.15 | 1.8 | ||||||||||||
| 1,200 | A083 | 35×83 | 0.15 | 1.9 | ||||||||||||
| 1,500 | A083 | 35×83 | 0.15 | 2.1 | ||||||||||||
| 1,800 | A053 | 35×53 | 0.15 | 2.7 | A083 | 35×83 | 0.15 | 2.5 | ||||||||
| 2,200 | A053 | 35×53 | 0.15 | 2.4 | A053 | 35×53 | 0.15 | 3.0 | A100 | 35×100 | 0.15 | 2.8 | ||||
| 2,700 | A053 | 35×53 | 0.20 | 2.3 | A053 | 35×53 | 0.15 | 2.7 | A065 | 35×65 | 0.15 | 3.5 | A100 | 35×100 | 0.15 | 3.3 |
| 3,300 | A053 | 35×53 | 0.20 | 2.5 | A053 | 35×53 | 0.15 | 3.0 | A083 | 35×83 | 0.15 | 4.2 | B075 | 51×75 | 0.15 | 3.8 |
| 3,900 | A053 | 35×53 | 0.20 | 2.8 | A065 | 35×65 | 0.15 | 3.4 | A083 | 35×83 | 0.15 | 4.2 | B075 | 51×75 | 0.15 | 3.8 |
| 4,700 | A053 | 35×53 | 0.20 | 3.1 | A065 | 35×65 | 0.15 | 3.7 | A100 | 35×100 | 0.15 | 5.0 | B096 | 51×96 | 0.15 | 4.6 |
| 5,600 | A065 | 35×65 | 0.20 | 3.5 | A083 | 35×83 | 0.20 | 4.5 | A100 | 35×100 | 0.15 | 5.4 | B096 | 51×96 | 0.15 | 5.1 |
| 6,800 | A065 | 35×65 | 0.20 | 3.9 | A083 | 35×83 | 0.20 | 4.9 | A121 | 35×121 | 0.15 | 5.8 | C096 | 64×96 | 0.15 | 6.1 |
| 8,200 | A083 | 35×83 | 0.20 | 4.4 | A100 | 35×100 | 0.20 | 5.1 | B075 | 51×75 | 0.15 | 6.4 | C096 | 64×96 | 0.15 | 7.0 |
| 10,000 | A083 | 35×83 | 0.25 | 4.7 | A121 | 35×121 | 0.20 | 6.1 | B100 | 51×100 | 0.15 | 7.8 | D096 | 77×96 | 0.15 | 8.4 |
| 12,000 | A100 | 35×100 | 0.25 | 5.5 | B075 | 51×75 | 0.25 | 6.7 | B121 | 51×121 | 0.20 | 9.3 | D115 | 77×115 | 0.15 | 9.4 |
| 15,000 | A121 | 35×121 | 0.25 | 6.6 | B100 | 51×100 | 0.25 | 8.3 | B121 | 51×121 | 0.20 | 10.4 | D130 | 77×130 | 0.15 | 11.4 |
| 18,000 | B075 | 51×75 | 0.25 | 7.4 | B121 | 51×121 | 0.25 | 9.9 | C100 | 64×100 | 0.20 | 10.4 | D144 | 77×144 | 0.15 | 13.4 |
| 22,000 | B100 | 51×100 | 0.25 | 9.0 | B121 | 51×121 | 0.25 | 11.0 | C121 | 64×121 | 0.20 | 12.5 | E130 | 90×130 | 0.15 | 14.5 |
| 27,000 | B121 | 51×121 | 0.30 | 10.9 | C100 | 64×100 | 0.30 | 11.4 | D121 | 77×121 | 0.25 | 13.7 | E157 | 90×157 | 0.15 | 16.0 |
| 33,000 | B121 | 51×121 | 0.30 | 12.0 | D100 | 77×100 | 0.30 | 13.9 | D121 | 77×121 | 0.25 | 15.2 | ||||
| 39,000 | C100 | 64×100 | 0.30 | 12.5 | D100 | 77×100 | 0.30 | 13.9 | D144 | 77×144 | 0.25 | 16.1 | ||||
| 47,000 | C121 | 64×121 | 0.30 | 14.9 | D121 | 77×121 | 0.30 | 16.5 | E130 | 90×130 | 0.25 | 19.3 | ||||
| 56,000 | D121 | 77×121 | 0.35 | 16.3 | D121 | 77×121 | 0.30 | 18.1 | E157 | 90×157 | 0.25 | 21.0 | ||||
| 68,000 | D121 | 77×121 | 0.35 | 18.4 | D144 | 77×144 | 0.30 | 19.7 | ||||||||
| 82,000 | D144 | 77×144 | 0.40 | 20.0 | E130 | 90×130 | 0.30 | 22.1 | ||||||||
| 100,000 | D144 | 77×144 | 0.40 | 20.0 | ||||||||||||
| 120,000 | E157 | 90×157 | 0.40 | 21.8 | ||||||||||||
寸法 & 許容リップル電流
寸法: jD x L (mm) Tand: 120Hz, 20℃
リップル電流: A/rms at 120Hz, 105℃
| V.DC | 200v (2d) | 250v (2E) | 350v (2v) | 400v (2g) | ||||||||||||
| アイテム
μF |
Size Code |
D x L |
タン |
リップル
現在 |
Size Code |
D x L |
タン |
リップル
現在 |
Size Code |
D x L |
タン |
リップル
現在 |
Size Code |
D x L |
タン |
リップル
現在 |
| 180 | A053 | 35×53 | 0.15 | 0.8 | A053 | 35×53 | 0.15 | 0.8 | ||||||||
| 220 | A053 | 35×53 | 0.15 | 0.9 | A053 | 35×53 | 0.15 | 0.9 | ||||||||
| 270 | A053 | 35×53 | 0.15 | 0.8 | A053 | 35×53 | 0.15 | 1.0 | A065 | 35×65 | 0.15 | 1.1 | ||||
| 330 | A053 | 35×53 | 0.15 | 0.9 | A053 | 35×53 | 0.15 | 0.9 | A065 | 35×65 | 0.15 | 1.2 | A065 | 35×65 | 0.15 | 1.2 |
| 390 | A053 | 35×53 | 0.15 | 1.0 | A053 | 35×53 | 0.15 | 1.0 | A065 | 35×65 | 0.15 | 1.3 | A083 | 35×83 | 0.15 | 1.3 |
| 470 | A053 | 35×53 | 0.15 | 1.1 | A053 | 35×53 | 0.15 | 1.1 | A083 | 35×83 | 0.15 | 1.5 | A083 | 35×83 | 0.15 | 1.4 |
| 560 | A053 | 35×53 | 0.15 | 1.2 | A065 | 35×65 | 0.15 | 1.4 | A083 | 35×83 | 0.15 | 1.6 | A100 | 35×100 | 0.15 | 1.6 |
| 680 | A053 | 35×53 | 0.15 | 1.3 | A083 | 35×83 | 0.15 | 1.5 | A100 | 35×100 | 0.15 | 1.7 | A100 | 35×100 | 0.15 | 1.7 |
| 820 | A065 | 35×65 | 0.15 | 1.5 | A083 | 35×83 | 0.15 | 1.6 | A100 | 35×100 | 0.15 | 1.8 | A121 | 35×121 | 0.15 | 2.0 |
| 1,000 | A083 | 35×83 | 0.15 | 1.7 | A100 | 35×100 | 0.15 | 1.8 | B075 | 51×75 | 0.15 | 2.2 | B075 | 51×75 | 0.15 | 2.2 |
| 1,200 | A083 | 35×83 | 0.15 | 1.9 | A100 | 35×100 | 0.15 | 1.9 | B075 | 51×75 | 0.15 | 2.3 | B096 | 51×96 | 0.15 | 2.7 |
| 1,500 | A100 | 35×100 | 0.15 | 2.3 | B075 | 51×75 | 0.15 | 2.3 | B096 | 51×96 | 0.15 | 3.0 | B115 | 51×115 | 0.15 | 3.3 |
| 1,800 | A100 | 35×100 | 0.15 | 2.5 | B075 | 51×75 | 0.15 | 2.5 | B115 | 51×115 | 0.15 | 3.6 | B130 | 51×130 | 0.15 | 3.7 |
| 2,200 | B075 | 51×75 | 0.15 | 3.0 | B096 | 51×96 | 0.15 | 3.0 | B130 | 51×130 | 0.15 | 4.0 | C096 | 64×96 | 0.15 | 4.2 |
| 2,700 | B096 | 51×96 | 0.15 | 3.6 | B115 | 51×115 | 0.15 | 3.5 | C096 | 64×96 | 0.15 | 4.6 | C115 | 64×115 | 0.15 | 4.8 |
| 3,300 | B096 | 51×96 | 0.15 | 4.0 | C096 | 64×96 | 0.15 | 4.2 | C115 | 64×115 | 0.15 | 5.6 | C130 | 64×130 | 0.15 | 5.5 |
| 3,900 | B115 | 51×115 | 0.15 | 4.9 | C096 | 64×96 | 0.15 | 4.6 | C130 | 64×130 | 0.15 | 6.7 | D115 | 77×115 | 0.15 | 6.5 |
| 4,700 | C096 | 64×96 | 0.15 | 5.3 | C115 | 64×115 | 0.15 | 5.7 | D121 | 77×121 | 0.15 | 7.5 | D130 | 77×130 | 0.15 | 7.6 |
| 5,600 | C096 | 64×96 | 0.15 | 5.8 | C130 | 64×130 | 0.15 | 6.3 | D130 | 77×130 | 0.15 | 8.3 | D155 | 77×155 | 0.15 | 9.4 |
| 6,800 | C115 | 64×115 | 0.15 | 6.9 | D115 | 77×115 | 0.15 | 7.7 | D155 | 77×155 | 0.15 | 9.4 | E157 | 90×157 | 0.15 | 10.4 |
| 8,200 | C130 | 64×130 | 0.15 | 7.6 | D130 | 77×130 | 0.15 | 8.4 | E157 | 90×157 | 0.15 | 11.4 | E157 | 90×157 | 0.15 | 11.8 |
| 10,000 | D115 | 77×115 | 0.15 | 9.6 | D155 | 77×155 | 0.15 | 10.0 | ||||||||
| 12,000 | D130 | 77×130 | 0.15 | 10.2 | E140 | 90×140 | 0.15 | 11.9 | ||||||||
| 15,000 | E130 | 90×130 | 0.15 | 12.2 | E157 | 90×157 | 0.15 | 12.5 | ||||||||
| 18,000 | E157 | 90×157 | 0.15 | 13.0 | ||||||||||||
特徴
◆ Endurance with ripple current:85℃,2000時間
◆Used for air conditioner, 汎用インバータ、power supplies
◆RoHS対応











