高エネルギーハイブリッドタンタルコンデンサ|cbel
特徴
タンタルケース, 気密封止, 円筒形, ラジアルリード, 異極性, ネジ付き, 電解タンタルコンデンサと電気化学コンデンサの混在, 小型, スーパーキャパシタンス
安定した電気的性能, 高い信頼性, 長寿命, 最大の静電容量とエネルギー密度, 公称静電容量はCBEFシリーズよりも高い
エネルギー変換回路にバッテリーとして内蔵 & 電力パルス回路, フィルタリングとして機能した, 貯蔵エネルギー,時間遅延回路.
タンタルケース, 気密封止, 円筒形, ラジアルリード, 異極性, ネジ付き, 電解タンタルコンデンサと電気化学コンデンサの混在, 小型, スーパーキャパシタンス
安定した電気的性能, 高い信頼性, 長寿命, 最大の静電容量とエネルギー密度, 公称静電容量はCBEFシリーズよりも高い
エネルギー変換回路にバッテリーとして内蔵 & 電力パルス回路, フィルタリングとして機能した, 貯蔵エネルギー,時間遅延回路.
[ダウンロードが見つかりません]
高エネルギーハイブリッドタンタルコンデンサのデータシート-CBEL.pdf (661 ダウンロード )
仕様
動作温度:-55℃~+125℃ (+125℃まで, 定格付き
保管温度:-62℃~+130℃
静電容量耐性:Q: (-10%~+30%), k: (±10%), m: (±20%)
部品番号の例
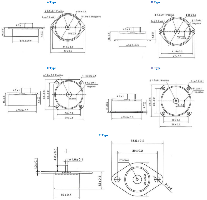
寸法 (ユニット: mm)
注記
1.測定手順ではマルチメーターを使用しないでください。 (回復不能な損傷を引き起こし、廃棄につながる可能性があります).
2.100Hzで測定した静電容量とDF, U_=2.200V, U =1.00- V テストは直列等価回路にのみ適用されます.
3.+125℃では電圧ディレーティングが適用されます. (DCL パラメータは、その後に読み取る必要があります。 5 回路に接続したときの分).
4.特別なサイズやご要望はご相談ください.
特徴と用途
◆タンタルケース, 気密封止, 円筒形, ラジアルリード, 異極性, 取付フランジ付き.
◆電解タンタルコンデンサと電気化学コンデンサを混載, 小型, スーパーキャパシタンス
◆電気的性能が安定, 高い信頼性, 長寿命, 最大の静電容量とエネルギー密度
◆エネルギー変換回路にバッテリーとして内蔵 & 電力パルス回路, フィルタリングとして機能した, 貯蔵エネルギー,
時間遅延回路.














