金属化ポリプロピレンフィルムコンデンサ |低DF| CDBC
CDBC series are constructed with metalized polypropylene film dielectric, 銅鉛および難燃性エポキシ樹脂コーティング. 適切なブロッキング, による- 合格, カップリング, デカップリング, フィルタリング, タイミング, チューニング, 温度補償機能があり、安定器での使用に最適です, スイッチング電源, 通信機器, 産業機器, 自動制御システム、その他電子機器全般.
特徴
◆ Low dissipation factor at high frequency
◆ High capacitance and dissipation factor stability
◆ Non-inductive construction
◆ Self-healing
◆ Flame retardant epoxy resin coating (compliant to UL 94V-0)
仕様
| アイテム | パフォーマンス | ||||||
| 動作電圧範囲 | 100Vdc, 250Vdc, 400Vdc, 630Vdc | ||||||
| 定格温度 | -40 ˚C ~ +85ºC | ||||||
| Usable Upper Category Temperature | +105℃
(Derating ratio of rated voltage over +85˚C ~ +110º C: 1.5% per ºC of RatedVoltage) |
||||||
| 静電容量範囲 | 0.01 μF~ 10 μF | ||||||
| 静電容量耐性 | +3% (h), +5% (J), +10% (k) | ||||||
|
損失係数 |
KHz | c < 0.1 μF | 0.1 < c < 1.0 μF | 1.0 < c < 3.0 μF | 3.0 < c < 5.0 μF | 5.0 < c < 10 μF | |
| 1 | < 0.10% | ||||||
| 100 | < 0.40% | < 0.70% | < 1.20% | < 1.80% | < 2.80% | ||
|
絶縁抵抗 端子間 |
Voltage Charge: 100Vdc x 1min (at 20˚C + 5˚C)
> 30,000MΩ for C < 0.33μF > 10,000MΩ x µF for C > 0.33μF |
||||||
| 耐電圧 | ターミナルからターミナルへ: (at 20˚C + 5˚C) | ||||||
|
定格電圧パルス勾配 dV/dt (V/μs) |
ピッチ
VR |
7.5mm | 10mm | 15mm | 22.5mm | 27.5mm | |
| 100Vdc | 130 | 110 | 100 | 70 | 50 | ||
| 250Vdc | 240 | 220 | 200 | 130 | 100 | ||
| 400Vdc | — | 350 | 300 | 200 | 150 | ||
| 630Vdc | — | 420 | 400 | 250 | 180 | ||
RELIABILITY TEST
| アイテム | テスト Methods | 要件 |
| Resistance to Soldering Heat IEC 60068-2-20 | はんだ槽: 260℃ + 5ºC Immersion Time: 10秒 + 1秒 | Capacitance Change ІΔ C/C : <1% DF Change Δ tan δ : 0.1% at 1KHz IR: > limit value |
| Resistance to Vibration IEC 60068-2-6 | 周波数範囲: 10Hz ~ 55Hz 振幅: 1.5mm
間隔: 6 時間 |
目に見える損傷があってはなりません, 断続的な接触は禁止,
断線または短絡がないこと |
| 湿った熱, Steady State IEC 60068-2-3 | 温度: 40℃ + 2ºC Relative Humidity: 90% に 95%
間隔: 1,000 時間 |
Capacitance Change ІΔC/C І< : 3% DF Change Δ tan δ: 0.1% at 1KHz IR: > 50% limit value |
| Electrical Endurance IEC 60384-17 | 温度: 85℃ + 2ºC Voltage Applied: 1.25 ×VR(直流) 間隔: 2,000 時間 | Capacitance Change ІΔC/CІ< : 3% DF Change Δ tan δ : 0.1% at 1KHz IR: > 50% limit value |
最大寸法
| W.V.. | 100VDC (2a) | 250VDC (2E) | 400VDC (2g) | 630VDC (2J) | |||||||||||||||||
| (μF) | コード | w | h | T | P | d | w | h | T | P | d | w | h | T | P | d | w | h | T | P | d |
| 0.010 | 103 | 10.5 | 7.5 | 4.0 | 7.5 | 0.6 | 10.5 | 9.0 | 5.5 | 7.5 | 0.6 | ||||||||||
| 0.012 | 123 | 10.5 | 8.5 | 4.0 | 7.5 | 0.6 | 10.5 | 9.5 | 6.0 | 7.5 | 0.6 | ||||||||||
| 0.015 | 153 | 10.5 | 9.0 | 4.5 | 7.5 | 0.6 | 10.5 | 10.5 | 6.0 | 7.5 | 0.6 | ||||||||||
| 0.018 | 183 | 10.5 | 9.5 | 4.5 | 7.5 | 0.6 | 10.5 | 11.0 | 6.5 | 7.5 | 0.6 | ||||||||||
| 0.022 | 223 | 10.5 | 7.5 | 4.0 | 7.5 | 0.6 | 10.5 | 10.0 | 5.0 | 7.5 | 0.6 | 13.0 | 10.0 | 6.0 | 10.0 | 0.6 | |||||
| 0.027 | 273 | 10.5 | 8.0 | 4.0 | 7.5 | 0.6 | 10.5 | 10.5 | 5.5 | 7.5 | 0.6 | 13.0 | 11.0 | 6.5 | 10.0 | 0.6 | |||||
| 0.033 | 333 | 10.5 | 8.5 | 4.5 | 7.5 | 0.6 | 10.5 | 11.0 | 6.0 | 7.5 | 0.6 | 13.0 | 11.5 | 7.0 | 10.0 | 0.6 | |||||
| 0.039 | 393 | 10.5 | 9.0 | 4.5 | 7.5 | 0.6 | 13.0 | 11.0 | 5.5 | 10.0 | 0.6 | 13.0 | 12.0 | 8.0 | 10.0 | 0.6 | |||||
| 0.047 | 473 | 10.5 | 7.5 | 4.0 | 7.5 | 0.6 | 10.5 | 10.0 | 4.5 | 7.5 | 0.6 | 13.0 | 11.0 | 5.5 | 10.0 | 0.6 | 13.0 | 13.0 | 8.0 | 10.0 | 0.6 |
| 0.056 | 563 | 10.5 | 8.0 | 4.0 | 7.5 | 0.6 | 10.5 | 10.5 | 5.0 | 7.5 | 0.6 | 13.0 | 11.5 | 6.0 | 10.0 | 0.6 | 13.0 | 14.0 | 9.0 | 10.0 | 0.6 |
| 0.068 | 683 | 10.5 | 9.0 | 4.5 | 7.5 | 0.6 | 10.5 | 11.0 | 5.5 | 7.5 | 0.6 | 13.0 | 12.5 | 6.5 | 10.0 | 0.6 | 18.0 | 12.5 | 7.0 | 15.0 | 0.8 |
| 0.082 | 823 | 10.5 | 9.5 | 4.5 | 7.5 | 0.6 | 10.5 | 11.5 | 6.0 | 7.5 | 0.6 | 13.0 | 13.0 | 7.0 | 10.0 | 0.6 | 18.0 | 13.0 | 7.5 | 15.0 | 0.8 |
| 0.10 | 104 | 10.5 | 10.0 | 5.0 | 7.5 | 0.6 | 10.5 | 12.0 | 6.5 | 7.5 | 0.6 | 13.0 | 13.5 | 8.0 | 10.0 | 0.6 | 18.0 | 14.0 | 8.0 | 15.0 | 0.8 |
| 0.12 | 124 | 10.5 | 10.0 | 5.5 | 7.5 | 0.6 | 13.0 | 11.5 | 6.0 | 10.0 | 0.6 | 18.0 | 12.0 | 6.0 | 15.0 | 0.8 | 18.0 | 15.5 | 8.0 | 15.0 | 0.8 |
| 0.15 | 154 | 10.5 | 11.0 | 6.0 | 7.5 | 0.6 | 13.0 | 12.0 | 6.5 | 10.0 | 0.6 | 18.0 | 12.5 | 7.0 | 15.0 | 0.8 | 18.0 | 16.5 | 9.0 | 15.0 | 0.8 |
| 0.18 | 184 | 10.5 | 11.5 | 6.5 | 7.5 | 0.6 | 13.0 | 12.5 | 7.0 | 10.0 | 0.6 | 18.0 | 13.5 | 8.5 | 15.0 | 0.8 | 18.0 | 17.5 | 10.0 | 15.0 | 0.8 |
| 0.22 | 224 | 13.0 | 11.5 | 6.0 | 10.0 | 0.6 | 13.0 | 13.0 | 7.5 | 10.0 | 0.6 | 18.0 | 15.0 | 8.0 | 15.0 | 0.8 | 18.0 | 18.5 | 11.5 | 15.0 | 0.8 |
| 0.27 | 274 | 13.0 | 12.0 | 6.5 | 10.0 | 0.6 | 18.0 | 13.0 | 6.0 | 15.0 | 0.8 | 18.0 | 16.0 | 8.5 | 15.0 | 0.8 | 25.5 | 18.0 | 9.0 | 22.5 | 0.8 |
| 0.33 | 334 | 13.0 | 13.0 | 7.0 | 10.0 | 0.6 | 18.0 | 14.0 | 6.5 | 15.0 | 0.8 | 18.0 | 17.0 | 9.5 | 15.0 | 0.8 | 25.5 | 19.0 | 10.0 | 22.5 | 0.8 |
| 0.39 | 394 | 13.0 | 13.5 | 7.5 | 10.0 | 0.6 | 18.0 | 14.5 | 7.0 | 15.0 | 0.8 | 18.0 | 18.0 | 10.5 | 15.0 | 0.8 | 25.5 | 20.0 | 11.0 | 22.5 | 0.8 |
| 0.47 | 474 | 13.0 | 14.0 | 8.5 | 10.0 | 0.6 | 18.0 | 15.0 | 8.0 | 15.0 | 0.8 | 25.5 | 16.0 | 9.0 | 22.5 | 0.8 | 20.5 | 20.5 | 12.0 | 17.5 | 0.8 |
| 25.5 | 21.0 | 12.0 | 22.5 | 0.8 | |||||||||||||||||
| 0.56 | 564 | 18.0 | 14.0 | 7.0 | 15.0 | 0.8 | 18.0 | 16.0 | 8.5 | 15.0 | 0.8 | 25.5 | 17.0 | 10.0 | 22.5 | 0.8 | 25.5 | 22.5 | 13.5 | 22.5 | 0.8 |
| 0.68 | 684 | 18.0 | 15.0 | 7.5 | 15.0 | 0.8 | 18.0 | 17.0 | 9.5 | 15.0 | 0.8 | 25.5 | 18.0 | 11.0 | 22.5 | 0.8 | 25.5 | 24.0 | 15.0 | 22.5 | 0.8 |
| 0.82 | 824 | 18.0 | 15.5 | 8.0 | 15.0 | 0.8 | 18.0 | 18.5 | 10.0 | 15.0 | 0.8 | 25.5 | 20.0 | 11.0 | 22.5 | 0.8 | 25.5 | 25.5 | 16.5 | 22.5 | 0.8 |
| 1.00 | 105 | 18.0 | 16.5 | 9.0 | 15.0 | 0.8 | 18.0 | 20.0 | 11.0 | 15.0 | 0.8 | 25.5 | 21.5 | 12.5 | 22.5 | 0.8 | 26.0 | 16.5 | 12.0 | 22.5 | 0.8 |
| 31.5 | 25.0 | 16.0 | 27.5 | 0.8 | |||||||||||||||||
| 1.20 | 125 | 18.0 | 17.5 | 10.0 | 15.0 | 0.8 | 25.5 | 18.0 | 9.0 | 22.5 | 0.8 | 25.5 | 23.0 | 14.0 | 22.5 | 0.8 | 31.5 | 27.0 | 18.0 | 27.5 | 0.8 |
| 1.50 | 155 | 18.0 | 18.5 | 11.5 | 15.0 | 0.8 | 25.5 | 19.5 | 10.5 | 22.5 | 0.8 | 25.5 | 24.5 | 15.5 | 22.5 | 0.8 | |||||
| 1.80 | 185 | 25.5 | 18.0 | 9.0 | 22.5 | 0.8 | 25.5 | 20.5 | 11.5 | 22.5 | 0.8 | ||||||||||
| 2.20 | 225 | 25.5 | 19.0 | 10.0 | 22.5 | 0.8 | 25.5 | 22.0 | 13.0 | 22.5 | 0.8 | ||||||||||
| 2.70 | 275 | 25.5 | 20.0 | 11.5 | 22.5 | 0.8 | 25.5 | 23.5 | 14.5 | 22.5 | 0.8 | ||||||||||
| 3.30 | 335 | 25.5 | 24.5 | 15.5 | 22.5 | 0.8 | 25.5 | 25.5 | 16.0 | 22.5 | 0.8 | ||||||||||
部品番号の例 – BULK
部品番号の例 – RADIAL TAPED
CAPACITANCE
| μF | 0.01 | 0.047 | 0.1 | 0.47 | 1.0 | 3.3 |
| pF | 10,000 | 47,000 | 100,000 | 470,000 | – | – |
| コード | 103 | 473 | 104 | 474 | 105 | 335 |
公差コード
| コード | 許容範囲 |
| J | + 5% |
| k | + 10% |
| m | + 20% |
定格電圧
| W.V.. | 100 | 250 | 400 | 630 |
| コード | 2a | 2E | 2g | 2J |
テープコード (See Diagrams)
| 間隔 | 7.5mm | 10mm | 15mm |
| パッキング | AまたはR | a | a |
| コード | RT2 | RT3 | RT4 |
リードスタイルの例
ラジアルリード間隔
* リードスペースはストレートリードで形成されていないオリジナルのリードスペースです.
| mm | 7.5 | 10 | 15 | 22.5 | 27.5 |
| コード | 075 | 100 | 150 | 225 | 275 |
着座面からのリード長さ (if bulk pack)
| mm | 5 | 10 | 15 | 20 | 25 |
| コード | 050 | 100 | 150 | 200 | 250 |
梱包
| 覚せい剤 | ああd | バルク | 弾薬 | リール |
| コード | b | a | r | |
リードスタイル
| コード | スタイル |
| S | 真っ直ぐ |
| k | キンクイン (スタンドオフ) |
| f | フォームアウト |
| 私 | フォームイン |
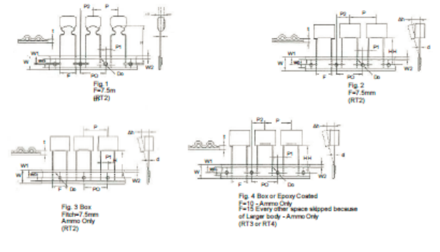
ラジアルテーピングコード図
仕様
| 説明 |
手紙 |
寸法 (mm) |
説明 |
手紙 |
寸法 (mm) | ||||||||
| RT1 | RT2 | RT3 | RT4 | トール. | RT1 | RT2 | RT3 | RT4 | トール. | ||||
| リード線径 | d | 0.5 / 0.6 | 0.5 / 0.6 | 0.6 | 0.6 / 0.8 | + 0.05 | キャリアテープ幅 | w | 18 | 18 | 18 | 18 | + 1;-0.5 |
| テープピッチ | P | 12.7 | 12.7 | 12.7 | 25.4 | + 1 | テープ幅を押さえる | WO | 6 | 6 | 9 | 10 | 分 |
| 送り穴ピッチ | PO | 12.7 | 12.87 | 12.7 | 12.7 | + 0.2 | 穴の位置 | W1 | 9 | 9 | 9 | 9 | + 0.5 |
| リード線の芯出し | P1 | 3.85 | 2.6 / 3.75 | 7.7 | 5.2 | + 0.7 | テープ位置を押さえる | W2 | 3 | 3 | 3 | 3 | マックス |
| ボディのセンタリング | P2 | 6.35 | 6.35 | 12.7 | 12.7 | + 1.3 | 送り穴径 | する | 4 | 4 | 4 | 4 | + 0.2 |
| リード間隔 (ピッチ) | f | 5 | 7.5 | 10 | 15 | + 0.6;-0.1 | テープの厚さ | t | 0.7 | 0.7 | 0.7 | 0.07 | + 0.2 |
| コンポーネントの位置合わせ | Δh | 0 | 0 | 0 | 0 | + 2 | 形 | イチジク | 1 または 2 | 1.2 または 3 | 4 | 4 | |
| テープ中心からのコンポーネントの高さ | h | 18.5 | 18.5 | 18.5 | 18.5 | + 0.5 | |||||||
述べる: *累積ピッチの許容差は合計1mm未満 20 ピッチ.
*連続空コンポーネント未満 3 連続したピース.
*1 つのリールの空の合計が未満 1%.
導入
CDBC series are constructed with metalized polypropylene film dielectric, 銅鉛および難燃性エポキシ樹脂コーティング. 適切なブロッキング, による- 合格, カップリング, デカップリング, フィルタリング, タイミング, チューニング, 温度補償機能があり、安定器での使用に最適です, スイッチング電源, 通信機器, 産業機器, 自動制御システム、その他電子機器全般.













