Laminting High Voltage Super Capacitors▏edlc ▏ceeb
•Higher voltage
•Higher energy density
• Rohs obsequium
•More safe than LiB
•Energy regeneration
•Vehicle and rail transport
Features
⚫Higher voltage
⚫Higher energy density
⚫RoHS compliant
⚫More safe than LiB
⚫Energy regeneration
⚫Vehicle and rail transport
|
PRAECIPUUS |
Characteres |
|||||||||
| Usable Cell Voltage Range |
3.8 ~ 2.2 V |
|||||||||
|
Operating temperatus |
-30 ~ +60 ℃ |
|||||||||
| Surge voltage | 4.0 V | |||||||||
| Capacitance range |
1000 ~ 5000 F |
|||||||||
|
Capacitance tolerantia (25N ° C) |
-10 ~ +10% |
|||||||||
|
Temperatus characteres |
Specificationes in categoria temperatura rangefrom conveniant -30℃ to 60℃ |
Capacitas |
Intus 30% de initial valorem
|
|||||||
| Esr | Minus quam 4 temporibus initial certa pretii |
|||||||||
|
Summus temperatus onustus |
|
|||||||||
|
Summus temperatus repono |
The specifications shall be met after storage at 60℃ for 1000 horulus |
Capacitas |
Intus 20% de initial valorem |
|||||||
| Esr | Minus quam 2 temporibus initial certa pretii |
|||||||||
|
Cycle Life |
Specificationes post non occurrit 500,000 cycles apud * 25 ℃ , cycle of charge/discharge from 3.8V to 2.2V |
Capacitance range | Intus 30% de initial valorem | |||||||
| Esr | Minus quam 2 temporibus initial certa pretii |
|||||||||
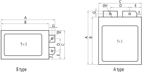
Dimensiones
| Type | A | B | C | D | E | F | G | H |
| A | 153 | 136 | 122 | 55 | 33.5 | 13.5 | 8 | 5.5 |
| B | 153 | 136 | 82 | 35 | 23.5 | 13.5 | 8 | 5.5 |
Vexillum Rating enim CEEB Series
| Usable Cell Voltage Range | Static
Capacitas 25℃ |
Impedimentum |
Self Discharge (72hrs) |
Magnitudo |
Pondus |
P / n |
||
| Esrdc | Esrac
(1KHz) |
Type |
CxAxT | |||||
| (V) | (F) | (mΩ) | (mΩ) | (mm) | (g) | |||
|
3.8 |
1000 | 5.0 | 2.5 | ≥3.7 | B | 82×136 x11 | 120 | CEEB3R8107M |
| 2000 | 3.0 | 1.5 | ≥3.7 | A | 122×136 x12 | 220 | CEEB3R8207M | |
| 3000 | 2.0 | 1.0 | ≥3.7 | A | 122×136 x18 | 330 | CEEB3R8307M | |
| 5000 | 5.0 | 2.5 | ≥3.7 | A | 122×136 x21 | 370 | CEEB3R8507M | |
Features
⚫ Higher voltage
Superiore industria density
⚫ More safe than LiB
⚫ Energy regeneration
⚫ Vehicle and rail transport
RoHS obsequentem









