Maximum industria Hybrid Tantalum Capacitors|CBee
Tantalum causa, Hermetically signati, Cylindrica, Radialis-plumbum, Heteropolarity, ANISOCYCLUM, convenient ad figere permixtum Electrolytic Tantalum Capacitor et Electrochemical Capacitor, Parva magnitudo, Super Capacitance
Firmum in Electrical Performances, Princeps Reliability, Longa vita-spatio, Maximum in Densitate Capacitance et Energy, Nominal Capacitance altior est quam series CBEF
Inaedificata ut altilium in Energy-converso-circuitu & Power-pulsus-circuitus, munere eliquare, industria repono,temporis mora circuitu.
Cubits
Operating temperatus:-55ad +125℃ (ad + 125℃, cum rated
Repono Temperature:-62~ +130℃
Capacitance tolerantia:Q: (-10%~+30%), K: (± X%), M: (± XX%)
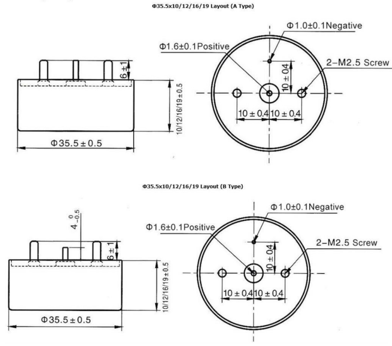
Dimensiones
Nota
1.Quaeso ne multimeter per modum procedendi uti (ut faciam immedicabile damnum ac ne disfacere).
2.Facultas et DF mensurati 100Hz ., U_=2.200 V, U = 1.00- V Test solum applicatum in serie aequivalens circuli.
3.intentione derating applicatur ad +125℃. (DCL parametri legi debet post 5 minuta cum ambitu coniungitur).
4.Magnitudo praecipua et postulatio nobiscum consulere potuerunt.
Part Number Exemplum

Characteres et Application
Tantalum causa, Hermetically signati, Cylindrica, Radialis-plumbum, Heteropolarity
Tantalum Capacitor et Electrochemical Capacitor immixtus, Parva magnitudo, Super Capacitance.
-Stabulum in Electrical Performances, Princeps Reliability, Longa vita-spatio, Maximum in Densitate Capacitance et Energy
Built-in pro altilium in Energy-converso-circuitu & Power-pulsus-circuitus, munere eliquare, industria repono, temporis mora circuitu













