خازن های الکترولیتی پلیمری ارگانیک ▏125 ℃ ▏CAYC
•125 درجه سانتی گراد, 2,000 با اطمینان ساعت.
• ESR بسیار کم, خازن های جامد با جریان موج دار بزرگ و مجاز
مشخصات
| موارد | عمل |
| دامنه دمای عملیاتی | -55C ~ +125 درجه سانتیگراد |
| تحمل ظرفیت | +20% (در 120 هرتز, 20درجه سانتیگراد) |
| جریان جریان (در دمای 20 درجه سانتیگراد) | کمتر از 0.2CV (μA) پس از 2 دقایقی,
کجا, ظرفیت ظرفیت C=بر حسب µF. V = ولتاژ کاری DC در V. |
| عامل اتلاف (برنزه ä در 120 هرتز, 20درجه سانتیگراد) | ابعاد را ببینید & جریان موج دار مجاز |
| ESR (در 100K ~ 300KHz, M¿, 20درجه سانتی گراد) | ابعاد را ببینید & جریان موج دار مجاز |
|
تست زندگی (125درجه سانتی گراد با ولتاژ نامی اعمال شده) |
تست کنید زمان 2.5V~4V: 1,000 ساعت; 6.3V~16V: 2,000ساعت تغییر ظرفیت در داخل +20% مقدار اولیه ضریب اتلاف کمتر از 200% از مقدار مشخص شده ESR کمتر از 200% مقدار مشخص شده جریان نشتی در مقدار مشخص شده |
| * مشخصات فوق باید پس از ترمیم ولتاژ رتبه بندی شده برای 20 درجه سانتیگراد به 20 درجه سانتیگراد ترمیم شود 2,000 ساعت در 125 درجه سانتیگراد | |
|
مقاومت در برابر رطوبت (در دمای 60 درجه سانتی گراد نگهداری می شود 90 به 95% ر.ح)
معیارها |
تست کنید زمان 1,000 ساعت تغییر ظرفیت در داخل +20% مقدار اولیه ضریب اتلاف کمتر از 150% از مقدار مشخص شده ESR کمتر از 150% مقدار مشخص شده جریان نشتی در مقدار مشخص شده * جریان نشتی باید پس از تصفیه ولتاژ آزمایش شود. |
| jis c 5101-1 |
بعد & جریان موج دار مجاز
| W.V.(حرفهای) | خازن
( اف) |
اندازه
DxL (مگنی) |
تان | L.C.. | E.S.R.
(100k~ 300 کیلوهرتز, m¿, 20درجه سانتیگراد حداکثر) |
دارای امتیاز R.C.
(mArms در 100 کیلوهرتز) |
|
| 2.5حرفهای(0اشمیه) | 680
1,500 |
6.3 x 6.5
8 x 11.5 |
0.18
0.18 |
340
750 |
13
13 |
4,520
5,440 |
1,721
1,430 |
| 4حرفهای(0جف) | 560
1,200 |
6.3 x 5.5
6.3 x 11 |
0.18
0.18 |
448
960 |
13
12 |
4,520
5,440 |
1,721
1,430 |
| 6.3حرفهای(0j) | 470
820 |
6.3 x 5.5
6.3 x 11 |
0.15
0.15 |
592
1,033 |
15
12 |
4,210
5,440 |
1,721
1,430 |
| 10حرفهای(1بوها) | 330
560 |
8 x 11.5
10 x 12.5 |
0.12
0.12 |
660
1,360 |
16
13 |
3,950
5,230 |
1,250
1,655 |
| 16حرفهای(1جف) | 180
330 100 150 |
6.3 x 5.5
6.3 x 11 8 x 11.5 10 x 12.5 |
0.12
0.12 0.15 0.15 |
576
1,056 400 600 |
18
16 24 20 |
3,640
4,720 3,320 4,320 |
1,151
1,493 1,050 1,367 |
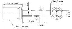
| 20حرفهای(1د) | |||||||
فاصله پد و قطر
| Øد | 8 | 10 | |
| سعادت | 11.5 | 12.5 | |
| پ | 3.5 | 5.0 | |
| صحرا | 0.6 | ||
| بوها | 1.0 | 1.5 | |
| ß | 0.5 | ||
ویژگی
•125 درجه سانتی گراد,2,000با اطمینان ساعت.
• ESR بسیار کم, خازن های جامد با بزرگ
جریان موج دار مجاز
◆ انطباق با RoHS








