Hochenergie -Hybrid -Tantal -Kondensatoren|Cbel
Tantalgehäuse, Hermetisch versiegelt, Zylindrisch, Radialanschluss, Heteropolarität, mit Schrauben, Bequem zu reparieren. Vermischt durch elektrolytischen Tantalkondensator und elektrochemischen Kondensator, Kleine Größe, Superkapazität
Stabil in der elektrischen Leistung, Hohe Zuverlässigkeit, Lange Lebensdauer, Maximum in der Kapazitäts- und Energiedichte, Die Nennkapazität ist höher als bei der CBEF-Serie
Eingebaut als Batterie im Energieumwandlungskreislauf & Leistungsgepulste Schaltung, fungierte als Filter, Speicherenergie,Zeitverzögerungsschaltung.
SPEZIFIKATIONEN
Betriebstemperatur:-55℃ bis +125℃ (bis +125℃, mit bewertet
Lagertemperatur:-62℃ ~ +130℃
Kapazitätstoleranz:Q: (-10%~+30%), K: (±10 %), M: (±20 %)
BEISPIEL FÜR TEILENUMMERN
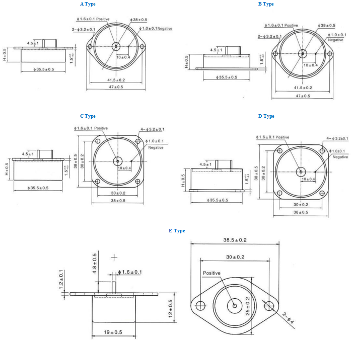
Abmessungen (Einheit: mm)
Notiz
1.Bitte verwenden Sie für die Messung kein Multimeter (kann zu irreversiblen Schäden führen und zur Entsorgung führen).
2.Kapazität und DF gemessen bei 100 Hz, U_=2.200 V, U =1,00- V-Test wird nur in Reihen-Ersatzschaltung angewendet.
3.Bei +125℃ wird eine Spannungsreduzierung angewendet. (Anschließend sollte der DCL-Parameter gelesen werden 5 Minuten, als es an den Stromkreis angeschlossen wurde).
4.Spezielle Größen und Anforderungen können mit uns besprochen werden.
Eigenschaften und Anwendung
◆Tantal-Gehäuse, Hermetisch versiegelt, Zylindrisch, Radialanschluss, Heteropolarität, mit Montageflansch.
◆Vermischt durch elektrolytischen Tantalkondensator und elektrochemischen Kondensator, Kleine Größe, Superkapazität
◆Stabile elektrische Leistung, Hohe Zuverlässigkeit, Lange Lebensdauer, Maximum in der Kapazitäts- und Energiedichte
◆Eingebaut als Batterie im Energieumwandlungskreislauf & Leistungsgepulste Schaltung, fungierte als Filter, Speicherenergie,
Zeitverzögerungsschaltung.














