Metalliséierte polyprophylene Film Capanitonized |Niddereg DF| Cdbc
CDBC series are constructed with metalized polypropylene film dielectric, Kupferbläi a Flammschutz Epoxyharzbeschichtung. Gëeegent Spär, vum- passéieren, Kopplung, découpling, feicher, timing, tuning, Temperaturkompensatioun an ideal fir an Ballasten ze benotzen, schalt Muecht Ëmgeréits, Telekommunikatioun Equipement, industriell Instrumenter, automatesch Kontrollsystemer an aner allgemeng elektronesch Ausrüstung.
FONTassementer
◆ Low dissipation factor at high frequency
◆ High capacitance and dissipation factor stability
◆ Net-induktiv Konstruktioun
◆ Self-healing
◆ Flame retardant epoxy resin coating (compliant to UL 94V-0)
Spezifikatioune
| Artikelen | Performech | ||||||
| Operatiounsgänger | 100Vdc, 250Vdc, 400Vdc, 630Vdc | ||||||
| Bewäerten Temperatur | -40 ˚C ~ +85ºC | ||||||
| Benotzbar Uewerkategorie Temperatur | +105ºC
(Derating ratio of rated voltage over +85˚C ~ +110º C: 1.5% per ºC of RatedVoltage) |
||||||
| Capakitance Range | 0.01 μF ~ 10 μF | ||||||
| Trimitatanz Toleranz | +3% (H H H), +5% (Jin), +10% (K St) | ||||||
|
Dissipization Faktor |
KHZ | C < 0.1 μF | 0.1 < C < 1.0 μF | 1.0 < C < 3.0 μF | 3.0 < C < 5.0 μF | 5.0 < C < 10 μF | |
| 1 | < 0.10% | ||||||
| 100 | < 0.40% | < 0.70% | < 1.20% | < 1.80% | < 2.80% | ||
|
Isolatioun Resistenz Terminal zu Terminal |
Spannung Charge: 100Vdc x 1 min (at 20˚C + 5˚C)
> 30,000MΩ for C < 0.33μF > 10,000MΩ x µF for C > 0.33μF |
||||||
| Mat Spannung | Terminal fir Terminal: (at 20˚C + 5˚C) | ||||||
|
Bewäert Spannung Puls Schréiegt dV / dt (V/µs) |
Pech un d'Pitting
VR |
7.5mm | 10mm | 15mm | 22.5mm | 27.5mm | |
| 100Vdc | 130 | 110 | 100 | 70 | 50 | ||
| 250Vdc | 240 | 220 | 200 | 130 | 100 | ||
| 400Vdc | — | 350 | 300 | 200 | 150 | ||
| 630Vdc | — | 420 | 400 | 250 | 180 | ||
RELIABILITY TEST
| Artikel iwwert d'Säit | Test Methicht Methoden | Virdeeler |
| Resistance to Soldering Heat IEC 60068-2-20 | Solder Bad: 260ºC + 5ºC Immersion Time: 10sec + 1sec | Capacitance Change ІΔ C/C : <1% DF Change Δ tan δ : 0.1% at 1KHz IR: > Limite Wäert |
| Resistance to Vibration IEC 60068-2-6 | Frequenz Range: 10Hz bis 55Hz Amplitude: 1.5mm
Dummert: 6 Stonnen. |
Et soll kee sichtbare Schued ginn, Keen intermittierend Kontakt,
Keng Open oder kuerz Circuit |
| Fiichteg Hëtzt, Steady State IEC 60068-2-3 | Zäitperei: 40ºC + 2ºC Relative Humidity: 90% zu 95%
Dummert: 1,000 Stonnen. |
Capacitance Change ІΔC/C І< : 3% DF Change Δ tan δ: 0.1% op 1khz ir: > 50% Limite Wäert |
| Elektresch Ausdauer IEC 60384-17 | Zäitperei: 85ºC + 2ºC Voltage Applied: 1.25 x vr(DC) Dummert: 2,000 Stonnen. | Capacitance Change ІΔC/CІ< : 3% DF Change Δ tan δ : 0.1% at 1KHz IR: > 50% Limite Wäert |
MAXIMUM Dimensiounen
| W.V. | 100Vdc (2A K)) | 250Vdc (2E) | 400Vdc (2G) | 630Vdc (2Jin) | |||||||||||||||||
| (μF) | CODE CODEN | W-W | H H H | T | P | d | W-W | H H H | T | P | d | W-W | H H H | T | P | d | W-W | H H H | T | P | d |
| 0.010 | 103 | 10.5 | 7.5 | 4.0 | 7.5 | 0.6 | 10.5 | 9.0 | 5.5 | 7.5 | 0.6 | ||||||||||
| 0.012 | 123 | 10.5 | 8.5 | 4.0 | 7.5 | 0.6 | 10.5 | 9.5 | 6.0 | 7.5 | 0.6 | ||||||||||
| 0.015 | 153 | 10.5 | 9.0 | 4.5 | 7.5 | 0.6 | 10.5 | 10.5 | 6.0 | 7.5 | 0.6 | ||||||||||
| 0.018 | 183 | 10.5 | 9.5 | 4.5 | 7.5 | 0.6 | 10.5 | 11.0 | 6.5 | 7.5 | 0.6 | ||||||||||
| 0.022 | 223 | 10.5 | 7.5 | 4.0 | 7.5 | 0.6 | 10.5 | 10.0 | 5.0 | 7.5 | 0.6 | 13.0 | 10.0 | 6.0 | 10.0 | 0.6 | |||||
| 0.027 | 273 | 10.5 | 8.0 | 4.0 | 7.5 | 0.6 | 10.5 | 10.5 | 5.5 | 7.5 | 0.6 | 13.0 | 11.0 | 6.5 | 10.0 | 0.6 | |||||
| 0.033 | 333 | 10.5 | 8.5 | 4.5 | 7.5 | 0.6 | 10.5 | 11.0 | 6.0 | 7.5 | 0.6 | 13.0 | 11.5 | 7.0 | 10.0 | 0.6 | |||||
| 0.039 | 393 | 10.5 | 9.0 | 4.5 | 7.5 | 0.6 | 13.0 | 11.0 | 5.5 | 10.0 | 0.6 | 13.0 | 12.0 | 8.0 | 10.0 | 0.6 | |||||
| 0.047 | 473 | 10.5 | 7.5 | 4.0 | 7.5 | 0.6 | 10.5 | 10.0 | 4.5 | 7.5 | 0.6 | 13.0 | 11.0 | 5.5 | 10.0 | 0.6 | 13.0 | 13.0 | 8.0 | 10.0 | 0.6 |
| 0.056 | 563 | 10.5 | 8.0 | 4.0 | 7.5 | 0.6 | 10.5 | 10.5 | 5.0 | 7.5 | 0.6 | 13.0 | 11.5 | 6.0 | 10.0 | 0.6 | 13.0 | 14.0 | 9.0 | 10.0 | 0.6 |
| 0.068 | 683 | 10.5 | 9.0 | 4.5 | 7.5 | 0.6 | 10.5 | 11.0 | 5.5 | 7.5 | 0.6 | 13.0 | 12.5 | 6.5 | 10.0 | 0.6 | 18.0 | 12.5 | 7.0 | 15.0 | 0.8 |
| 0.082 | 823 | 10.5 | 9.5 | 4.5 | 7.5 | 0.6 | 10.5 | 11.5 | 6.0 | 7.5 | 0.6 | 13.0 | 13.0 | 7.0 | 10.0 | 0.6 | 18.0 | 13.0 | 7.5 | 15.0 | 0.8 |
| 0.10 | 104 | 10.5 | 10.0 | 5.0 | 7.5 | 0.6 | 10.5 | 12.0 | 6.5 | 7.5 | 0.6 | 13.0 | 13.5 | 8.0 | 10.0 | 0.6 | 18.0 | 14.0 | 8.0 | 15.0 | 0.8 |
| 0.12 | 124 | 10.5 | 10.0 | 5.5 | 7.5 | 0.6 | 13.0 | 11.5 | 6.0 | 10.0 | 0.6 | 18.0 | 12.0 | 6.0 | 15.0 | 0.8 | 18.0 | 15.5 | 8.0 | 15.0 | 0.8 |
| 0.15 | 154 | 10.5 | 11.0 | 6.0 | 7.5 | 0.6 | 13.0 | 12.0 | 6.5 | 10.0 | 0.6 | 18.0 | 12.5 | 7.0 | 15.0 | 0.8 | 18.0 | 16.5 | 9.0 | 15.0 | 0.8 |
| 0.18 | 184 | 10.5 | 11.5 | 6.5 | 7.5 | 0.6 | 13.0 | 12.5 | 7.0 | 10.0 | 0.6 | 18.0 | 13.5 | 8.5 | 15.0 | 0.8 | 18.0 | 17.5 | 10.0 | 15.0 | 0.8 |
| 0.22 | 224 | 13.0 | 11.5 | 6.0 | 10.0 | 0.6 | 13.0 | 13.0 | 7.5 | 10.0 | 0.6 | 18.0 | 15.0 | 8.0 | 15.0 | 0.8 | 18.0 | 18.5 | 11.5 | 15.0 | 0.8 |
| 0.27 | 274 | 13.0 | 12.0 | 6.5 | 10.0 | 0.6 | 18.0 | 13.0 | 6.0 | 15.0 | 0.8 | 18.0 | 16.0 | 8.5 | 15.0 | 0.8 | 25.5 | 18.0 | 9.0 | 22.5 | 0.8 |
| 0.33 | 334 | 13.0 | 13.0 | 7.0 | 10.0 | 0.6 | 18.0 | 14.0 | 6.5 | 15.0 | 0.8 | 18.0 | 17.0 | 9.5 | 15.0 | 0.8 | 25.5 | 19.0 | 10.0 | 22.5 | 0.8 |
| 0.39 | 394 | 13.0 | 13.5 | 7.5 | 10.0 | 0.6 | 18.0 | 14.5 | 7.0 | 15.0 | 0.8 | 18.0 | 18.0 | 10.5 | 15.0 | 0.8 | 25.5 | 20.0 | 11.0 | 22.5 | 0.8 |
| 0.47 | 474 | 13.0 | 14.0 | 8.5 | 10.0 | 0.6 | 18.0 | 15.0 | 8.0 | 15.0 | 0.8 | 25.5 | 16.0 | 9.0 | 22.5 | 0.8 | 20.5 | 20.5 | 12.0 | 17.5 | 0.8 |
| 25.5 | 21.0 | 12.0 | 22.5 | 0.8 | |||||||||||||||||
| 0.56 | 564 | 18.0 | 14.0 | 7.0 | 15.0 | 0.8 | 18.0 | 16.0 | 8.5 | 15.0 | 0.8 | 25.5 | 17.0 | 10.0 | 22.5 | 0.8 | 25.5 | 22.5 | 13.5 | 22.5 | 0.8 |
| 0.68 | 684 | 18.0 | 15.0 | 7.5 | 15.0 | 0.8 | 18.0 | 17.0 | 9.5 | 15.0 | 0.8 | 25.5 | 18.0 | 11.0 | 22.5 | 0.8 | 25.5 | 24.0 | 15.0 | 22.5 | 0.8 |
| 0.82 | 824 | 18.0 | 15.5 | 8.0 | 15.0 | 0.8 | 18.0 | 18.5 | 10.0 | 15.0 | 0.8 | 25.5 | 20.0 | 11.0 | 22.5 | 0.8 | 25.5 | 25.5 | 16.5 | 22.5 | 0.8 |
| 1.00 | 105 | 18.0 | 16.5 | 9.0 | 15.0 | 0.8 | 18.0 | 20.0 | 11.0 | 15.0 | 0.8 | 25.5 | 21.5 | 12.5 | 22.5 | 0.8 | 26.0 | 16.5 | 12.0 | 22.5 | 0.8 |
| 31.5 | 25.0 | 16.0 | 27.5 | 0.8 | |||||||||||||||||
| 1.20 | 125 | 18.0 | 17.5 | 10.0 | 15.0 | 0.8 | 25.5 | 18.0 | 9.0 | 22.5 | 0.8 | 25.5 | 23.0 | 14.0 | 22.5 | 0.8 | 31.5 | 27.0 | 18.0 | 27.5 | 0.8 |
| 1.50 | 155 | 18.0 | 18.5 | 11.5 | 15.0 | 0.8 | 25.5 | 19.5 | 10.5 | 22.5 | 0.8 | 25.5 | 24.5 | 15.5 | 22.5 | 0.8 | |||||
| 1.80 | 185 | 25.5 | 18.0 | 9.0 | 22.5 | 0.8 | 25.5 | 20.5 | 11.5 | 22.5 | 0.8 | ||||||||||
| 2.20 | 225 | 25.5 | 19.0 | 10.0 | 22.5 | 0.8 | 25.5 | 22.0 | 13.0 | 22.5 | 0.8 | ||||||||||
| 2.70 | 275 | 25.5 | 20.0 | 11.5 | 22.5 | 0.8 | 25.5 | 23.5 | 14.5 | 22.5 | 0.8 | ||||||||||
| 3.30 | 335 | 25.5 | 24.5 | 15.5 | 22.5 | 0.8 | 25.5 | 25.5 | 16.0 | 22.5 | 0.8 | ||||||||||
Deel Zuel Beispill – BULK
Deel Zuel Beispill – RADIAL TAPED
CAPACITANCE
| μF | 0.01 | 0.047 | 0.1 | 0.47 | 1.0 | 3.3 |
| pf | 10,000 | 47,000 | 100,000 | 470,000 | – | – |
| CODE CODEN | 103 | 473 | 104 | 474 | 105 | 335 |
TOLERANCE CODE
| CODE CODEN | Toleranz |
| Jin | + 5% |
| K St | + 10% |
| M | + 20% |
Bewäerten Voltage
| W.V. | 100 | 250 | 400 | 630 |
| CODE CODEN | 2A K) | 2E | 2G | 2Jin |
Tape Copiococode (See Diagrams)
| Abstand | 7.5mm | 10mm | 15mm |
| Verpakung | A oder R | A K) | A K) |
| CODE CODEN | RT2 | Rt3 | RT 4 |
Lead Stil Beispiller
Radial Lead Spacing
* Leadspace ass riicht falen net geformt Original Leadspace.
| mm | 7.5 | 10 | 15 | 22.5 | 27.5 |
| CODE CODEN | 075 | 100 | 150 | 225 | 275 |
Lead Längt vum Sëtzfliger (if bulk pack)
| mm | 5 | 10 | 15 | 20 | 25 |
| CODE CODEN | 050 | 100 | 150 | 200 | 250 |
VERPAKKING
| Meth | od | Bulk | Munitioun | Reel |
| CODE CODEN | Elz | A K) | R | |
LEAD STYLE
| CODE CODEN | Stil |
| S | Riichtaus |
| K St | Kink-In (Stand Off) |
| F an | Form eraus |
| ech | Form an |
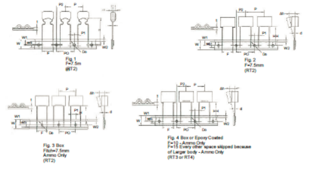
Radial Taping Code Diagramm
Spezifikatioune
| Broessdatsch |
Busribd |
Dimensioun (mm) |
Broessdatsch |
Busribd |
Dimensioun (mm) | ||||||||
| Rt1 | RT2 | Rt3 | RT 4 | Tol. | Rt1 | RT2 | Rt3 | RT 4 | Tol. | ||||
| Lead Wire Duerchmiesser | d | 0.5 / 0.6 | 0.5 / 0.6 | 0.6 | 0.6 / 0.8 | + 0.05 | Carrier Tape Breet | W-W | 18 | 18 | 18 | 18 | + 1;-0.5 |
| Tappiel | P | 12.7 | 12.7 | 12.7 | 25.4 | + 1 | Halt Tape Breet erof | Wa gewo | 6 | 6 | 9 | 10 | Min |
| Fidderen Hole Pitch | Po | 12.7 | 12.87 | 12.7 | 12.7 | + 0.2 | Lach Positioun | Weá | 9 | 9 | 9 | 9 | + 0.5 |
| Zentrum vun der Lead Drot | P1 | 3.85 | 2.6 / 3.75 | 7.7 | 5.2 | + 0.7 | Haalt Tape Positioun erof | W2 | 3 | 3 | 3 | 3 | Max |
| Zentrum vum Kierper | P2 | 6.35 | 6.35 | 12.7 | 12.7 | + 1.3 | Fidderen Lach Duerchmiesser | Maach dat | 4 | 4 | 4 | 4 | + 0.2 |
| Lead Spazéieren (Pech un d'Pitting) | F an | 5 | 7.5 | 10 | 15 | + 0.6;-0.1 | Tape Dicke | T | 0.7 | 0.7 | 0.7 | 0.07 | + 0.2 |
| Komponent Ausrichtung | ΔH | 0 | 0 | 0 | 0 | + 2 | Zuelfen | Figong | 1 oder 2 | 1.2 oder 3 | 4 | 4 | |
| Héicht vu Complenet vum Tape Center | H H H | 18.5 | 18.5 | 18.5 | 18.5 | + 0.5 | |||||||
Bemuch: *Erlaabnes vum Akkumuléierte Pitch manner wéi 1mm op der Zomm vun 20 riichtchen.
*Kontinuéierlech eidel Komponent manner wéi 3 hannert Stécker.
*Total eidel op enger Reel manner wéi 1%.
Aféierung
CDBC series are constructed with metalized polypropylene film dielectric, Kupferbläi a Flammschutz Epoxyharzbeschichtung. Gëeegent Spär, vum- passéieren, Kopplung, découpling, feicher, timing, tuning, Temperaturkompensatioun an ideal fir an Ballasten ze benotzen, schalt Muecht Ëmgeréits, Telekommunikatioun Equipement, industriell Instrumenter, automatesch Kontrollsystemer an aner allgemeng elektronesch Ausrüstung.













