Metalliséiert polyester Filmveruertung |Ultra Mini Gréisst | CDAD
CDAD Serie si speziell fir aktive Filterkreesser konstruéiert wéi déi, déi a Kraaftfaktor Korrektur Uwendungen benotzt ginn.
FONTassementer
◆ Operatioun Temp. Range :-40°C~105°C (V R Derates 1.25% pro °C iwwer 85 °C)
◆ Kapazitéit Range:0.1~10 uF
◆ Kapazitéit Toleranz: J=5% K=10% M=20%
◆ Nominell Volt V R 85 ° C: 100V 250V 400V 630V
◆ Dissipatioun Faktor: 1% MAX @1KHZ 25℃
Deel Zuel Beispill
Spezifikatioune
| Artikelen | Performech | ||||
| Betribsspannung Range | 450Vdc, 630Vdc | ||||
| Bewäerten Temperatur | -40 °C ~ +85°C | ||||
| Benotzbar Uewerkategorie Temperatur | +110° C
(Derating Verhältnis vun nominell Volt iwwer +85 °C ~ +110°C: 1.5% pro °C vun der Nominell Spannung) |
||||
| Kapazitéit Range | 0.033 μF ~ 3.3 μF | ||||
| Kapazitéit Toleranz | +2% (G), +5% (Jin), +10% (K St) | ||||
| Dissipization Faktor | 1.0% (max.) dass 1khz 1.6% (max.) an 10 kHz | ||||
| Isolatioun Resistenz Terminal zu Terminal | Spannung Charge: 100Vdc x 1 min (op 20 °C+5°C)
> 9,000MΏ fir C < 0.33μF > 3,000MΏ x µF fir C >0.33μF |
||||
|
Mat Spannung |
Terminal fir Terminal:(op 20 ° C + 5° C) | ||||
| 1.6 x VR applizéiert fir 2sec. (Stroum 10mA ofschneiden) | |||||
| Lues-up Volt Vitesse: 100V/sec | |||||
| Bewäert Spannung Puls Schréiegt dV / dt (V/µs) | P
VR |
10mm | 15mm | 22.5mm | |
| 450Vdc | 110 | 45 | 20 | ||
| 630Vdc | 160 | 65 | 30 | ||
Performech
| Artikel iwwert d'Säit | Test Methicht Methoden | Virdeeler |
| Resistenz zu Soldering Hëtzt IEC 60068-2-20″ | Solder Bad: 260°C+ 5°C Immersion Time: 10sec + 1sec | Kapazitéit änneren |ΔC/C| :<2% DF Änneren tanδ: 0.5% op 1khz ir: > Limite Wäert |
| Schwéngungsresistenz IEC 60068-2-6″ | Frequenz Range: 10Hz bis 55Hz Amplitude:
1.5m / m Dauer: 6 Stonnen. |
Et soll kee sichtbare Schued ginn, Ënnerbriechung net
Kontaktéier, Keng Open oder kuerz Circuit |
| Fiichteg Hëtzt, Steady State IEC 60068-2-3″ | Zäitperei: 40° C + 2°C Relativ Fiichtegkeet: 90% zu 95%
Dummert: 1,000 Stonnen. |
Kapazitéit änneren |ΔC/C |: <5% DF Änneren tanδ: 0.5% op 1khz ir: > 50% Limite Wäert |
| Elektresch Ausdauer IEC 60384-2″ | Zäitperei: 85° C + 2°C Spannung ugewandt: 1.10 x vr(DC) Dummert: 1,000 Stonnen. | Kapazitéit änneren |ΔC/C |: <5% DF Änneren tanδ: 0.5% op 1khz ir: > 50% Limite Wäert |
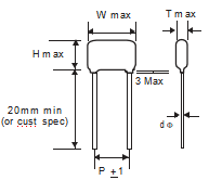
MAXIMUM Dimensiounen (mm)
| R.V. | 450Vdc (2W-W) | ||||||||||
| Dir
e |
W-W | H H H | T | P | dΦ | Dir
e |
W-W | H H H | T | P | dΦ |
| (μF) | (μF) | ||||||||||
| 0.047 | 13.0 | 13 | 5 | 10 | 0.6 |
1.0 |
13 | 19 | 8 | 10 | 0.8 |
| 0.068 | 12.5 | 10 | 5 | 10 | 0.6 | 18.0 | 17 | 7.5 | 15 | 0.8 | |
| 0.1 | 12.5 | 9.5 | 4.5 | 10 | 0.6 | 26.0 | 16 | 7 | 22.5 | 0.8 | |
| 18.0 | 11 | 5 | 15 | 0.8 | 1.2 | 18.0 | 18 | 8 | 15 | 0.8 | |
| 0.15 | 12.5 | 12 | 4.5 | 10 | 0.6 |
1.5 |
13.0 | 21.5 | 9.5 | 10 | 0.8 |
| 0.22 | 12.5 | 12 | 6.5 | 10 | 0.6 | 18.0 | 18.5 | 8.5 | 15 | 0.8 | |
| 18.0 | 11.5 | 6 | 15 | 0.8 | 26.0 | 17.5 | 7 | 22.5 | 0.8 | ||
| 0.33 | 12.5 | 12 | 6 | 10 | 0.6 | 2.2 | 18.0 | 21.5 | 11.5 | 15 | 0.8 |
| 18.0 | 13 | 5 | 15 | 0.8 | 26.0 | 19 | 9 | 22.5 | 0.8 | ||
| 0.47 | 12.5 | 15.5 | 6.5 | 10 | 0.6 | 3.3 | 26.0 | 23.5 | 13 | 22.5 | 0.8 |
| 18.0 | 13 | 5.5 | 15 | 0.8 | |||||||
| 0.68 | 12.5 | 16 | 7.5 | 10 | 0.6 | ||||||
| 18.0 | 15.5 | 5.5 | 15 | 0.8 | |||||||
| R.V. | 630Vdc (2Jin) | ||||
| Du bass | W-W | H H H | T | P | dΦ |
| (μF) | |||||
| 0.033 | 12.5 | 10.5 | 4.5 | 10 | 0.6 |
| 0.047 | 12.5 | 13 | 5 | 10 | 0.6 |
| 18.0 | 11 | 5 | 15 | 0.8 | |
| 0.068 | 13.0 | 13 | 6 | 10 | 0.6 |
| 18.0 | 11 | 5 | 15 | 0.8 | |
| 0.1 | 12.5 | 16 | 6 | 10 | 0.6 |
| 18.0 | 11 | 5 | 15 | 0.8 | |
| 0.22 | 18.0 | 13 | 5 | 15 | 0.8 |
| 0.33 | 18.0 | 13 | 5 | 15 | 0.8 |
| 0.47 | 18.0 | 17.5 | 9 | 15 | 0.8 |
| 0.68 | 18.0 | 20.5 | 10.5 | 15 | 0.8 |
| 1.0 | 26.0 | 20.5 | 9.5 | 22.5 | 0.8 |
Bewäerten Voltage (Vrms) VS. FREQUENCY
MAX. DC & AC VOLTAGE VS TEMPERATUR
MAXIMUM STROOM, AMPS (rms)
450Vdc / 200Vac
| CAP (μF) | P | 15.75
KHZ |
35
KHZ |
45
KHZ |
65
KHZ |
80
KHZ |
100
Khz |
| 0.047 | 10 | 0.18 | 0.20 | 0.21 | 0.23 | 0.24 | 0.25 |
| 0.068 | 10 | 0.20 | 0.22 | 0.23 | 0.24 | 0.25 | 0.26 |
| 0.1 | 10 | 0.36 | 0.46 | 0.50 | 0.56 | 0.60 | 0.64 |
| 15 | 0.15 | 0.17 | 0.19 | 0.20 | 0.21 | 0.22 | |
| 0.15 | 10 | 0.40 | 0.48 | 0.53 | 0.58 | 0.62 | 0.66 |
| 0.22 | 10 | 0.45 | 0.57 | 0.61 | 0.69 | 0.73 | 0.78 |
| 15 | 0.18 | 0.19 | 0.20 | 0.21 | 0.22 | 0.23 | |
| 0.33 | 10 | 0.48 | 0.60 | 0.65 | 0.72 | 0.74 | 0.80 |
| 15 | 0.77 | 0.97 | 1.05 | 1.17 | 1.25 | 1.32 | |
| 0.47 | 10 | 0.50 | 0.70 | 0.80 | 0.90 | 1.00 | 1.10 |
| 15 | 0.67 | 0.88 | 0.99 | 1.06 | 1.17 | 1.31 | |
| 0.68 | 10 | 0.60 | 0.90 | 1.00 | 1.10 | 1.20 | 1.30 |
| 15 | 0.88 | 1.13 | 1.24 | 1.41 | 1.48 | 1.63 | |
| 1.0 | 10 | 0.80 | 1.20 | 1.30 | 1.50 | 1.60 | 1.80 |
| 15 | 1.06 | 1.38 | 1.59 | 1.77 | 1.84 | 1.91 | |
| 1.2 | 15 | 1.20 | 1.50 | 1.65 | 1.85 | 2.00 | 2.20 |
|
1.5 |
10 | 0.98 | 1.30 | 1.40 | 1.60 | 1.70 | 1.90 |
| 15 | 1.40 | 1.70 | 1.80 | 2.00 | 2.20 | 2.40 | |
| 22.5 | 1.38 | 1.68 | 1.78 | 1.96 | 2.00 | 2.04 | |
| 2.2 | 15 | 1.70 | 2.00 | 2.20 | 2.35 | 2.50 | 2.70 |
| 22.5 | 2.30 | 2.37 | 2.43 | 2.52 | 2.55 | 2.60 | |
| 3.3 | 22.5 | 2.65 | 2.69 | 2.80 | 2.81 | 2.82 | 2.90 |
MAXIMUM STROOM, AMPS (rms)
630Vdc / 250Vac
| CAP (μF) | P | 15.75
KHZ |
35
KHZ |
45
KHZ |
65
KHZ |
80
KHZ |
100
KHZ |
| 0.033 | 10 | 0.14 | 0.20 | 0.22 | 0.25 | 0.27 | 0.30 |
| 0.047 | 10 | 0.18 | 0.24 | 0.30 | 0.35 | 0.39 | 0.42 |
| 0.068 | 10 | 0.21 | 0.29 | 0.32 | 0.37 | 0.41 | 0.44 |
| 0.1 | 10 | 0.25 | 0.37 | 0.45 | 0.50 | 0.55 | 0.63 |
| 0.047 | 15 | 0.16 | 0.22 | 0.24 | 0.27 | 0.30 | 0.32 |
| 0.068 | 15 | 0.23 | 0.26 | 0.32 | 0.35 | 0.40 | 0.44 |
| 0.1 | 15 | 0.42 | 0.55 | 0.58 | 0.65 | 0.69 | 0.73 |
| 0.22 | 15 | 0.58 | 0.62 | 0.67 | 0.78 | 0.80 | 0.85 |
| 0.33 | 15 | 0.91 | 1.15 | 1.25 | 1.40 | 1.48 | 1.58 |
| 0.5 | 15 | 0.85 | 1.08 | 1.18 | 1.30 | 1.40 | 1.49 |
| 0.68 | 15 | 1.16 | 1.48 | 1.60 | 1.80 | 1.90 | 2.05 |
| 1.0 | 22.5 | 1.85 | 2.25 | 2.36 | 2.60 | 2.70 | 2.85 |
PACKAGING CODE
| Metho d | Bulk | Munitioun | Reel |
| CODE CODEN | Elz | A K) | R |
Lead Längt vum Sëtzfliger
| mm | 5 | 10 | 15 | 20 | 25 |
| CODE CODEN | 050 | 100 | 150 | 200 | 250 |
Tape Copiococode (Lead Spacing vun Band, wann agepaakt)
| Abstand | 10mm | 15mm |
| Verpakung | A K) | A K) |
| CODE CODEN | Rt3 | RT 4 |
LEAD STYLE CODE Beispill
Aféierung
CDAC Serie si mat metalliséiertem Polyesterfilm-Dielektrik gebaut, Kupferbläi an Epoxyharzbeschichtung. Si si gëeegent fir ze blockéieren, Kopplung, découpling, feicher, Contournement Timing Circuit an ideal fir benotzen an Daten / Telekommunikatioun Equipement, industriell Instrument, automatesch Kontrollsystemer an aner allgemeng elektronesch Applikatioun.
















