Metalliséierte polyprophylene Film Capanitonized | Duebel | CDBB ze sinn
FONTassementer
◆ Héich Feuchtigkeitbeständegkeet
◆ Bewäert Spannung : 250~2000 V DC (180~700 Vac)
◆ Kapazitéitsberäich : 0.00022 ~3.9 uF
◆ Flam-retardant epoxy resin (Konform zu UL 94V-0)
◆RoHS-kompatibel a bläifräi Terminatioune
Fir héich dv / dt Applikatioun
FONTassementer
◆ héich Fiichtegkeet Resistenz
◆ Bewäert Spannung : 250~2000 V DC(180~700 Vac)
◆ Kapazitéitsberäich : 0.00022 ~3.9uF
◆ Flam-retardant epoxy resin (Konform zu UL 94V-0)
◆ RoHS-kompatibel a Bleifräi Terminatiounen
◆ Fir héich dv/dt Applikatioun
Deel Zuel Beispill
Elektresch Charakteristiken
| Artikelen | Performech | ||||||||||||
| Operatiounsgänger | 250VDC ~ 2.000 VDC | ||||||||||||
| Bewäerten Temperatur | -40°C ~ +105°C (Derates iwwer 85 ° C bei 1.25% pro °C) | ||||||||||||
| Klimatesch Kategorie | 40 / 105 / 56 | ||||||||||||
| Capakitance Range | 0.00022 µF ~ 3,9µF | ||||||||||||
| Trimitatanz Toleranz | ± 5% (Jin), ± 10% (K St), aner Toleranzen op Ufro | ||||||||||||
|
Dissipization Faktor (tan fi |
C ≤0.1μF | 0.1μF < C ≤ 1.0μF | C > 1.0μF | ||||||||||
| 1KHZ, 20° C | 0.0003 | 0.0003 | 0.0003 | ||||||||||
| 1KHZ, 20° C | 0.0004 | 0.0006 | — | ||||||||||
| 100KHZ, 20° C | 0.0015 | — | — | ||||||||||
|
Isolatioun Resistenz |
Gemooss bei 20°C, 100vdc fir 1 Minutt | ||||||||||||
|
|||||||||||||
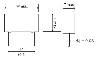
Bewäertungen & DIMENSIOUNEN (mm)

Wave Soldering Empfehlungen
|
(μF) |
Aarbecht g
Spannung |
250Vdc (2E) | 400Vdc (2G) | 630Vdc (2Jin) | |||||||||||||||
| 180Vac | 250Vac | 400Vac | |||||||||||||||||
| CODE CODEN | W-W | H H H | T | P | stierwen | dv/dt | W-W | H H H | T | P | stierwen | dv/dt | W-W | H H H | T | P | stierwen | dv/dt | |
| 0.01 | 103 | 13.0 | 11.0 | 5.0 | 10.0 | 0.6 | 3,000 | ||||||||||||
| 0.012 | 123 | 13.0 | 11.0 | 5.0 | 10.0 | 0.6 | 3,000 | ||||||||||||
| 0.015 | 153 | 13.0 | 12.0 | 6.0 | 10.0 | 0.6 | 3,000 | ||||||||||||
| 0.018 | 183 | 18.0 | 11.0 | 5.0 | 15.0 | 0.8 | 2,500 | ||||||||||||
| 0.022 | 223 | 18.0 | 11.0 | 5.0 | 15.0 | 0.8 | 2,500 | ||||||||||||
| 0.027 | 273 | 13.0 | 11.0 | 5.0 | 10.0 | 0.6 | 1,400 | 18.0 | 11.0 | 5.0 | 15.0 | 0.8 | 2,500 | ||||||
| 0.033 | 333 | 13.0 | 11.0 | 5.0 | 10.0 | 0.6 | 1,400 | 18.0 | 12.0 | 6.0 | 15.0 | 0.8 | 2,500 | ||||||
| 0.039 | 393 | 13.0 | 12.0 | 6.0 | 10.0 | 0.6 | 1,400 | 18.0 | 12.0 | 6.0 | 15.0 | 0.8 | 2,500 | ||||||
| 0.047 | 473 | 13.0 | 11.0 | 5.0 | 10.0 | 0.6 | 1,000 | 18.0 | 11.0 | 5.0 | 15.0 | 0.8 | 1,000 | 18.0 | 12.0 | 6.0 | 15.0 | 0.8 | 2,500 |
| 0.056 | 563 | 13.0 | 11.0 | 5.0 | 10.0 | 0.6 | 1,000 | 18.0 | 11.0 | 5.0 | 15.0 | 0.8 | 1,000 | 26.5 | 15.0 | 6.0 | 22.5 | 0.8 | 1,800 |
| 0.068 | 683 | 13.0 | 12.0 | 6.0 | 10.0 | 0.6 | 1,000 | 18.0 | 12.0 | 6.0 | 15.0 | 0.8 | 1,000 | 26.5 | 15.0 | 6.0 | 22.5 | 0.8 | 1,800 |
| 0.082 | 823 | 18.0 | 11.0 | 5.0 | 15.0 | 0.8 | 600 | 18.0 | 12.0 | 6.0 | 15.0 | 0.8 | 1,000 | 26.5 | 15.0 | 6.0 | 22.5 | 0.8 | 1,800 |
| 0.1 | 104 | 18.0 | 11.0 | 5.0 | 15.0 | 0.8 | 600 | 18.0 | 13.5 | 7.5 | 15.0 | 0.8 | 1,000 | 26.5 | 15.0 | 6.0 | 22.5 | 0.8 | 1,800 |
| 0.12 | 124 | 18.0 | 12.0 | 6.0 | 15.0 | 0.8 | 600 | 18.0 | 13.5 | 7.5 | 15.0 | 0.8 | 1,000 | 26.5 | 16.0 | 7.0 | 22.5 | 0.8 | 1,800 |
| 0.15 | 154 | 18.0 | 12.0 | 6.0 | 15.0 | 0.8 | 600 | 26.5 | 15.0 | 6.0 | 22.5 | 0.8 | 600 | 26.5 | 17.0 | 8.5 | 22.5 | 0.8 | 1,800 |
| 0.18 | 184 | 18.0 | 13.5 | 7.5 | 15.0 | 0.8 | 600 | 26.5 | 15.0 | 6.0 | 22.5 | 0.8 | 600 | 32.0 | 18.0 | 9.0 | 27.5 | 0.8 | 1,100 |
| 0.22 | 224 | 18.0 | 13.5 | 7.5 | 15.0 | 0.8 | 600 | 26.5 | 16.0 | 7.0 | 22.5 | 0.8 | 600 | 32.0 | 18.0 | 9.0 | 27.5 | 0.8 | 1,100 |
| 0.27 | 274 | 18.0 | 14.5 | 8.5 | 15.0 | 0.8 | 600 | 26.5 | 17.0 | 8.5 | 22.5 | 0.8 | 600 | 32.0 | 18.0 | 9.0 | 27.5 | 0.8 | 1,100 |
| 0.33 | 334 | 18.0 | 16.0 | 10.0 | 15.0 | 0.8 | 600 | 26.5 | 17.0 | 8.5 | 22.5 | 0.8 | 600 | 32.0 | 20.0 | 11.0 | 27.5 | 0.8 | 1,100 |
| 0.39 | 394 | 26.5 | 16.0 | 7.0 | 22.5 | 0.8 | 400 | 26.5 | 18.5 | 10.0 | 22.5 | 0.8 | 600 | 32.0 | 20.0 | 11.0 | 27.5 | 0.8 | 1,100 |
| 0.47 | 474 | 26.5 | 16.0 | 7.0 | 22.5 | 0.8 | 400 | 32.0 | 18.0 | 9.0 | 27.5 | 0.8 | 500 | 32.0 | 22.0 | 13.0 | 27.5 | 0.8 | 1,100 |
| 0.56 | 564 | 26.5 | 17.0 | 8.5 | 22.5 | 0.8 | 400 | 32.0 | 20.0 | 11.0 | 27.5 | 0.8 | 500 | 32.0 | 22.0 | 13.0 | 27.5 | 0.8 | 1,100 |
| 0.68 | 684 | 26.5 | 18.5 | 10.0 | 22.5 | 0.8 | 400 | 32.0 | 20.0 | 11.0 | 27.5 | 0.8 | 500 | 32.0 | 24.5 | 15.0 | 27.5 | 0.8 | 1,100 |
| 0.82 | 824 | 26.5 | 18.5 | 10.0 | 22.5 | 0.8 | 400 | 32.0 | 22.0 | 13.0 | 27.5 | 0.8 | 500 | 32.0 | 28.0 | 14.0 | 27.5 | 0.8 | 1,100 |
| 1 | 105 | 32.0 | 20.0 | 11.0 | 27.5 | 0.8 | 300 | 32.0 | 24.5 | 15.0 | 27.5 | 0.8 | 500 | 32.0 | 33.0 | 18.0 | 27.5 | 0.8 | 1,100 |
| 1.2 | 125 | 32.0 | 20.0 | 11.0 | 27.5 | 0.8 | 300 | 32.0 | 24.5 | 15.0 | 27.5 | 0.8 | 500 | 32.0 | 33.0 | 18.0 | 27.5 | 0.8 | 1,100 |
| 1.5 | 155 | 32.0 | 22.0 | 13.0 | 27.5 | 0.8 | 300 | 32.0 | 33.0 | 18.0 | 27.5 | 0.8 | 500 |
weider …… |
|||||
| 1.8 | 185 | 32.0 | 24.5 | 15.0 | 27.5 | 0.8 | 300 | 32.0 | 33.0 | 18.0 | 27.5 | 0.8 | 500 | ||||||
| 2.2 | 225 | 32.0 | 24.5 | 15.0 | 27.5 | 0.8 | 300 |
|
|||||||||||
| 2.7 | 275 | 32.0 | 33.0 | 18.0 | 27.5 | 0.8 | 300 | ||||||||||||
| 3.3 | 335 | 32.0 | 33.0 | 18.0 | 27.5 | 0.8 | 300 | ||||||||||||
| 3.9 | 395 | 32.0 | 33.0 | 18.0 | 27.5 | 0.8 | 300 | ||||||||||||
Bewäertungen & DIMENSIOUNEN (mm)
| ( F an) | Aarbecht g
Spannung |
1000Vdc(3A K)) | 1600Vdc (3C) | 2000Vdc (3D) | |||||||||||||||
| 600Vac | 650Vac | 700Vac | |||||||||||||||||
|
CODE CODEN |
W-W | H H H | T | P | stierwen | dv/dt | W-W | H H H | T | P | stierwen | dv/dt | W-W | H H H | T | P | stierwen | dv/dt | |
| 0.00022 | 221 | 18.0 | 11.0 | 5.0 | 15.0 | 0.8 | 10,000 | ||||||||||||
| 0.00027 | 271 | 18.0 | 11.0 | 5.0 | 15.0 | 0.8 | 10,000 | ||||||||||||
| 0.00033 | 331 | 18.0 | 11.0 | 5.0 | 15.0 | 0.8 | 10,000 | ||||||||||||
| 0.00047 | 471 | 18.0 | 11.0 | 5.0 | 15.0 | 0.8 | 10,000 | ||||||||||||
| 0.00056 | 561 | 18.0 | 11.0 | 5.0 | 15.0 | 0.8 | 10,000 | ||||||||||||
| 0.00068 | 681 | 18.0 | 11.0 | 5.0 | 15.0 | 0.8 | 6,000 | 18.0 | 11.0 | 5.0 | 15.0 | 0.8 | 10,000 | ||||||
| 0.00082 | 821 | 18.0 | 11.0 | 5.0 | 15.0 | 0.8 | 6,000 | 18.0 | 11.0 | 5.0 | 15.0 | 0.8 | 10,000 | ||||||
| 0.001 | 102 | 18.0 | 11.0 | 5.0 | 15.0 | 0.8 | 6,000 | 18.0 | 11.0 | 5.0 | 15.0 | 0.8 | 10,000 | ||||||
| 0.0012 | 122 | 18.0 | 11.0 | 5.0 | 15.0 | 0.8 | 6,000 | 18.0 | 11.0 | 5.0 | 15.0 | 0.8 | 10,000 | ||||||
| 0.0015 | 152 | 18.0 | 11.0 | 5.0 | 15.0 | 0.8 | 6,000 | 18.0 | 11.0 | 5.0 | 15.0 | 0.8 | 10,000 | ||||||
| 0.0018 | 182 | 18.0 | 11.0 | 5.0 | 15.0 | 0.8 | 6,000 | 18.0 | 11.0 | 5.0 | 15.0 | 0.8 | 10,000 | ||||||
| 0.0022 | 222 | 18.0 | 11.0 | 5.0 | 15.0 | 0.8 | 6,000 | 18.0 | 11.0 | 5.0 | 15.0 | 0.8 | 10,000 | ||||||
| 0.0027 | 272 | 18.0 | 11.0 | 5.0 | 15.0 | 0.8 | 6,000 | 18.0 | 11.0 | 5.0 | 15.0 | 0.8 | 10,000 | ||||||
| 0.0033 | 332 | 18.0 | 11.0 | 5.0 | 15.0 | 0.8 | 6,000 | 18.0 | 11.0 | 5.0 | 15.0 | 0.8 | 10,000 | ||||||
| 0.0039 | 392 | 13.0 | 11.0 | 5.0 | 10.0 | 0.6 | 6,000 | 18.0 | 11.0 | 5.0 | 15.0 | 0.8 | 6,000 | 18.0 | 11.0 | 5.0 | 15.0 | 0.8 | 10,000 |
| 0.0047 | 472 | 13.0 | 11.0 | 5.0 | 10.0 | 0.6 | 6,000 | 18.0 | 11.0 | 5.0 | 15.0 | 0.8 | 6,000 | 18.0 | 11.0 | 5.0 | 15.0 | 0.8 | 10,000 |
| 0.0056 | 562 | 13.0 | 12.0 | 6.0 | 10.0 | 0.6 | 6,000 | 18.0 | 11.0 | 5.0 | 15.0 | 0.8 | 6,000 | 18.0 | 13.5 | 7.5 | 15.0 | 0.8 | 10,000 |
| 0.0068 | 682 | 13.0 | 12.0 | 6.0 | 10.0 | 0.6 | 6,000 | 18.0 | 11.0 | 5.0 | 15.0 | 0.8 | 6,000 | 18.0 | 13.5 | 7.5 | 15.0 | 0.8 | 10,000 |
| 0.0082 | 822 | 18.0 | 11.0 | 5.0 | 15.0 | 0.8 | 3,300 | 18.0 | 12.0 | 6.0 | 15.0 | 0.8 | 6,000 | 26.5 | 15.0 | 6.0 | 22.5 | 0.8 | 5,000 |
| 0.01 | 103 | 18.0 | 11.0 | 5.0 | 15.0 | 0.8 | 3,300 | 18.0 | 12.0 | 6.0 | 15.0 | 0.8 | 6,000 | 26.5 | 15.0 | 6.0 | 22.5 | 0.8 | 5,000 |
| 0.012 | 123 | 18.0 | 11.0 | 5.0 | 15.0 | 0.8 | 3,300 | 18.0 | 13.5 | 7.5 | 15.0 | 0.8 | 6,000 | 26.5 | 15.0 | 6.0 | 22.5 | 0.8 | 5,000 |
| 0.015 | 153 | 18.0 | 11.0 | 5.0 | 15.0 | 0.8 | 3,300 | 18.0 | 13.5 | 7.5 | 15.0 | 0.8 | 6,000 | 26.5 | 16.0 | 7.0 | 22.5 | 0.8 | 5,000 |
| 0.018 | 183 | 18.0 | 13.5 | 7.5 | 15.0 | 0.8 | 3,300 | 18.0 | 14.5 | 8.5 | 15.0 | 0.8 | 6,000 | 26.5 | 16.0 | 7.0 | 22.5 | 0.8 | 5,000 |
| 0.022 | 223 | 18.0 | 13.5 | 7.5 | 15.0 | 0.8 | 3,300 | 18.0 | 14.5 | 8.5 | 15.0 | 0.8 | 6,000 | 26.5 | 17.0 | 8.5 | 22.5 | 0.8 | 5,000 |
| 0.027 | 273 | 18.0 | 14.5 | 8.5 | 15.0 | 0.8 | 3,300 | 26.5 | 15.0 | 6.0 | 22.5 | 0.8 | 3,000 | 26.5 | 18.5 | 10.0 | 22.5 | 0.8 | 5,000 |
| 0.033 | 333 | 26.5 | 15.0 | 6.0 | 22.5 | 0.8 | 2,100 | 26.5 | 16.0 | 7.0 | 22.5 | 0.8 | 3,000 | 26.5 | 18.5 | 10.0 | 22.5 | 0.8 | 5,000 |
| 0.039 | 393 | 26.5 | 15.0 | 6.0 | 22.5 | 0.8 | 2,100 | 26.5 | 17.0 | 8.5 | 22.5 | 0.8 | 3,000 | 26.5 | 22.0 | 12.0 | 22.5 | 0.8 | 5,000 |
| 0.047 | 473 | 26.5 | 16.0 | 7.0 | 22.5 | 0.8 | 2,100 | 26.5 | 18.5 | 10.0 | 22.5 | 0.8 | 3,000 | 32.0 | 20.0 | 11.0 | 27.5 | 0.8 | 2,200 |
| 0.056 | 563 | 26.5 | 16.0 | 7.0 | 22.5 | 0.8 | 2,100 | 26.5 | 18.5 | 10.0 | 22.5 | 0.8 | 3,000 | 32.0 | 22.0 | 13.0 | 27.5 | 0.8 | 2,200 |
| 0.068 | 683 | 26.5 | 17.0 | 8.5 | 22.5 | 0.8 | 2,100 | 26.5 | 22.0 | 12.0 | 22.5 | 0.8 | 3,000 | 32.0 | 22.0 | 13.0 | 27.5 | 0.8 | 2,200 |
| 0.082 | 823 | 26.5 | 18.5 | 10.0 | 22.5 | 0.8 | 2,100 | 32.0 | 20.0 | 11.0 | 27.5 | 0.8 | 2,000 | 32.0 | 24.5 | 15.0 | 27.5 | 0.8 | 2,200 |
| 0.1 | 104 | 26.5 | 18.5 | 10.0 | 22.5 | 0.8 | 2,100 | 32.0 | 20.0 | 11.0 | 27.5 | 0.8 | 2,000 | 32.0 | 28.0 | 14.0 | 27.5 | 0.8 | 2,200 |
| 0.12 | 124 | 32.0 | 20.0 | 11.0 | 27.5 | 0.8 | 1,300 | 32.0 | 22.0 | 13.0 | 27.5 | 0.8 | 2,000 | 32.0 | 33.0 | 18.0 | 27.5 | 0.8 | 2,200 |
| 0.15 | 154 | 32.0 | 20.0 | 11.0 | 27.5 | 0.8 | 1,300 | 32.0 | 24.5 | 15.0 | 27.5 | 0.8 | 2,000 | 32.0 | 33.0 | 18.0 | 27.5 | 0.8 | 2,200 |
| 0.18 | 184 | 32.0 | 22.0 | 13.0 | 27.5 | 0.8 | 1,300 | 32.0 | 24.5 | 15.0 | 27.5 | 0.8 | 2,000 |
|
|||||
| 0.22 | 224 | 32.0 | 22.0 | 13.0 | 27.5 | 0.8 | 1,300 | 32.0 | 33.0 | 18.0 | 27.5 | 0.8 | 2,000 | ||||||
| 0.27 | 274 | 32.0 | 24.5 | 15.0 | 27.5 | 0.8 | 1,300 | 32.0 | 33.0 | 18.0 | 27.5 | 0.8 | 2,000 | ||||||
| 0.33 | 334 | 32.0 | 28.0 | 14.0 | 27.5 | 0.8 | 1,300 | 32.0 | 33.0 | 18.0 | 27.5 | 0.8 | 2,000 | ||||||
| 0.39 | 394 | 32.0 | 33.0 | 18.0 | 27.5 | 0.8 | 1,300 | ||||||||||||
| 0.47 | 474 | 32.0 | 33.0 | 18.0 | 27.5 | 0.8 | 1,300 | ||||||||||||
Vrms vs. Frequenz, typesch Wäert

Radial Taping Code Diagramm

Fig. 4 Box oder Expoxy Beschichtete
F = 10 = Nëmmen Munitioun
F = 15 All aner Plaz sprangen well
vu Grousse Kierper – Nëmmen Munitioun
(RT3 oder RT4)
| Broessdatsch |
Busribd |
Dimensioun (mm) | |
| RT 4 | Tol. | ||
| Lead Wire Duerchmiesser | d | 0.6 / 0.8 | ± 0.05 |
| Tappiel | P | 25.4 | ± 1 |
| Fidderen Hole Pitch | Po | 12.7 | ± 0.2 |
| Zentrum vun der Lead Drot | P1 | 5.2 | ± 0.7 |
| Zentrum vum Kierper | P2 | 12.7 | ± 1.3 |
| Lead Spazéieren (Pech un d'Pitting) | F an | 15 | + 0.6; -0.1 |
| Komponent Ausrichtung | Δh | 0 | ± 2 |
| Héicht vu Complenet vum Tape Center | H H H | 18.5 | ± 0.5 |
| Carrier Tape Breet | W-W | 18 | + 1; -0.5 |
| Halt Tape Breet erof | Wa gewo | 10 | Min |
| Lach Positioun | Weá | 9 | ± 0.5 |
| Haalt Tape Positioun erof | W2 | 3 | Max |
| Fidderen Lach Duerchmiesser | Maach dat | 4 | ± 0.2 |
| Tape Dicke | T | 0.5 | ± 0.2 |
| Zuelfen | Figong | 4 | |
Bemuch: *Erlaabnes vum Akkumuléierte Pitch manner wéi 1mm op der Zomm vun 20 riichtchen.
*Kontinuéierlech eidel Komponent manner wéi 3 hannert Stécker.
*Total eidel op enger Reel manner wéi 1%.
Aféierung
CDBB Serie sinn speziell fir Power Factor Correction gebaut (PFC) Uwendungen. Film gouf ausgewielt an d'Metaliséierung speziell fir héich dv / dt Uwendung applizéiert










