Винтовые электролитические конденсаторы ▏85 ℃ 2000 часов ▏cawa
ФУНКЦИИ
◆Used for air conditioner, инвертор общего назначения、power supplies
◆ Соответствует RoHS
◆Endurance with ripple current: 85° C., 2,000 часы
◆Used for air conditioner, инвертор общего назначения、power supplies
◆ Соответствует RoHS
◆Endurance with ripple current: 85° C., 2,000 часы
Спецификации
| Элемент | Производительность | |||||||
| Рабочая температура. | -40°C ~+85°C | -25°C ~+85°C | ||||||
| 10 ~ 100 В. | 160 ~ 450 В. | |||||||
| Допуск емкости | ± 20% (120Гц, 20° C.) | |||||||
| УтечкаТок (при 20 ° C.) | I = 0,01CV или 5 (магистр) в зависимости от того, что меньше (после 5 минуты)
Где, C= номинальная емкость в Ф. V= номинальное рабочее напряжение постоянного тока в В. |
|||||||
| Коэффициент рассеивания Tan при 120 Гц, 20° C. | Оцененное напряжение | 10 ~ 100 | 160 ~ 450 | |||||
| Загар (максимум) | See the case size list | 0.15 | ||||||
| Низкие температурные характеристики (при 120 Гц) |
Изменение емкости: В(-25° C.)/ В(+20° C.) 0.7 |
|||||||
|
Load Life Test at 20°C after subjected to DC voltage with rated rippled current applied for 2000 часы при 85°C |
Время испытания | 2000 часы | ||||||
| Изменение емкости | В пределах ±15% от исходного значения | |||||||
| Коэффициент рассеяния | Меньше, чем 175% указанного значения | |||||||
| Ток утечки | В пределах указанного значения | |||||||
| Shelf Life Test at 20°C after exposing them for 500 hours at 85°C without voltage applied. The rated voltage shall be applied to the capacitors beforethe measurements. (Обратитесь к JIS 5102) | Время испытания | 500 часы | ||||||
| Изменение емкости | В пределах ±20% от первоначального значения | |||||||
| Коэффициент рассеяния | Меньше, чем 200% указанного значения | |||||||
| Ток утечки | В пределах указанного значения | |||||||
| Волновой ток & Частотные множители | Частота (Гц) | 50 / 60 | 120 | 300 | 1K | 10К вверх | ||
| Множитель | 0.7 | 1.0 | 1.1 | 1.3 | 1.4 | |||
| Волновой ток & Температурные множители | Температура(° C.) | 40 | 60 | 70 | 85 | |||
| Множители | 2.7 | 2.0 | 1.7 | 1.0 | ||||
| Стандарты | Соответствует характеристике W стандарта JIS C. 5101-4 | |||||||
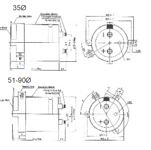
РАЗМЕРЫ
| Дюймовый | П | Л1 | W1 | W2 | ЧАС | час | |
| 35 | 12.7 | 2 | 10.0 | 48 | 58 | 15.0 | 10.0 |
Характеристики винтов:
Плюс винт с шестигранной головкой: М5 х 0.8 х 10
Максимум. момент затяжки винтов: 3.23Нм
| Дюймовый | П | Л1 | W1 | W2 | ЧАС | час | а | беременный | в | ||
| 51 | 22.0 | 2 | 10 | 61.0 | 65.5 | 21.5 | 15.0 | 7.0 | 12.0 | 4.5 | 60 |
| 64 | 28.6 | 2 | 10 | 72.5 | 78.0 | 25.0 | 20.0 | 7.0 | 14.0 | 4.5 | 60 |
| 77 | 32.0 | 2 | 10 | 85.5 | 91.0 | 35.0 | 20.0 | 8.0 | 16.0 | 4.5 | 60 |
| 90 | 32.0 | 2 | 10 | 101 | 106 | 34.5 | 20.0 | 8.0 | 16.0 | 5.0 | 60 |
Пример номера части
ФУНКЦИИ
◆ Endurance with ripple current:85° C.,2000часы
◆Used for air conditioner, инвертор общего назначения、power supplies
◆ Rohs Completiant











