Металлизованный полипропиленовый пленка конденсатор |Низкий DF| CDBC
Серия CDBC изготовлена из металлизированного диэлектрика из полипропиленовой пленки., Покрытие эпоксидной смолы с медной и огнестойкой. Подходящее блокирование, к- проходить, сцепление, развязка, фильтрация, время, тюнинг, температурная компенсация и идеально подходит для использования в балластах, импульсные источники питания, телекоммуникационное оборудование, промышленные инструменты, системы автоматического управления и другое электронное оборудование общего назначения.
ФУНКЦИИ
◆ Низкий коэффициент потерь на высокой частоте
◆ Высокая стабильность емкости и коэффициента рассеяния
◆ Неиндуктивная конструкция
◆ Самовосстановление
◆ Огнестойкое покрытие из эпоксидной смолы. (соответствует UL 94В-0)
Спецификации
| Предметы | Производительность | ||||||
| Диапазон рабочего напряжения | 100VDC, 250VDC, 400VDC, 630VDC | ||||||
| Номинальная температура | -40 ˚С ~ +85°С | ||||||
| Полезная температура высшей категории | +105ºС
(Коэффициент снижения номинального напряжения при +85°C ~ +110° C: 1.5% на градус Цельсия номинального напряжения) |
||||||
| Диапазон емкости | 0.01 мкФ ~ 10 мкФ | ||||||
| Емкость терпимости | +3% (ЧАС), +5% (Дж), +10% (K) | ||||||
|
Коэффициент рассеяния |
КГц | В < 0.1 мкФ | 0.1 < В < 1.0 мкФ | 1.0 < В < 3.0 мкФ | 3.0 < В < 5.0 мкФ | 5.0 < В < 10 мкФ | |
| 1 | < 0.10% | ||||||
| 100 | < 0.40% | < 0.70% | < 1.20% | < 1.80% | < 2.80% | ||
|
Сопротивление изоляции между клеммами |
Заряд напряжения: 100В постоянного тока х 1 мин (при 20˚С + 5˚С)
> 30,000МОм для C < 0.33мкФ > 10,000МОм x мкФ для C > 0.33мкФ |
||||||
| Выдерживать напряжение | Терминал к терминалу: (при 20˚С + 5˚С) | ||||||
|
Номинальная крутизна импульса напряжения dV/dt (В/мкс) |
Подача
VR |
7.5мм | 10мм | 15мм | 22.5мм | 27.5мм | |
| 100VDC | 130 | 110 | 100 | 70 | 50 | ||
| 250VDC | 240 | 220 | 200 | 130 | 100 | ||
| 400VDC | — | 350 | 300 | 200 | 150 | ||
| 630VDC | — | 420 | 400 | 250 | 180 | ||
ТЕСТ НАДЕЖНОСТИ
| Элемент | Тест Методы | Требования |
| Устойчивость к нагреву при пайке IEC 60068-2-20 | Паяльная ванна: 260ºС + 5ºC Время погружения: 10сек + 1сек | Изменение емкости ІΔ C/C : <1% DF Изменение Δ tan d : 0.1% при 1 кГц ИК: > предельное значение |
| Устойчивость к вибрации IEC 60068-2-6 | Частотный диапазон: 10Амплитуда от Гц до 55 Гц: 1.5мм
Продолжительность: 6 часы |
Не должно быть видимых повреждений, Нет прерывистого контакта,
Нет обрыва или короткого замыкания |
| Влажное тепло, Устойчивое состояние МЭК 60068-2-3 | Температура: 40ºС + 2ºC Относительная влажность: 90% к 95%
Продолжительность: 1,000 часы |
Изменение емкости ІΔC/C І< : 3% DF Изменение Δ tan d: 0.1% при 1 кГц ИК: > 50% предельное значение |
| Электрическая долговечность IEC 60384-17 | Температура: 85ºС + 2Приложенное напряжение ºC: 1.25 х VR(округ Колумбия) Продолжительность: 2,000 часы | Изменение емкости ІΔC/CІ< : 3% DF Изменение Δ tan d : 0.1% при 1 кГц ИК: > 50% предельное значение |
МАКСИМАЛЬНЫЕ РАЗМЕРЫ
| В.В.. | 100VDC (2А) | 250VDC (2Эн) | 400VDC (2Глин) | 630VDC (2Дж) | |||||||||||||||||
| (мкФ) | Код | W. | ЧАС | Т | П | дюймовый | W. | ЧАС | Т | П | дюймовый | W. | ЧАС | Т | П | дюймовый | W. | ЧАС | Т | П | дюймовый |
| 0.010 | 103 | 10.5 | 7.5 | 4.0 | 7.5 | 0.6 | 10.5 | 9.0 | 5.5 | 7.5 | 0.6 | ||||||||||
| 0.012 | 123 | 10.5 | 8.5 | 4.0 | 7.5 | 0.6 | 10.5 | 9.5 | 6.0 | 7.5 | 0.6 | ||||||||||
| 0.015 | 153 | 10.5 | 9.0 | 4.5 | 7.5 | 0.6 | 10.5 | 10.5 | 6.0 | 7.5 | 0.6 | ||||||||||
| 0.018 | 183 | 10.5 | 9.5 | 4.5 | 7.5 | 0.6 | 10.5 | 11.0 | 6.5 | 7.5 | 0.6 | ||||||||||
| 0.022 | 223 | 10.5 | 7.5 | 4.0 | 7.5 | 0.6 | 10.5 | 10.0 | 5.0 | 7.5 | 0.6 | 13.0 | 10.0 | 6.0 | 10.0 | 0.6 | |||||
| 0.027 | 273 | 10.5 | 8.0 | 4.0 | 7.5 | 0.6 | 10.5 | 10.5 | 5.5 | 7.5 | 0.6 | 13.0 | 11.0 | 6.5 | 10.0 | 0.6 | |||||
| 0.033 | 333 | 10.5 | 8.5 | 4.5 | 7.5 | 0.6 | 10.5 | 11.0 | 6.0 | 7.5 | 0.6 | 13.0 | 11.5 | 7.0 | 10.0 | 0.6 | |||||
| 0.039 | 393 | 10.5 | 9.0 | 4.5 | 7.5 | 0.6 | 13.0 | 11.0 | 5.5 | 10.0 | 0.6 | 13.0 | 12.0 | 8.0 | 10.0 | 0.6 | |||||
| 0.047 | 473 | 10.5 | 7.5 | 4.0 | 7.5 | 0.6 | 10.5 | 10.0 | 4.5 | 7.5 | 0.6 | 13.0 | 11.0 | 5.5 | 10.0 | 0.6 | 13.0 | 13.0 | 8.0 | 10.0 | 0.6 |
| 0.056 | 563 | 10.5 | 8.0 | 4.0 | 7.5 | 0.6 | 10.5 | 10.5 | 5.0 | 7.5 | 0.6 | 13.0 | 11.5 | 6.0 | 10.0 | 0.6 | 13.0 | 14.0 | 9.0 | 10.0 | 0.6 |
| 0.068 | 683 | 10.5 | 9.0 | 4.5 | 7.5 | 0.6 | 10.5 | 11.0 | 5.5 | 7.5 | 0.6 | 13.0 | 12.5 | 6.5 | 10.0 | 0.6 | 18.0 | 12.5 | 7.0 | 15.0 | 0.8 |
| 0.082 | 823 | 10.5 | 9.5 | 4.5 | 7.5 | 0.6 | 10.5 | 11.5 | 6.0 | 7.5 | 0.6 | 13.0 | 13.0 | 7.0 | 10.0 | 0.6 | 18.0 | 13.0 | 7.5 | 15.0 | 0.8 |
| 0.10 | 104 | 10.5 | 10.0 | 5.0 | 7.5 | 0.6 | 10.5 | 12.0 | 6.5 | 7.5 | 0.6 | 13.0 | 13.5 | 8.0 | 10.0 | 0.6 | 18.0 | 14.0 | 8.0 | 15.0 | 0.8 |
| 0.12 | 124 | 10.5 | 10.0 | 5.5 | 7.5 | 0.6 | 13.0 | 11.5 | 6.0 | 10.0 | 0.6 | 18.0 | 12.0 | 6.0 | 15.0 | 0.8 | 18.0 | 15.5 | 8.0 | 15.0 | 0.8 |
| 0.15 | 154 | 10.5 | 11.0 | 6.0 | 7.5 | 0.6 | 13.0 | 12.0 | 6.5 | 10.0 | 0.6 | 18.0 | 12.5 | 7.0 | 15.0 | 0.8 | 18.0 | 16.5 | 9.0 | 15.0 | 0.8 |
| 0.18 | 184 | 10.5 | 11.5 | 6.5 | 7.5 | 0.6 | 13.0 | 12.5 | 7.0 | 10.0 | 0.6 | 18.0 | 13.5 | 8.5 | 15.0 | 0.8 | 18.0 | 17.5 | 10.0 | 15.0 | 0.8 |
| 0.22 | 224 | 13.0 | 11.5 | 6.0 | 10.0 | 0.6 | 13.0 | 13.0 | 7.5 | 10.0 | 0.6 | 18.0 | 15.0 | 8.0 | 15.0 | 0.8 | 18.0 | 18.5 | 11.5 | 15.0 | 0.8 |
| 0.27 | 274 | 13.0 | 12.0 | 6.5 | 10.0 | 0.6 | 18.0 | 13.0 | 6.0 | 15.0 | 0.8 | 18.0 | 16.0 | 8.5 | 15.0 | 0.8 | 25.5 | 18.0 | 9.0 | 22.5 | 0.8 |
| 0.33 | 334 | 13.0 | 13.0 | 7.0 | 10.0 | 0.6 | 18.0 | 14.0 | 6.5 | 15.0 | 0.8 | 18.0 | 17.0 | 9.5 | 15.0 | 0.8 | 25.5 | 19.0 | 10.0 | 22.5 | 0.8 |
| 0.39 | 394 | 13.0 | 13.5 | 7.5 | 10.0 | 0.6 | 18.0 | 14.5 | 7.0 | 15.0 | 0.8 | 18.0 | 18.0 | 10.5 | 15.0 | 0.8 | 25.5 | 20.0 | 11.0 | 22.5 | 0.8 |
| 0.47 | 474 | 13.0 | 14.0 | 8.5 | 10.0 | 0.6 | 18.0 | 15.0 | 8.0 | 15.0 | 0.8 | 25.5 | 16.0 | 9.0 | 22.5 | 0.8 | 20.5 | 20.5 | 12.0 | 17.5 | 0.8 |
| 25.5 | 21.0 | 12.0 | 22.5 | 0.8 | |||||||||||||||||
| 0.56 | 564 | 18.0 | 14.0 | 7.0 | 15.0 | 0.8 | 18.0 | 16.0 | 8.5 | 15.0 | 0.8 | 25.5 | 17.0 | 10.0 | 22.5 | 0.8 | 25.5 | 22.5 | 13.5 | 22.5 | 0.8 |
| 0.68 | 684 | 18.0 | 15.0 | 7.5 | 15.0 | 0.8 | 18.0 | 17.0 | 9.5 | 15.0 | 0.8 | 25.5 | 18.0 | 11.0 | 22.5 | 0.8 | 25.5 | 24.0 | 15.0 | 22.5 | 0.8 |
| 0.82 | 824 | 18.0 | 15.5 | 8.0 | 15.0 | 0.8 | 18.0 | 18.5 | 10.0 | 15.0 | 0.8 | 25.5 | 20.0 | 11.0 | 22.5 | 0.8 | 25.5 | 25.5 | 16.5 | 22.5 | 0.8 |
| 1.00 | 105 | 18.0 | 16.5 | 9.0 | 15.0 | 0.8 | 18.0 | 20.0 | 11.0 | 15.0 | 0.8 | 25.5 | 21.5 | 12.5 | 22.5 | 0.8 | 26.0 | 16.5 | 12.0 | 22.5 | 0.8 |
| 31.5 | 25.0 | 16.0 | 27.5 | 0.8 | |||||||||||||||||
| 1.20 | 125 | 18.0 | 17.5 | 10.0 | 15.0 | 0.8 | 25.5 | 18.0 | 9.0 | 22.5 | 0.8 | 25.5 | 23.0 | 14.0 | 22.5 | 0.8 | 31.5 | 27.0 | 18.0 | 27.5 | 0.8 |
| 1.50 | 155 | 18.0 | 18.5 | 11.5 | 15.0 | 0.8 | 25.5 | 19.5 | 10.5 | 22.5 | 0.8 | 25.5 | 24.5 | 15.5 | 22.5 | 0.8 | |||||
| 1.80 | 185 | 25.5 | 18.0 | 9.0 | 22.5 | 0.8 | 25.5 | 20.5 | 11.5 | 22.5 | 0.8 | ||||||||||
| 2.20 | 225 | 25.5 | 19.0 | 10.0 | 22.5 | 0.8 | 25.5 | 22.0 | 13.0 | 22.5 | 0.8 | ||||||||||
| 2.70 | 275 | 25.5 | 20.0 | 11.5 | 22.5 | 0.8 | 25.5 | 23.5 | 14.5 | 22.5 | 0.8 | ||||||||||
| 3.30 | 335 | 25.5 | 24.5 | 15.5 | 22.5 | 0.8 | 25.5 | 25.5 | 16.0 | 22.5 | 0.8 | ||||||||||
Пример номера части – МАССА
Пример номера части – РАДИАЛЬНЫЙ ЗАПИСАН НА ЛЕНТУ
ЕМКОСТЬ
| мкФ | 0.01 | 0.047 | 0.1 | 0.47 | 1.0 | 3.3 |
| пф | 10,000 | 47,000 | 100,000 | 470,000 | – | – |
| Код | 103 | 473 | 104 | 474 | 105 | 335 |
КОД ДОПУСКОВ
| Код | Терпимость |
| Дж | + 5% |
| K | + 10% |
| М | + 20% |
НОМИНАЛЬНОЕ НАПРЯЖЕНИЕ
| В.В.. | 100 | 250 | 400 | 630 |
| Код | 2А | 2Эн | 2Глин | 2Дж |
КОД ЛЕНТЫ (См. диаграммы)
| Расстояние | 7.5мм | 10мм | 15мм |
| Упаковка | А или Р | А | А |
| Код | РТ2 | РТ3 | РТ4 |
ПРИМЕРЫ СТИЛЕЙ ЛЕДОВ
РАДИАЛЬНОЕ РАССТОЯНИЕ ВЫВОДОВ
* Leadspace — это прямое, несформированное исходное пространство..
| мм | 7.5 | 10 | 15 | 22.5 | 27.5 |
| Код | 075 | 100 | 150 | 225 | 275 |
ДЛИНА ВЫВОДА ОТ посадочной плоскости (если большая упаковка)
| мм | 5 | 10 | 15 | 20 | 25 |
| Код | 050 | 100 | 150 | 200 | 250 |
УПАКОВКА
| Мет | одюймовый | Масса | Боеприпасы | Катушка |
| Код | Беременный | А | Ведущий | |
СТИЛЬ ВЕДЕНИЯ
| Код | Стиль |
| С | Прямой |
| K | излом (стоять в стороне) |
| Фон | Формировать |
| я | Форма в |
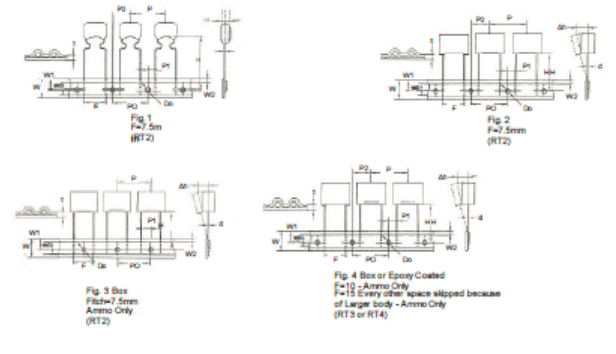
КОДОВАЯ СХЕМА РАДИАЛЬНОЙ ЛЕНТЫ
Спецификации
| Описание |
Письмо |
Измерение (мм) |
Описание |
Письмо |
Измерение (мм) | ||||||||
| РТ1 | РТ2 | РТ3 | РТ4 | Тол. | РТ1 | РТ2 | РТ3 | РТ4 | Тол. | ||||
| Диаметр подводящего провода | дюймовый | 0.5 / 0.6 | 0.5 / 0.6 | 0.6 | 0.6 / 0.8 | + 0.05 | Ширина несущей ленты | W. | 18 | 18 | 18 | 18 | + 1;-0.5 |
| Лента шаг | П | 12.7 | 12.7 | 12.7 | 25.4 | + 1 | Удерживайте ширину ленты | ВО | 6 | 6 | 9 | 10 | Мин |
| Шаг питающего отверстия | ПО | 12.7 | 12.87 | 12.7 | 12.7 | + 0.2 | Положение отверстия | W1 | 9 | 9 | 9 | 9 | + 0.5 |
| Центрирование подводящего провода | П1 | 3.85 | 2.6 / 3.75 | 7.7 | 5.2 | + 0.7 | Удерживайте положение ленты | W2 | 3 | 3 | 3 | 3 | Максимум |
| Центрирование тела | П2 | 6.35 | 6.35 | 12.7 | 12.7 | + 1.3 | Диаметр питающего отверстия | Делать | 4 | 4 | 4 | 4 | + 0.2 |
| Расстояние между выводами (Подача) | Фон | 5 | 7.5 | 10 | 15 | + 0.6;-0.1 | Толщина ленты | Т | 0.7 | 0.7 | 0.7 | 0.07 | + 0.2 |
| Выравнивание компонентов | ∆h | 0 | 0 | 0 | 0 | + 2 | Фигура | инжир | 1 или 2 | 1.2 или 3 | 4 | 4 | |
| Высота компонентной сети от центра ленты | ЧАС | 18.5 | 18.5 | 18.5 | 18.5 | + 0.5 | |||||||
Примечание: *Допуск накопленного шага менее 1 мм по сумме 20 смолы.
*Непрерывный пустой компонент менее 3 последовательные пьесы.
*Всего пусто на одну катушку меньше 1%.
ВВЕДЕНИЕ
Серия CDBC изготовлена из металлизированного диэлектрика из полипропиленовой пленки., Покрытие эпоксидной смолы с медной и огнестойкой. Подходящее блокирование, к- проходить, сцепление, развязка, фильтрация, время, тюнинг, температурная компенсация и идеально подходит для использования в балластах, импульсные источники питания, телекоммуникационное оборудование, промышленные инструменты, системы автоматического управления и другое электронное оборудование общего назначения.













