Металлизованный полипропиленовый пленка конденсатор | Коррекция | CDBE
ВВЕДЕНИЕ
Серия CDBE создана специально для коррекции коэффициента мощности. (PFC) приложения. Была выбрана пленка и применена металлизация специально для требований применения PFC..
ФУНКЦИИ
◆ Свойство самовосстановления
◆ Отличное dv/dt
◆ Соответствие RoHS
◆ Ультраминиатюрный размер
◆ Идеально подходит для корректировки коэффициента мощности.
Пример номера части
Спецификации
| Предметы | Производительность | |||||
| Диапазон рабочего напряжения | 450VDC, 630VDC | |||||
| Номинальная температура | -40 °С ~ +85°С | |||||
| Полезная высшая категория
Температура |
+110° C.
(Коэффициент снижения номинального напряжения более +85 °С ~ +110°С: 1.5% на °C номинального напряжения) |
|||||
| Диапазон емкости | 0.022 мкФ ~ 2.2 мкФ | |||||
| Емкость терпимости | +3% (ЧАС), +5% (Дж), +10% (K) | |||||
| Коэффициент рассеяния | 0.1% (макс.) это 1 кГц 1.2% (макс.) на частоте 10 кГц | |||||
| Сопротивление изоляции между клеммами | Заряд напряжения: 100В постоянного тока х 1 мин (при 20 ° C. + 5° C.)
> 9,000MΏ для C < 0.33мкФ > 3,000MΏ x мкФ для C > 0.33мкФ |
|||||
|
Выдерживать напряжение |
Терминал к терминалу: (в 20 °С +5°С) | |||||
| 1.6 x VR применяется на 2 секунды. (ток отключения 10 мА) | ||||||
| Замедление скорости напряжения: 100В/сек | ||||||
| Номинальная крутизна импульса напряжения dV/dt (В/мкс) |
VR |
10мм | 15мм | 22.5мм | 27.5мм | |
| 450VDC | 220 | 160 | 100 | |||
| 630VDC | 350 | 250 | 160 | 115 | ||
ПРОИЗВОДИТЕЛЬНОСТЬ
| Элемент | Тест Методы | Требования |
| Устойчивость к нагреву при пайке IEC 60068-2-20 | Паяльная ванна: 260°C+ 5°C Время погружения: 10сек + 1сек | Изменение емкости |ΔС/С | :<1% DF Изменение tanδ: 0.1% при 1 кГц ИК:
> предельное значение |
| Устойчивость к вибрации IEC 60068-2-6 | Частотный диапазон: 10Амплитуда от Гц до 55 Гц:
1.5мм Продолжительность: 6 часы |
Не должно быть видимых повреждений, Нет прерывистого контакта,
Нет обрыва или короткого замыкания |
| Влажное тепло, Устойчивое состояние МЭК 60068-2-3 | Температура: 40° C. + 2°C Относительная влажность: 90% к 95%
Продолжительность: 1,000 часы |
Изменение емкости |ΔС/С |: <3% DF Изменение tanδ: 0.1% при 1 кГц ИК:
> 50% предельное значение |
| Электрическая долговечность IEC 60384-16 | Температура: 85° C. + 2°C Приложенное напряжение: 1.25 х VR(округ Колумбия) Продолжительность: 1,000 часы | Изменение емкости |ΔС/С |: <3% DF Изменение tanδ: 0.1% при 1 кГц ИК:
> 50% предельное значение |
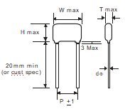
РАЗМЕРЫ (мм)
| Р.В.. | 450VDC (2W.) | |||||
| (мкФ) | Код | W. | ЧАС | Т | П | dΦ |
| 0.047 | 473 | 13.0 | 8.0 | 4.5 | 10 | 0.6 |
| 0.1 | 104 | 13.0 | 12.0 | 6.5 | 10 | 0.6 |
| 0.12 | 124 | 13.0 | 13.0 | 7.0 | 10 | 0.6 |
| 0.15 | 154 | 13.0 | 13.5 | 8.0 | 10 | 0.6 |
| 0.22 | 224 | 13.0 | 14.0 | 6.5 | 10 | 0.6 |
| 18.0 | 12.0 | 7.0 | 15 | 0.8 | ||
| 0.33 | 334 | 18.0 | 14.0 | 7.0 | 15 | 0.8 |
| 0.47 | 474 | 13.0 | 16.5 | 7.0 | 10 | 0.6 |
| 18.0 | 14.5 | 5.5 | 15 | 0.8 | ||
| 0.56 | 564 | 18.0 | 15.5 | 6.5 | 15 | 0.8 |
| 0.68 | 684 | 13.0 | 20.5 | 9.5 | 10 | 0.6 |
| 18.0 | 16.0 | 7.0 | 15 | 0.8 | ||
| 1.0 | 105 | 18.0 | 17.5 | 8.5 | 15 | 0.8 |
| 1.5 | 155 | 18.0 | 19.0 | 10.5 | 15 | 0.8 |
| 2.20 | 225 | 18.0 | 24.5 | 11.0 | 15 | 0.8 |
| 25.5 | 21.5 | 13.5 | 22.5 | 0.8 | ||
| Р.В.. | 630VDC (2Дж) | |||||
| (мкФ) | Код | W. | ЧАС | Т | П | dΦ |
| 0.022 | 223 | 13.0 | 11 | 5 | 10 | 0.6 |
| 0.047 | 473 | 13.0 | 11 | 5.5 | 10 | 0.6 |
| 0.068 | 683 | 13.0 | 12 | 6 | 10 | 0.6 |
| 0.10 | 104 | 13.0 | 14 | 7 | 10 | 0.6 |
| 18.0 | 11 | 6 | 15 | 0.6 | ||
| 0.22 | 224 | 18.0 | 14 | 7 | 15 | 0.8 |
| 0.33 | 334 | 18.0 | 14 | 7 | 15 | 0.9 |
| 0.47 | 474 | 18.0 | 18 | 12 | 15 | 0.8 |
| 0.68 | 684 | 18.0 | 22 | 13 | 15 | 0.8 |
| 26.0 | 21.5 | 12 | 22.5 | 0.8 | ||
|
1.00 |
105 |
18.0 | 24 | 18.5 | 15 | 0.8 |
| 26.0 | 22 | 13 | 22.5 | 0.8 | ||
| 31.0 | 20 | 11 | 27.5 | 0.8 | ||
| 1.5 | 155 | 31.0 | 22.5 | 13 | 27.5 | 0.8 |
| 2.2 | 225 | 31.0 | 27.5 | 15 | 27.5 | 0.8 |
НОМИНАЛЬНОЕ НАПРЯЖЕНИЕ (Врмс) ПРОТИВ. ЧАСТОТА
МАКС. округ Колумбия & ЗАВИСИМОСТЬ ПЕРЕМЕННОГО НАПРЯЖЕНИЯ ТЕМПЕРАТУРЫ
МАКСИМАЛЬНЫЙ ТОК, АМПС (среднеквадратичное значение)
450VDC / 200Свободный
| КАП (мкФ) | П | 15.75
КГц |
35
КГц |
45
КГц |
65
КГц |
80
КГц |
100
КГц |
| 0.047 | 10 | 0.54 | 0.70 | 0.77 | 0.87 | 0.93 | 1.00 |
| 0.068 | 10 | 0.65 | 0.84 | 0.91 | 1.01 | 1.08 | 1.16 |
| 0.1 | 10 | 0.81 | 1.00 | 1.08 | 1.20 | 1.26 | 1.33 |
| 0.12 | 10 | 1.10 | 1.35 | 1.45 | 1.60 | 1.68 | 1.78 |
| 0.15 | 10 | 1.25 | 1.58 | 1.72 | 1.85 | 2.02 | 2.15 |
| 0.22 | 10 | 1.33 | 1.66 | 1.80 | 1.91 | 2.10 | 2.22 |
| 15 | 2.48 | 2.95 | 3.11 | 3.36 | 3.50 | 3.70 | |
| 0.33 | 10 | 1.42 | 1.75 | 1.88 | 2.07 | 2.18 | 2.32 |
| 15 | 2.60 | 3.08 | 3.25 | 3.52 | 3.70 | 3.88 | |
| 0.47 | 10 | 2.20 | 2.62 | 2.80 | 3.03 | 3.18 | 3.35 |
| 15 | 2.30 | 2.65 | 2.76 | 2.95 | 3.06 | 3.20 | |
| 0.56 | 15 | 2.90 | 3.40 | 3.58 | 3.85 | 4.00 | 4.20 |
| 0.68 | 10 | 2.50 | 2.92 | 3.07 | 3.30 | 3.44 | 3.58 |
| 15 | 2.70 | 3.20 | 3.40 | 3.70 | 3.85 | 4.05 | |
| 1.0 | 15 | 3.35 | 4.10 | 4.30 | 4.65 | 4.88 | 5.15 |
| 1.5 | 15 | 6.08 | 6.70 | 6.95 | 7.25 | 7.44 | 7.65 |
| 22.5 | 3.93 | 4.60 | 4.80 | 5.15 | 5.35 | 5.60 | |
| 2.2 | 15 | 5.90 | 6.51 | 6.70 | 7.05 | 7.23 | 7.42 |
| 22.5 | 5.40 | 5.75 | 5.85 | 6.00 | 6.10 | 6.20 |
МАКСИМАЛЬНЫЙ ТОК, АМПС (среднеквадратичное значение)
630VDC / 250Свободный
| КАП (мкФ) | П | 15.75
КГц |
35
КГц |
45
КГц |
65
КГц |
80
КГц |
100
КГц |
125
КГц |
100
КГц |
| 0.01 | 7.5 | 0.212 | 0.300 | 0.340 | 0.400 | 0.440 | 0.480 | 0.540 | 0.580 |
| 10 | 0.245 | 0.350 | 0.395 | 0.460 | 0.510 | 0.560 | 0.620 | 0.680 | |
| 0.015 | 10 | 0.275 | 0.390 | 0.440 | 0.520 | 0.570 | 0.630 | 0.700 | 0.750 |
| 0.022 | 15 | 0.485 | 0.610 | 0.650 | 0.720 | 0.760 | 0.810 | 0.860 | 0.910 |
| 0.033 | 10 | 0.575 | 0.710 | 0.770 | 0.850 | 0.900 | 0.950 | 1.010 | 1.060 |
| 0.047 | 10 | 0.570 | 0.790 | 0.880 | 1.010 | 1.100 | 1.200 | 1.300 | 1.400 |
| 0.068 | 10 | 0.960 | 1.250 | 1.350 | 1.500 | 1.600 | 1.700 | 1.800 | 1.900 |
| 15 | 0.860 | 1.100 | 1.200 | 1.330 | 1.420 | 1.520 | 1.650 | 1.750 | |
| 0.10 | 10 | 0.970 | 1.250 | 1.350 | 1.550 | 1.650 | 1.750 | 1.900 | 2.000 |
| 15 | 1.280 | 1.600 | 1.700 | 1.880 | 1.980 | 2.100 | 2.250 | 2.350 | |
| 0.33 | 15 | 2.600 | 3.300 | 3.600 | 4.050 | 4.300 | 4.650 | 5.000 | 5.250 |
| 0.47 | 15 | 2.750 | 3.500 | 3.800 | 4.250 | 4.550 | 4.880 | 5.250 | 5.550 |
| 0.68 | 15 | 3.800 | 4.700 | 5.100 | 5.650 | 5.950 | 6.350 | 6.750 | 7.080 |
| 22.5 | 3.100 | 3.400 | 3.500 | 3.700 | 3.800 | 3.900 | 4.000 | 4.150 | |
|
1.0 |
15 | 5.000 | 5.530 | 5.700 | 5.950 | 6.100 | 6.300 | 6.500 | 6.650 |
| 22.5 | 4.400 | 4.900 | 5.100 | 5.350 | 5.500 | 5.600 | 5.750 | 5.900 | |
| 27.5 | 3.450 | 3.600 | 3.650 | 3.700 | 3.750 | 3.800 | 3.830 | 3.850 | |
| 1.5 | 27.5 | 4.900 | 5.100 | 5.150 | 5.250 | 5.350 | 5.380 | 5.450 | 5.500 |
| 2.2 | 27.5 | 6.110 | 6.350 | 6.480 | 6.530 | 6.620 | 6.700 | 6.800 | 6.900 |
УПАКОВОЧНЫЙ КОД
| Метод дюймовый | Масса | Боеприпасы | Катушка |
| Код | Беременный | А | Ведущий |
ДЛИНА ВЫВОДА ОТ посадочной плоскости
| мм | 5 | 10 | 15 | 20 | 25 |
| Код | 050 | 100 | 150 | 200 | 250 |
КОД ЛЕНТЫ (Расстояние между выводами ленты, если записано на пленку)
| Расстояние | 10мм | 15мм |
| Упаковка | А | А |
| Код | РТ3 | РТ4 |
ПРИМЕР КОДА СТИЛЯ ЛЕДОВ
ВВЕДЕНИЕ
Серия CDBE создана специально для коррекции коэффициента мощности. (PFC) приложения. Была выбрана пленка и применена металлизация специально для требований применения PFC.















