Металлизованный полиэфирный пленочный конденсатор |Ультра мини -размер | CDAD
Серия CDAD создана специально для схем активной фильтрации, подобных тем, которые используются в приложениях коррекции коэффициента мощности..
ФУНКЦИИ
◆ Рабочая температура. Диапазон :-40°С~105°С (V R Снижает номиналы 1.25% на °C свыше 85°C)
◆ Диапазон емкости:0.1~10 мкФ
◆ icaineboseperance: J=5% К=10% М=20%
◆ Номинальное напряжение В R 85°C: 100В 250 В 400 В 630 В
◆ Коэффициент рассеивания: 1% МАКС @1 кГц 25℃
Пример номера части
Спецификации
| Предметы | Производительность | ||||
| Диапазон рабочего напряжения | 450VDC, 630VDC | ||||
| Номинальная температура | -40 °С ~ +85°С | ||||
| Полезная температура высшей категории | +110° C.
(Коэффициент снижения номинального напряжения более +85 °С ~ +110°С: 1.5% на °C номинального напряжения) |
||||
| Диапазон емкости | 0.033 мкФ ~ 3.3 мкФ | ||||
| Допуск емкости | +2% (Глин), +5% (Дж), +10% (K) | ||||
| Коэффициент рассеяния | 1.0% (макс.) это 1 кГц 1.6% (макс.) на частоте 10 кГц | ||||
| Сопротивление изоляции между клеммами | Заряд напряжения: 100В постоянного тока х 1 мин (в 20 °С+5°С)
> 9,000MΏ для C < 0.33мкФ > 3,000MΏ x мкФ для C >0.33мкФ |
||||
|
Выдерживать напряжение |
Терминал к терминалу:(в 20 ° C. + 5° C.) | ||||
| 1.6 x VR применяется на 2 секунды. (ток отключения 10 мА) | |||||
| Замедление скорости напряжения: 100В/сек | |||||
| Номинальная крутизна импульса напряжения dV/dt (В/мкс) | П
VR |
10мм | 15мм | 22.5мм | |
| 450VDC | 110 | 45 | 20 | ||
| 630VDC | 160 | 65 | 30 | ||
ПРОИЗВОДИТЕЛЬНОСТЬ
| Элемент | Тест Методы | Требования |
| Устойчивость к теплу при пайке IEC 60068-2-20″ | Паяльная ванна: 260°C+ 5°C Время погружения: 10сек + 1сек | Изменение емкости |ΔС/С| :<2% DF Изменение tanδ: 0.5% при 1 кГц ИК: > предельное значение |
| Устойчивость к вибрации IEC 60068-2-6″ | Частотный диапазон: 10Амплитуда от Гц до 55 Гц:
1.5м/м Продолжительность: 6 часы |
Не должно быть видимых повреждений, Не прерывайте
Контакт, Нет обрыва или короткого замыкания |
| Влажное тепло, Стационарное состояние IEC 60068-2-3″ | Температура: 40° C. + 2°C Относительная влажность: 90% к 95%
Продолжительность: 1,000 часы |
Изменение емкости |ΔС/С |: <5% DF Изменение tanδ: 0.5% при 1 кГц ИК: > 50% предельное значение |
| Электрическая долговечность IEC 60384-2″ | Температура: 85° C. + 2°C Приложенное напряжение: 1.10 х VR(округ Колумбия) Продолжительность: 1,000 часы | Изменение емкости |ΔС/С |: <5% DF Изменение tanδ: 0.5% при 1 кГц ИК: > 50% предельное значение |
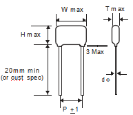
МАКСИМАЛЬНЫЕ РАЗМЕРЫ (мм)
| Р.В.. | 450VDC (2W.) | ||||||||||
| Ты
е |
W. | ЧАС | Т | П | dΦ | Ты
е |
W. | ЧАС | Т | П | dΦ |
| (мкФ) | (мкФ) | ||||||||||
| 0.047 | 13.0 | 13 | 5 | 10 | 0.6 |
1.0 |
13 | 19 | 8 | 10 | 0.8 |
| 0.068 | 12.5 | 10 | 5 | 10 | 0.6 | 18.0 | 17 | 7.5 | 15 | 0.8 | |
| 0.1 | 12.5 | 9.5 | 4.5 | 10 | 0.6 | 26.0 | 16 | 7 | 22.5 | 0.8 | |
| 18.0 | 11 | 5 | 15 | 0.8 | 1.2 | 18.0 | 18 | 8 | 15 | 0.8 | |
| 0.15 | 12.5 | 12 | 4.5 | 10 | 0.6 |
1.5 |
13.0 | 21.5 | 9.5 | 10 | 0.8 |
| 0.22 | 12.5 | 12 | 6.5 | 10 | 0.6 | 18.0 | 18.5 | 8.5 | 15 | 0.8 | |
| 18.0 | 11.5 | 6 | 15 | 0.8 | 26.0 | 17.5 | 7 | 22.5 | 0.8 | ||
| 0.33 | 12.5 | 12 | 6 | 10 | 0.6 | 2.2 | 18.0 | 21.5 | 11.5 | 15 | 0.8 |
| 18.0 | 13 | 5 | 15 | 0.8 | 26.0 | 19 | 9 | 22.5 | 0.8 | ||
| 0.47 | 12.5 | 15.5 | 6.5 | 10 | 0.6 | 3.3 | 26.0 | 23.5 | 13 | 22.5 | 0.8 |
| 18.0 | 13 | 5.5 | 15 | 0.8 | |||||||
| 0.68 | 12.5 | 16 | 7.5 | 10 | 0.6 | ||||||
| 18.0 | 15.5 | 5.5 | 15 | 0.8 | |||||||
| Р.В.. | 630VDC (2Дж) | ||||
| Ты | W. | ЧАС | Т | П | dΦ |
| (мкФ) | |||||
| 0.033 | 12.5 | 10.5 | 4.5 | 10 | 0.6 |
| 0.047 | 12.5 | 13 | 5 | 10 | 0.6 |
| 18.0 | 11 | 5 | 15 | 0.8 | |
| 0.068 | 13.0 | 13 | 6 | 10 | 0.6 |
| 18.0 | 11 | 5 | 15 | 0.8 | |
| 0.1 | 12.5 | 16 | 6 | 10 | 0.6 |
| 18.0 | 11 | 5 | 15 | 0.8 | |
| 0.22 | 18.0 | 13 | 5 | 15 | 0.8 |
| 0.33 | 18.0 | 13 | 5 | 15 | 0.8 |
| 0.47 | 18.0 | 17.5 | 9 | 15 | 0.8 |
| 0.68 | 18.0 | 20.5 | 10.5 | 15 | 0.8 |
| 1.0 | 26.0 | 20.5 | 9.5 | 22.5 | 0.8 |
НОМИНАЛЬНОЕ НАПРЯЖЕНИЕ (Врмс) ПРОТИВ. ЧАСТОТА
МАКС. округ Колумбия & ЗАВИСИМОСТЬ ПЕРЕМЕННОГО НАПРЯЖЕНИЯ ТЕМПЕРАТУРЫ
МАКСИМАЛЬНЫЙ ТОК, АМПС (среднеквадратичное значение)
450VDC / 200Свободный
| КАП (мкФ) | П | 15.75
КГц |
35
КГц |
45
КГц |
65
КГц |
80
КГц |
100
Хз |
| 0.047 | 10 | 0.18 | 0.20 | 0.21 | 0.23 | 0.24 | 0.25 |
| 0.068 | 10 | 0.20 | 0.22 | 0.23 | 0.24 | 0.25 | 0.26 |
| 0.1 | 10 | 0.36 | 0.46 | 0.50 | 0.56 | 0.60 | 0.64 |
| 15 | 0.15 | 0.17 | 0.19 | 0.20 | 0.21 | 0.22 | |
| 0.15 | 10 | 0.40 | 0.48 | 0.53 | 0.58 | 0.62 | 0.66 |
| 0.22 | 10 | 0.45 | 0.57 | 0.61 | 0.69 | 0.73 | 0.78 |
| 15 | 0.18 | 0.19 | 0.20 | 0.21 | 0.22 | 0.23 | |
| 0.33 | 10 | 0.48 | 0.60 | 0.65 | 0.72 | 0.74 | 0.80 |
| 15 | 0.77 | 0.97 | 1.05 | 1.17 | 1.25 | 1.32 | |
| 0.47 | 10 | 0.50 | 0.70 | 0.80 | 0.90 | 1.00 | 1.10 |
| 15 | 0.67 | 0.88 | 0.99 | 1.06 | 1.17 | 1.31 | |
| 0.68 | 10 | 0.60 | 0.90 | 1.00 | 1.10 | 1.20 | 1.30 |
| 15 | 0.88 | 1.13 | 1.24 | 1.41 | 1.48 | 1.63 | |
| 1.0 | 10 | 0.80 | 1.20 | 1.30 | 1.50 | 1.60 | 1.80 |
| 15 | 1.06 | 1.38 | 1.59 | 1.77 | 1.84 | 1.91 | |
| 1.2 | 15 | 1.20 | 1.50 | 1.65 | 1.85 | 2.00 | 2.20 |
|
1.5 |
10 | 0.98 | 1.30 | 1.40 | 1.60 | 1.70 | 1.90 |
| 15 | 1.40 | 1.70 | 1.80 | 2.00 | 2.20 | 2.40 | |
| 22.5 | 1.38 | 1.68 | 1.78 | 1.96 | 2.00 | 2.04 | |
| 2.2 | 15 | 1.70 | 2.00 | 2.20 | 2.35 | 2.50 | 2.70 |
| 22.5 | 2.30 | 2.37 | 2.43 | 2.52 | 2.55 | 2.60 | |
| 3.3 | 22.5 | 2.65 | 2.69 | 2.80 | 2.81 | 2.82 | 2.90 |
МАКСИМАЛЬНЫЙ ТОК, АМПС (среднеквадратичное значение)
630VDC / 250Свободный
| КАП (мкФ) | П | 15.75
КГц |
35
КГц |
45
КГц |
65
КГц |
80
КГц |
100
КГц |
| 0.033 | 10 | 0.14 | 0.20 | 0.22 | 0.25 | 0.27 | 0.30 |
| 0.047 | 10 | 0.18 | 0.24 | 0.30 | 0.35 | 0.39 | 0.42 |
| 0.068 | 10 | 0.21 | 0.29 | 0.32 | 0.37 | 0.41 | 0.44 |
| 0.1 | 10 | 0.25 | 0.37 | 0.45 | 0.50 | 0.55 | 0.63 |
| 0.047 | 15 | 0.16 | 0.22 | 0.24 | 0.27 | 0.30 | 0.32 |
| 0.068 | 15 | 0.23 | 0.26 | 0.32 | 0.35 | 0.40 | 0.44 |
| 0.1 | 15 | 0.42 | 0.55 | 0.58 | 0.65 | 0.69 | 0.73 |
| 0.22 | 15 | 0.58 | 0.62 | 0.67 | 0.78 | 0.80 | 0.85 |
| 0.33 | 15 | 0.91 | 1.15 | 1.25 | 1.40 | 1.48 | 1.58 |
| 0.5 | 15 | 0.85 | 1.08 | 1.18 | 1.30 | 1.40 | 1.49 |
| 0.68 | 15 | 1.16 | 1.48 | 1.60 | 1.80 | 1.90 | 2.05 |
| 1.0 | 22.5 | 1.85 | 2.25 | 2.36 | 2.60 | 2.70 | 2.85 |
УПАКОВОЧНЫЙ КОД
| Метод дюймовый | Масса | Боеприпасы | Катушка |
| Код | Беременный | А | Ведущий |
ДЛИНА ВЫВОДА ОТ посадочной плоскости
| мм | 5 | 10 | 15 | 20 | 25 |
| Код | 050 | 100 | 150 | 200 | 250 |
КОД ЛЕНТЫ (Расстояние между выводами ленты, если записано на пленку)
| Расстояние | 10мм | 15мм |
| Упаковка | А | А |
| Код | РТ3 | РТ4 |
ПРИМЕР КОДА СТИЛЯ ЛЕДОВ
ВВЕДЕНИЕ
Серия CDAC построена с диэлектрической полиэфирной пленкой, Покрытие с медной и эпоксидной смолой. Они подходят для блокировки, сцепление, развязка, фильтрация, Схема синхронизации обхода и идеально подходит для использования в данных / Телекоммерческое оборудование, промышленный инструмент, Автоматические системы управления и другие общие электронные применения.
















