Высокие энергетические гибридные туалетные конденсаторы|CBEL
Танталум случай, Герметически запечатан, Цилиндрический, Радиальный лист, Гетерополярность, с винтами, Удобно исправлять коммутируемые электролитическими конденсатором тантала и электрохимическим конденсатором, Небольшой размер, Суперкомпощерство
Стабильный в электрических характеристиках, Высокая надежность, Долгое время жизни, Максимум в плотности емкости и энергии, Номинальная емкость выше, чем серия CBEF
Встроенный как батарея в энергосберегаемом цирке & Power-Pluls-Circuit, функционируется как фильтрация, Энергия хранения,Схема задержки времени.
Спецификации
Рабочая температура:-55℃ до +125 ℃ (до +125 ℃, с рейтингом
Температура хранения:-62℃ ~ +130 ℃
Емкость терпимости:Q.: (-10%~+30%), K: (± 10%), М: (± 20%)
Пример номера части
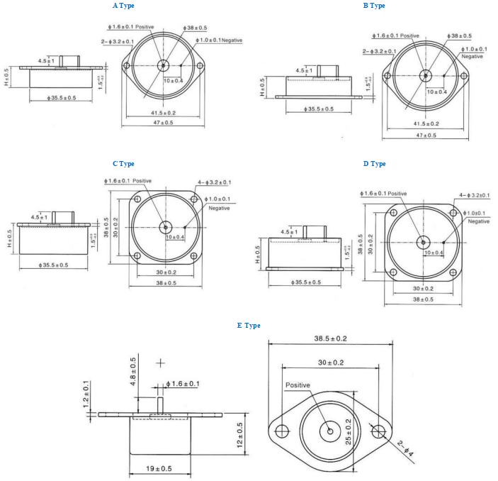
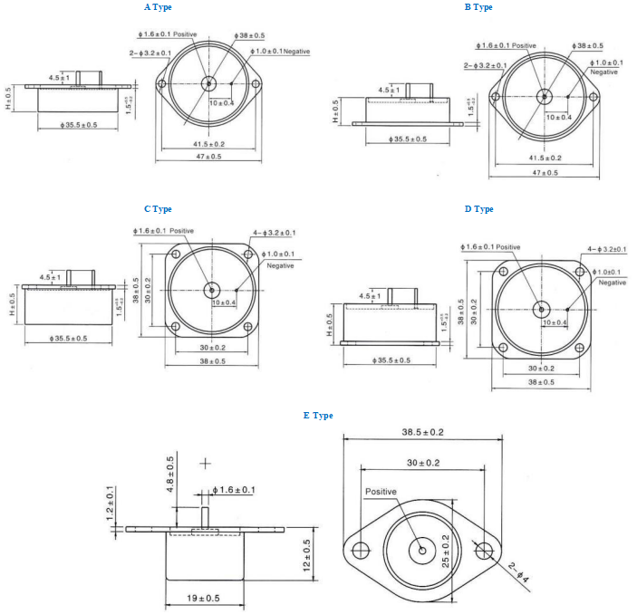
Размеры (единица: мм)
Примечание
1.Пожалуйста, не используйте мультиметр через процедуры измерения (может нанести необратимый ущерб и привести к выбросу).
2.Емкость и DF измерены при 100 Гц, U_=2.200 V, U = 1,00- V Тест, применяемый только в последовательной эквивалентной схеме.
3.Распределение напряжения применяется при +125 ℃. (Параметр DCL следует прочитать после 5 минуты, когда он подключен к цепи).
4.Особые размеры и спрос могут проконсультироваться с нами.
Характеристики и применение
◆ Танталум, Герметически запечатан, Цилиндрический, Радиальный лист, Гетерополярность, с MountingFlange.
◆ Соберите электролитическим конденсатором тантала и электрохимическим конденсатором, Небольшой размер, Суперкомпощерство
◆ стабильно в электрических характеристиках, Высокая надежность, Долгое время жизни, Максимум в плотности емкости и энергии
◆ Встроен в качестве батареи в энергосберегаемом цикле & Power-Pluls-Circuit, функционируется как фильтрация, Энергия хранения,
Схема задержки времени.














