Kondenzátor kovového polypropylénu |Nízka DF| CDBC
CDBC series are constructed with metalized polypropylene film dielectric, copperply lead and flame retardant epoxy resin coating. Suitable blocking, by- pass, spojka, oddelenie, filtrovanie, timing, tuning, temperature compensation and ideal for use in ballasts, switching power supplies, telecommunication equipment, industrial instruments, automatické riadiace systémy a iné všeobecné elektronické zariadenia.
Funkcie
◆ Low dissipation factor at high frequency
◆ High capacitance and dissipation factor stability
◆ Non-inductive construction
◆ Self-healing
◆ Flame retardant epoxy resin coating (compliant to UL 94V-0)
ŠPECIFIKÁCIE
| Predmety | Výkon | ||||||
| Rozsah prevádzkového napätia | 100Vdc, 250Vdc, 400Vdc, 630Vdc | ||||||
| Menovitá teplota | -40 ˚C ~ +85ºC | ||||||
| Usable Upper Category Temperature | +105ºC
(Derating ratio of rated voltage over +85˚C ~ +110º C: 1.5% per ºC of RatedVoltage) |
||||||
| Rozsah kapacity | 0.01 uF~ 10 uF | ||||||
| Tolerancia kapacity | +3% (H), +5% (J), +10% (K) | ||||||
|
Rozptyl |
Khz | C < 0.1 uF | 0.1 < C < 1.0 uF | 1.0 < C < 3.0 uF | 3.0 < C < 5.0 uF | 5.0 < C < 10 uF | |
| 1 | < 0.10% | ||||||
| 100 | < 0.40% | < 0.70% | < 1.20% | < 1.80% | < 2.80% | ||
|
Insulation Resistance Terminal to Terminal |
Voltage Charge: 100Vdc x 1min (at 20˚C + 5˚C)
> 30,000MΩ for C < 0.33uF > 10,000MΩ x µF for C > 0.33uF |
||||||
| Odolné napätie | Terminál k terminálu: (at 20˚C + 5˚C) | ||||||
|
Rated Voltage Pulse Slope dV/dt (V/µs) |
Smola
VR |
7.5mm | 10mm | 15mm | 22.5mm | 27.5mm | |
| 100Vdc | 130 | 110 | 100 | 70 | 50 | ||
| 250Vdc | 240 | 220 | 200 | 130 | 100 | ||
| 400Vdc | — | 350 | 300 | 200 | 150 | ||
| 630Vdc | — | 420 | 400 | 250 | 180 | ||
RELIABILITY TEST
| Položka | Test Metódy | Požiadavky |
| Resistance to Soldering Heat IEC 60068-2-20 | Spájkovací kúpeľ: 260ºC + 5ºC Immersion Time: 10sek + 1sek | Capacitance Change ІΔ C/C : <1% DF Change Δ tan δ : 0.1% at 1KHz IR: > limit value |
| Resistance to Vibration IEC 60068-2-6 | Frekvenčný rozsah: 10Hz to 55Hz Amplitude: 1.5mm
Trvanie: 6 hodiny |
There shall be no Visible Damage, No Intermittent Contact,
Žiadny otvorený alebo skrat |
| Damp Heat, Steady State IEC 60068-2-3 | Teplota: 40ºC + 2ºC Relative Humidity: 90% do 95%
Trvanie: 1,000 hodiny |
Capacitance Change ІΔC/C І< : 3% DF Change Δ tan δ: 0.1% pri 1 kHz IR: > 50% limit value |
| Electrical Endurance IEC 60384-17 | Teplota: 85ºC + 2ºC Voltage Applied: 1.25 x VR(DC) Trvanie: 2,000 hodiny | Capacitance Change ІΔC/CІ< : 3% DF Change Δ tan δ : 0.1% at 1KHz IR: > 50% limit value |
MAXIMÁLNE ROZMERY
| W.V. | 100VDC (2A) | 250VDC (2E) | 400VDC (2G) | 630VDC (2J) | |||||||||||||||||
| (uF) | kód | W | H | T | P | d | W | H | T | P | d | W | H | T | P | d | W | H | T | P | d |
| 0.010 | 103 | 10.5 | 7.5 | 4.0 | 7.5 | 0.6 | 10.5 | 9.0 | 5.5 | 7.5 | 0.6 | ||||||||||
| 0.012 | 123 | 10.5 | 8.5 | 4.0 | 7.5 | 0.6 | 10.5 | 9.5 | 6.0 | 7.5 | 0.6 | ||||||||||
| 0.015 | 153 | 10.5 | 9.0 | 4.5 | 7.5 | 0.6 | 10.5 | 10.5 | 6.0 | 7.5 | 0.6 | ||||||||||
| 0.018 | 183 | 10.5 | 9.5 | 4.5 | 7.5 | 0.6 | 10.5 | 11.0 | 6.5 | 7.5 | 0.6 | ||||||||||
| 0.022 | 223 | 10.5 | 7.5 | 4.0 | 7.5 | 0.6 | 10.5 | 10.0 | 5.0 | 7.5 | 0.6 | 13.0 | 10.0 | 6.0 | 10.0 | 0.6 | |||||
| 0.027 | 273 | 10.5 | 8.0 | 4.0 | 7.5 | 0.6 | 10.5 | 10.5 | 5.5 | 7.5 | 0.6 | 13.0 | 11.0 | 6.5 | 10.0 | 0.6 | |||||
| 0.033 | 333 | 10.5 | 8.5 | 4.5 | 7.5 | 0.6 | 10.5 | 11.0 | 6.0 | 7.5 | 0.6 | 13.0 | 11.5 | 7.0 | 10.0 | 0.6 | |||||
| 0.039 | 393 | 10.5 | 9.0 | 4.5 | 7.5 | 0.6 | 13.0 | 11.0 | 5.5 | 10.0 | 0.6 | 13.0 | 12.0 | 8.0 | 10.0 | 0.6 | |||||
| 0.047 | 473 | 10.5 | 7.5 | 4.0 | 7.5 | 0.6 | 10.5 | 10.0 | 4.5 | 7.5 | 0.6 | 13.0 | 11.0 | 5.5 | 10.0 | 0.6 | 13.0 | 13.0 | 8.0 | 10.0 | 0.6 |
| 0.056 | 563 | 10.5 | 8.0 | 4.0 | 7.5 | 0.6 | 10.5 | 10.5 | 5.0 | 7.5 | 0.6 | 13.0 | 11.5 | 6.0 | 10.0 | 0.6 | 13.0 | 14.0 | 9.0 | 10.0 | 0.6 |
| 0.068 | 683 | 10.5 | 9.0 | 4.5 | 7.5 | 0.6 | 10.5 | 11.0 | 5.5 | 7.5 | 0.6 | 13.0 | 12.5 | 6.5 | 10.0 | 0.6 | 18.0 | 12.5 | 7.0 | 15.0 | 0.8 |
| 0.082 | 823 | 10.5 | 9.5 | 4.5 | 7.5 | 0.6 | 10.5 | 11.5 | 6.0 | 7.5 | 0.6 | 13.0 | 13.0 | 7.0 | 10.0 | 0.6 | 18.0 | 13.0 | 7.5 | 15.0 | 0.8 |
| 0.10 | 104 | 10.5 | 10.0 | 5.0 | 7.5 | 0.6 | 10.5 | 12.0 | 6.5 | 7.5 | 0.6 | 13.0 | 13.5 | 8.0 | 10.0 | 0.6 | 18.0 | 14.0 | 8.0 | 15.0 | 0.8 |
| 0.12 | 124 | 10.5 | 10.0 | 5.5 | 7.5 | 0.6 | 13.0 | 11.5 | 6.0 | 10.0 | 0.6 | 18.0 | 12.0 | 6.0 | 15.0 | 0.8 | 18.0 | 15.5 | 8.0 | 15.0 | 0.8 |
| 0.15 | 154 | 10.5 | 11.0 | 6.0 | 7.5 | 0.6 | 13.0 | 12.0 | 6.5 | 10.0 | 0.6 | 18.0 | 12.5 | 7.0 | 15.0 | 0.8 | 18.0 | 16.5 | 9.0 | 15.0 | 0.8 |
| 0.18 | 184 | 10.5 | 11.5 | 6.5 | 7.5 | 0.6 | 13.0 | 12.5 | 7.0 | 10.0 | 0.6 | 18.0 | 13.5 | 8.5 | 15.0 | 0.8 | 18.0 | 17.5 | 10.0 | 15.0 | 0.8 |
| 0.22 | 224 | 13.0 | 11.5 | 6.0 | 10.0 | 0.6 | 13.0 | 13.0 | 7.5 | 10.0 | 0.6 | 18.0 | 15.0 | 8.0 | 15.0 | 0.8 | 18.0 | 18.5 | 11.5 | 15.0 | 0.8 |
| 0.27 | 274 | 13.0 | 12.0 | 6.5 | 10.0 | 0.6 | 18.0 | 13.0 | 6.0 | 15.0 | 0.8 | 18.0 | 16.0 | 8.5 | 15.0 | 0.8 | 25.5 | 18.0 | 9.0 | 22.5 | 0.8 |
| 0.33 | 334 | 13.0 | 13.0 | 7.0 | 10.0 | 0.6 | 18.0 | 14.0 | 6.5 | 15.0 | 0.8 | 18.0 | 17.0 | 9.5 | 15.0 | 0.8 | 25.5 | 19.0 | 10.0 | 22.5 | 0.8 |
| 0.39 | 394 | 13.0 | 13.5 | 7.5 | 10.0 | 0.6 | 18.0 | 14.5 | 7.0 | 15.0 | 0.8 | 18.0 | 18.0 | 10.5 | 15.0 | 0.8 | 25.5 | 20.0 | 11.0 | 22.5 | 0.8 |
| 0.47 | 474 | 13.0 | 14.0 | 8.5 | 10.0 | 0.6 | 18.0 | 15.0 | 8.0 | 15.0 | 0.8 | 25.5 | 16.0 | 9.0 | 22.5 | 0.8 | 20.5 | 20.5 | 12.0 | 17.5 | 0.8 |
| 25.5 | 21.0 | 12.0 | 22.5 | 0.8 | |||||||||||||||||
| 0.56 | 564 | 18.0 | 14.0 | 7.0 | 15.0 | 0.8 | 18.0 | 16.0 | 8.5 | 15.0 | 0.8 | 25.5 | 17.0 | 10.0 | 22.5 | 0.8 | 25.5 | 22.5 | 13.5 | 22.5 | 0.8 |
| 0.68 | 684 | 18.0 | 15.0 | 7.5 | 15.0 | 0.8 | 18.0 | 17.0 | 9.5 | 15.0 | 0.8 | 25.5 | 18.0 | 11.0 | 22.5 | 0.8 | 25.5 | 24.0 | 15.0 | 22.5 | 0.8 |
| 0.82 | 824 | 18.0 | 15.5 | 8.0 | 15.0 | 0.8 | 18.0 | 18.5 | 10.0 | 15.0 | 0.8 | 25.5 | 20.0 | 11.0 | 22.5 | 0.8 | 25.5 | 25.5 | 16.5 | 22.5 | 0.8 |
| 1.00 | 105 | 18.0 | 16.5 | 9.0 | 15.0 | 0.8 | 18.0 | 20.0 | 11.0 | 15.0 | 0.8 | 25.5 | 21.5 | 12.5 | 22.5 | 0.8 | 26.0 | 16.5 | 12.0 | 22.5 | 0.8 |
| 31.5 | 25.0 | 16.0 | 27.5 | 0.8 | |||||||||||||||||
| 1.20 | 125 | 18.0 | 17.5 | 10.0 | 15.0 | 0.8 | 25.5 | 18.0 | 9.0 | 22.5 | 0.8 | 25.5 | 23.0 | 14.0 | 22.5 | 0.8 | 31.5 | 27.0 | 18.0 | 27.5 | 0.8 |
| 1.50 | 155 | 18.0 | 18.5 | 11.5 | 15.0 | 0.8 | 25.5 | 19.5 | 10.5 | 22.5 | 0.8 | 25.5 | 24.5 | 15.5 | 22.5 | 0.8 | |||||
| 1.80 | 185 | 25.5 | 18.0 | 9.0 | 22.5 | 0.8 | 25.5 | 20.5 | 11.5 | 22.5 | 0.8 | ||||||||||
| 2.20 | 225 | 25.5 | 19.0 | 10.0 | 22.5 | 0.8 | 25.5 | 22.0 | 13.0 | 22.5 | 0.8 | ||||||||||
| 2.70 | 275 | 25.5 | 20.0 | 11.5 | 22.5 | 0.8 | 25.5 | 23.5 | 14.5 | 22.5 | 0.8 | ||||||||||
| 3.30 | 335 | 25.5 | 24.5 | 15.5 | 22.5 | 0.8 | 25.5 | 25.5 | 16.0 | 22.5 | 0.8 | ||||||||||
PRÍKLAD ČÍSLA ČASTI – BULK
PRÍKLAD ČÍSLA ČASTI – RADIAL TAPED
CAPACITANCE
| uF | 0.01 | 0.047 | 0.1 | 0.47 | 1.0 | 3.3 |
| pf | 10,000 | 47,000 | 100,000 | 470,000 | – | – |
| kód | 103 | 473 | 104 | 474 | 105 | 335 |
TOLERANCE CODE
| kód | Tolerancia |
| J | + 5% |
| K | + 10% |
| M | + 20% |
MENOVÉ NAPÄTIE
| W.V. | 100 | 250 | 400 | 630 |
| kód | 2A | 2E | 2G | 2J |
KÓD PÁSKY (See Diagrams)
| Medzery | 7.5mm | 10mm | 15mm |
| Balenie | A alebo R | A | A |
| kód | RT2 | RT3 | RT4 |
PRÍKLADY ŠTÝLU VEDENIA
ROZTEČ RADIÁLNYCH ZVODOV
* Leadspace je priamy neformovaný originálny leadspace.
| mm | 7.5 | 10 | 15 | 22.5 | 27.5 |
| kód | 075 | 100 | 150 | 225 | 275 |
DĹŽKA VEDENIA OD ROVINY SEDENIA (if bulk pack)
| mm | 5 | 10 | 15 | 20 | 25 |
| kód | 050 | 100 | 150 | 200 | 250 |
BALENIE
| Meth | od | Hromadné | Munícia | Navijak |
| kód | B | A | R | |
ŠTÝL OLOVA
| kód | štýl |
| S | Rovno |
| K | Kink-In (Odstúpte) |
| F | Form Out |
| I | Form In |
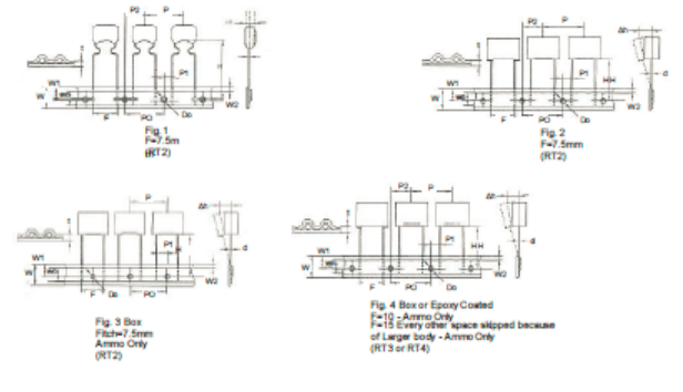
SCHÉMA KÓDU RADIÁLNEHO TEPOVANIA
ŠPECIFIKÁCIE
| Popis |
List |
Rozmer (mm) |
Popis |
List |
Rozmer (mm) | ||||||||
| RT1 | RT2 | RT3 | RT4 | Tol. | RT1 | RT2 | RT3 | RT4 | Tol. | ||||
| Priemer oloveného drôtu | d | 0.5 / 0.6 | 0.5 / 0.6 | 0.6 | 0.6 / 0.8 | + 0.05 | Šírka nosnej pásky | W | 18 | 18 | 18 | 18 | + 1;-0.5 |
| Rozstup pásky | P | 12.7 | 12.7 | 12.7 | 25.4 | + 1 | Podržte stlačenú šírku pásky | WO | 6 | 6 | 9 | 10 | Min |
| Rozstup podávacích otvorov | PO | 12.7 | 12.87 | 12.7 | 12.7 | + 0.2 | Poloha otvoru | W1 | 9 | 9 | 9 | 9 | + 0.5 |
| Centrovanie oloveného drôtu | P1 | 3.85 | 2.6 / 3.75 | 7.7 | 5.2 | + 0.7 | Podržte pozíciu pásky | W2 | 3 | 3 | 3 | 3 | Max |
| Centrovanie tela | P2 | 6.35 | 6.35 | 12.7 | 12.7 | + 1.3 | Priemer plniaceho otvoru | Do | 4 | 4 | 4 | 4 | + 0.2 |
| Lead Spacing (Smola) | F | 5 | 7.5 | 10 | 15 | + 0.6;-0.1 | Hrúbka pásky | t | 0.7 | 0.7 | 0.7 | 0.07 | + 0.2 |
| Zarovnanie komponentov | ∆h | 0 | 0 | 0 | 0 | + 2 | Obrázok | obr | 1 alebo 2 | 1.2 alebo 3 | 4 | 4 | |
| Výška komponentu od stredu pásky | H | 18.5 | 18.5 | 18.5 | 18.5 | + 0.5 | |||||||
Poznámka: *Povolenie akumulovaného stúpania menej ako 1 mm v súčte 20 ihriská.
*Priebežná prázdna zložka menej ako 3 po sebe idúce kusy.
*Celkom prázdne na jednom valci menej ako 1%.
Zavedenie
CDBC series are constructed with metalized polypropylene film dielectric, copperply lead and flame retardant epoxy resin coating. Suitable blocking, by- pass, spojka, oddelenie, filtrovanie, timing, tuning, temperature compensation and ideal for use in ballasts, switching power supplies, telecommunication equipment, industrial instruments, automatické riadiace systémy a iné všeobecné elektronické zariadenia.













