Kondenzátor kovového polypropylénu | Zdvojnásobiť | CDBB
Funkcie
◆ Vysoká odolnosť proti vlhkosti
◆ Menovité napätie : 250~2000Vdc (180~700 Vac)
◆ Rozsah kapacity : 0.00022 ~3,9 uF
◆ Epoxidová živica spomaľujúca horenie (V súlade s UL 94V-0)
◆Vyhovujúce RoHS a bezolovnaté koncovky
Pre aplikáciu s vysokým dv/dt
Funkcie
◆ Vysoká odolnosť proti vlhkosti
◆ Menovité napätie : 250~2000Vdc(180~700 Vac)
◆ Rozsah kapacity : 0.00022 ~3,9uF
◆ Epoxidová živica spomaľujúca horenie (V súlade s UL 94V-0)
◆ V súlade s RoHS a bezolovnaté koncovky
◆ Pre aplikácie s vysokým dv/dt
PRÍKLAD ČÍSLA ČASTI
ELEKTRICKÉ CHARAKTERISTIKY
| Predmety | Výkon | ||||||||||||
| Rozsah prevádzkového napätia | 250Vdc ~ 2 000 Vdc | ||||||||||||
| Menovitá teplota | -40°C ~ +105 °C (Znižuje teplotu nad 85 °C pri 1.25% na °C) | ||||||||||||
| Klimatická kategória | 40 / 105 / 56 | ||||||||||||
| Rozsah kapacity | 0.00022 uF ~ 3,9 uF | ||||||||||||
| Tolerancia kapacity | ± 5 % (J), ±10 % (K), iné tolerancie na vyžiadanie | ||||||||||||
|
Rozptyl (tan fiÅ |
C ≤0.1uF | 0.1uF < C ≤ 1.0uF | C > 1.0uF | ||||||||||
| 1Khz, 20° C | 0.0003 | 0.0003 | 0.0003 | ||||||||||
| 1Khz, 20° C | 0.0004 | 0.0006 | — | ||||||||||
| 100Khz, 20° C | 0.0015 | — | — | ||||||||||
|
Izolačný odpor |
Merané pri 20°C, 100Vdc pre 1 minútu | ||||||||||||
|
|||||||||||||
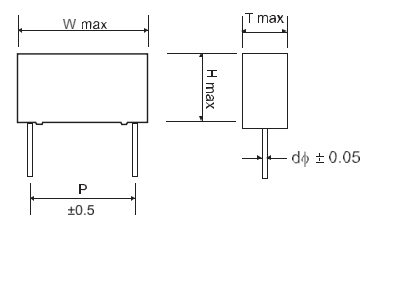
HODNOTENIA & DIMENSIONS (mm)

Odporúčania vlnového spájkovania
|
(μf) |
Práca g
Napätie |
250Vdc (2E) | 400Vdc (2G) | 630Vdc (2J) | |||||||||||||||
| 180Vac | 250Vac | 400Vac | |||||||||||||||||
| kód | W | H | T | P | zomrieť | dv/dt | W | H | T | P | zomrieť | dv/dt | W | H | T | P | zomrieť | dv/dt | |
| 0.01 | 103 | 13.0 | 11.0 | 5.0 | 10.0 | 0.6 | 3,000 | ||||||||||||
| 0.012 | 123 | 13.0 | 11.0 | 5.0 | 10.0 | 0.6 | 3,000 | ||||||||||||
| 0.015 | 153 | 13.0 | 12.0 | 6.0 | 10.0 | 0.6 | 3,000 | ||||||||||||
| 0.018 | 183 | 18.0 | 11.0 | 5.0 | 15.0 | 0.8 | 2,500 | ||||||||||||
| 0.022 | 223 | 18.0 | 11.0 | 5.0 | 15.0 | 0.8 | 2,500 | ||||||||||||
| 0.027 | 273 | 13.0 | 11.0 | 5.0 | 10.0 | 0.6 | 1,400 | 18.0 | 11.0 | 5.0 | 15.0 | 0.8 | 2,500 | ||||||
| 0.033 | 333 | 13.0 | 11.0 | 5.0 | 10.0 | 0.6 | 1,400 | 18.0 | 12.0 | 6.0 | 15.0 | 0.8 | 2,500 | ||||||
| 0.039 | 393 | 13.0 | 12.0 | 6.0 | 10.0 | 0.6 | 1,400 | 18.0 | 12.0 | 6.0 | 15.0 | 0.8 | 2,500 | ||||||
| 0.047 | 473 | 13.0 | 11.0 | 5.0 | 10.0 | 0.6 | 1,000 | 18.0 | 11.0 | 5.0 | 15.0 | 0.8 | 1,000 | 18.0 | 12.0 | 6.0 | 15.0 | 0.8 | 2,500 |
| 0.056 | 563 | 13.0 | 11.0 | 5.0 | 10.0 | 0.6 | 1,000 | 18.0 | 11.0 | 5.0 | 15.0 | 0.8 | 1,000 | 26.5 | 15.0 | 6.0 | 22.5 | 0.8 | 1,800 |
| 0.068 | 683 | 13.0 | 12.0 | 6.0 | 10.0 | 0.6 | 1,000 | 18.0 | 12.0 | 6.0 | 15.0 | 0.8 | 1,000 | 26.5 | 15.0 | 6.0 | 22.5 | 0.8 | 1,800 |
| 0.082 | 823 | 18.0 | 11.0 | 5.0 | 15.0 | 0.8 | 600 | 18.0 | 12.0 | 6.0 | 15.0 | 0.8 | 1,000 | 26.5 | 15.0 | 6.0 | 22.5 | 0.8 | 1,800 |
| 0.1 | 104 | 18.0 | 11.0 | 5.0 | 15.0 | 0.8 | 600 | 18.0 | 13.5 | 7.5 | 15.0 | 0.8 | 1,000 | 26.5 | 15.0 | 6.0 | 22.5 | 0.8 | 1,800 |
| 0.12 | 124 | 18.0 | 12.0 | 6.0 | 15.0 | 0.8 | 600 | 18.0 | 13.5 | 7.5 | 15.0 | 0.8 | 1,000 | 26.5 | 16.0 | 7.0 | 22.5 | 0.8 | 1,800 |
| 0.15 | 154 | 18.0 | 12.0 | 6.0 | 15.0 | 0.8 | 600 | 26.5 | 15.0 | 6.0 | 22.5 | 0.8 | 600 | 26.5 | 17.0 | 8.5 | 22.5 | 0.8 | 1,800 |
| 0.18 | 184 | 18.0 | 13.5 | 7.5 | 15.0 | 0.8 | 600 | 26.5 | 15.0 | 6.0 | 22.5 | 0.8 | 600 | 32.0 | 18.0 | 9.0 | 27.5 | 0.8 | 1,100 |
| 0.22 | 224 | 18.0 | 13.5 | 7.5 | 15.0 | 0.8 | 600 | 26.5 | 16.0 | 7.0 | 22.5 | 0.8 | 600 | 32.0 | 18.0 | 9.0 | 27.5 | 0.8 | 1,100 |
| 0.27 | 274 | 18.0 | 14.5 | 8.5 | 15.0 | 0.8 | 600 | 26.5 | 17.0 | 8.5 | 22.5 | 0.8 | 600 | 32.0 | 18.0 | 9.0 | 27.5 | 0.8 | 1,100 |
| 0.33 | 334 | 18.0 | 16.0 | 10.0 | 15.0 | 0.8 | 600 | 26.5 | 17.0 | 8.5 | 22.5 | 0.8 | 600 | 32.0 | 20.0 | 11.0 | 27.5 | 0.8 | 1,100 |
| 0.39 | 394 | 26.5 | 16.0 | 7.0 | 22.5 | 0.8 | 400 | 26.5 | 18.5 | 10.0 | 22.5 | 0.8 | 600 | 32.0 | 20.0 | 11.0 | 27.5 | 0.8 | 1,100 |
| 0.47 | 474 | 26.5 | 16.0 | 7.0 | 22.5 | 0.8 | 400 | 32.0 | 18.0 | 9.0 | 27.5 | 0.8 | 500 | 32.0 | 22.0 | 13.0 | 27.5 | 0.8 | 1,100 |
| 0.56 | 564 | 26.5 | 17.0 | 8.5 | 22.5 | 0.8 | 400 | 32.0 | 20.0 | 11.0 | 27.5 | 0.8 | 500 | 32.0 | 22.0 | 13.0 | 27.5 | 0.8 | 1,100 |
| 0.68 | 684 | 26.5 | 18.5 | 10.0 | 22.5 | 0.8 | 400 | 32.0 | 20.0 | 11.0 | 27.5 | 0.8 | 500 | 32.0 | 24.5 | 15.0 | 27.5 | 0.8 | 1,100 |
| 0.82 | 824 | 26.5 | 18.5 | 10.0 | 22.5 | 0.8 | 400 | 32.0 | 22.0 | 13.0 | 27.5 | 0.8 | 500 | 32.0 | 28.0 | 14.0 | 27.5 | 0.8 | 1,100 |
| 1 | 105 | 32.0 | 20.0 | 11.0 | 27.5 | 0.8 | 300 | 32.0 | 24.5 | 15.0 | 27.5 | 0.8 | 500 | 32.0 | 33.0 | 18.0 | 27.5 | 0.8 | 1,100 |
| 1.2 | 125 | 32.0 | 20.0 | 11.0 | 27.5 | 0.8 | 300 | 32.0 | 24.5 | 15.0 | 27.5 | 0.8 | 500 | 32.0 | 33.0 | 18.0 | 27.5 | 0.8 | 1,100 |
| 1.5 | 155 | 32.0 | 22.0 | 13.0 | 27.5 | 0.8 | 300 | 32.0 | 33.0 | 18.0 | 27.5 | 0.8 | 500 |
pokračovať …… |
|||||
| 1.8 | 185 | 32.0 | 24.5 | 15.0 | 27.5 | 0.8 | 300 | 32.0 | 33.0 | 18.0 | 27.5 | 0.8 | 500 | ||||||
| 2.2 | 225 | 32.0 | 24.5 | 15.0 | 27.5 | 0.8 | 300 |
|
|||||||||||
| 2.7 | 275 | 32.0 | 33.0 | 18.0 | 27.5 | 0.8 | 300 | ||||||||||||
| 3.3 | 335 | 32.0 | 33.0 | 18.0 | 27.5 | 0.8 | 300 | ||||||||||||
| 3.9 | 395 | 32.0 | 33.0 | 18.0 | 27.5 | 0.8 | 300 | ||||||||||||
HODNOTENIA & DIMENSIONS (mm)
| ( F) | Práca g
Napätie |
1000VDC(3A) | 1600Vdc (3C) | 2000Vdc (3D) | |||||||||||||||
| 600Vac | 650Vac | 700Vac | |||||||||||||||||
|
kód |
W | H | T | P | zomrieť | dv/dt | W | H | T | P | zomrieť | dv/dt | W | H | T | P | zomrieť | dv/dt | |
| 0.00022 | 221 | 18.0 | 11.0 | 5.0 | 15.0 | 0.8 | 10,000 | ||||||||||||
| 0.00027 | 271 | 18.0 | 11.0 | 5.0 | 15.0 | 0.8 | 10,000 | ||||||||||||
| 0.00033 | 331 | 18.0 | 11.0 | 5.0 | 15.0 | 0.8 | 10,000 | ||||||||||||
| 0.00047 | 471 | 18.0 | 11.0 | 5.0 | 15.0 | 0.8 | 10,000 | ||||||||||||
| 0.00056 | 561 | 18.0 | 11.0 | 5.0 | 15.0 | 0.8 | 10,000 | ||||||||||||
| 0.00068 | 681 | 18.0 | 11.0 | 5.0 | 15.0 | 0.8 | 6,000 | 18.0 | 11.0 | 5.0 | 15.0 | 0.8 | 10,000 | ||||||
| 0.00082 | 821 | 18.0 | 11.0 | 5.0 | 15.0 | 0.8 | 6,000 | 18.0 | 11.0 | 5.0 | 15.0 | 0.8 | 10,000 | ||||||
| 0.001 | 102 | 18.0 | 11.0 | 5.0 | 15.0 | 0.8 | 6,000 | 18.0 | 11.0 | 5.0 | 15.0 | 0.8 | 10,000 | ||||||
| 0.0012 | 122 | 18.0 | 11.0 | 5.0 | 15.0 | 0.8 | 6,000 | 18.0 | 11.0 | 5.0 | 15.0 | 0.8 | 10,000 | ||||||
| 0.0015 | 152 | 18.0 | 11.0 | 5.0 | 15.0 | 0.8 | 6,000 | 18.0 | 11.0 | 5.0 | 15.0 | 0.8 | 10,000 | ||||||
| 0.0018 | 182 | 18.0 | 11.0 | 5.0 | 15.0 | 0.8 | 6,000 | 18.0 | 11.0 | 5.0 | 15.0 | 0.8 | 10,000 | ||||||
| 0.0022 | 222 | 18.0 | 11.0 | 5.0 | 15.0 | 0.8 | 6,000 | 18.0 | 11.0 | 5.0 | 15.0 | 0.8 | 10,000 | ||||||
| 0.0027 | 272 | 18.0 | 11.0 | 5.0 | 15.0 | 0.8 | 6,000 | 18.0 | 11.0 | 5.0 | 15.0 | 0.8 | 10,000 | ||||||
| 0.0033 | 332 | 18.0 | 11.0 | 5.0 | 15.0 | 0.8 | 6,000 | 18.0 | 11.0 | 5.0 | 15.0 | 0.8 | 10,000 | ||||||
| 0.0039 | 392 | 13.0 | 11.0 | 5.0 | 10.0 | 0.6 | 6,000 | 18.0 | 11.0 | 5.0 | 15.0 | 0.8 | 6,000 | 18.0 | 11.0 | 5.0 | 15.0 | 0.8 | 10,000 |
| 0.0047 | 472 | 13.0 | 11.0 | 5.0 | 10.0 | 0.6 | 6,000 | 18.0 | 11.0 | 5.0 | 15.0 | 0.8 | 6,000 | 18.0 | 11.0 | 5.0 | 15.0 | 0.8 | 10,000 |
| 0.0056 | 562 | 13.0 | 12.0 | 6.0 | 10.0 | 0.6 | 6,000 | 18.0 | 11.0 | 5.0 | 15.0 | 0.8 | 6,000 | 18.0 | 13.5 | 7.5 | 15.0 | 0.8 | 10,000 |
| 0.0068 | 682 | 13.0 | 12.0 | 6.0 | 10.0 | 0.6 | 6,000 | 18.0 | 11.0 | 5.0 | 15.0 | 0.8 | 6,000 | 18.0 | 13.5 | 7.5 | 15.0 | 0.8 | 10,000 |
| 0.0082 | 822 | 18.0 | 11.0 | 5.0 | 15.0 | 0.8 | 3,300 | 18.0 | 12.0 | 6.0 | 15.0 | 0.8 | 6,000 | 26.5 | 15.0 | 6.0 | 22.5 | 0.8 | 5,000 |
| 0.01 | 103 | 18.0 | 11.0 | 5.0 | 15.0 | 0.8 | 3,300 | 18.0 | 12.0 | 6.0 | 15.0 | 0.8 | 6,000 | 26.5 | 15.0 | 6.0 | 22.5 | 0.8 | 5,000 |
| 0.012 | 123 | 18.0 | 11.0 | 5.0 | 15.0 | 0.8 | 3,300 | 18.0 | 13.5 | 7.5 | 15.0 | 0.8 | 6,000 | 26.5 | 15.0 | 6.0 | 22.5 | 0.8 | 5,000 |
| 0.015 | 153 | 18.0 | 11.0 | 5.0 | 15.0 | 0.8 | 3,300 | 18.0 | 13.5 | 7.5 | 15.0 | 0.8 | 6,000 | 26.5 | 16.0 | 7.0 | 22.5 | 0.8 | 5,000 |
| 0.018 | 183 | 18.0 | 13.5 | 7.5 | 15.0 | 0.8 | 3,300 | 18.0 | 14.5 | 8.5 | 15.0 | 0.8 | 6,000 | 26.5 | 16.0 | 7.0 | 22.5 | 0.8 | 5,000 |
| 0.022 | 223 | 18.0 | 13.5 | 7.5 | 15.0 | 0.8 | 3,300 | 18.0 | 14.5 | 8.5 | 15.0 | 0.8 | 6,000 | 26.5 | 17.0 | 8.5 | 22.5 | 0.8 | 5,000 |
| 0.027 | 273 | 18.0 | 14.5 | 8.5 | 15.0 | 0.8 | 3,300 | 26.5 | 15.0 | 6.0 | 22.5 | 0.8 | 3,000 | 26.5 | 18.5 | 10.0 | 22.5 | 0.8 | 5,000 |
| 0.033 | 333 | 26.5 | 15.0 | 6.0 | 22.5 | 0.8 | 2,100 | 26.5 | 16.0 | 7.0 | 22.5 | 0.8 | 3,000 | 26.5 | 18.5 | 10.0 | 22.5 | 0.8 | 5,000 |
| 0.039 | 393 | 26.5 | 15.0 | 6.0 | 22.5 | 0.8 | 2,100 | 26.5 | 17.0 | 8.5 | 22.5 | 0.8 | 3,000 | 26.5 | 22.0 | 12.0 | 22.5 | 0.8 | 5,000 |
| 0.047 | 473 | 26.5 | 16.0 | 7.0 | 22.5 | 0.8 | 2,100 | 26.5 | 18.5 | 10.0 | 22.5 | 0.8 | 3,000 | 32.0 | 20.0 | 11.0 | 27.5 | 0.8 | 2,200 |
| 0.056 | 563 | 26.5 | 16.0 | 7.0 | 22.5 | 0.8 | 2,100 | 26.5 | 18.5 | 10.0 | 22.5 | 0.8 | 3,000 | 32.0 | 22.0 | 13.0 | 27.5 | 0.8 | 2,200 |
| 0.068 | 683 | 26.5 | 17.0 | 8.5 | 22.5 | 0.8 | 2,100 | 26.5 | 22.0 | 12.0 | 22.5 | 0.8 | 3,000 | 32.0 | 22.0 | 13.0 | 27.5 | 0.8 | 2,200 |
| 0.082 | 823 | 26.5 | 18.5 | 10.0 | 22.5 | 0.8 | 2,100 | 32.0 | 20.0 | 11.0 | 27.5 | 0.8 | 2,000 | 32.0 | 24.5 | 15.0 | 27.5 | 0.8 | 2,200 |
| 0.1 | 104 | 26.5 | 18.5 | 10.0 | 22.5 | 0.8 | 2,100 | 32.0 | 20.0 | 11.0 | 27.5 | 0.8 | 2,000 | 32.0 | 28.0 | 14.0 | 27.5 | 0.8 | 2,200 |
| 0.12 | 124 | 32.0 | 20.0 | 11.0 | 27.5 | 0.8 | 1,300 | 32.0 | 22.0 | 13.0 | 27.5 | 0.8 | 2,000 | 32.0 | 33.0 | 18.0 | 27.5 | 0.8 | 2,200 |
| 0.15 | 154 | 32.0 | 20.0 | 11.0 | 27.5 | 0.8 | 1,300 | 32.0 | 24.5 | 15.0 | 27.5 | 0.8 | 2,000 | 32.0 | 33.0 | 18.0 | 27.5 | 0.8 | 2,200 |
| 0.18 | 184 | 32.0 | 22.0 | 13.0 | 27.5 | 0.8 | 1,300 | 32.0 | 24.5 | 15.0 | 27.5 | 0.8 | 2,000 |
|
|||||
| 0.22 | 224 | 32.0 | 22.0 | 13.0 | 27.5 | 0.8 | 1,300 | 32.0 | 33.0 | 18.0 | 27.5 | 0.8 | 2,000 | ||||||
| 0.27 | 274 | 32.0 | 24.5 | 15.0 | 27.5 | 0.8 | 1,300 | 32.0 | 33.0 | 18.0 | 27.5 | 0.8 | 2,000 | ||||||
| 0.33 | 334 | 32.0 | 28.0 | 14.0 | 27.5 | 0.8 | 1,300 | 32.0 | 33.0 | 18.0 | 27.5 | 0.8 | 2,000 | ||||||
| 0.39 | 394 | 32.0 | 33.0 | 18.0 | 27.5 | 0.8 | 1,300 | ||||||||||||
| 0.47 | 474 | 32.0 | 33.0 | 18.0 | 27.5 | 0.8 | 1,300 | ||||||||||||
Vrms vs. Frekvencia, typická hodnota

SCHÉMA KÓDU RADIÁLNEHO TEPOVANIA

Obr. 4 Krabica alebo Expoxy potiahnutá
F=10 = Iba munícia
F=15 Každý ďalší priestor bol preskočený, pretože
väčšieho tela – Iba munícia
(RT3 alebo RT4)
| Popis |
List |
Rozmer (mm) | |
| RT4 | Tol. | ||
| Priemer oloveného drôtu | d | 0.6 / 0.8 | ± 0.05 |
| Rozstup pásky | P | 25.4 | ± 1 |
| Rozstup podávacích otvorov | PO | 12.7 | ± 0.2 |
| Centrovanie oloveného drôtu | P1 | 5.2 | ± 0.7 |
| Centrovanie tela | P2 | 12.7 | ± 1.3 |
| Lead Spacing (Smola) | F | 15 | + 0.6; -0.1 |
| Zarovnanie komponentov | Δh | 0 | ± 2 |
| Výška komponentu od stredu pásky | H | 18.5 | ± 0.5 |
| Šírka nosnej pásky | W | 18 | + 1; -0.5 |
| Podržte stlačenú šírku pásky | WO | 10 | Min |
| Poloha otvoru | W1 | 9 | ± 0.5 |
| Podržte pozíciu pásky | W2 | 3 | Max |
| Priemer plniaceho otvoru | Do | 4 | ± 0.2 |
| Hrúbka pásky | t | 0.5 | ± 0.2 |
| Obrázok | obr | 4 | |
Poznámka: *Povolenie akumulovaného stúpania menej ako 1 mm v súčte 20 ihriská.
*Priebežná prázdna zložka menej ako 3 po sebe idúce kusy.
*Celkom prázdne na jednom valci menej ako 1%.
Zavedenie
Séria CDBB je skonštruovaná špeciálne pre korekciu účinníka (PFC) aplikácie. Film bol vybraný a metalizácia aplikovaná špeciálne pre aplikáciu s vysokým dv/dt










