Málmað pólýprópýlenfilmuþétti |Lágt df| CDBC
CDBC röð eru smíðuð með málmhúðuðu pólýprópýlen filmu rafefni, koparblý og logavarnarefni epoxý plastefnishúð. Hentug blokkun, af- framhjá, tenging, Aftenging, síun, tímasetningu, stilla, hitajafnvægi og tilvalið til notkunar í kjölfestu, skipta um aflgjafa, fjarskiptabúnaði, iðnaðarhljóðfæri, sjálfvirk stjórnkerfi og annar almennur rafeindabúnaður.
Eiginleikar
◆ Lágur útbreiðslustuðull við hátíðni
◆ Hár rýmd og stöðugleiki dreifingarþáttar
◆ Non-inductive smíði
◆ Sjálfslækning
◆ Logavarnarefni epoxý plastefnishúð (í samræmi við UL 94V-0)
Forskriftir
| Hlutir | Frammistaða | ||||||
| Rekstrarspennusvið | 100Vdc, 250Vdc, 400Vdc, 630Vdc | ||||||
| Metið hitastig | -40 ˚C ~ +85ºC | ||||||
| Nothæft hitastig í efri flokki | +105ºC
(Lækkunarhlutfall málspennu yfir +85˚C ~ +110ºC: 1.5% á ºC af Rated Voltage) |
||||||
| Þéttni svið | 0.01 µF ~ 10 µf | ||||||
| Þolþol | +3% (H), +5% (J.), +10% (K) | ||||||
|
Dreifingarstuðull |
KHz | C. < 0.1 µf | 0.1 < C. < 1.0 µf | 1.0 < C. < 3.0 µf | 3.0 < C. < 5.0 µf | 5.0 < C. < 10 µf | |
| 1 | < 0.10% | ||||||
| 100 | < 0.40% | < 0.70% | < 1.20% | < 1.80% | < 2.80% | ||
|
Einangrunarviðnámsstöð við flugstöð |
Spennuhleðsla: 100VDC x 1 mín (við 20˚C + 5˚C)
> 30,000MΩ fyrir C < 0.33µf > 10,000MΩ x µF fyrir C > 0.33µf |
||||||
| Þola spennu | Flugstöð til flugstöðvar: (við 20˚C + 5˚C) | ||||||
|
Málspenna púlshalli dV/dt (V/µs) |
Pitch
VR |
7.5mm | 10mm | 15mm | 22.5mm | 27.5mm | |
| 100Vdc | 130 | 110 | 100 | 70 | 50 | ||
| 250Vdc | 240 | 220 | 200 | 130 | 100 | ||
| 400Vdc | — | 350 | 300 | 200 | 150 | ||
| 630Vdc | — | 420 | 400 | 250 | 180 | ||
Áreiðanleikapróf
| Liður | Próf Aðferðir | Kröfur |
| Þolir lóðunarhita IEC 60068-2-20 | Lóðmálmur bað: 260ºC + 5ºC ídýfingartími: 10sek + 1sek | Rafmagnsbreyting ІΔ C/C : <1% DF Breyta Δ tan d : 0.1% við 1KHz IR: > viðmiðunarmörk |
| Viðnám gegn titringi IEC 60068-2-6 | Tíðnisvið: 10Hz til 55Hz Amplitude: 1.5mm
Lengd: 6 klukkustundir |
Engar sjáanlegar skemmdir skulu vera, Engin hlé á snertingu,
Enginn opinn eða skammhlaup |
| Rakur Hiti, Stöðugt ástand IEC 60068-2-3 | Hitastig: 40ºC + 2ºC Hlutfallslegur raki: 90% til 95%
Lengd: 1,000 klukkustundir |
Rafmagnsbreyting ІΔC/C І< : 3% DF Breyta Δ tan d: 0.1% við 1KHz IR: > 50% viðmiðunarmörk |
| Rafmagnsþol IEC 60384-17 | Hitastig: 85ºC + 2ºC spenna notuð: 1.25 x VR(DC) Lengd: 2,000 klukkustundir | Rafmagnsbreyting ІΔC/CІ< : 3% DF Breyta Δ tan d : 0.1% við 1KHz IR: > 50% viðmiðunarmörk |
HÁMARKSSTÆÐIR
| W.V. | 100VDC (2A.) | 250VDC (2E) | 400VDC (2G) | 630VDC (2J.) | |||||||||||||||||
| (µf) | Kóði | W. | H | T. | P. | d | W. | H | T. | P. | d | W. | H | T. | P. | d | W. | H | T. | P. | d |
| 0.010 | 103 | 10.5 | 7.5 | 4.0 | 7.5 | 0.6 | 10.5 | 9.0 | 5.5 | 7.5 | 0.6 | ||||||||||
| 0.012 | 123 | 10.5 | 8.5 | 4.0 | 7.5 | 0.6 | 10.5 | 9.5 | 6.0 | 7.5 | 0.6 | ||||||||||
| 0.015 | 153 | 10.5 | 9.0 | 4.5 | 7.5 | 0.6 | 10.5 | 10.5 | 6.0 | 7.5 | 0.6 | ||||||||||
| 0.018 | 183 | 10.5 | 9.5 | 4.5 | 7.5 | 0.6 | 10.5 | 11.0 | 6.5 | 7.5 | 0.6 | ||||||||||
| 0.022 | 223 | 10.5 | 7.5 | 4.0 | 7.5 | 0.6 | 10.5 | 10.0 | 5.0 | 7.5 | 0.6 | 13.0 | 10.0 | 6.0 | 10.0 | 0.6 | |||||
| 0.027 | 273 | 10.5 | 8.0 | 4.0 | 7.5 | 0.6 | 10.5 | 10.5 | 5.5 | 7.5 | 0.6 | 13.0 | 11.0 | 6.5 | 10.0 | 0.6 | |||||
| 0.033 | 333 | 10.5 | 8.5 | 4.5 | 7.5 | 0.6 | 10.5 | 11.0 | 6.0 | 7.5 | 0.6 | 13.0 | 11.5 | 7.0 | 10.0 | 0.6 | |||||
| 0.039 | 393 | 10.5 | 9.0 | 4.5 | 7.5 | 0.6 | 13.0 | 11.0 | 5.5 | 10.0 | 0.6 | 13.0 | 12.0 | 8.0 | 10.0 | 0.6 | |||||
| 0.047 | 473 | 10.5 | 7.5 | 4.0 | 7.5 | 0.6 | 10.5 | 10.0 | 4.5 | 7.5 | 0.6 | 13.0 | 11.0 | 5.5 | 10.0 | 0.6 | 13.0 | 13.0 | 8.0 | 10.0 | 0.6 |
| 0.056 | 563 | 10.5 | 8.0 | 4.0 | 7.5 | 0.6 | 10.5 | 10.5 | 5.0 | 7.5 | 0.6 | 13.0 | 11.5 | 6.0 | 10.0 | 0.6 | 13.0 | 14.0 | 9.0 | 10.0 | 0.6 |
| 0.068 | 683 | 10.5 | 9.0 | 4.5 | 7.5 | 0.6 | 10.5 | 11.0 | 5.5 | 7.5 | 0.6 | 13.0 | 12.5 | 6.5 | 10.0 | 0.6 | 18.0 | 12.5 | 7.0 | 15.0 | 0.8 |
| 0.082 | 823 | 10.5 | 9.5 | 4.5 | 7.5 | 0.6 | 10.5 | 11.5 | 6.0 | 7.5 | 0.6 | 13.0 | 13.0 | 7.0 | 10.0 | 0.6 | 18.0 | 13.0 | 7.5 | 15.0 | 0.8 |
| 0.10 | 104 | 10.5 | 10.0 | 5.0 | 7.5 | 0.6 | 10.5 | 12.0 | 6.5 | 7.5 | 0.6 | 13.0 | 13.5 | 8.0 | 10.0 | 0.6 | 18.0 | 14.0 | 8.0 | 15.0 | 0.8 |
| 0.12 | 124 | 10.5 | 10.0 | 5.5 | 7.5 | 0.6 | 13.0 | 11.5 | 6.0 | 10.0 | 0.6 | 18.0 | 12.0 | 6.0 | 15.0 | 0.8 | 18.0 | 15.5 | 8.0 | 15.0 | 0.8 |
| 0.15 | 154 | 10.5 | 11.0 | 6.0 | 7.5 | 0.6 | 13.0 | 12.0 | 6.5 | 10.0 | 0.6 | 18.0 | 12.5 | 7.0 | 15.0 | 0.8 | 18.0 | 16.5 | 9.0 | 15.0 | 0.8 |
| 0.18 | 184 | 10.5 | 11.5 | 6.5 | 7.5 | 0.6 | 13.0 | 12.5 | 7.0 | 10.0 | 0.6 | 18.0 | 13.5 | 8.5 | 15.0 | 0.8 | 18.0 | 17.5 | 10.0 | 15.0 | 0.8 |
| 0.22 | 224 | 13.0 | 11.5 | 6.0 | 10.0 | 0.6 | 13.0 | 13.0 | 7.5 | 10.0 | 0.6 | 18.0 | 15.0 | 8.0 | 15.0 | 0.8 | 18.0 | 18.5 | 11.5 | 15.0 | 0.8 |
| 0.27 | 274 | 13.0 | 12.0 | 6.5 | 10.0 | 0.6 | 18.0 | 13.0 | 6.0 | 15.0 | 0.8 | 18.0 | 16.0 | 8.5 | 15.0 | 0.8 | 25.5 | 18.0 | 9.0 | 22.5 | 0.8 |
| 0.33 | 334 | 13.0 | 13.0 | 7.0 | 10.0 | 0.6 | 18.0 | 14.0 | 6.5 | 15.0 | 0.8 | 18.0 | 17.0 | 9.5 | 15.0 | 0.8 | 25.5 | 19.0 | 10.0 | 22.5 | 0.8 |
| 0.39 | 394 | 13.0 | 13.5 | 7.5 | 10.0 | 0.6 | 18.0 | 14.5 | 7.0 | 15.0 | 0.8 | 18.0 | 18.0 | 10.5 | 15.0 | 0.8 | 25.5 | 20.0 | 11.0 | 22.5 | 0.8 |
| 0.47 | 474 | 13.0 | 14.0 | 8.5 | 10.0 | 0.6 | 18.0 | 15.0 | 8.0 | 15.0 | 0.8 | 25.5 | 16.0 | 9.0 | 22.5 | 0.8 | 20.5 | 20.5 | 12.0 | 17.5 | 0.8 |
| 25.5 | 21.0 | 12.0 | 22.5 | 0.8 | |||||||||||||||||
| 0.56 | 564 | 18.0 | 14.0 | 7.0 | 15.0 | 0.8 | 18.0 | 16.0 | 8.5 | 15.0 | 0.8 | 25.5 | 17.0 | 10.0 | 22.5 | 0.8 | 25.5 | 22.5 | 13.5 | 22.5 | 0.8 |
| 0.68 | 684 | 18.0 | 15.0 | 7.5 | 15.0 | 0.8 | 18.0 | 17.0 | 9.5 | 15.0 | 0.8 | 25.5 | 18.0 | 11.0 | 22.5 | 0.8 | 25.5 | 24.0 | 15.0 | 22.5 | 0.8 |
| 0.82 | 824 | 18.0 | 15.5 | 8.0 | 15.0 | 0.8 | 18.0 | 18.5 | 10.0 | 15.0 | 0.8 | 25.5 | 20.0 | 11.0 | 22.5 | 0.8 | 25.5 | 25.5 | 16.5 | 22.5 | 0.8 |
| 1.00 | 105 | 18.0 | 16.5 | 9.0 | 15.0 | 0.8 | 18.0 | 20.0 | 11.0 | 15.0 | 0.8 | 25.5 | 21.5 | 12.5 | 22.5 | 0.8 | 26.0 | 16.5 | 12.0 | 22.5 | 0.8 |
| 31.5 | 25.0 | 16.0 | 27.5 | 0.8 | |||||||||||||||||
| 1.20 | 125 | 18.0 | 17.5 | 10.0 | 15.0 | 0.8 | 25.5 | 18.0 | 9.0 | 22.5 | 0.8 | 25.5 | 23.0 | 14.0 | 22.5 | 0.8 | 31.5 | 27.0 | 18.0 | 27.5 | 0.8 |
| 1.50 | 155 | 18.0 | 18.5 | 11.5 | 15.0 | 0.8 | 25.5 | 19.5 | 10.5 | 22.5 | 0.8 | 25.5 | 24.5 | 15.5 | 22.5 | 0.8 | |||||
| 1.80 | 185 | 25.5 | 18.0 | 9.0 | 22.5 | 0.8 | 25.5 | 20.5 | 11.5 | 22.5 | 0.8 | ||||||||||
| 2.20 | 225 | 25.5 | 19.0 | 10.0 | 22.5 | 0.8 | 25.5 | 22.0 | 13.0 | 22.5 | 0.8 | ||||||||||
| 2.70 | 275 | 25.5 | 20.0 | 11.5 | 22.5 | 0.8 | 25.5 | 23.5 | 14.5 | 22.5 | 0.8 | ||||||||||
| 3.30 | 335 | 25.5 | 24.5 | 15.5 | 22.5 | 0.8 | 25.5 | 25.5 | 16.0 | 22.5 | 0.8 | ||||||||||
Dæmi um hlutanúmer – BULK
Dæmi um hlutanúmer – RADIAL TEKIÐ
REYTI
| µf | 0.01 | 0.047 | 0.1 | 0.47 | 1.0 | 3.3 |
| Pf | 10,000 | 47,000 | 100,000 | 470,000 | – | – |
| Kóði | 103 | 473 | 104 | 474 | 105 | 335 |
TOLERANCE KÓÐI
| Kóði | Umburðarlyndi |
| J. | + 5% |
| K | + 10% |
| M. | + 20% |
MAGNSPENNA
| W.V. | 100 | 250 | 400 | 630 |
| Kóði | 2A. | 2E | 2G | 2J. |
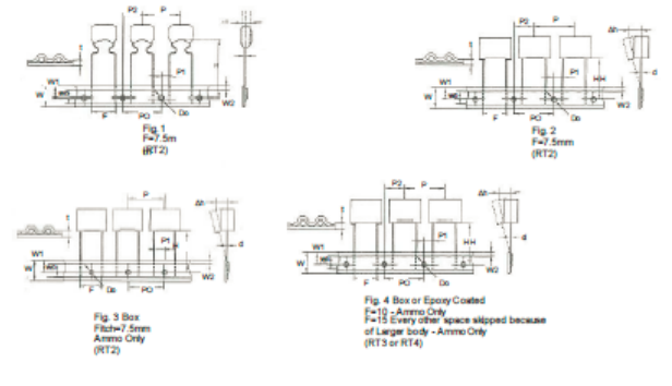
BANDKÓÐI (Sjá skýringarmyndir)
| Bil | 7.5mm | 10mm | 15mm |
| Pökkun | A eða R | A. | A. |
| Kóði | RT2 | RT3 | RT4 |
DÆMI um LEITSTÍL
RADIAL LEIÐARBILL
* Leadspace er beint blý ómyndað upprunalegt blýrými.
| mm | 7.5 | 10 | 15 | 22.5 | 27.5 |
| Kóði | 075 | 100 | 150 | 225 | 275 |
BLYLENGD FRÁ SÆTAFLUGI (ef magnpakkning)
| mm | 5 | 10 | 15 | 20 | 25 |
| Kóði | 050 | 100 | 150 | 200 | 250 |
UMBÚÐUR
| Meth | od | Magn | Ammo | Spóla |
| Kóði | B | A. | R | |
BLYSTÍL
| Kóði | Stíll |
| S | Beint |
| K | Kink-In (Standa af) |
| F | Form Out |
| ég | Form í |
RADIAL TAPING KÓÐA SKYNNING
Forskriftir
| Lýsing |
Bréf |
Stærð (mm) |
Lýsing |
Bréf |
Stærð (mm) | ||||||||
| RT1 | RT2 | RT3 | RT4 | Tol. | RT1 | RT2 | RT3 | RT4 | Tol. | ||||
| Þvermál blývír | d | 0.5 / 0.6 | 0.5 / 0.6 | 0.6 | 0.6 / 0.8 | + 0.05 | Burðarborðsbreidd | W. | 18 | 18 | 18 | 18 | + 1;-0.5 |
| Tape Pitch | P. | 12.7 | 12.7 | 12.7 | 25.4 | + 1 | Haltu niðri Spólubreidd | WO | 6 | 6 | 9 | 10 | Min |
| Feed Hole Pitch | PO | 12.7 | 12.87 | 12.7 | 12.7 | + 0.2 | Holustaða | W1 | 9 | 9 | 9 | 9 | + 0.5 |
| Miðja blývírsins | P1 | 3.85 | 2.6 / 3.75 | 7.7 | 5.2 | + 0.7 | Haltu niður spólustöðu | W2 | 3 | 3 | 3 | 3 | Hámark |
| Miðja líkamans | P2 | 6.35 | 6.35 | 12.7 | 12.7 | + 1.3 | Þvermál fóðurgats | Gerðu | 4 | 4 | 4 | 4 | + 0.2 |
| Leiðarbil (Pitch) | F | 5 | 7.5 | 10 | 15 | + 0.6;-0.1 | Þykkt borði | t | 0.7 | 0.7 | 0.7 | 0.07 | + 0.2 |
| Jöfnun íhluta | ∆klst | 0 | 0 | 0 | 0 | + 2 | Mynd | mynd | 1 eða 2 | 1.2 eða 3 | 4 | 4 | |
| Hæð Componentet frá Tape Center | H | 18.5 | 18.5 | 18.5 | 18.5 | + 0.5 | |||||||
Athugasemd: *Heimild fyrir uppsafnaðan velli minna en 1 mm að summan af 20 vellir.
*Stöðugt tómur hluti minna en 3 stykki í röð.
*Samtals tómt á einni spólu minna en 1%.
INNGANGUR
CDBC röð eru smíðuð með málmhúðuðu pólýprópýlen filmu rafefni, koparblý og logavarnarefni epoxý plastefnishúð. Hentug blokkun, af- framhjá, tenging, Aftenging, síun, tímasetningu, stilla, hitajafnvægi og tilvalið til notkunar í kjölfestu, skipta um aflgjafa, fjarskiptabúnaði, iðnaðarhljóðfæri, sjálfvirk stjórnkerfi og annar almennur rafeindabúnaður.













