קבלים אלקטרוליטיים מאלומיניום SMD 105℃ חיים ארוכים CAJA
תכונות
105° C., 3000 שעות מובטחות.
תואם RoHS
105° C., 3000 שעות מובטחות.
תואם RoHS
מפרט
| פָּרִיט | ביצועים | ||||||||||
| טמפ' הפעלה. לָנוּעַ | -40° C ~ + 105° C. | ||||||||||
| סובלנות קיבולת | ± 20% (120הרץ, 20° C.) | ||||||||||
| זרם דליפה (ב-20•C) | I=0.01CV או 3µA (מה שיהיה גדול יותר) לְאַחַר 2 פּרוֹטוֹקוֹל, כאשר C=קיבול מדורג בµF ו-V=מתח עבודה מדורג | ||||||||||
| גורם פיזור
Tanδ ב 120 הרץ, 20° C. |
מתח מדורג | 6.3 | 10 | 16 | 25 | 35 | 50 | ||||
| Tanδ (מקסימום) | 0.30 | 0.26 | 0.20 | 0.16 | 0.13 | 0.12 | |||||
|
מאפייני טמפרטורה נמוכה (בשעה 120 הרץ) |
מתח מדורג | 6.3 | 10 | 16 | 25 | 35 | 50 | ||||
| יחס עכבה
מַקסִימוּם |
ז(-25° C.) /ז(+20° C.) | 4 | 3 | 2 | 2 | 2 | 2 | ||||
| ז(-40° C.) /ז(+20° C.) | 10 | 7 | 5 | 3 | 3 | 3 | |||||
|
מבחן חיים |
זמן מבחן |
חיי מדף של חיי מדף | |||||||||
| 3000 שעות | 1000 שעות | ||||||||||
| שינוי קיבול | בתוך ±30% מהערך ההתחלתי | בתוך ± 20% בעל ערך התחלתי | |||||||||
| גורם פיזור | פחות מ 200% בעל ערך שצוין | פחות מ 200% בעל ערך שצוין | |||||||||
| זרם דליפה | בתוך הערך שצוין | בתוך הערך שצוין | |||||||||
| תנאי מבחן | 20° C. (לאחר בקשת מתח מדורג 3000 שעות ב
105° C. |
20° C. (לאחר אחסון עבור 1000 שעות ב-105 מעלות צלזיוס
ללא מתח) |
|||||||||
| זרם אדווה & מכפילי תדר | VDC(V) תדירות. (הרץ) | 50 | 120 | 1ק | 10K למעלה | ||||||
| 6.3 ~ 50 | 0.70 | 1.00 | 1.36 | 1.50 | |||||||
| תקנים | JIS C 5101-1-18 | ||||||||||
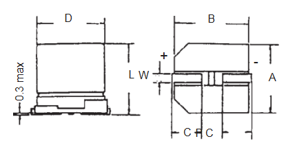
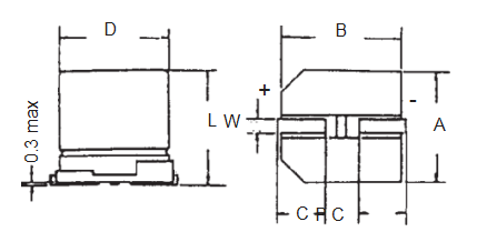
מֵמַד & מוּתָר אַדְוָה נוֹכְחִי
מֵמַד: φD x L (מ"מ)
אדוות זרם mA/rms בשעה 120 הרץ, 105° C.
| VDC
μF תוֹכֶן |
6.3 (0י) | 10 (1א) | 16 (1ג) | 25V (1ה) | 35V (1V) | 50V (1ח) | |||||||
| φD x L | אִמָא | φD x L | אִמָא | φD x L | אִמָא | φD x L | אִמָא | φD x L | אִמָא | φD x L | אִמָא | ||
| 0.1 | 0R1 | 4 x 5.7 | 1 | ||||||||||
| 0.22 | R22 | 4 x 5.7 | 2.6 | ||||||||||
| 0.33 | R33 | 4 x 5.7 | 3.2 | ||||||||||
| 0.47 | R47 | 4 x 5.7 | 5 | ||||||||||
| 1 | 010 | 4 x 5.7 | 8 | ||||||||||
| 2.2 | 2R2 | 4 x 5.7 | 12 | ||||||||||
| 3.3 | 3R3 | 4 x 5.7 | 17 | ||||||||||
| 4.7 | 4R7 | 4 x 5.7 | 16 | 5 x 5.7 | 22 | ||||||||
| 10 | 100 | 4 x 5.7 | 18 | 5 x 5.7 | 27 | 5 x 5.7 | 27 | 6.3 x 5.7 | 32 | ||||
| 22 | 220 | 4 x 5.7 | 22 | 5 x 5.7 | 30 | 5 x 5.7 | 30 | 6.3 x 5.7 | 44 | 6.3 x 5.7 | 44 | 6.3 x 7.7 | 58 |
| 33 | 330 | 5 x 5.7 | 35 | 5 x 5.7 | 35 | 6.3 x 5.7 | 48 | 6.3 x 5.7 | 50 | 6.3 x 7.7 | 57 | 8 x 10 | 140 |
| 47 | 470 | 5 x 5.7 | 38 | 6.3 x 5.7 | 50 | 6.3 x 5.7 | 50 | 6.3 x 7.7 | 63 | 8 x 10 | 92 | 8 x 10 | 170 |
| 100 | 101 | 6.3 x 5.7 | 69 | 6.3 x 7.7 | 81 | 6.3 x 7.7 | 81 | 8 x 10 | 116 | 10 x 10 | 151 | 10 x 10 | 310 |
| 220 | 221 | 6.3 x 7.7 | 120 | 8 x 10 | 141 | 10 x 10 | 216 | 10 x 10 | 320 | 10 x 10 | 375 | ||
| 330 | 331 | 8 x 10 | 290 | 10 x 10 | 290 | 10 x 10 | 290 | 10 x 10 | 450 | ||||
| 470 | 471 | 10 x 10 | 320 | 10 x 10 | 320 | 10 x 10 | 320 | ||||||
| 1000 | 102 | 10 x 10 | 410 | ||||||||||
מרווח וקוטר רפידות
| φD±0.5 | ל | A±0.2 | B±0.2 | C±0.2 | W | P±0.2 |
| 4 | 5.7±0.3 | 4.3 | 4.3 | 2.0 | 0.5 אֶל 0.8 | 1.0 |
| 5 | 5.7±0.3 | 5.3 | 5.3 | 2.3 | 0.5 אֶל 0.8 | 1.5 |
| 6.3 | 5.7±0.3 | 6.6 | 6.6 | 2.7 | 0.5 אֶל 0.8 | 2.0 |
| 6.3 | 7.7±0.3 | 6.6 | 6.6 | 2.7 | 0.5 אֶל 0.8 | 2.0 |
| 8 | 10±0.5 | 8.4 | 8.4 | 3.0 | 0.7 אֶל 1.1 | 3.1 |
| 10 | 10±0.5 | 10.4 | 10.4 | 3.3 | 0.7 אֶל 1.1 | 4.7 |
דוגמה מספר חלק
קוּפסָה 100 מ 1ה TR 050 057
תכונות
◆105 מעלות צלזיוס, 3000 שעות מובטחות.
◆ תואם RoHS













