קבלים של סרטי פוליפרופילן מתכתים |DF נמוך| CDBC
CDBC series are constructed with metalized polypropylene film dielectric, ציפוי אפוקסי מעכב בעירה עופרת נחושת. חסימה מתאימה, עַל יְדֵי- לַעֲבוֹר, מַצְמֵד, ניתוק, סִנוּן, תִזמוּן, כִּונוּן, פיצוי טמפרטורה ואידיאלי לשימוש בנטלים, החלפת ספקי כוח, ציוד תקשורת, מכשירים תעשייתיים, מערכות בקרה אוטומטיות וציוד אלקטרוני כללי אחר.
תכונות
◆ Low dissipation factor at high frequency
◆ High capacitance and dissipation factor stability
◆ Non-inductive construction
◆ Self-healing
◆ Flame retardant epoxy resin coating (compliant to UL 94V-0)
מפרט
| פריטים | ביצועים | ||||||
| טווח מתח הפעלה | 100Vdc, 250Vdc, 400Vdc, 630Vdc | ||||||
| טמפרטורה מדורגת | -40 ˚C ~ +85ºC | ||||||
| טמפרטורת קטגוריה עליונה שמיש | +105ºC
(Derating ratio of rated voltage over +85˚C ~ +110º C: 1.5% per ºC of RatedVoltage) |
||||||
| טווח קיבול | 0.01 µF ~ 10 µF | ||||||
| סובלנות קיבולת | +3% (ח), +5% (י), +10% (ק) | ||||||
|
גורם פיזור |
Khz | ג < 0.1 µF | 0.1 < ג < 1.0 µF | 1.0 < ג < 3.0 µF | 3.0 < ג < 5.0 µF | 5.0 < ג < 10 µF | |
| 1 | < 0.10% | ||||||
| 100 | < 0.40% | < 0.70% | < 1.20% | < 1.80% | < 2.80% | ||
|
מסוף התנגדות בידוד למסוף |
טעינת מתח: 100Vdc x 1 דקות (ב-20 מעלות צלזיוס + 5˚C)
> 30,000MΩ for C < 0.33µF > 10,000MΩ x µF for C > 0.33µF |
||||||
| לעמוד במתח | מסוף לטרמינל: (ב-20 מעלות צלזיוס + 5˚C) | ||||||
|
שיפוע דופק מתח מדורג dV/dt (V/µs) |
פְּסִיעָה
VR |
7.5מ"מ | 10מ"מ | 15מ"מ | 22.5מ"מ | 27.5מ"מ | |
| 100Vdc | 130 | 110 | 100 | 70 | 50 | ||
| 250Vdc | 240 | 220 | 200 | 130 | 100 | ||
| 400Vdc | — | 350 | 300 | 200 | 150 | ||
| 630Vdc | — | 420 | 400 | 250 | 180 | ||
RELIABILITY TEST
| פָּרִיט | מִבְחָן שיטות | דרישות |
| Resistance to Soldering Heat IEC 60068-2-20 | אמבט הלחמה: 260ºC + 5ºC Immersion Time: 10שניות + 1שניות | Capacitance Change ІΔ C/C : <1% DF Change Δ tan δ : 0.1% at 1KHz IR: > ערך הגבלה |
| Resistance to Vibration IEC 60068-2-6 | טווח תדרים: 10משרעת הרץ עד 55 הרץ: 1.5מ"מ
מֶשֶׁך: 6 hours |
לא יהיה נזק גלוי, אין מגע לסירוגין,
אין מעגל פתוח או קצר |
| חום לח, Steady State IEC 60068-2-3 | טֶמפֶּרָטוּרָה: 40ºC + 2ºC Relative Humidity: 90% אֶל 95%
מֶשֶׁך: 1,000 hours |
Capacitance Change ІΔC/C І< : 3% DF Change Δ tan δ: 0.1% ב-1KHz IR: > 50% ערך הגבלה |
| Electrical Endurance IEC 60384-17 | טֶמפֶּרָטוּרָה: 85ºC + 2ºC Voltage Applied: 1.25 x VR(זֶרֶם יָשָׁר) מֶשֶׁך: 2,000 hours | Capacitance Change ІΔC/CІ< : 3% DF Change Δ tan δ : 0.1% at 1KHz IR: > 50% ערך הגבלה |
מימדים מקסימליים
| W.V. | 100VDC (2א) | 250VDC (2ה) | 400VDC (2G) | 630VDC (2י) | |||||||||||||||||
| (µF) | קוד | W | ח | ט | פ | ד | W | ח | ט | פ | ד | W | ח | ט | פ | ד | W | ח | ט | פ | ד |
| 0.010 | 103 | 10.5 | 7.5 | 4.0 | 7.5 | 0.6 | 10.5 | 9.0 | 5.5 | 7.5 | 0.6 | ||||||||||
| 0.012 | 123 | 10.5 | 8.5 | 4.0 | 7.5 | 0.6 | 10.5 | 9.5 | 6.0 | 7.5 | 0.6 | ||||||||||
| 0.015 | 153 | 10.5 | 9.0 | 4.5 | 7.5 | 0.6 | 10.5 | 10.5 | 6.0 | 7.5 | 0.6 | ||||||||||
| 0.018 | 183 | 10.5 | 9.5 | 4.5 | 7.5 | 0.6 | 10.5 | 11.0 | 6.5 | 7.5 | 0.6 | ||||||||||
| 0.022 | 223 | 10.5 | 7.5 | 4.0 | 7.5 | 0.6 | 10.5 | 10.0 | 5.0 | 7.5 | 0.6 | 13.0 | 10.0 | 6.0 | 10.0 | 0.6 | |||||
| 0.027 | 273 | 10.5 | 8.0 | 4.0 | 7.5 | 0.6 | 10.5 | 10.5 | 5.5 | 7.5 | 0.6 | 13.0 | 11.0 | 6.5 | 10.0 | 0.6 | |||||
| 0.033 | 333 | 10.5 | 8.5 | 4.5 | 7.5 | 0.6 | 10.5 | 11.0 | 6.0 | 7.5 | 0.6 | 13.0 | 11.5 | 7.0 | 10.0 | 0.6 | |||||
| 0.039 | 393 | 10.5 | 9.0 | 4.5 | 7.5 | 0.6 | 13.0 | 11.0 | 5.5 | 10.0 | 0.6 | 13.0 | 12.0 | 8.0 | 10.0 | 0.6 | |||||
| 0.047 | 473 | 10.5 | 7.5 | 4.0 | 7.5 | 0.6 | 10.5 | 10.0 | 4.5 | 7.5 | 0.6 | 13.0 | 11.0 | 5.5 | 10.0 | 0.6 | 13.0 | 13.0 | 8.0 | 10.0 | 0.6 |
| 0.056 | 563 | 10.5 | 8.0 | 4.0 | 7.5 | 0.6 | 10.5 | 10.5 | 5.0 | 7.5 | 0.6 | 13.0 | 11.5 | 6.0 | 10.0 | 0.6 | 13.0 | 14.0 | 9.0 | 10.0 | 0.6 |
| 0.068 | 683 | 10.5 | 9.0 | 4.5 | 7.5 | 0.6 | 10.5 | 11.0 | 5.5 | 7.5 | 0.6 | 13.0 | 12.5 | 6.5 | 10.0 | 0.6 | 18.0 | 12.5 | 7.0 | 15.0 | 0.8 |
| 0.082 | 823 | 10.5 | 9.5 | 4.5 | 7.5 | 0.6 | 10.5 | 11.5 | 6.0 | 7.5 | 0.6 | 13.0 | 13.0 | 7.0 | 10.0 | 0.6 | 18.0 | 13.0 | 7.5 | 15.0 | 0.8 |
| 0.10 | 104 | 10.5 | 10.0 | 5.0 | 7.5 | 0.6 | 10.5 | 12.0 | 6.5 | 7.5 | 0.6 | 13.0 | 13.5 | 8.0 | 10.0 | 0.6 | 18.0 | 14.0 | 8.0 | 15.0 | 0.8 |
| 0.12 | 124 | 10.5 | 10.0 | 5.5 | 7.5 | 0.6 | 13.0 | 11.5 | 6.0 | 10.0 | 0.6 | 18.0 | 12.0 | 6.0 | 15.0 | 0.8 | 18.0 | 15.5 | 8.0 | 15.0 | 0.8 |
| 0.15 | 154 | 10.5 | 11.0 | 6.0 | 7.5 | 0.6 | 13.0 | 12.0 | 6.5 | 10.0 | 0.6 | 18.0 | 12.5 | 7.0 | 15.0 | 0.8 | 18.0 | 16.5 | 9.0 | 15.0 | 0.8 |
| 0.18 | 184 | 10.5 | 11.5 | 6.5 | 7.5 | 0.6 | 13.0 | 12.5 | 7.0 | 10.0 | 0.6 | 18.0 | 13.5 | 8.5 | 15.0 | 0.8 | 18.0 | 17.5 | 10.0 | 15.0 | 0.8 |
| 0.22 | 224 | 13.0 | 11.5 | 6.0 | 10.0 | 0.6 | 13.0 | 13.0 | 7.5 | 10.0 | 0.6 | 18.0 | 15.0 | 8.0 | 15.0 | 0.8 | 18.0 | 18.5 | 11.5 | 15.0 | 0.8 |
| 0.27 | 274 | 13.0 | 12.0 | 6.5 | 10.0 | 0.6 | 18.0 | 13.0 | 6.0 | 15.0 | 0.8 | 18.0 | 16.0 | 8.5 | 15.0 | 0.8 | 25.5 | 18.0 | 9.0 | 22.5 | 0.8 |
| 0.33 | 334 | 13.0 | 13.0 | 7.0 | 10.0 | 0.6 | 18.0 | 14.0 | 6.5 | 15.0 | 0.8 | 18.0 | 17.0 | 9.5 | 15.0 | 0.8 | 25.5 | 19.0 | 10.0 | 22.5 | 0.8 |
| 0.39 | 394 | 13.0 | 13.5 | 7.5 | 10.0 | 0.6 | 18.0 | 14.5 | 7.0 | 15.0 | 0.8 | 18.0 | 18.0 | 10.5 | 15.0 | 0.8 | 25.5 | 20.0 | 11.0 | 22.5 | 0.8 |
| 0.47 | 474 | 13.0 | 14.0 | 8.5 | 10.0 | 0.6 | 18.0 | 15.0 | 8.0 | 15.0 | 0.8 | 25.5 | 16.0 | 9.0 | 22.5 | 0.8 | 20.5 | 20.5 | 12.0 | 17.5 | 0.8 |
| 25.5 | 21.0 | 12.0 | 22.5 | 0.8 | |||||||||||||||||
| 0.56 | 564 | 18.0 | 14.0 | 7.0 | 15.0 | 0.8 | 18.0 | 16.0 | 8.5 | 15.0 | 0.8 | 25.5 | 17.0 | 10.0 | 22.5 | 0.8 | 25.5 | 22.5 | 13.5 | 22.5 | 0.8 |
| 0.68 | 684 | 18.0 | 15.0 | 7.5 | 15.0 | 0.8 | 18.0 | 17.0 | 9.5 | 15.0 | 0.8 | 25.5 | 18.0 | 11.0 | 22.5 | 0.8 | 25.5 | 24.0 | 15.0 | 22.5 | 0.8 |
| 0.82 | 824 | 18.0 | 15.5 | 8.0 | 15.0 | 0.8 | 18.0 | 18.5 | 10.0 | 15.0 | 0.8 | 25.5 | 20.0 | 11.0 | 22.5 | 0.8 | 25.5 | 25.5 | 16.5 | 22.5 | 0.8 |
| 1.00 | 105 | 18.0 | 16.5 | 9.0 | 15.0 | 0.8 | 18.0 | 20.0 | 11.0 | 15.0 | 0.8 | 25.5 | 21.5 | 12.5 | 22.5 | 0.8 | 26.0 | 16.5 | 12.0 | 22.5 | 0.8 |
| 31.5 | 25.0 | 16.0 | 27.5 | 0.8 | |||||||||||||||||
| 1.20 | 125 | 18.0 | 17.5 | 10.0 | 15.0 | 0.8 | 25.5 | 18.0 | 9.0 | 22.5 | 0.8 | 25.5 | 23.0 | 14.0 | 22.5 | 0.8 | 31.5 | 27.0 | 18.0 | 27.5 | 0.8 |
| 1.50 | 155 | 18.0 | 18.5 | 11.5 | 15.0 | 0.8 | 25.5 | 19.5 | 10.5 | 22.5 | 0.8 | 25.5 | 24.5 | 15.5 | 22.5 | 0.8 | |||||
| 1.80 | 185 | 25.5 | 18.0 | 9.0 | 22.5 | 0.8 | 25.5 | 20.5 | 11.5 | 22.5 | 0.8 | ||||||||||
| 2.20 | 225 | 25.5 | 19.0 | 10.0 | 22.5 | 0.8 | 25.5 | 22.0 | 13.0 | 22.5 | 0.8 | ||||||||||
| 2.70 | 275 | 25.5 | 20.0 | 11.5 | 22.5 | 0.8 | 25.5 | 23.5 | 14.5 | 22.5 | 0.8 | ||||||||||
| 3.30 | 335 | 25.5 | 24.5 | 15.5 | 22.5 | 0.8 | 25.5 | 25.5 | 16.0 | 22.5 | 0.8 | ||||||||||
דוגמה מספר חלק – BULK
דוגמה מספר חלק – RADIAL TAPED
CAPACITANCE
| µF | 0.01 | 0.047 | 0.1 | 0.47 | 1.0 | 3.3 |
| pF | 10,000 | 47,000 | 100,000 | 470,000 | – | – |
| קוד | 103 | 473 | 104 | 474 | 105 | 335 |
TOLERANCE CODE
| קוד | סוֹבלָנוּת |
| י | + 5% |
| ק | + 10% |
| מ | + 20% |
מתח מדורג
| W.V. | 100 | 250 | 400 | 630 |
| קוד | 2א | 2ה | 2G | 2י |
קוד קלטת (See Diagrams)
| מרווחים | 7.5מ"מ | 10מ"מ | 15מ"מ |
| אֲרִיזָה | A or R | א | א |
| קוד | RT2 | RT3 | RT4 |
LEAD STYLE EXAMPLES
RADIAL LEAD SPACING
* Leadspace is straight lead non-formed original leadspace.
| מ"מ | 7.5 | 10 | 15 | 22.5 | 27.5 |
| קוד | 075 | 100 | 150 | 225 | 275 |
אורך העופרת ממטוס הישיבה (if bulk pack)
| מ"מ | 5 | 10 | 15 | 20 | 25 |
| קוד | 050 | 100 | 150 | 200 | 250 |
PACKAGING
| Meth | oד | תִפזוֹרֶת | תַחְמוֹשֶׁת | סְלִיל |
| קוד | ב | א | ר | |
LEAD STYLE
| קוד | Style |
| ס | Straight |
| ק | Kink-In (Stand Off) |
| ו | Form Out |
| אֲנִי | Form In |
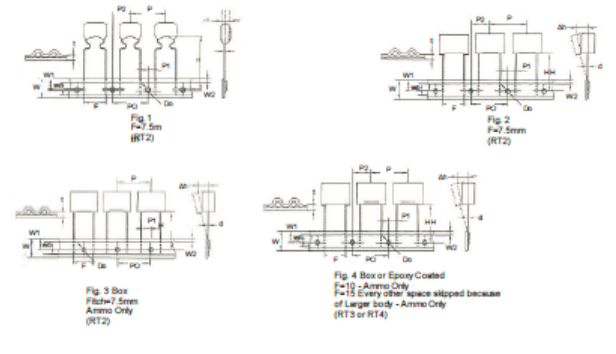
דיאגרמת קוד הקלטת רדיאלית
מפרט
| תֵאוּר |
מִכְתָב |
מֵמַד (מ"מ) |
תֵאוּר |
מִכְתָב |
מֵמַד (מ"מ) | ||||||||
| RT1 | RT2 | RT3 | RT4 | טול. | RT1 | RT2 | RT3 | RT4 | טול. | ||||
| קוטר חוט עופרת | ד | 0.5 / 0.6 | 0.5 / 0.6 | 0.6 | 0.6 / 0.8 | + 0.05 | Carrier Tape Width | W | 18 | 18 | 18 | 18 | + 1;-0.5 |
| טייפ פיץ' | פ | 12.7 | 12.7 | 12.7 | 25.4 | + 1 | החזק את רוחב הקלטת לחוץ | WO | 6 | 6 | 9 | 10 | מינימום |
| גובה חור הזנה | ת.ז | 12.7 | 12.87 | 12.7 | 12.7 | + 0.2 | מיקום חור | W1 | 9 | 9 | 9 | 9 | + 0.5 |
| מרכוז של חוט העופרת | P1 | 3.85 | 2.6 / 3.75 | 7.7 | 5.2 | + 0.7 | החזק את עמדת הקלטת | W2 | 3 | 3 | 3 | 3 | מקס |
| ריכוז הגוף | P2 | 6.35 | 6.35 | 12.7 | 12.7 | + 1.3 | קוטר חור הזנה | לַעֲשׂוֹת | 4 | 4 | 4 | 4 | + 0.2 |
| מרווח עופרת (פְּסִיעָה) | ו | 5 | 7.5 | 10 | 15 | + 0.6;-0.1 | עובי סרט | ט | 0.7 | 0.7 | 0.7 | 0.07 | + 0.2 |
| Component Alignment | ∆h | 0 | 0 | 0 | 0 | + 2 | דְמוּת | תְאֵנָה | 1 אוֹ 2 | 1.2 אוֹ 3 | 4 | 4 | |
| גובה הרכיב מ-Tape Center | ח | 18.5 | 18.5 | 18.5 | 18.5 | + 0.5 | |||||||
הֶעָרָה: *הקצבה של גובה צבר מצטבר פחות מ-1 מ"מ בסכום של 20 מגרשים.
*רכיב ריק רציף פחות מ 3 חתיכות עוקבות.
*סך הכל ריק על סליל אחד פחות מ 1%.
מָבוֹא
CDBC series are constructed with metalized polypropylene film dielectric, ציפוי אפוקסי מעכב בעירה עופרת נחושת. חסימה מתאימה, עַל יְדֵי- לַעֲבוֹר, מַצְמֵד, ניתוק, סִנוּן, תִזמוּן, כִּונוּן, פיצוי טמפרטורה ואידיאלי לשימוש בנטלים, החלפת ספקי כוח, ציוד תקשורת, מכשירים תעשייתיים, מערכות בקרה אוטומטיות וציוד אלקטרוני כללי אחר.













