Aluminijasti elektrolitski kondenzatorji SMD ▏105℃ 2000 ur ▏Nizek ESR ▏CAHA
Lastnosti
105° C., 2000 Zagotovljene ure
Nizka impedanca
Zamenja serijo RVHS
Skladno z RoHS
105° C., 2000 Zagotovljene ure
Nizka impedanca
Zamenja serijo RVHS
Skladno z RoHS
SPECIFIKACIJE
| Postavka | Učinkovitost | |||||||||
| Delovna temp. Razpon | -55°C ~ + 105° C. | |||||||||
| Toleranca kapacitivnosti | ± 20% (120Hz, 20° C.) | |||||||||
| Puščanje toka (pri 20•C) | I=0,01CV ali 3µA (kar je večje) po 2 minut, kjer je C=nazivna kapacitivnost v µF V=nazivni enosmerni delovni volti | |||||||||
| Faktor disipacije
Tanδ pri 120 Hz, 20° C. |
Nazivna napetost | 6.3 | 10 | 16 | 25 | 35 | ||||
| Tanδ (maks) | 0.30 | 0.26 | 0.22 | 0.16 | 0.13 | |||||
| Nazivna napetost | 6.3 | 10 | 16 | 25 | 35 | |||||
| Nizka temperatura
Značilnosti (pri 120Hz) |
Razmerje impedance |
Z(-25° C.) /Z(+20° C.) | 4 | 3 | 2 | 2 | 2 | |||
| Z(-40° C.) /Z(+20° C.) | 8 | 5 | 4 | 3 | 3 | |||||
|
Življenjski test |
Testni čas |
Obremenitev Rok trajanja | ||||||||
| 2000 ure | 1000 ure | |||||||||
| Sprememba kapacitivnosti | Znotraj ±20 % začetne vrednosti | Znotraj ± 20% začetne vrednosti | ||||||||
| Faktor disipacije | Manj kot 200% določene vrednosti | Manj kot 200% določene vrednosti | ||||||||
| Puščanje toka | V okviru določene vrednosti | V okviru določene vrednosti | ||||||||
| Testni pogoji | 20° C. (po zahtevani nazivni napetosti 2000 ure ob
105° C. |
20° C (po skladiščenju za 1000 ure pri 105°C
brez napetosti) |
||||||||
| Ripple Current & Frekvenčni množilniki | VDC(V) Frekv. (Hz) | 50,60 | 120 | 1K | 10K gor | |||||
| 6.3 ~ 35 | 0.64 | 0.8 | 0.93 | 1.0 | ||||||
| Standardi | Zadovoljuje karakteristiko W JIS C 5141 | |||||||||
DIMENZIJA, IMPEDANCA & DOPUSTNI VALOVASTI TOK
Valovit tok mA/rms pri 120 Hz, 105° C.
Impedanca : pri 100K Hz, 20ºC
| VDC
μF Vsebina |
6.3V (0J) | 10V (1A) | 16V (1C) | 25V (1E) | 35V (1V) | |||||||||||
| φD x L Imp. mA | φD x L Imp. mA | φD x L Imp. mA | φD x L Imp. mA | φD x L Imp. mA | ||||||||||||
| 47 | 470 | 8 x 10 | 0.45 | 369 | ||||||||||||
| 100 | 101 | 8 x 10 | 0.45 | 369 | 10 x 10 | 0.25 | 553 | |||||||||
| 150 | 151 | 8 x 10 | 0.45 | 369 | ||||||||||||
|
220 |
221 |
8 x 10 |
0.45 |
369 |
10 x 10 | 0.25 | 553 | |||||||||
| 8 x 10 | 0.45 | 369 | ||||||||||||||
|
330 |
331 |
8 x 10 |
0.45 |
369 |
553 | 10 x 10 | 0.25 | 553 | ||||||||
| 8 x 10 | 0.45 | 369 | ||||||||||||||
| 470 | 471 |
8 x 10 |
0.45 |
369 |
10 x 10 | 0.25 | 553 | 8 x 10 | 0.45 | 369 | ||||||
| 8 x 10 | 0.45 | 369 | ||||||||||||||
| 820 | 821 | 10 x 10 | 0.25 | 553 | ||||||||||||
| 1000 | 102 | 10 x 10 | 0.25 | 553 | ||||||||||||
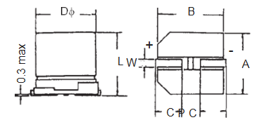
RAZMAK BLAZIN IN PREMER
| φD±0,5 | L | A±0,2 | B±0,2 | C±0,2 | W | P±0,2 |
| 8 | 10±0,5 | 8.4 | 8.4 | 3.0 | 0.7 do 1.1 | 3.1 |
| 10 | 10±0,5 | 10.4 | 10.4 | 3.3 | 0.7 do 1.1 | 4.7 |
PRIMER ŠTEVILKE DELA
KDAJ 470 M 1VTR 080100
Lastnosti
◆ 105°C, 2000 Zagotovljene ure
◆ Nizka impedanca
◆ Skladno z RoHS















