Visokoenergijski hibridni kondenzatorji Tantalum|CBEF
Ohišje iz tantala, Hermetično zaprto, Cilindrična, Radialni svinec, Heteropolarnost, z vijaki, priročno za pritrditev Mešanica elektrolitskega tantalovega kondenzatorja in elektrokemičnega kondenzatorja, Majhna velikost, Super kapacitivnost
Stabilne električne zmogljivosti, Visoka zanesljivost, Dolga življenjska doba, Največja gostota kapacitivnosti in energije, Nazivna kapacitivnost je višja od serije CBEF
Vgrajen kot baterija v tokokrogu s pretvorbo energije & Močnostno impulzno vezje, delovalo kot filtriranje, shranjevanje energije, vezje s časovnim zamikom.
SPECIFIKACIJE
Delovna temperatura:-55℃ do +125 ℃ (do +125 ℃, z ocenjeno
Temperatura shranjevanja:-62℃ ~ +130 ℃
Toleranca kapacitivnosti:Q: (-10%~+30 %), K: (± 10%), M: (±20 %)
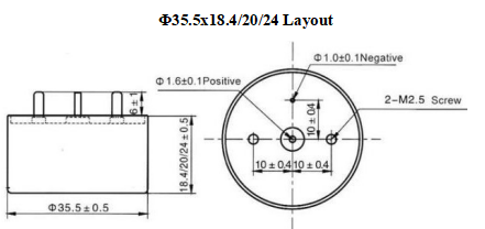
Dimenzije (enota: mm)
PRIMER ŠTEVILKE DELA
Opomba
1.Prosimo, da med merilnimi postopki ne uporabljate multimetra (lahko povzroči nepopravljivo škodo in povzroči zavrženje).
2.Kapacitivnost in DF, izmerjena pri 100 Hz, U_=2,200 V, U =1,00- V preskus se uporablja samo v serijskem enakovrednem vezju.
3.Znižanje napetosti se uporabi pri +125 ℃. (Nato je treba prebrati parameter DCL 5 minutah, ko je priključen na tokokrog).
4.Posebna velikost in povpraševanje se lahko posvetuje z nami.
Značilnosti in uporaba
◆Ohišje iz tantala, Hermetično zaprto, Cilindrična, Radialni svinec, Heteropolarnost, z vijaki, priročno popraviti
◆ Mešanica elektrolitskega tantalovega kondenzatorja in elektrokemičnega kondenzatorja, Majhna velikost, Super kapacitivnost
◆Stabilne električne zmogljivosti, Visoka zanesljivost, Dolga življenjska doba, Maximum in the Density of Capacitance andEnergy, Nazivna kapacitivnost je višja od serije CBEF
◆Vgrajena kot baterija v vezju za spreminjanje energije & Močnostno impulzno vezje, delovalo kot filtriranje, shranjevanje energije,vezje s časovnim zamikom.













