Visokoenergijski hibridni kondenzatorji Tantalum|CBEA
Ohišje iz tantala, Hermetično zaprto, Cilindrična, Radialni svinec, Heteropolarnost
Mešanica elektrolitskega tantalovega kondenzatorja in elektrokemičnega kondenzatorja, Majhna velikost, Super kapacitivnost.
Stabilne električne zmogljivosti, Visoka zanesljivost, Dolga življenjska doba, Največja gostota kapacitivnosti in energije, vgrajena kot baterija v vezju s pretvorbo energije & Močnostno impulzno vezje, delovalo kot filtriranje, shranjevanje energije, vezje s časovnim zamikom.
SPECIFIKACIJE
Delovna temperatura: -55℃ do +125 ℃ (do +125 ℃, z zmanjšanjem nazivne napetosti)
Temperatura shranjevanja: -62℃ ~ +130 ℃
Toleranca kapacitivnosti:Q: (-10%~+30 %), K: (± 10%), M: (±20 %)
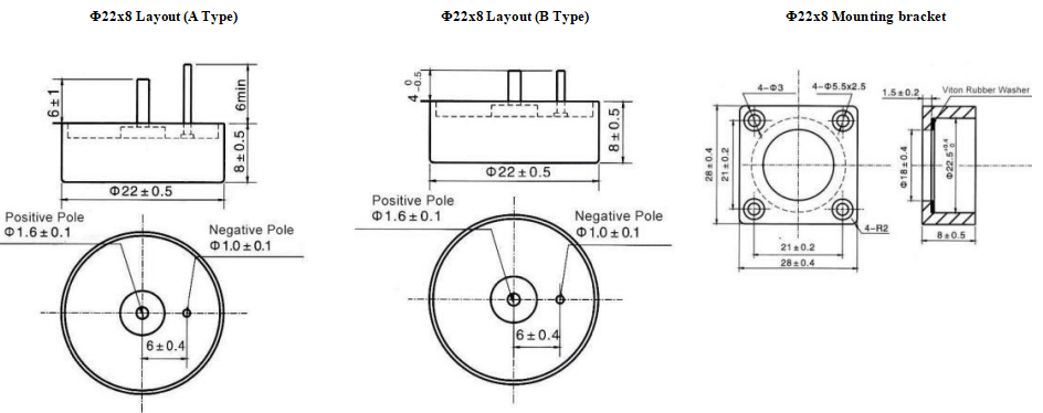
Dimenzije (enota: mm)
Za več posodobljenih podatkov obiščite našo spletno stran, te podatke & specifikacije se lahko spremenijo brez predhodnega obvestila.
PRIMER ŠTEVILKE DELA

Dimenzije (enota: mm)
Dimenzije (enota: mm)
Opomba:
1.Prosimo, da med merilnimi postopki ne uporabljate multimetra (lahko povzroči nepopravljivo škodo in povzroči zavrženje).
2.Kapacitivnost in DF, izmerjena pri 100 Hz, U_=2,200-1,0V, U~=1,00-0,5V Preskus se uporablja samo v serijskem enakovrednem vezju.
3.Znižanje napetosti se uporabi pri +125 ℃. (Nato je treba prebrati parameter DCL 5 minutah, ko je priključen na tokokrog).
4.Posebna velikost in povpraševanje se lahko posvetuje z nami.
Značilnosti in uporaba
◆Ohišje iz tantala, Hermetično zaprto, Cilindrična, Radialni svinec, Heteropolarnost
◆ Mešanica elektrolitskega tantalovega kondenzatorja in elektrokemičnega kondenzatorja, Majhna velikost, Super kapacitivnost.
◆Stabilne električne zmogljivosti, Visoka zanesljivost, Dolga življenjska doba, Največja gostota kapacitivnosti in energije
◆Vgrajena kot baterija v vezju za spreminjanje energije & Močnostno impulzno vezje, delovalo kot filtriranje, shranjevanje energije, vezje s časovnim zamikom















