Metalizirani kondenzator polipropilena |Nizek DF| CDBC
Serije CDBC so izdelane iz metaliziranega polipropilenskega filmskega dielektrika, prevleka iz bakrenega svinca in epoksi smole, ki zavira gorenje. Primerna blokada, avtor- prehod, sklopka, ločevanje, filtriranje, čas, uglaševanje, temperaturno kompenzacijo in idealen za uporabo v predstikalnih napravah, stikalni napajalniki, telekomunikacijska oprema, industrijski instrumenti, avtomatski nadzorni sistemi in druga splošna elektronska oprema.
Lastnosti
◆ Nizek faktor disipacije pri visoki frekvenci
◆ Visoka kapacitivnost in stabilnost faktorja disipacije
◆ Neinduktivna konstrukcija
◆ Samozdravljenje
◆ Prevleka iz epoksi smole, ki zavira gorenje (skladen z UL 94V-0)
SPECIFIKACIJE
| Predmeti | Učinkovitost | ||||||
| Razpon delovne napetosti | 100Vdc, 250Vdc, 400Vdc, 630Vdc | ||||||
| Nazivna temperatura | -40 ˚C ~ +85ºC | ||||||
| Uporabna temperatura višje kategorije | +105ºC
(Razmerje zmanjšanja nazivne napetosti nad +85˚C ~ +110ºC: 1.5% na ºC nazivne napetosti) |
||||||
| Razpon kapacitivnosti | 0.01 µF ~ 10 µF | ||||||
| Toleranca kapacitivnosti | +3% (H), +5% (J), +10% (K) | ||||||
|
Faktor disipacije |
KHz | C < 0.1 µF | 0.1 < C < 1.0 µF | 1.0 < C < 3.0 µF | 3.0 < C < 5.0 µF | 5.0 < C < 10 µF | |
| 1 | < 0.10% | ||||||
| 100 | < 0.40% | < 0.70% | < 1.20% | < 1.80% | < 2.80% | ||
|
Izolacijska upornost Priključek do priključka |
Napetostni naboj: 100Vdc x 1 min (pri 20˚C + 5˚C)
> 30,000MΩ za C < 0.33µF > 10,000MΩ x µF za C > 0.33µF |
||||||
| Prenosna napetost | Od terminala do terminala: (pri 20˚C + 5˚C) | ||||||
|
Nagib impulza nazivne napetosti dV/dt (V/µs) |
Pitch
VR |
7.5mm | 10mm | 15mm | 22.5mm | 27.5mm | |
| 100Vdc | 130 | 110 | 100 | 70 | 50 | ||
| 250Vdc | 240 | 220 | 200 | 130 | 100 | ||
| 400Vdc | — | 350 | 300 | 200 | 150 | ||
| 630Vdc | — | 420 | 400 | 250 | 180 | ||
TEST ZANESLJIVOSTI
| Postavka | Test Metode | Zahteve |
| Odpornost na vročino spajkanja IEC 60068-2-20 | Spajkalna kopel: 260ºC + 5ºC Čas potopitve: 10sek + 1sek | Sprememba kapacitivnosti ІΔ C/C : <1% DF Sprememba Δ tan d : 0.1% pri 1KHz IR: > mejna vrednost |
| Odpornost na vibracije IEC 60068-2-6 | Frekvenčno območje: 10Amplituda od Hz do 55 Hz: 1.5mm
Trajanje: 6 ure |
Ne sme biti nobenih vidnih poškodb, Brez občasnega stika,
Ni odprtega ali kratkega stika |
| Vlažna vročina, Stabilno stanje IEC 60068-2-3 | Temperatura: 40ºC + 2ºC Relativna vlažnost: 90% do 95%
Trajanje: 1,000 ure |
Sprememba kapacitivnosti ІΔC/C І< : 3% DF Sprememba Δ tan d: 0.1% pri 1KHz IR: > 50% mejna vrednost |
| Električna vzdržljivost IEC 60384-17 | Temperatura: 85ºC + 2ºC Uporabljena napetost: 1.25 x Vr(DC) Trajanje: 2,000 ure | Sprememba kapacitivnosti ІΔC/CІ< : 3% DF Sprememba Δ tan d : 0.1% pri 1KHz IR: > 50% mejna vrednost |
MAKSIMALNE DIMENZIJE
| W.V. | 100VDC (2A) | 250VDC (2E) | 400VDC (2G) | 630VDC (2J) | |||||||||||||||||
| (µF) | Koda | W | H | T | Str | d | W | H | T | Str | d | W | H | T | Str | d | W | H | T | Str | d |
| 0.010 | 103 | 10.5 | 7.5 | 4.0 | 7.5 | 0.6 | 10.5 | 9.0 | 5.5 | 7.5 | 0.6 | ||||||||||
| 0.012 | 123 | 10.5 | 8.5 | 4.0 | 7.5 | 0.6 | 10.5 | 9.5 | 6.0 | 7.5 | 0.6 | ||||||||||
| 0.015 | 153 | 10.5 | 9.0 | 4.5 | 7.5 | 0.6 | 10.5 | 10.5 | 6.0 | 7.5 | 0.6 | ||||||||||
| 0.018 | 183 | 10.5 | 9.5 | 4.5 | 7.5 | 0.6 | 10.5 | 11.0 | 6.5 | 7.5 | 0.6 | ||||||||||
| 0.022 | 223 | 10.5 | 7.5 | 4.0 | 7.5 | 0.6 | 10.5 | 10.0 | 5.0 | 7.5 | 0.6 | 13.0 | 10.0 | 6.0 | 10.0 | 0.6 | |||||
| 0.027 | 273 | 10.5 | 8.0 | 4.0 | 7.5 | 0.6 | 10.5 | 10.5 | 5.5 | 7.5 | 0.6 | 13.0 | 11.0 | 6.5 | 10.0 | 0.6 | |||||
| 0.033 | 333 | 10.5 | 8.5 | 4.5 | 7.5 | 0.6 | 10.5 | 11.0 | 6.0 | 7.5 | 0.6 | 13.0 | 11.5 | 7.0 | 10.0 | 0.6 | |||||
| 0.039 | 393 | 10.5 | 9.0 | 4.5 | 7.5 | 0.6 | 13.0 | 11.0 | 5.5 | 10.0 | 0.6 | 13.0 | 12.0 | 8.0 | 10.0 | 0.6 | |||||
| 0.047 | 473 | 10.5 | 7.5 | 4.0 | 7.5 | 0.6 | 10.5 | 10.0 | 4.5 | 7.5 | 0.6 | 13.0 | 11.0 | 5.5 | 10.0 | 0.6 | 13.0 | 13.0 | 8.0 | 10.0 | 0.6 |
| 0.056 | 563 | 10.5 | 8.0 | 4.0 | 7.5 | 0.6 | 10.5 | 10.5 | 5.0 | 7.5 | 0.6 | 13.0 | 11.5 | 6.0 | 10.0 | 0.6 | 13.0 | 14.0 | 9.0 | 10.0 | 0.6 |
| 0.068 | 683 | 10.5 | 9.0 | 4.5 | 7.5 | 0.6 | 10.5 | 11.0 | 5.5 | 7.5 | 0.6 | 13.0 | 12.5 | 6.5 | 10.0 | 0.6 | 18.0 | 12.5 | 7.0 | 15.0 | 0.8 |
| 0.082 | 823 | 10.5 | 9.5 | 4.5 | 7.5 | 0.6 | 10.5 | 11.5 | 6.0 | 7.5 | 0.6 | 13.0 | 13.0 | 7.0 | 10.0 | 0.6 | 18.0 | 13.0 | 7.5 | 15.0 | 0.8 |
| 0.10 | 104 | 10.5 | 10.0 | 5.0 | 7.5 | 0.6 | 10.5 | 12.0 | 6.5 | 7.5 | 0.6 | 13.0 | 13.5 | 8.0 | 10.0 | 0.6 | 18.0 | 14.0 | 8.0 | 15.0 | 0.8 |
| 0.12 | 124 | 10.5 | 10.0 | 5.5 | 7.5 | 0.6 | 13.0 | 11.5 | 6.0 | 10.0 | 0.6 | 18.0 | 12.0 | 6.0 | 15.0 | 0.8 | 18.0 | 15.5 | 8.0 | 15.0 | 0.8 |
| 0.15 | 154 | 10.5 | 11.0 | 6.0 | 7.5 | 0.6 | 13.0 | 12.0 | 6.5 | 10.0 | 0.6 | 18.0 | 12.5 | 7.0 | 15.0 | 0.8 | 18.0 | 16.5 | 9.0 | 15.0 | 0.8 |
| 0.18 | 184 | 10.5 | 11.5 | 6.5 | 7.5 | 0.6 | 13.0 | 12.5 | 7.0 | 10.0 | 0.6 | 18.0 | 13.5 | 8.5 | 15.0 | 0.8 | 18.0 | 17.5 | 10.0 | 15.0 | 0.8 |
| 0.22 | 224 | 13.0 | 11.5 | 6.0 | 10.0 | 0.6 | 13.0 | 13.0 | 7.5 | 10.0 | 0.6 | 18.0 | 15.0 | 8.0 | 15.0 | 0.8 | 18.0 | 18.5 | 11.5 | 15.0 | 0.8 |
| 0.27 | 274 | 13.0 | 12.0 | 6.5 | 10.0 | 0.6 | 18.0 | 13.0 | 6.0 | 15.0 | 0.8 | 18.0 | 16.0 | 8.5 | 15.0 | 0.8 | 25.5 | 18.0 | 9.0 | 22.5 | 0.8 |
| 0.33 | 334 | 13.0 | 13.0 | 7.0 | 10.0 | 0.6 | 18.0 | 14.0 | 6.5 | 15.0 | 0.8 | 18.0 | 17.0 | 9.5 | 15.0 | 0.8 | 25.5 | 19.0 | 10.0 | 22.5 | 0.8 |
| 0.39 | 394 | 13.0 | 13.5 | 7.5 | 10.0 | 0.6 | 18.0 | 14.5 | 7.0 | 15.0 | 0.8 | 18.0 | 18.0 | 10.5 | 15.0 | 0.8 | 25.5 | 20.0 | 11.0 | 22.5 | 0.8 |
| 0.47 | 474 | 13.0 | 14.0 | 8.5 | 10.0 | 0.6 | 18.0 | 15.0 | 8.0 | 15.0 | 0.8 | 25.5 | 16.0 | 9.0 | 22.5 | 0.8 | 20.5 | 20.5 | 12.0 | 17.5 | 0.8 |
| 25.5 | 21.0 | 12.0 | 22.5 | 0.8 | |||||||||||||||||
| 0.56 | 564 | 18.0 | 14.0 | 7.0 | 15.0 | 0.8 | 18.0 | 16.0 | 8.5 | 15.0 | 0.8 | 25.5 | 17.0 | 10.0 | 22.5 | 0.8 | 25.5 | 22.5 | 13.5 | 22.5 | 0.8 |
| 0.68 | 684 | 18.0 | 15.0 | 7.5 | 15.0 | 0.8 | 18.0 | 17.0 | 9.5 | 15.0 | 0.8 | 25.5 | 18.0 | 11.0 | 22.5 | 0.8 | 25.5 | 24.0 | 15.0 | 22.5 | 0.8 |
| 0.82 | 824 | 18.0 | 15.5 | 8.0 | 15.0 | 0.8 | 18.0 | 18.5 | 10.0 | 15.0 | 0.8 | 25.5 | 20.0 | 11.0 | 22.5 | 0.8 | 25.5 | 25.5 | 16.5 | 22.5 | 0.8 |
| 1.00 | 105 | 18.0 | 16.5 | 9.0 | 15.0 | 0.8 | 18.0 | 20.0 | 11.0 | 15.0 | 0.8 | 25.5 | 21.5 | 12.5 | 22.5 | 0.8 | 26.0 | 16.5 | 12.0 | 22.5 | 0.8 |
| 31.5 | 25.0 | 16.0 | 27.5 | 0.8 | |||||||||||||||||
| 1.20 | 125 | 18.0 | 17.5 | 10.0 | 15.0 | 0.8 | 25.5 | 18.0 | 9.0 | 22.5 | 0.8 | 25.5 | 23.0 | 14.0 | 22.5 | 0.8 | 31.5 | 27.0 | 18.0 | 27.5 | 0.8 |
| 1.50 | 155 | 18.0 | 18.5 | 11.5 | 15.0 | 0.8 | 25.5 | 19.5 | 10.5 | 22.5 | 0.8 | 25.5 | 24.5 | 15.5 | 22.5 | 0.8 | |||||
| 1.80 | 185 | 25.5 | 18.0 | 9.0 | 22.5 | 0.8 | 25.5 | 20.5 | 11.5 | 22.5 | 0.8 | ||||||||||
| 2.20 | 225 | 25.5 | 19.0 | 10.0 | 22.5 | 0.8 | 25.5 | 22.0 | 13.0 | 22.5 | 0.8 | ||||||||||
| 2.70 | 275 | 25.5 | 20.0 | 11.5 | 22.5 | 0.8 | 25.5 | 23.5 | 14.5 | 22.5 | 0.8 | ||||||||||
| 3.30 | 335 | 25.5 | 24.5 | 15.5 | 22.5 | 0.8 | 25.5 | 25.5 | 16.0 | 22.5 | 0.8 | ||||||||||
PRIMER ŠTEVILKE DELA – RAZSUTO
PRIMER ŠTEVILKE DELA – RADIALNO POSLEPENO
KAPACITETA
| µF | 0.01 | 0.047 | 0.1 | 0.47 | 1.0 | 3.3 |
| pF | 10,000 | 47,000 | 100,000 | 470,000 | – | – |
| Koda | 103 | 473 | 104 | 474 | 105 | 335 |
KODA TOLERANCE
| Koda | Strpnost |
| J | + 5% |
| K | + 10% |
| M | + 20% |
NAZIVNA NAPETOST
| W.V. | 100 | 250 | 400 | 630 |
| Koda | 2A | 2E | 2G | 2J |
TAPE CODE (Glej diagrame)
| Razmik | 7.5mm | 10mm | 15mm |
| Pakiranje | A ali R | A | A |
| Koda | RT2 | RT3 | RT4 |
PRIMERI VODILNEGA SLOGA
RADIALNI RAZMAK VODNIKOV
* Leadspace je ravni svinec, neoblikovan izvirni leadspace.
| mm | 7.5 | 10 | 15 | 22.5 | 27.5 |
| Koda | 075 | 100 | 150 | 225 | 275 |
DOLŽINA VODILA OD SEDEŽNE RAVNINE (če je pakirano v razsutem stanju)
| mm | 5 | 10 | 15 | 20 | 25 |
| Koda | 050 | 100 | 150 | 200 | 250 |
EMBALAŽA
| Meth | od | V razsutem stanju | Strelivo | Kolut |
| Koda | B | A | R | |
VODILNI SLOG
| Koda | Slog |
| S | Naravnost |
| K | Kink-In (Stand Off) |
| F | Form Out |
| jaz | Obrazec In |
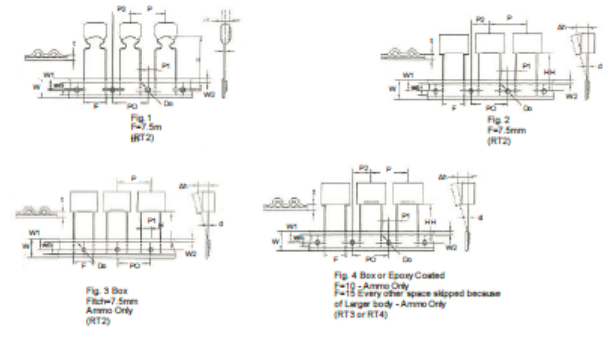
KODNI DIAGRAM RADIALNEGA TRAKA
SPECIFIKACIJE
| Opis |
Pismo |
Dimenzija (mm) |
Opis |
Pismo |
Dimenzija (mm) | ||||||||
| RT1 | RT2 | RT3 | RT4 | Tol. | RT1 | RT2 | RT3 | RT4 | Tol. | ||||
| Premer vodilne žice | d | 0.5 / 0.6 | 0.5 / 0.6 | 0.6 | 0.6 / 0.8 | + 0.05 | Širina nosilnega traku | W | 18 | 18 | 18 | 18 | + 1;-0.5 |
| Tape Pitch | Str | 12.7 | 12.7 | 12.7 | 25.4 | + 1 | Pridržite širino traku | WO | 6 | 6 | 9 | 10 | Min |
| Nagib dovodne luknje | PO | 12.7 | 12.87 | 12.7 | 12.7 | + 0.2 | Položaj luknje | W1 | 9 | 9 | 9 | 9 | + 0.5 |
| Centriranje vodilne žice | P1 | 3.85 | 2.6 / 3.75 | 7.7 | 5.2 | + 0.7 | Pridržite položaj traku | W2 | 3 | 3 | 3 | 3 | maks |
| Centriranje telesa | P2 | 6.35 | 6.35 | 12.7 | 12.7 | + 1.3 | Premer dovodne luknje | naredi | 4 | 4 | 4 | 4 | + 0.2 |
| Razmik med vodili (Pitch) | F | 5 | 7.5 | 10 | 15 | + 0.6;-0.1 | Debelina traku | t | 0.7 | 0.7 | 0.7 | 0.07 | + 0.2 |
| Poravnava komponent | ∆h | 0 | 0 | 0 | 0 | + 2 | Slika | fig | 1 oz 2 | 1.2 oz 3 | 4 | 4 | |
| Višina komponente iz središča traku | H | 18.5 | 18.5 | 18.5 | 18.5 | + 0.5 | |||||||
Opomba: *Dopust akumuliranega koraka manj kot 1 mm pri vsoti 20 igrišča.
*Neprekinjena prazna komponenta manj kot 3 zaporednih kosov.
*Skupno prazno na enem kolutu manj kot 1%.
Uvod
Serije CDBC so izdelane iz metaliziranega polipropilenskega filmskega dielektrika, prevleka iz bakrenega svinca in epoksi smole, ki zavira gorenje. Primerna blokada, avtor- prehod, sklopka, ločevanje, filtriranje, čas, uglaševanje, temperaturno kompenzacijo in idealen za uporabo v predstikalnih napravah, stikalni napajalniki, telekomunikacijska oprema, industrijski instrumenti, avtomatski nadzorni sistemi in druga splošna elektronska oprema.













