Screw Electrolytic Capacitors ▏105℃ 2,000Hrs ▏CAWB
Endurance with ripple current: 105° C., 2,000 jam
Used for air conditioner, general-purpose inverter、power supplies
Rohs patuh
Spesifikasi
| Barang | Pertunjukan | |||||||
| Suhu Operasional. |
-40°C ~+105 °C |
|||||||
| Toleransi kapasitansi | ± 20% (120Hz, 20° C.) | |||||||
| LeakageCurrent (pada 20 ° C.) | I = 0,01cv atau 5 (ma) whichever is smaller (setelah 5 menit)
Di mana, C= nilai kapasitansi dalam F. V = tegangan kerja DC terukur dalam V. |
|||||||
| Dissipation Factor Tan at 120Hz, 20° C. | Tegangan Dinilai | 16 ~ 100 | 160 ~ 450 | |||||
| Tan (Max) | See the case size list | 0.15 | ||||||
| Karakteristik suhu rendah (pada 120Hz) |
Perubahan kapasitansi: C(-25° C.)/ C(+20° C.) 0.7 |
|||||||
|
Load Life Test at 20°C after subjected to DC voltage withrated rippled current applied for 2000 |
Waktu tes | 2000 jam | ||||||
| Perubahan kapasitansi | Dalam ± 20% nilai awal | |||||||
| Faktor Dissipasi | Kurang dari 200% dari nilai yang ditentukan | |||||||
| Arus bocor | Dalam nilai yang ditentukan | |||||||
| Shelf Life Test at 20°C after exposing them for 500 jam pada suhu 105°C tanpa diberi tegangan. Tegangan pengenal harus diterapkan ke kapasitor sebelum pengukuran. (Refer to JIS 5102) | Waktu tes | 500 jam | ||||||
| Perubahan kapasitansi | Dalam ±20% dari nilai awal | |||||||
| Faktor Dissipasi | Kurang dari 200% dari nilai yang ditentukan | |||||||
| Arus bocor | Dalam nilai yang ditentukan | |||||||
| Arus riak & Pengganda frekuensi | Frekuensi (Hz) | 50 / 60 | 120 | 300 | 1K | 10K up | ||
| Pengali | 0.8. | 1.0 | 1.1 | 1.3 | 1.4 | |||
| Arus riak & Pengganda Suhu | Suhu (° C.) | 40 | 55 | 70 | 85 | 105 | ||
| Pengali < 250V | 4.9 | 3.9 | 3.0 | 1.8 | 1.0 | |||
| Pengali > 350V | 3.8 | 3.3 | 2.5 | 2.0 | 1.0 | |||
| Standar | Memuaskan karakteristik dengan jis c 5101-4 | |||||||
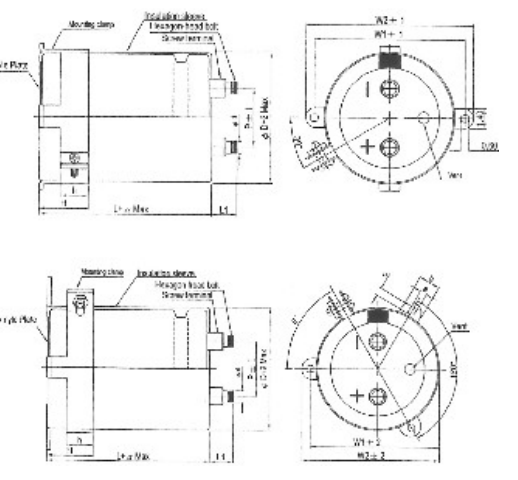
UKURAN
| D | P | L1 | W1 | W2 | H | H | |
| 35 | 12.7 | 2 | 10.0 | 48 | 58 | 15.0 | 10.0 |
Spesifikasi Sekrup:
Ditambah sekrup berkepala segi enam: M5x 0.8 X 10 Max. torsi pengencangan sekrup: 3.23Nm
| D | P | L1 | W1 | W2 | H | H | A | B | C | ||
| 51 | 22.0 | 2 | 10 | 61.0 | 65.5 | 21.5 | 15.0 | 7.0 | 12.0 | 4.5 | 60 |
| 64 | 28.6 | 2 | 10 | 72.5 | 78.0 | 25.0 | 20.0 | 7.0 | 14.0 | 4.5 | 60 |
| 77 | 32.0 | 2 | 10 | 85.5 | 91.0 | 35.0 | 20.0 | 8.0 | 16.0 | 4.5 | 60 |
| 90 | 32.0 | 2 | 10 | 101 | 106 | 34.5 | 20.0 | 8.0 | 16.0 | 5.0 | 60 |
Contoh nomor bagian
DIMENSI & Arus riak yang diizinkan
Dimensi: jD x L (mm) Tand: 120Hz, 20° C.
Arus riak: A/rms at 120Hz, 105° C.
| V.DC | 16V (1C) | 25V (1E) | 35V (1V) | 50V (1H) | ||||||||||||
| Barang
uF |
Kode Ukuran |
D x l |
Tan |
Arus riak | Kode Ukuran |
D x l |
Tan |
Arus riak | Kode Ukuran |
D x l |
Tan |
Arus riak | Kode Ukuran |
D x l |
Tan |
Arus riak |
| 3,900 | A053 | 35×53 | 0.25 | 2.8 | ||||||||||||
| 4,700 | A053 | 35×53 | 0.25 | 3.1 | ||||||||||||
| 5,600 | A053 | 35×53 | 0.25 | 3.3 | ||||||||||||
| 6,800 | A053 | 35×53 | 0.25 | 3.3 | ||||||||||||
| 8,200 | A053 | 35×53 | 0.30 | 3.3 | A065 | 35×65 | 0.25 | 3.8 | ||||||||
| 10,000 | A053 | 35×53 | 0.30 | 3.6 | A083 | 35×83 | 0.25 | 4.6 | ||||||||
| 12,000 | A053 | 35×53 | 0.35 | 3.7 | A065 | 35×65 | 0.30 | 4.2 | A083 | 35×83 | 0.30 | 5.1 | ||||
| 15,000 | A053 | 35×53 | 0.35 | 4.1 | A065 | 35×65 | 0.30 | 4.7 | A083 | 35×83 | 0.30 | 5.7 | ||||
| 18,000 | A053 | 35×53 | 0.40 | 4.2 | A065 | 35×65 | 0.35 | 4.8 | A083 | 35×83 | 0.35 | 5.7 | A100 | 35×100 | 0.35 | 6.7 |
| 22,000 | A053 | 35×53 | 0.40 | 4.7 | A065 | 35×65 | 0.35 | 5.3 | A083 | 35×83 | 0.35 | 6.3 | A121 | 35×121 | 0.35 | 8.1 |
| 27,000 | A053 | 35×53 | 0.40 | 5.5 | A083 | 35×83 | 0.40 | 6.4 | A100 | 35×100 | 0.40 | 7.5 | B075 | 51×75 | 0.40 | 9.1 |
| 33,000 | A065 | 35×65 | 0.45 | 5.7 | A083 | 35×83 | 0.40 | 6.7 | A121 | 35×121 | 0.40 | 9.0 | B100 | 51×100 | 0.40 | 11.1 |
| 39,000 | A065 | 35×65 | 0.50 | 6.8 | A100 | 35×100 | 0.40 | 7.8 | B075 | 51×75 | 0.45 | 9.2 | B121 | 51×121 | 0.40 | 13.1 |
| 47,000 | A083 | 35×83 | 0.50 | 7.1 | A121 | 35×121 | 0.40 | 9.3 | B100 | 51×100 | 0.45 | 11.2 | B121 | 51×121 | 0.40 | 13.9 |
| 56,000 | A100 | 35×100 | 0.55 | 8.4 | B075 | 51×75 | 0.50 | 9.7 | B100 | 51×100 | 0.50 | 11.4 | C100 | 64×100 | 0.45 | 13.9 |
| 68,000 | A121 | 35×121 | 0.60 | 8.8 | B100 | 51×100 | 0.50 | 11.2 | B121 | 51×121 | 0.50 | 13.6 | C121 | 64×121 | 0.45 | 16.6 |
| 82,000 | B083 | 51×83 | 0.60 | 10.7 | B100 | 51×100 | 0.60 | 11.2 | C100 | 64×100 | 0.60 | 14.8 | D121 | 77×121 | 0.50 | 18.9 |
| 100,000 | B083 | 51×83 | 0.70 | 10.8 | B121 | 51×121 | 0.60 | 14.8 | C121 | 64×121 | 0.60 | 17.6 | D121 | 77×121 | 0.50 | 19.5 |
| 120,000 | B100 | 51×100 | 0.70 | 13.1 | C100 | 64×100 | 0.80 | 14.9 | C121 | 64×121 | 0.70 | 17.6 | D121 | 77×121 | 0.50 | 19.5 |
| 150,000 | B121 | 51×121 | 0.80 | 15.3 | C121 | 64×121 | 0.80 | 17.9 | D121 | 77×121 | 0.70 | 19.8 | E130 | 90×130 | 0.50 | 22.5 |
| 180,000 | B121 | 51×121 | 0.90 | 15.7 | C121 | 64×121 | 1.00 | 17.9 | D121 | 77×121 | 0.70 | 19.8 | E157 | 90×157 | 0.50 | 23.9 |
| 220,000 | C121 | 64×121 | 0.90 | 19.2 | D121 | 77×121 | 1.00 | 21.3 | D144 | 77×144 | 0.70 | 23.4 | ||||
| 270,000 | C121 | 64×121 | 1.00 | 19.6 | D121 | 77×121 | 1.00 | 21.7 | E157 | 90×157 | 0.70 | 25.5 | ||||
| 330,000 | D121 | 77×121 | 1.20 | 21.1 | D144 | 77×144 | 1.00 | 23.4 | ||||||||
| 390,000 | D121 | 77×121 | 1.30 | 21.3 | E130 | 90×130 | 1.00 | 24.9 | ||||||||
| 470,000 | D144 | 77×144 | 1.60 | 24.2 | ||||||||||||
| V.DC | 63V (1J) | 80V (1K) | 100V (2A) | 160V (2C) | ||||||||||||
| Barang
uF |
Kode Ukuran |
D x l |
Tan |
Arus riak | Kode Ukuran |
D x l |
Tan |
Arus riak | Kode Ukuran |
D x l |
Tan |
Arus riak | Kode Ukuran |
D x l |
Tan |
Arus riak |
| 560 | A053 | 35×53 | 0.15 | 1.2 | ||||||||||||
| 680 | A053 | 35×53 | 0.15 | 1.3 | ||||||||||||
| 820 | A065 | 35×65 | 0.15 | 1.4 | ||||||||||||
| 1,000 | A083 | 35×83 | 0.15 | 1.8 | ||||||||||||
| 1,200 | A083 | 35×83 | 0.15 | 1.9 | ||||||||||||
| 1,500 | A083 | 35×83 | 0.15 | 2.1 | ||||||||||||
| 1,800 | A053 | 35×53 | 0.15 | 2.7 | A083 | 35×83 | 0.15 | 2.5 | ||||||||
| 2,200 | A053 | 35×53 | 0.15 | 2.4 | A053 | 35×53 | 0.15 | 3.0 | A100 | 35×100 | 0.15 | 2.8 | ||||
| 2,700 | A053 | 35×53 | 0.20 | 2.3 | A053 | 35×53 | 0.15 | 2.7 | A065 | 35×65 | 0.15 | 3.5 | A100 | 35×100 | 0.15 | 3.3 |
| 3,300 | A053 | 35×53 | 0.20 | 2.5 | A053 | 35×53 | 0.15 | 3.0 | A083 | 35×83 | 0.15 | 4.2 | B075 | 51×75 | 0.15 | 3.8 |
| 3,900 | A053 | 35×53 | 0.20 | 2.8 | A065 | 35×65 | 0.15 | 3.4 | A083 | 35×83 | 0.15 | 4.2 | B075 | 51×75 | 0.15 | 3.8 |
| 4,700 | A053 | 35×53 | 0.20 | 3.1 | A065 | 35×65 | 0.15 | 3.7 | A100 | 35×100 | 0.15 | 5.0 | B096 | 51×96 | 0.15 | 4.6 |
| 5,600 | A065 | 35×65 | 0.20 | 3.5 | A083 | 35×83 | 0.20 | 4.5 | A100 | 35×100 | 0.15 | 5.4 | B096 | 51×96 | 0.15 | 5.1 |
| 6,800 | A065 | 35×65 | 0.20 | 3.9 | A083 | 35×83 | 0.20 | 4.9 | A121 | 35×121 | 0.15 | 5.8 | Bab 096 | 64×96 | 0.15 | 6.1 |
| 8,200 | A083 | 35×83 | 0.20 | 4.4 | A100 | 35×100 | 0.20 | 5.1 | B075 | 51×75 | 0.15 | 6.4 | Bab 096 | 64×96 | 0.15 | 7.0 |
| 10,000 | A083 | 35×83 | 0.25 | 4.7 | A121 | 35×121 | 0.20 | 6.1 | B100 | 51×100 | 0.15 | 7.8 | D096 | 77×96 | 0.15 | 8.4 |
| 12,000 | A100 | 35×100 | 0.25 | 5.5 | B075 | 51×75 | 0.25 | 6.7 | B121 | 51×121 | 0.20 | 9.3 | D115 | 77×115 | 0.15 | 9.4 |
| 15,000 | A121 | 35×121 | 0.25 | 6.6 | B100 | 51×100 | 0.25 | 8.3 | B121 | 51×121 | 0.20 | 10.4 | D130 | 77×130 | 0.15 | 11.4 |
| 18,000 | B075 | 51×75 | 0.25 | 7.4 | B121 | 51×121 | 0.25 | 9.9 | C100 | 64×100 | 0.20 | 10.4 | D144 | 77×144 | 0.15 | 13.4 |
| 22,000 | B100 | 51×100 | 0.25 | 9.0 | B121 | 51×121 | 0.25 | 11.0 | C121 | 64×121 | 0.20 | 12.5 | E130 | 90×130 | 0.15 | 14.5 |
| 27,000 | B121 | 51×121 | 0.30 | 10.9 | C100 | 64×100 | 0.30 | 11.4 | D121 | 77×121 | 0.25 | 13.7 | E157 | 90×157 | 0.15 | 16.0 |
| 33,000 | B121 | 51×121 | 0.30 | 12.0 | D100 | 77×100 | 0.30 | 13.9 | D121 | 77×121 | 0.25 | 15.2 | ||||
| 39,000 | C100 | 64×100 | 0.30 | 12.5 | D100 | 77×100 | 0.30 | 13.9 | D144 | 77×144 | 0.25 | 16.1 | ||||
| 47,000 | C121 | 64×121 | 0.30 | 14.9 | D121 | 77×121 | 0.30 | 16.5 | E130 | 90×130 | 0.25 | 19.3 | ||||
| 56,000 | D121 | 77×121 | 0.35 | 16.3 | D121 | 77×121 | 0.30 | 18.1 | E157 | 90×157 | 0.25 | 21.0 | ||||
| 68,000 | D121 | 77×121 | 0.35 | 18.4 | D144 | 77×144 | 0.30 | 19.7 | ||||||||
| 82,000 | D144 | 77×144 | 0.40 | 20.0 | E130 | 90×130 | 0.30 | 22.1 | ||||||||
| 100,000 | D144 | 77×144 | 0.40 | 20.0 | ||||||||||||
| 120,000 | E157 | 90×157 | 0.40 | 21.8 | ||||||||||||
DIMENSI & Arus riak yang diizinkan
Dimensi: jD x L (mm) Tand: 120Hz, 20° C.
Arus riak: A/rms at 120Hz, 105° C.
| V.DC | 200V (2D) | 250V (2E) | 350V (2V) | 400V (2G) | ||||||||||||
| Barang
uF |
Kode Ukuran |
D x l |
Tan |
Riak
Saat ini |
Kode Ukuran |
D x l |
Tan |
Riak
Saat ini |
Kode Ukuran |
D x l |
Tan |
Riak
Saat ini |
Kode Ukuran |
D x l |
Tan |
Riak
Saat ini |
| 180 | A053 | 35×53 | 0.15 | 0.8 | A053 | 35×53 | 0.15 | 0.8 | ||||||||
| 220 | A053 | 35×53 | 0.15 | 0.9 | A053 | 35×53 | 0.15 | 0.9 | ||||||||
| 270 | A053 | 35×53 | 0.15 | 0.8 | A053 | 35×53 | 0.15 | 1.0 | A065 | 35×65 | 0.15 | 1.1 | ||||
| 330 | A053 | 35×53 | 0.15 | 0.9 | A053 | 35×53 | 0.15 | 0.9 | A065 | 35×65 | 0.15 | 1.2 | A065 | 35×65 | 0.15 | 1.2 |
| 390 | A053 | 35×53 | 0.15 | 1.0 | A053 | 35×53 | 0.15 | 1.0 | A065 | 35×65 | 0.15 | 1.3 | A083 | 35×83 | 0.15 | 1.3 |
| 470 | A053 | 35×53 | 0.15 | 1.1 | A053 | 35×53 | 0.15 | 1.1 | A083 | 35×83 | 0.15 | 1.5 | A083 | 35×83 | 0.15 | 1.4 |
| 560 | A053 | 35×53 | 0.15 | 1.2 | A065 | 35×65 | 0.15 | 1.4 | A083 | 35×83 | 0.15 | 1.6 | A100 | 35×100 | 0.15 | 1.6 |
| 680 | A053 | 35×53 | 0.15 | 1.3 | A083 | 35×83 | 0.15 | 1.5 | A100 | 35×100 | 0.15 | 1.7 | A100 | 35×100 | 0.15 | 1.7 |
| 820 | A065 | 35×65 | 0.15 | 1.5 | A083 | 35×83 | 0.15 | 1.6 | A100 | 35×100 | 0.15 | 1.8 | A121 | 35×121 | 0.15 | 2.0 |
| 1,000 | A083 | 35×83 | 0.15 | 1.7 | A100 | 35×100 | 0.15 | 1.8 | B075 | 51×75 | 0.15 | 2.2 | B075 | 51×75 | 0.15 | 2.2 |
| 1,200 | A083 | 35×83 | 0.15 | 1.9 | A100 | 35×100 | 0.15 | 1.9 | B075 | 51×75 | 0.15 | 2.3 | B096 | 51×96 | 0.15 | 2.7 |
| 1,500 | A100 | 35×100 | 0.15 | 2.3 | B075 | 51×75 | 0.15 | 2.3 | B096 | 51×96 | 0.15 | 3.0 | B115 | 51×115 | 0.15 | 3.3 |
| 1,800 | A100 | 35×100 | 0.15 | 2.5 | B075 | 51×75 | 0.15 | 2.5 | B115 | 51×115 | 0.15 | 3.6 | B130 | 51×130 | 0.15 | 3.7 |
| 2,200 | B075 | 51×75 | 0.15 | 3.0 | B096 | 51×96 | 0.15 | 3.0 | B130 | 51×130 | 0.15 | 4.0 | Bab 096 | 64×96 | 0.15 | 4.2 |
| 2,700 | B096 | 51×96 | 0.15 | 3.6 | B115 | 51×115 | 0.15 | 3.5 | Bab 096 | 64×96 | 0.15 | 4.6 | Bab 115 | 64×115 | 0.15 | 4.8 |
| 3,300 | B096 | 51×96 | 0.15 | 4.0 | Bab 096 | 64×96 | 0.15 | 4.2 | Bab 115 | 64×115 | 0.15 | 5.6 | Bab 130 | 64×130 | 0.15 | 5.5 |
| 3,900 | B115 | 51×115 | 0.15 | 4.9 | Bab 096 | 64×96 | 0.15 | 4.6 | Bab 130 | 64×130 | 0.15 | 6.7 | D115 | 77×115 | 0.15 | 6.5 |
| 4,700 | Bab 096 | 64×96 | 0.15 | 5.3 | Bab 115 | 64×115 | 0.15 | 5.7 | D121 | 77×121 | 0.15 | 7.5 | D130 | 77×130 | 0.15 | 7.6 |
| 5,600 | Bab 096 | 64×96 | 0.15 | 5.8 | Bab 130 | 64×130 | 0.15 | 6.3 | D130 | 77×130 | 0.15 | 8.3 | D155 | 77×155 | 0.15 | 9.4 |
| 6,800 | Bab 115 | 64×115 | 0.15 | 6.9 | D115 | 77×115 | 0.15 | 7.7 | D155 | 77×155 | 0.15 | 9.4 | E157 | 90×157 | 0.15 | 10.4 |
| 8,200 | Bab 130 | 64×130 | 0.15 | 7.6 | D130 | 77×130 | 0.15 | 8.4 | E157 | 90×157 | 0.15 | 11.4 | E157 | 90×157 | 0.15 | 11.8 |
| 10,000 | D115 | 77×115 | 0.15 | 9.6 | D155 | 77×155 | 0.15 | 10.0 | ||||||||
| 12,000 | D130 | 77×130 | 0.15 | 10.2 | E140 | 90×140 | 0.15 | 11.9 | ||||||||
| 15,000 | E130 | 90×130 | 0.15 | 12.2 | E157 | 90×157 | 0.15 | 12.5 | ||||||||
| 18,000 | E157 | 90×157 | 0.15 | 13.0 | ||||||||||||
FITUR
◆ Endurance with ripple current:85° C.,2000jam
◆Used for air conditioner, general-purpose inverter、power supplies
◆ Rohs patuh











