Kapasitor tantalum hibrida energi tinggi|CBEC
Kasus Tantalum, Tertutup rapat, Berbentuk silinder, Timah radial, Heteropolaritas, dengan sekrup, nyaman untuk diperbaiki Dicampur dengan Kapasitor Tantalum Elektrolit dan Kapasitor Elektrokimia, Ukuran kecil, Kapasitansi Super
Stabil dalam Pertunjukan Listrik, Keandalan Tinggi, Rentang hidup yang panjang, Maksimum dalam Kepadatan Kapasitansi dan Energi, Kapasitansi Nominal lebih tinggi dari seri CBEF
Terintegrasi sebagai baterai dalam sirkuit konversi energi & Sirkuit berdenyut daya, berfungsi sebagai penyaringan, energi penyimpanan,sirkuit waktu tunda.
Spesifikasi
Suhu Operasional:-55℃ hingga +125℃ (hingga +125℃, dengan diberi peringkat
Suhu Penyimpanan:-62℃ ~ +130℃
Toleransi kapasitansi:Q: (-10%~+30%), K: (±10%), M: (± 20%)
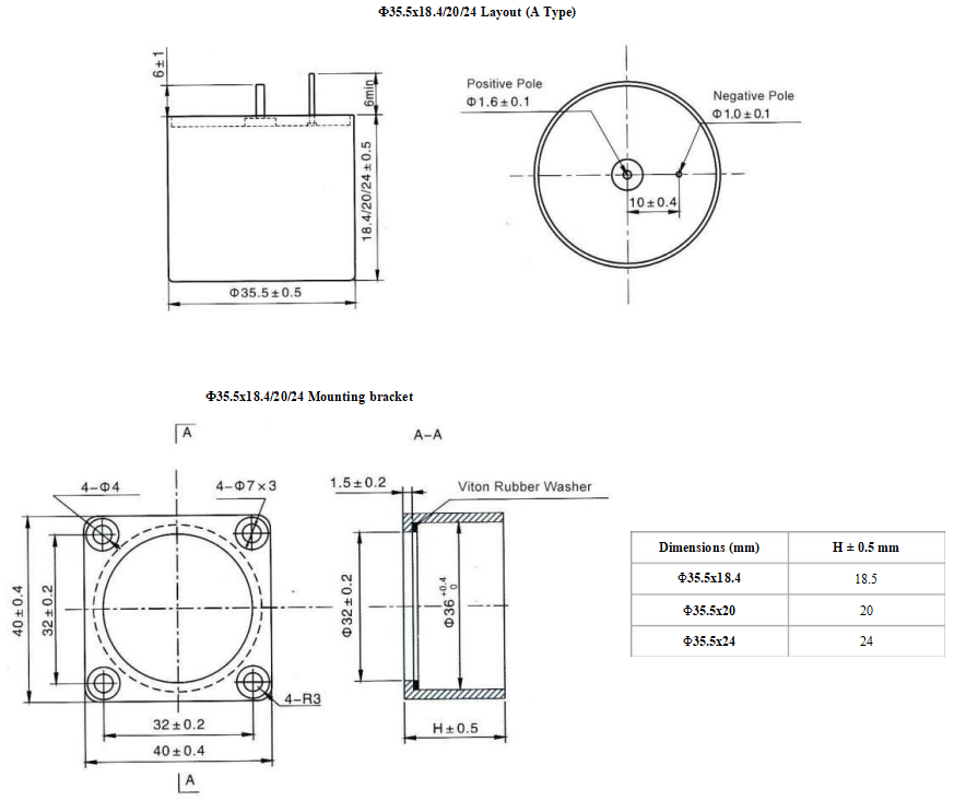
Ukuran (satuan: mm)
Catatan
1.Tolong jangan gunakan multimeter selama prosedur pengukuran (dapat menyebabkan kerusakan permanen dan menyebabkan pembuangan).
2.Kapasitansi dan DF diukur pada 100Hz, U_=2.200V, kamu = 1,00- Uji V hanya diterapkan pada rangkaian ekivalen seri.
3.Penurunan tegangan diterapkan pada +125℃. (Parameter DCL harus dibaca setelahnya 5 menit ketika terhubung ke sirkuit).
4.Ukuran dan permintaan khusus dapat berkonsultasi dengan kami.
Contoh nomor bagian

Karakteristik dan Aplikasi
◆Kasus Tantalum, Tertutup rapat, Berbentuk silinder, Timah radial, Heteropolaritas
◆Dicampur oleh Kapasitor Tantalum Elektrolit dan Kapasitor Elektrokimia, Ukuran kecil, Kapasitansi Super.
◆Stabil dalam Kinerja Listrik, Keandalan Tinggi, Rentang hidup yang panjang, Maksimum dalam Kepadatan Kapasitansi dan Energi
◆ Dibangun sebagai baterai dalam sirkuit konversi energi & Sirkuit berdenyut daya, berfungsi sebagai penyaringan, energi penyimpanan, sirkuit waktu tunda













