Металлдашкан полипропилен фильм |Төмөн DF| CDBC
CDBC сериялары металлдаштырылган полипропилен пленкасы диэлектрик менен курулган, жез коргошун жана отко чыдамдуу эпоксиддик чайыр каптоо. Ылайыктуу бөгөттөө, тарабынан- өтүү, Coupling, DecoUpling, чыпкалоо, убакыт, тюнинг, температуранын ордун толтуруу жана балласттарда колдонуу үчүн идеалдуу, энергия булактарын алмаштыруу, телекоммуникациялык жабдуулар, өнөр жай аспаптары, Автоматтык башкаруу тутумдары жана башка жалпы электрондук жабдыктар.
Өзгөчөлүктөр
◆ Жогорку жыштыкта аз диссипация фактору
◆ Жогорку сыйымдуулук жана диссипация факторунун туруктуулугу
◆ Индуктивдүү эмес курулуш
◆ Өзүн-өзү айыктыруу
◆ Жалынга каршы эпоксиддүү чайыр каптоо (UL 94V ылайыктуу-0)
Мүнөздөмөлөр
| Items | Performance | ||||||
| Иштөө чыңалуу диапазону | 100VDC, 250VDC, 400VDC, 630VDC | ||||||
| Номиналдуу температура | -40 ˚C ~ +85ºC | ||||||
| Колдонууга жарактуу Жогорку Категориядагы Температура | +105ºC
(+85˚C ~ +110º C жогору номиналдык чыңалуунун төмөндөтүү катышы: 1.5% Rated Voltage ºC үчүн) |
||||||
| Кубаттуулук диапазону | 0.01 µF ~ 10 μF | ||||||
| Сыйкырдуулукка толеранттуулук | +3% (Н), +5% (J), +10% (K) | ||||||
|
Диссипация фактору |
KHz | C < 0.1 μF | 0.1 < C < 1.0 μF | 1.0 < C < 3.0 μF | 3.0 < C < 5.0 μF | 5.0 < C < 10 μF | |
| 1 | < 0.10% | ||||||
| 100 | < 0.40% | < 0.70% | < 1.20% | < 1.80% | < 2.80% | ||
|
Изоляцияга каршылык терминалынан терминалга |
Voltage Charge: 100Vdc x 1мин (20˚Cде + 5˚C)
> 30,000C үчүн MΩ < 0.33μF > 10,000C үчүн MΩ x µF > 0.33μF |
||||||
| Чыңалууга туруштук берүү | Терминалдан Терминалга чейин: (20˚Cде + 5˚C) | ||||||
|
Номиналдуу чыңалуу Импульстун жантаюу dV/dt (V/µs) |
Тон
VR |
7.5мм | 10мм | 15мм | 22.5мм | 27.5мм | |
| 100VDC | 130 | 110 | 100 | 70 | 50 | ||
| 250VDC | 240 | 220 | 200 | 130 | 100 | ||
| 400VDC | — | 350 | 300 | 200 | 150 | ||
| 630VDC | — | 420 | 400 | 250 | 180 | ||
ИШЕНИМДҮҮЛҮК ТЕСТ
| пункт | Сыноо Методдор | Талаптар |
| Soldering Heat IEC каршылык 60068-2-20 | Solder Vanna: 260ºC + 5ºC Чөмүлүү убактысы: 10сек + 1сек | Сыйымдуулуктун өзгөрүшү ІΔ C/C : <1% DF Change Δ tan d : 0.1% 1KHz IR: > чектүү маани |
| Vibration IEC каршылык 60068-2-6 | Жыштык диапазону: 10Гцден 55 Гц амплитудасына чейин: 1.5мм
Узактыгы: 6 саат |
Көрүнгөн зыян болбошу керек, Үзгүлтүксүз байланыш жок,
Ачык же кыска туташуу жок |
| Нымдуу жылуулук, Туруктуу абалдагы IEC 60068-2-3 | Температура: 40ºC + 2ºC Салыштырмалуу нымдуулук: 90% чейин 95%
Узактыгы: 1,000 саат |
Сыйымдуулуктун өзгөрүшү ІΔC/C І< : 3% DF Change Δ tan d: 0.1% 1KHz IR: > 50% чектүү маани |
| Электрдик туруктуулук IEC 60384-17 | Температура: 85ºC + 2ºC Колдонулган чыңалуу: 1.25 x VR(DC) Узактыгы: 2,000 саат | Сыйымдуулуктун өзгөрүшү ІΔC/CІ< : 3% DF Change Δ tan d : 0.1% 1KHz IR: > 50% чектүү маани |
Максималдуу өлчөмдөр
| В.В. | 100VDC (2A) | 250VDC (2Д) | 400VDC (2G) | 630VDC (2J) | |||||||||||||||||
| (μF) | Код | W | Н | T | Б | г | W | Н | T | Б | г | W | Н | T | Б | г | W | Н | T | Б | г |
| 0.010 | 103 | 10.5 | 7.5 | 4.0 | 7.5 | 0.6 | 10.5 | 9.0 | 5.5 | 7.5 | 0.6 | ||||||||||
| 0.012 | 123 | 10.5 | 8.5 | 4.0 | 7.5 | 0.6 | 10.5 | 9.5 | 6.0 | 7.5 | 0.6 | ||||||||||
| 0.015 | 153 | 10.5 | 9.0 | 4.5 | 7.5 | 0.6 | 10.5 | 10.5 | 6.0 | 7.5 | 0.6 | ||||||||||
| 0.018 | 183 | 10.5 | 9.5 | 4.5 | 7.5 | 0.6 | 10.5 | 11.0 | 6.5 | 7.5 | 0.6 | ||||||||||
| 0.022 | 223 | 10.5 | 7.5 | 4.0 | 7.5 | 0.6 | 10.5 | 10.0 | 5.0 | 7.5 | 0.6 | 13.0 | 10.0 | 6.0 | 10.0 | 0.6 | |||||
| 0.027 | 273 | 10.5 | 8.0 | 4.0 | 7.5 | 0.6 | 10.5 | 10.5 | 5.5 | 7.5 | 0.6 | 13.0 | 11.0 | 6.5 | 10.0 | 0.6 | |||||
| 0.033 | 333 | 10.5 | 8.5 | 4.5 | 7.5 | 0.6 | 10.5 | 11.0 | 6.0 | 7.5 | 0.6 | 13.0 | 11.5 | 7.0 | 10.0 | 0.6 | |||||
| 0.039 | 393 | 10.5 | 9.0 | 4.5 | 7.5 | 0.6 | 13.0 | 11.0 | 5.5 | 10.0 | 0.6 | 13.0 | 12.0 | 8.0 | 10.0 | 0.6 | |||||
| 0.047 | 473 | 10.5 | 7.5 | 4.0 | 7.5 | 0.6 | 10.5 | 10.0 | 4.5 | 7.5 | 0.6 | 13.0 | 11.0 | 5.5 | 10.0 | 0.6 | 13.0 | 13.0 | 8.0 | 10.0 | 0.6 |
| 0.056 | 563 | 10.5 | 8.0 | 4.0 | 7.5 | 0.6 | 10.5 | 10.5 | 5.0 | 7.5 | 0.6 | 13.0 | 11.5 | 6.0 | 10.0 | 0.6 | 13.0 | 14.0 | 9.0 | 10.0 | 0.6 |
| 0.068 | 683 | 10.5 | 9.0 | 4.5 | 7.5 | 0.6 | 10.5 | 11.0 | 5.5 | 7.5 | 0.6 | 13.0 | 12.5 | 6.5 | 10.0 | 0.6 | 18.0 | 12.5 | 7.0 | 15.0 | 0.8 |
| 0.082 | 823 | 10.5 | 9.5 | 4.5 | 7.5 | 0.6 | 10.5 | 11.5 | 6.0 | 7.5 | 0.6 | 13.0 | 13.0 | 7.0 | 10.0 | 0.6 | 18.0 | 13.0 | 7.5 | 15.0 | 0.8 |
| 0.10 | 104 | 10.5 | 10.0 | 5.0 | 7.5 | 0.6 | 10.5 | 12.0 | 6.5 | 7.5 | 0.6 | 13.0 | 13.5 | 8.0 | 10.0 | 0.6 | 18.0 | 14.0 | 8.0 | 15.0 | 0.8 |
| 0.12 | 124 | 10.5 | 10.0 | 5.5 | 7.5 | 0.6 | 13.0 | 11.5 | 6.0 | 10.0 | 0.6 | 18.0 | 12.0 | 6.0 | 15.0 | 0.8 | 18.0 | 15.5 | 8.0 | 15.0 | 0.8 |
| 0.15 | 154 | 10.5 | 11.0 | 6.0 | 7.5 | 0.6 | 13.0 | 12.0 | 6.5 | 10.0 | 0.6 | 18.0 | 12.5 | 7.0 | 15.0 | 0.8 | 18.0 | 16.5 | 9.0 | 15.0 | 0.8 |
| 0.18 | 184 | 10.5 | 11.5 | 6.5 | 7.5 | 0.6 | 13.0 | 12.5 | 7.0 | 10.0 | 0.6 | 18.0 | 13.5 | 8.5 | 15.0 | 0.8 | 18.0 | 17.5 | 10.0 | 15.0 | 0.8 |
| 0.22 | 224 | 13.0 | 11.5 | 6.0 | 10.0 | 0.6 | 13.0 | 13.0 | 7.5 | 10.0 | 0.6 | 18.0 | 15.0 | 8.0 | 15.0 | 0.8 | 18.0 | 18.5 | 11.5 | 15.0 | 0.8 |
| 0.27 | 274 | 13.0 | 12.0 | 6.5 | 10.0 | 0.6 | 18.0 | 13.0 | 6.0 | 15.0 | 0.8 | 18.0 | 16.0 | 8.5 | 15.0 | 0.8 | 25.5 | 18.0 | 9.0 | 22.5 | 0.8 |
| 0.33 | 334 | 13.0 | 13.0 | 7.0 | 10.0 | 0.6 | 18.0 | 14.0 | 6.5 | 15.0 | 0.8 | 18.0 | 17.0 | 9.5 | 15.0 | 0.8 | 25.5 | 19.0 | 10.0 | 22.5 | 0.8 |
| 0.39 | 394 | 13.0 | 13.5 | 7.5 | 10.0 | 0.6 | 18.0 | 14.5 | 7.0 | 15.0 | 0.8 | 18.0 | 18.0 | 10.5 | 15.0 | 0.8 | 25.5 | 20.0 | 11.0 | 22.5 | 0.8 |
| 0.47 | 474 | 13.0 | 14.0 | 8.5 | 10.0 | 0.6 | 18.0 | 15.0 | 8.0 | 15.0 | 0.8 | 25.5 | 16.0 | 9.0 | 22.5 | 0.8 | 20.5 | 20.5 | 12.0 | 17.5 | 0.8 |
| 25.5 | 21.0 | 12.0 | 22.5 | 0.8 | |||||||||||||||||
| 0.56 | 564 | 18.0 | 14.0 | 7.0 | 15.0 | 0.8 | 18.0 | 16.0 | 8.5 | 15.0 | 0.8 | 25.5 | 17.0 | 10.0 | 22.5 | 0.8 | 25.5 | 22.5 | 13.5 | 22.5 | 0.8 |
| 0.68 | 684 | 18.0 | 15.0 | 7.5 | 15.0 | 0.8 | 18.0 | 17.0 | 9.5 | 15.0 | 0.8 | 25.5 | 18.0 | 11.0 | 22.5 | 0.8 | 25.5 | 24.0 | 15.0 | 22.5 | 0.8 |
| 0.82 | 824 | 18.0 | 15.5 | 8.0 | 15.0 | 0.8 | 18.0 | 18.5 | 10.0 | 15.0 | 0.8 | 25.5 | 20.0 | 11.0 | 22.5 | 0.8 | 25.5 | 25.5 | 16.5 | 22.5 | 0.8 |
| 1.00 | 105 | 18.0 | 16.5 | 9.0 | 15.0 | 0.8 | 18.0 | 20.0 | 11.0 | 15.0 | 0.8 | 25.5 | 21.5 | 12.5 | 22.5 | 0.8 | 26.0 | 16.5 | 12.0 | 22.5 | 0.8 |
| 31.5 | 25.0 | 16.0 | 27.5 | 0.8 | |||||||||||||||||
| 1.20 | 125 | 18.0 | 17.5 | 10.0 | 15.0 | 0.8 | 25.5 | 18.0 | 9.0 | 22.5 | 0.8 | 25.5 | 23.0 | 14.0 | 22.5 | 0.8 | 31.5 | 27.0 | 18.0 | 27.5 | 0.8 |
| 1.50 | 155 | 18.0 | 18.5 | 11.5 | 15.0 | 0.8 | 25.5 | 19.5 | 10.5 | 22.5 | 0.8 | 25.5 | 24.5 | 15.5 | 22.5 | 0.8 | |||||
| 1.80 | 185 | 25.5 | 18.0 | 9.0 | 22.5 | 0.8 | 25.5 | 20.5 | 11.5 | 22.5 | 0.8 | ||||||||||
| 2.20 | 225 | 25.5 | 19.0 | 10.0 | 22.5 | 0.8 | 25.5 | 22.0 | 13.0 | 22.5 | 0.8 | ||||||||||
| 2.70 | 275 | 25.5 | 20.0 | 11.5 | 22.5 | 0.8 | 25.5 | 23.5 | 14.5 | 22.5 | 0.8 | ||||||||||
| 3.30 | 335 | 25.5 | 24.5 | 15.5 | 22.5 | 0.8 | 25.5 | 25.5 | 16.0 | 22.5 | 0.8 | ||||||||||
Бөлүмдүн номери – БУЛК
Бөлүмдүн номери – РАДИАЛ ТАПТАЛГАН
СЫЙЫМДУУЛУК
| μF | 0.01 | 0.047 | 0.1 | 0.47 | 1.0 | 3.3 |
| pf | 10,000 | 47,000 | 100,000 | 470,000 | – | – |
| Код | 103 | 473 | 104 | 474 | 105 | 335 |
ТОлеранттылык коду
| Код | Сабырдуулук |
| J | + 5% |
| K | + 10% |
| М | + 20% |
Бааланган чыңалуу
| В.В. | 100 | 250 | 400 | 630 |
| Код | 2A | 2Д | 2G | 2J |
Тасма кодекси (Диаграммаларды караңыз)
| Аралыкты | 7.5мм | 10мм | 15мм |
| Таңгактоо | A же r | A | A |
| Код | RT2 | RT3 | RT4 |
Коргошун стилиндеги мисалдары
Радиалдык коргошун
* Коргошиканын түздөн-түз түзүлгөн оригиналдуу жол.
| мм | 7.5 | 10 | 15 | 22.5 | 27.5 |
| Код | 075 | 100 | 150 | 225 | 275 |
Ортоп жүрүүчү учактын узундугу (жапырт пакет болсо)
| мм | 5 | 10 | 15 | 20 | 25 |
| Код | 050 | 100 | 150 | 200 | 250 |
Таңгактоо
| Мет | oг | Жапырт | Ammo | Reel |
| Код | Б | A | R | |
Коргошун стили
| Код | Стили |
| S | Түз |
| K | Kink-In (Токто) |
| F | Form Out |
| I | Form In |
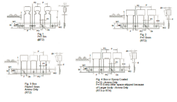
Радиалдык томпок код диаграммасы
Мүнөздөмөлөр
| Сүрөттөө |
Кат |
Өлчөм (мм) |
Сүрөттөө |
Кат |
Өлчөм (мм) | ||||||||
| RT1 | RT2 | RT3 | RT4 | Тол. | RT1 | RT2 | RT3 | RT4 | Тол. | ||||
| Коргошун зым диаметри | г | 0.5 / 0.6 | 0.5 / 0.6 | 0.6 | 0.6 / 0.8 | + 0.05 | Тапшыруучу Тасманын туурасы | W | 18 | 18 | 18 | 18 | + 1;-0.5 |
| Тасма | Б | 12.7 | 12.7 | 12.7 | 25.4 | + 1 | Тасма туурасын кармап туруңуз | Wo | 6 | 6 | 9 | 10 | Мин |
| Feed Hole Pitch | PO | 12.7 | 12.87 | 12.7 | 12.7 | + 0.2 | Тешик абалы | W1 | 9 | 9 | 9 | 9 | + 0.5 |
| Коргошун зымын баяндоо | P1 | 3.85 | 2.6 / 3.75 | 7.7 | 5.2 | + 0.7 | Тасма позициясын кармап туруңуз | W2 | 3 | 3 | 3 | 3 | Макс |
| Денени баяндоо | P2 | 6.35 | 6.35 | 12.7 | 12.7 | + 1.3 | Тешик диаметри | Do | 4 | 4 | 4 | 4 | + 0.2 |
| Коргошун (Тон) | F | 5 | 7.5 | 10 | 15 | + 0.6;-0.1 | Тасма калыңдыгы | t | 0.7 | 0.7 | 0.7 | 0.07 | + 0.2 |
| Компоненттин тегиздөө | ∆h | 0 | 0 | 0 | 0 | + 2 | Сүрөт | сүрөт | 1 же 2 | 1.2 же 3 | 4 | 4 | |
| Тасманын борборунан COMPONETтин бийиктиги | Н | 18.5 | 18.5 | 18.5 | 18.5 | + 0.5 | |||||||
Эскертүү: *Суммасына 1 ммден аз топтолгон туман 20 Pithes.
*Үзгүлтүксүз бош компонент аз 3 ырааттуу бөлүктөр.
*Бир катушка караганда бир аз бош 1%.
Киришүү
CDBC сериялары металлдаштырылган полипропилен пленкасы диэлектрик менен курулган, жез коргошун жана отко чыдамдуу эпоксиддик чайыр каптоо. Ылайыктуу бөгөттөө, тарабынан- өтүү, Coupling, DecoUpling, чыпкалоо, убакыт, тюнинг, температуранын ордун толтуруу жана балласттарда колдонуу үчүн идеалдуу, энергия булактарын алмаштыруу, телекоммуникациялык жабдуулар, өнөр жай аспаптары, Автоматтык башкаруу тутумдары жана башка жалпы электрондук жабдыктар.













