Металлдалган полиэстер фильм |Ultra Mini өлчөмү | CDAD
CDAD Series are constructed specifically for active filtering circuits like those used in power factor correction applications.
Өзгөчөлүктөр
◆ Иштөө температурасы. Диапазон :-40°C~105°C (V R Derates 1.25% °C үчүн 85 °C жогору)
◆ Кубаттоо диапазону:0.1~ 10uf
◆ Сыйкырдык сабырдуулук: J=5% K=10% M=20%
◆ Номиналдуу чыңалуу V R 85°C: 100V 250V 400V 630V
◆ Dissipation Factor: 1% MAX @1KHZ 25℃
Бөлүмдүн номери
Мүнөздөмөлөр
| Items | Performance | ||||
| Operating Voltage Range | 450VDC, 630VDC | ||||
| Номиналдуу температура | -40 °C ~ +85°C | ||||
| Колдонууга жарактуу Жогорку Категориядагы Температура | +110° C
(Derating ratio of rated voltage over +85 °C ~ +110°C: 1.5% Номиналдуу чыңалуудан °C үчүн) |
||||
| Capacitance Range | 0.033 µF ~ 3.3 μF | ||||
| Capacitance Tolerance | +2% (G), +5% (J), +10% (K) | ||||
| Диссипация фактору | 1.0% (макс.) ошол 1KHz 1.6% (макс.) 10KHz | ||||
| Изоляцияга каршылык терминалынан терминалга | Voltage Charge: 100Vdc x 1мин (боюнча 20 °C+5°C)
> 9,000C үчүн MΏ < 0.33μF > 3,000C үчүн MΏ x µF >0.33μF |
||||
|
Чыңалууга туруштук берүү |
Терминалдан Терминалга чейин:(боюнча 20 ° C + 5° C) | ||||
| 1.6 x VR 2 секундга колдонулду. (10мА токту өчүрүү) | |||||
| Чыңалуунун ылдамдыгын жайлатуу: 100V/сек | |||||
| Номиналдуу чыңалуу Импульстун жантаюу dV/dt (V/µs) | Б
VR |
10мм | 15мм | 22.5мм | |
| 450VDC | 110 | 45 | 20 | ||
| 630VDC | 160 | 65 | 30 | ||
АТКАРУУ
| пункт | Сыноо Методдор | Талаптар |
| Resistance to Soldering Heat IEC 60068-2-20″ | Solder Vanna: 260°C+ 5°C Чөмүлүү убактысы: 10сек + 1сек | Capacitance Change |ΔC/C| :<2% DF Change tanδ: 0.5% 1KHz IR: > чектүү маани |
| Resistance to Vibration IEC 60068-2-6″ | Жыштык диапазону: 10Гцден 55 Гц амплитудасына чейин:
1.5м/м Узактыгы: 6 саат |
Көрүнгөн зыян болбошу керек, No Intermittent
Байланыш, Ачык же кыска туташуу жок |
| Нымдуу жылуулук, Steady State IEC 60068-2-3″ | Температура: 40° C + 2°C Салыштырмалуу нымдуулук: 90% чейин 95%
Узактыгы: 1,000 саат |
Capacitance Change |ΔC/C |: <5% DF Change tanδ: 0.5% 1KHz IR: > 50% чектүү маани |
| Electrical Endurance IEC 60384-2″ | Температура: 85° C + 2°C Колдонулган чыңалуу: 1.10 x VR(DC) Узактыгы: 1,000 саат | Capacitance Change |ΔC/C |: <5% DF Change tanδ: 0.5% 1KHz IR: > 50% чектүү маани |
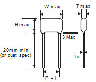
Максималдуу өлчөмдөр (мм)
| Р.В. | 450VDC (2W) | ||||||||||
| Siz
д |
W | Н | T | Б | dΦ | Siz
д |
W | Н | T | Б | dΦ |
| (μF) | (μF) | ||||||||||
| 0.047 | 13.0 | 13 | 5 | 10 | 0.6 |
1.0 |
13 | 19 | 8 | 10 | 0.8 |
| 0.068 | 12.5 | 10 | 5 | 10 | 0.6 | 18.0 | 17 | 7.5 | 15 | 0.8 | |
| 0.1 | 12.5 | 9.5 | 4.5 | 10 | 0.6 | 26.0 | 16 | 7 | 22.5 | 0.8 | |
| 18.0 | 11 | 5 | 15 | 0.8 | 1.2 | 18.0 | 18 | 8 | 15 | 0.8 | |
| 0.15 | 12.5 | 12 | 4.5 | 10 | 0.6 |
1.5 |
13.0 | 21.5 | 9.5 | 10 | 0.8 |
| 0.22 | 12.5 | 12 | 6.5 | 10 | 0.6 | 18.0 | 18.5 | 8.5 | 15 | 0.8 | |
| 18.0 | 11.5 | 6 | 15 | 0.8 | 26.0 | 17.5 | 7 | 22.5 | 0.8 | ||
| 0.33 | 12.5 | 12 | 6 | 10 | 0.6 | 2.2 | 18.0 | 21.5 | 11.5 | 15 | 0.8 |
| 18.0 | 13 | 5 | 15 | 0.8 | 26.0 | 19 | 9 | 22.5 | 0.8 | ||
| 0.47 | 12.5 | 15.5 | 6.5 | 10 | 0.6 | 3.3 | 26.0 | 23.5 | 13 | 22.5 | 0.8 |
| 18.0 | 13 | 5.5 | 15 | 0.8 | |||||||
| 0.68 | 12.5 | 16 | 7.5 | 10 | 0.6 | ||||||
| 18.0 | 15.5 | 5.5 | 15 | 0.8 | |||||||
| Р.В. | 630VDC (2J) | ||||
| Siz e | W | Н | T | Б | dΦ |
| (μF) | |||||
| 0.033 | 12.5 | 10.5 | 4.5 | 10 | 0.6 |
| 0.047 | 12.5 | 13 | 5 | 10 | 0.6 |
| 18.0 | 11 | 5 | 15 | 0.8 | |
| 0.068 | 13.0 | 13 | 6 | 10 | 0.6 |
| 18.0 | 11 | 5 | 15 | 0.8 | |
| 0.1 | 12.5 | 16 | 6 | 10 | 0.6 |
| 18.0 | 11 | 5 | 15 | 0.8 | |
| 0.22 | 18.0 | 13 | 5 | 15 | 0.8 |
| 0.33 | 18.0 | 13 | 5 | 15 | 0.8 |
| 0.47 | 18.0 | 17.5 | 9 | 15 | 0.8 |
| 0.68 | 18.0 | 20.5 | 10.5 | 15 | 0.8 |
| 1.0 | 26.0 | 20.5 | 9.5 | 22.5 | 0.8 |
Бааланган чыңалуу (Vrms) VS. FREQUENCY
МАКС. DC & AC VOLTAGE VS ТЕМПЕРАТУРА
МАКСИМАЛДЫК УКТ, AMPS (Rms)
450VDC / 200Vac
| CAP (μF) | Б | 15.75
KHz |
35
KHz |
45
KHz |
65
KHz |
80
KHz |
100
Khz |
| 0.047 | 10 | 0.18 | 0.20 | 0.21 | 0.23 | 0.24 | 0.25 |
| 0.068 | 10 | 0.20 | 0.22 | 0.23 | 0.24 | 0.25 | 0.26 |
| 0.1 | 10 | 0.36 | 0.46 | 0.50 | 0.56 | 0.60 | 0.64 |
| 15 | 0.15 | 0.17 | 0.19 | 0.20 | 0.21 | 0.22 | |
| 0.15 | 10 | 0.40 | 0.48 | 0.53 | 0.58 | 0.62 | 0.66 |
| 0.22 | 10 | 0.45 | 0.57 | 0.61 | 0.69 | 0.73 | 0.78 |
| 15 | 0.18 | 0.19 | 0.20 | 0.21 | 0.22 | 0.23 | |
| 0.33 | 10 | 0.48 | 0.60 | 0.65 | 0.72 | 0.74 | 0.80 |
| 15 | 0.77 | 0.97 | 1.05 | 1.17 | 1.25 | 1.32 | |
| 0.47 | 10 | 0.50 | 0.70 | 0.80 | 0.90 | 1.00 | 1.10 |
| 15 | 0.67 | 0.88 | 0.99 | 1.06 | 1.17 | 1.31 | |
| 0.68 | 10 | 0.60 | 0.90 | 1.00 | 1.10 | 1.20 | 1.30 |
| 15 | 0.88 | 1.13 | 1.24 | 1.41 | 1.48 | 1.63 | |
| 1.0 | 10 | 0.80 | 1.20 | 1.30 | 1.50 | 1.60 | 1.80 |
| 15 | 1.06 | 1.38 | 1.59 | 1.77 | 1.84 | 1.91 | |
| 1.2 | 15 | 1.20 | 1.50 | 1.65 | 1.85 | 2.00 | 2.20 |
|
1.5 |
10 | 0.98 | 1.30 | 1.40 | 1.60 | 1.70 | 1.90 |
| 15 | 1.40 | 1.70 | 1.80 | 2.00 | 2.20 | 2.40 | |
| 22.5 | 1.38 | 1.68 | 1.78 | 1.96 | 2.00 | 2.04 | |
| 2.2 | 15 | 1.70 | 2.00 | 2.20 | 2.35 | 2.50 | 2.70 |
| 22.5 | 2.30 | 2.37 | 2.43 | 2.52 | 2.55 | 2.60 | |
| 3.3 | 22.5 | 2.65 | 2.69 | 2.80 | 2.81 | 2.82 | 2.90 |
МАКСИМАЛДЫК УКТ, AMPS (Rms)
630VDC / 250Vac
| CAP (μF) | Б | 15.75
KHz |
35
KHz |
45
KHz |
65
KHz |
80
KHz |
100
KHz |
| 0.033 | 10 | 0.14 | 0.20 | 0.22 | 0.25 | 0.27 | 0.30 |
| 0.047 | 10 | 0.18 | 0.24 | 0.30 | 0.35 | 0.39 | 0.42 |
| 0.068 | 10 | 0.21 | 0.29 | 0.32 | 0.37 | 0.41 | 0.44 |
| 0.1 | 10 | 0.25 | 0.37 | 0.45 | 0.50 | 0.55 | 0.63 |
| 0.047 | 15 | 0.16 | 0.22 | 0.24 | 0.27 | 0.30 | 0.32 |
| 0.068 | 15 | 0.23 | 0.26 | 0.32 | 0.35 | 0.40 | 0.44 |
| 0.1 | 15 | 0.42 | 0.55 | 0.58 | 0.65 | 0.69 | 0.73 |
| 0.22 | 15 | 0.58 | 0.62 | 0.67 | 0.78 | 0.80 | 0.85 |
| 0.33 | 15 | 0.91 | 1.15 | 1.25 | 1.40 | 1.48 | 1.58 |
| 0.5 | 15 | 0.85 | 1.08 | 1.18 | 1.30 | 1.40 | 1.49 |
| 0.68 | 15 | 1.16 | 1.48 | 1.60 | 1.80 | 1.90 | 2.05 |
| 1.0 | 22.5 | 1.85 | 2.25 | 2.36 | 2.60 | 2.70 | 2.85 |
ПАКТАМА КОД
| Metho г | Жапырт | Ammo | Reel |
| Код | Б | A | R |
Ортоп жүрүүчү учактын узундугу
| мм | 5 | 10 | 15 | 20 | 25 |
| Код | 050 | 100 | 150 | 200 | 250 |
Тасма кодекси (Лента менен коргошун аралыгы, Эгер)
| Аралыкты | 10мм | 15мм |
| Таңгактоо | A | A |
| Код | RT3 | RT4 |
КОРГОСУНЧУНУН СТИЛДИН КОДУНУН МЫСАЛЫ
Киришүү
CDAC сериялары металлдаштырылган полиэстер пленкасы диэлектрик менен курулган, жез коргошун жана эпоксиддүү чайыр каптоо. Алар бөгөттөөгө ылайыктуу, Coupling, DecoUpling, чыпкалоо, убакыт схемасын айланып өтүү жана маалыматтарда колдонуу үчүн идеалдуу / телекоммуникация жабдуулары, Өнөр жай куралы, автоматтык башкаруу системалары жана башка жалпы электрондук колдонуу.
















