Metallisearre polypropylene filmkondensator |Lege df| CDBC
CDBC-searjes wurde konstruearre mei metalisearre polypropyleenfilm dielektrikum, Copperply lead en flamfertragende epoksyhars coating. Geskikt blokkearjen, troch- pas, koppeling, ûntkoppeling, filterjen, timing, tuning, temperatuerkompensaasje en ideaal foar gebrûk yn ballasten, switching macht foarrieden, telekommunikaasje apparatuer, yndustriële ynstruminten, automatyske kontrôle systemen en oare algemiene elektroanyske apparatuer.
FEATURES
◆ Lege dissipaasjefaktor by hege frekwinsje
◆ High capacitance en dissipation faktor stabiliteit
◆ Non-inductive konstruksje
◆ Self-healing
◆ Flammefertragende epoksyharscoating (konform oan UL 94V-0)
SPESIFIKASJES
| Items | Optreden | ||||||
| Operating Voltage Range | 100Vdc, 250Vdc, 400Vdc, 630Vdc | ||||||
| Rated temperatuer | -40 ˚C ~ +85ºC | ||||||
| Brûkbere temperatuer fan boppeste kategory | +105ºC
(Derating ratio fan nominale spanning boppe +85˚C ~ +110ºC: 1.5% per ºC fan Rated Voltage) |
||||||
| Capacitance Range | 0.01 µF ~ 10 µF | ||||||
| Capacitance Tolerânsje | +3% (H), +5% (J), +10% (K) | ||||||
|
Dissipaasjefaktor |
KHz | C < 0.1 µF | 0.1 < C < 1.0 µF | 1.0 < C < 3.0 µF | 3.0 < C < 5.0 µF | 5.0 < C < 10 µF | |
| 1 | < 0.10% | ||||||
| 100 | < 0.40% | < 0.70% | < 1.20% | < 1.80% | < 2.80% | ||
|
Isolaasje Resistance Terminal nei Terminal |
Voltage Charge: 100vdc x 1 min (op 20˚C + 5˚C)
> 30,000MΩ foar C < 0.33µF > 10,000MΩ x µF foar C > 0.33µF |
||||||
| Standert spanning | Terminal nei Terminal: (op 20˚C + 5˚C) | ||||||
|
Rated Voltage Pulse Slope dV / dt (V/µs) |
Pitch
VR |
7.5mm | 10mm | 15mm | 22.5mm | 27.5mm | |
| 100Vdc | 130 | 110 | 100 | 70 | 50 | ||
| 250Vdc | 240 | 220 | 200 | 130 | 100 | ||
| 400Vdc | — | 350 | 300 | 200 | 150 | ||
| 630Vdc | — | 420 | 400 | 250 | 180 | ||
BETROUWBAARHEIDSTEST
| Ûnderdiel | Toets Metoaden | Requirements |
| Ferset tsjin soldering Heat IEC 60068-2-20 | Solder Bath: 260ºC + 5ºC Immersion Tiid: 10sek + 1sek | Capacitance Change ІΔ C / C : <1% DF Feroarje Δ tan d : 0.1% op 1KHz IR: > limyt wearde |
| Resistance to Vibration IEC 60068-2-6 | Frekwinsjeberik: 10Hz oant 55Hz Amplitude: 1.5mm
Doer: 6 oeren |
D'r sil gjin sichtbere skea wêze, Gjin intermitterend kontakt,
Gjin iepen of koartsluting |
| Fochtige waarmte, Steady State IEC 60068-2-3 | Temperatuer: 40ºC + 2ºC Relative Feuchte: 90% nei 95%
Doer: 1,000 oeren |
Capacitance Change ІΔC / C І< : 3% DF Feroarje Δ tan d: 0.1% op 1KHz IR: > 50% limyt wearde |
| Elektryske Endurance IEC 60384-17 | Temperatuer: 85ºC + 2ºC Spanning tapast: 1.25 x VR(DC) Doer: 2,000 oeren | Capacitance Change ІΔC / CІ< : 3% DF Feroarje Δ tan d : 0.1% op 1KHz IR: > 50% limyt wearde |
MAXIMUM DIMENSJES
| W.V. | 100VDC (2IN) | 250VDC (2E) | 400VDC (2G) | 630VDC (2J) | |||||||||||||||||
| (µF) | Koade | W | H | T | P | d | W | H | T | P | d | W | H | T | P | d | W | H | T | P | d |
| 0.010 | 103 | 10.5 | 7.5 | 4.0 | 7.5 | 0.6 | 10.5 | 9.0 | 5.5 | 7.5 | 0.6 | ||||||||||
| 0.012 | 123 | 10.5 | 8.5 | 4.0 | 7.5 | 0.6 | 10.5 | 9.5 | 6.0 | 7.5 | 0.6 | ||||||||||
| 0.015 | 153 | 10.5 | 9.0 | 4.5 | 7.5 | 0.6 | 10.5 | 10.5 | 6.0 | 7.5 | 0.6 | ||||||||||
| 0.018 | 183 | 10.5 | 9.5 | 4.5 | 7.5 | 0.6 | 10.5 | 11.0 | 6.5 | 7.5 | 0.6 | ||||||||||
| 0.022 | 223 | 10.5 | 7.5 | 4.0 | 7.5 | 0.6 | 10.5 | 10.0 | 5.0 | 7.5 | 0.6 | 13.0 | 10.0 | 6.0 | 10.0 | 0.6 | |||||
| 0.027 | 273 | 10.5 | 8.0 | 4.0 | 7.5 | 0.6 | 10.5 | 10.5 | 5.5 | 7.5 | 0.6 | 13.0 | 11.0 | 6.5 | 10.0 | 0.6 | |||||
| 0.033 | 333 | 10.5 | 8.5 | 4.5 | 7.5 | 0.6 | 10.5 | 11.0 | 6.0 | 7.5 | 0.6 | 13.0 | 11.5 | 7.0 | 10.0 | 0.6 | |||||
| 0.039 | 393 | 10.5 | 9.0 | 4.5 | 7.5 | 0.6 | 13.0 | 11.0 | 5.5 | 10.0 | 0.6 | 13.0 | 12.0 | 8.0 | 10.0 | 0.6 | |||||
| 0.047 | 473 | 10.5 | 7.5 | 4.0 | 7.5 | 0.6 | 10.5 | 10.0 | 4.5 | 7.5 | 0.6 | 13.0 | 11.0 | 5.5 | 10.0 | 0.6 | 13.0 | 13.0 | 8.0 | 10.0 | 0.6 |
| 0.056 | 563 | 10.5 | 8.0 | 4.0 | 7.5 | 0.6 | 10.5 | 10.5 | 5.0 | 7.5 | 0.6 | 13.0 | 11.5 | 6.0 | 10.0 | 0.6 | 13.0 | 14.0 | 9.0 | 10.0 | 0.6 |
| 0.068 | 683 | 10.5 | 9.0 | 4.5 | 7.5 | 0.6 | 10.5 | 11.0 | 5.5 | 7.5 | 0.6 | 13.0 | 12.5 | 6.5 | 10.0 | 0.6 | 18.0 | 12.5 | 7.0 | 15.0 | 0.8 |
| 0.082 | 823 | 10.5 | 9.5 | 4.5 | 7.5 | 0.6 | 10.5 | 11.5 | 6.0 | 7.5 | 0.6 | 13.0 | 13.0 | 7.0 | 10.0 | 0.6 | 18.0 | 13.0 | 7.5 | 15.0 | 0.8 |
| 0.10 | 104 | 10.5 | 10.0 | 5.0 | 7.5 | 0.6 | 10.5 | 12.0 | 6.5 | 7.5 | 0.6 | 13.0 | 13.5 | 8.0 | 10.0 | 0.6 | 18.0 | 14.0 | 8.0 | 15.0 | 0.8 |
| 0.12 | 124 | 10.5 | 10.0 | 5.5 | 7.5 | 0.6 | 13.0 | 11.5 | 6.0 | 10.0 | 0.6 | 18.0 | 12.0 | 6.0 | 15.0 | 0.8 | 18.0 | 15.5 | 8.0 | 15.0 | 0.8 |
| 0.15 | 154 | 10.5 | 11.0 | 6.0 | 7.5 | 0.6 | 13.0 | 12.0 | 6.5 | 10.0 | 0.6 | 18.0 | 12.5 | 7.0 | 15.0 | 0.8 | 18.0 | 16.5 | 9.0 | 15.0 | 0.8 |
| 0.18 | 184 | 10.5 | 11.5 | 6.5 | 7.5 | 0.6 | 13.0 | 12.5 | 7.0 | 10.0 | 0.6 | 18.0 | 13.5 | 8.5 | 15.0 | 0.8 | 18.0 | 17.5 | 10.0 | 15.0 | 0.8 |
| 0.22 | 224 | 13.0 | 11.5 | 6.0 | 10.0 | 0.6 | 13.0 | 13.0 | 7.5 | 10.0 | 0.6 | 18.0 | 15.0 | 8.0 | 15.0 | 0.8 | 18.0 | 18.5 | 11.5 | 15.0 | 0.8 |
| 0.27 | 274 | 13.0 | 12.0 | 6.5 | 10.0 | 0.6 | 18.0 | 13.0 | 6.0 | 15.0 | 0.8 | 18.0 | 16.0 | 8.5 | 15.0 | 0.8 | 25.5 | 18.0 | 9.0 | 22.5 | 0.8 |
| 0.33 | 334 | 13.0 | 13.0 | 7.0 | 10.0 | 0.6 | 18.0 | 14.0 | 6.5 | 15.0 | 0.8 | 18.0 | 17.0 | 9.5 | 15.0 | 0.8 | 25.5 | 19.0 | 10.0 | 22.5 | 0.8 |
| 0.39 | 394 | 13.0 | 13.5 | 7.5 | 10.0 | 0.6 | 18.0 | 14.5 | 7.0 | 15.0 | 0.8 | 18.0 | 18.0 | 10.5 | 15.0 | 0.8 | 25.5 | 20.0 | 11.0 | 22.5 | 0.8 |
| 0.47 | 474 | 13.0 | 14.0 | 8.5 | 10.0 | 0.6 | 18.0 | 15.0 | 8.0 | 15.0 | 0.8 | 25.5 | 16.0 | 9.0 | 22.5 | 0.8 | 20.5 | 20.5 | 12.0 | 17.5 | 0.8 |
| 25.5 | 21.0 | 12.0 | 22.5 | 0.8 | |||||||||||||||||
| 0.56 | 564 | 18.0 | 14.0 | 7.0 | 15.0 | 0.8 | 18.0 | 16.0 | 8.5 | 15.0 | 0.8 | 25.5 | 17.0 | 10.0 | 22.5 | 0.8 | 25.5 | 22.5 | 13.5 | 22.5 | 0.8 |
| 0.68 | 684 | 18.0 | 15.0 | 7.5 | 15.0 | 0.8 | 18.0 | 17.0 | 9.5 | 15.0 | 0.8 | 25.5 | 18.0 | 11.0 | 22.5 | 0.8 | 25.5 | 24.0 | 15.0 | 22.5 | 0.8 |
| 0.82 | 824 | 18.0 | 15.5 | 8.0 | 15.0 | 0.8 | 18.0 | 18.5 | 10.0 | 15.0 | 0.8 | 25.5 | 20.0 | 11.0 | 22.5 | 0.8 | 25.5 | 25.5 | 16.5 | 22.5 | 0.8 |
| 1.00 | 105 | 18.0 | 16.5 | 9.0 | 15.0 | 0.8 | 18.0 | 20.0 | 11.0 | 15.0 | 0.8 | 25.5 | 21.5 | 12.5 | 22.5 | 0.8 | 26.0 | 16.5 | 12.0 | 22.5 | 0.8 |
| 31.5 | 25.0 | 16.0 | 27.5 | 0.8 | |||||||||||||||||
| 1.20 | 125 | 18.0 | 17.5 | 10.0 | 15.0 | 0.8 | 25.5 | 18.0 | 9.0 | 22.5 | 0.8 | 25.5 | 23.0 | 14.0 | 22.5 | 0.8 | 31.5 | 27.0 | 18.0 | 27.5 | 0.8 |
| 1.50 | 155 | 18.0 | 18.5 | 11.5 | 15.0 | 0.8 | 25.5 | 19.5 | 10.5 | 22.5 | 0.8 | 25.5 | 24.5 | 15.5 | 22.5 | 0.8 | |||||
| 1.80 | 185 | 25.5 | 18.0 | 9.0 | 22.5 | 0.8 | 25.5 | 20.5 | 11.5 | 22.5 | 0.8 | ||||||||||
| 2.20 | 225 | 25.5 | 19.0 | 10.0 | 22.5 | 0.8 | 25.5 | 22.0 | 13.0 | 22.5 | 0.8 | ||||||||||
| 2.70 | 275 | 25.5 | 20.0 | 11.5 | 22.5 | 0.8 | 25.5 | 23.5 | 14.5 | 22.5 | 0.8 | ||||||||||
| 3.30 | 335 | 25.5 | 24.5 | 15.5 | 22.5 | 0.8 | 25.5 | 25.5 | 16.0 | 22.5 | 0.8 | ||||||||||
PART NUMMER Foarbyld – BULK
PART NUMMER Foarbyld – RADIAL TAPED
KAPASITANSJE
| µF | 0.01 | 0.047 | 0.1 | 0.47 | 1.0 | 3.3 |
| pF | 10,000 | 47,000 | 100,000 | 470,000 | - | - |
| Koade | 103 | 473 | 104 | 474 | 105 | 335 |
TOLERANSJE KODE
| Koade | Tolerânsje |
| J | + 5% |
| K | + 10% |
| M | + 20% |
RATED VOLTAGE
| W.V. | 100 | 250 | 400 | 630 |
| Koade | 2IN | 2E | 2G | 2J |
TAPE KODE (Sjoch Diagrammen)
| Spacing | 7.5mm | 10mm | 15mm |
| Packing | A of R | IN | IN |
| Koade | RT2 | RT3 | RT4 |
LEAD STYLE FOARLS
RADIAL LEAD SPACING
* Leadspace is rjochte lead net-foarme orizjinele leadspace.
| mm | 7.5 | 10 | 15 | 22.5 | 27.5 |
| Koade | 075 | 100 | 150 | 225 | 275 |
LEAD LENGTE FAN SEATING PLANE (as bulk pack)
| mm | 5 | 10 | 15 | 20 | 25 |
| Koade | 050 | 100 | 150 | 200 | 250 |
VERPAKKING
| Meth | od | Bulk | Munysje | Reel |
| Koade | B | IN | R | |
LEAD STYLE
| Koade | Styl |
| S | Rjocht |
| K | Kink-In (Stean ôf) |
| F | Form út |
| ik | Form yn |
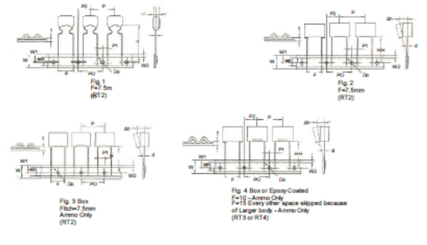
RADIAL TAPING CODE DIAGRAM
SPESIFIKASJES
| Beskriuwing |
Letter |
Diminsje (mm) |
Beskriuwing |
Letter |
Diminsje (mm) | ||||||||
| RT1 | RT2 | RT3 | RT4 | Tol. | RT1 | RT2 | RT3 | RT4 | Tol. | ||||
| Lead Wire Diameter | d | 0.5 / 0.6 | 0.5 / 0.6 | 0.6 | 0.6 / 0.8 | + 0.05 | Carrier Tape Breedte | W | 18 | 18 | 18 | 18 | + 1;-0.5 |
| Tape Pitch | P | 12.7 | 12.7 | 12.7 | 25.4 | + 1 | Hâld Tape Breedte | WO | 6 | 6 | 9 | 10 | Min |
| Feed Hole Pitch | PO | 12.7 | 12.87 | 12.7 | 12.7 | + 0.2 | Hole Posysje | W1 | 9 | 9 | 9 | 9 | + 0.5 |
| Centrering fan de Lead Wire | P1 | 3.85 | 2.6 / 3.75 | 7.7 | 5.2 | + 0.7 | Hold Down Tape Posysje | W2 | 3 | 3 | 3 | 3 | Max |
| Centering fan it lichem | P2 | 6.35 | 6.35 | 12.7 | 12.7 | + 1.3 | Feed Hole Diameter | Dwaan | 4 | 4 | 4 | 4 | + 0.2 |
| Lead Spacing (Pitch) | F | 5 | 7.5 | 10 | 15 | + 0.6;-0.1 | Tape dikte | t | 0.7 | 0.7 | 0.7 | 0.07 | + 0.2 |
| Component Alignment | ∆h | 0 | 0 | 0 | 0 | + 2 | Stal | fig | 1 of 2 | 1.2 of 3 | 4 | 4 | |
| Hichte fan Componenet út Tape Center | H | 18.5 | 18.5 | 18.5 | 18.5 | + 0.5 | |||||||
Opmerking: *Tastimming fan opboude pitch minder as 1mm by de som fan 20 plakken.
*Trochrinnende lege komponint minder as 3 opfolgjende stikken.
*Totaal leech op ien reel minder as 1%.
YNLIEDING
CDBC-searjes wurde konstruearre mei metalisearre polypropyleenfilm dielektrikum, Copperply lead en flamfertragende epoksyhars coating. Geskikt blokkearjen, troch- pas, koppeling, ûntkoppeling, filterjen, timing, tuning, temperatuerkompensaasje en ideaal foar gebrûk yn ballasten, switching macht foarrieden, telekommunikaasje apparatuer, yndustriële ynstruminten, automatyske kontrôle systemen en oare algemiene elektroanyske apparatuer.













