Hege enerzjy hybride Tantalum Capacitors|CBEA
Tantalum gefal, Hermetysk fersegele, Silindrysk, Radiale lieding, Heteropolariteit
Kombinearre troch elektrolytyske tantaalkondensator en elektrogemyske kondensator, Lytse grutte, Super Capacitance.
Stabyl yn elektryske prestaasjes, Hege betrouberens, Lange libbensdoer, Maksimum yn 'e tichtens fan kapasiteit en enerzjy Ynboud as batterij yn enerzjy-konversearre circuit & Power-pulsed-circuit, fungearre as filterjen, opslach enerzjy, time-fertraging circuit.
SPESIFIKASJES
Operating Temperatuer: -55℃ oant +125 ℃ (oant +125 ℃, mei nominale spanning derating)
Storage Temperatuer: -62℃ ~ +130℃
Capacitance Tolerânsje:Q: (-10%~+30%), K: (± 10%), M: (± 20%)
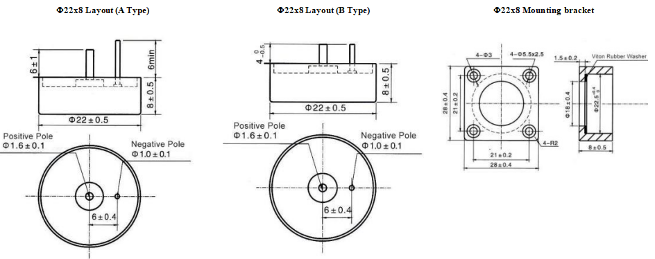
Ofmjittings (ienheid: mm)
Please visit our website to get more update data, those data & specification are subject to change without notice.
PART NUMMER Foarbyld

Ofmjittings (ienheid: mm)
Ofmjittings (ienheid: mm)
Noat:
1.Brûk asjebleaft gjin multimeter troch de mjitprosedueres (kin ûnomkearbere skea feroarsaakje en liede ta ferwidering).
2.Kapasiteit en DF mjitten op 100Hz, U_=2.200-1.0V, U~=1.00-0.5V Test only applied in series equivalent circuit.
3.Voltage derating wurdt tapast by +125 ℃. (De DCL parameter moat wurde lêzen nei 5 minuten as it ferbûn is mei it circuit).
4.Spesjale grutte en fraach koe mei ús rieplachtsje.
Skaaimerken en tapassing
◆ Tantalum gefal, Hermetysk fersegele, Silindrysk, Radiale lieding, Heteropolariteit
◆ Kommend troch elektrolytyske tantaalkondensator en elektrogemyske kondensator, Lytse grutte, Super Capacitance.
◆ Stabyl yn elektryske prestaasjes, Hege betrouberens, Lange libbensdoer, Maksimum yn 'e tichtens fan kapasiteit en enerzjy
◆ Ynboude as batterij yn enerzjy-konversearre circuit & Power-pulsed-circuit, fungearre as filterjen, opslach enerzjy, time-fertraging circuit















