Металізований конденсатор поліпропіленової плівки |Низький DF| CDBC
Серії CDBC виготовлені з металізованого поліпропіленового плівкового діелектрика, мідно-свинцевий і вогнезахисне покриття з епоксидної смоли. Відповідне блокування, за- пропуск, з'єднання, об'єднання, фільтрування, терміни, тюнінг, температурна компенсація і ідеально підходить для використання в баластах, імпульсні джерела живлення, телекомунікаційне обладнання, промислові інструменти, системи автоматичного керування та інше загальне електронне обладнання.
Особливості
◆ Низький коефіцієнт розсіювання на високій частоті
◆ Висока ємність і стабільність коефіцієнта дисипації
◆ Безіндуктивна конструкція
◆ Самовідновлення
◆ Вогнестійке покриття з епоксидної смоли (відповідає UL 94V-0)
Специфікація
| Предмети | Виконання | ||||||
| Діапазон робочої напруги | 100Vdc, 250Vdc, 400Vdc, 630Vdc | ||||||
| Номінальна температура | -40 ˚C ~ +85ºC | ||||||
| Корисна температура вищої категорії | +105ºC
(Коефіцієнт зниження номінальної напруги понад +85˚C ~ +110ºC: 1.5% на ºC номінальної напруги) |
||||||
| Діапазон ємності | 0.01 мкФ ~ 10 мкФ | ||||||
| Толерантність до ємності | +3% (H), +5% (J), +10% (K) | ||||||
|
Коефіцієнт розсіювання |
Кхц | C < 0.1 мкФ | 0.1 < C < 1.0 мкФ | 1.0 < C < 3.0 мкФ | 3.0 < C < 5.0 мкФ | 5.0 < C < 10 мкФ | |
| 1 | < 0.10% | ||||||
| 100 | < 0.40% | < 0.70% | < 1.20% | < 1.80% | < 2.80% | ||
|
Опір ізоляції від клеми до клеми |
Напруга заряду: 100В постійного струму x 1 хв (при 20˚C + 5˚C)
> 30,000МОм для C < 0.33мкФ > 10,000МОм x мкФ для C > 0.33мкФ |
||||||
| Витримує напругу | Термінал до терміналу: (при 20˚C + 5˚C) | ||||||
|
Номінальна напруга Крутизна імпульсу dV/dt (В/мкс) |
крок
VR |
7.5мм | 10мм | 15мм | 22.5мм | 27.5мм | |
| 100Vdc | 130 | 110 | 100 | 70 | 50 | ||
| 250Vdc | 240 | 220 | 200 | 130 | 100 | ||
| 400Vdc | — | 350 | 300 | 200 | 150 | ||
| 630Vdc | — | 420 | 400 | 250 | 180 | ||
ТЕСТ НА НАДІЙНІСТЬ
| Предмет | Тест методи | Вимоги |
| Стійкість до тепла пайки IEC 60068-2-20 | Паяльна ванна: 260ºC + 5ºC Час занурення: 10сек + 1сек | Зміна ємності ІΔ C/C : <1% DF Зміна Δ tan d : 0.1% на 1 кГц ІЧ: > граничне значення |
| Стійкість до вібрації IEC 60068-2-6 | Діапазон частот: 10Амплітуда від Гц до 55 Гц: 1.5мм
Тривалість: 6 години |
Не повинно бути видимих пошкоджень, Без переривчастого контакту,
Немає розриву або короткого замикання |
| Вологе тепло, Стаціонарний IEC 60068-2-3 | Температура: 40ºC + 2ºC Відносна вологість: 90% до 95%
Тривалість: 1,000 години |
Зміна ємності ІΔC/C І< : 3% DF Зміна Δ tan d: 0.1% на 1 кГц ІЧ: > 50% граничне значення |
| Електрична витривалість IEC 60384-17 | Температура: 85ºC + 2ºC Прикладена напруга: 1.25 x VR(DC) Тривалість: 2,000 години | Зміна ємності ІΔC/CІ< : 3% DF Зміна Δ tan d : 0.1% на 1 кГц ІЧ: > 50% граничне значення |
МАКСИМАЛЬНІ РОЗМІРИ
| В.В. | 100VDC (2A) | 250VDC (2Е) | 400VDC (2G) | 630VDC (2J) | |||||||||||||||||
| (мкФ) | Кодування | Ш | H | Т | С | d | Ш | H | Т | С | d | Ш | H | Т | С | d | Ш | H | Т | С | d |
| 0.010 | 103 | 10.5 | 7.5 | 4.0 | 7.5 | 0.6 | 10.5 | 9.0 | 5.5 | 7.5 | 0.6 | ||||||||||
| 0.012 | 123 | 10.5 | 8.5 | 4.0 | 7.5 | 0.6 | 10.5 | 9.5 | 6.0 | 7.5 | 0.6 | ||||||||||
| 0.015 | 153 | 10.5 | 9.0 | 4.5 | 7.5 | 0.6 | 10.5 | 10.5 | 6.0 | 7.5 | 0.6 | ||||||||||
| 0.018 | 183 | 10.5 | 9.5 | 4.5 | 7.5 | 0.6 | 10.5 | 11.0 | 6.5 | 7.5 | 0.6 | ||||||||||
| 0.022 | 223 | 10.5 | 7.5 | 4.0 | 7.5 | 0.6 | 10.5 | 10.0 | 5.0 | 7.5 | 0.6 | 13.0 | 10.0 | 6.0 | 10.0 | 0.6 | |||||
| 0.027 | 273 | 10.5 | 8.0 | 4.0 | 7.5 | 0.6 | 10.5 | 10.5 | 5.5 | 7.5 | 0.6 | 13.0 | 11.0 | 6.5 | 10.0 | 0.6 | |||||
| 0.033 | 333 | 10.5 | 8.5 | 4.5 | 7.5 | 0.6 | 10.5 | 11.0 | 6.0 | 7.5 | 0.6 | 13.0 | 11.5 | 7.0 | 10.0 | 0.6 | |||||
| 0.039 | 393 | 10.5 | 9.0 | 4.5 | 7.5 | 0.6 | 13.0 | 11.0 | 5.5 | 10.0 | 0.6 | 13.0 | 12.0 | 8.0 | 10.0 | 0.6 | |||||
| 0.047 | 473 | 10.5 | 7.5 | 4.0 | 7.5 | 0.6 | 10.5 | 10.0 | 4.5 | 7.5 | 0.6 | 13.0 | 11.0 | 5.5 | 10.0 | 0.6 | 13.0 | 13.0 | 8.0 | 10.0 | 0.6 |
| 0.056 | 563 | 10.5 | 8.0 | 4.0 | 7.5 | 0.6 | 10.5 | 10.5 | 5.0 | 7.5 | 0.6 | 13.0 | 11.5 | 6.0 | 10.0 | 0.6 | 13.0 | 14.0 | 9.0 | 10.0 | 0.6 |
| 0.068 | 683 | 10.5 | 9.0 | 4.5 | 7.5 | 0.6 | 10.5 | 11.0 | 5.5 | 7.5 | 0.6 | 13.0 | 12.5 | 6.5 | 10.0 | 0.6 | 18.0 | 12.5 | 7.0 | 15.0 | 0.8 |
| 0.082 | 823 | 10.5 | 9.5 | 4.5 | 7.5 | 0.6 | 10.5 | 11.5 | 6.0 | 7.5 | 0.6 | 13.0 | 13.0 | 7.0 | 10.0 | 0.6 | 18.0 | 13.0 | 7.5 | 15.0 | 0.8 |
| 0.10 | 104 | 10.5 | 10.0 | 5.0 | 7.5 | 0.6 | 10.5 | 12.0 | 6.5 | 7.5 | 0.6 | 13.0 | 13.5 | 8.0 | 10.0 | 0.6 | 18.0 | 14.0 | 8.0 | 15.0 | 0.8 |
| 0.12 | 124 | 10.5 | 10.0 | 5.5 | 7.5 | 0.6 | 13.0 | 11.5 | 6.0 | 10.0 | 0.6 | 18.0 | 12.0 | 6.0 | 15.0 | 0.8 | 18.0 | 15.5 | 8.0 | 15.0 | 0.8 |
| 0.15 | 154 | 10.5 | 11.0 | 6.0 | 7.5 | 0.6 | 13.0 | 12.0 | 6.5 | 10.0 | 0.6 | 18.0 | 12.5 | 7.0 | 15.0 | 0.8 | 18.0 | 16.5 | 9.0 | 15.0 | 0.8 |
| 0.18 | 184 | 10.5 | 11.5 | 6.5 | 7.5 | 0.6 | 13.0 | 12.5 | 7.0 | 10.0 | 0.6 | 18.0 | 13.5 | 8.5 | 15.0 | 0.8 | 18.0 | 17.5 | 10.0 | 15.0 | 0.8 |
| 0.22 | 224 | 13.0 | 11.5 | 6.0 | 10.0 | 0.6 | 13.0 | 13.0 | 7.5 | 10.0 | 0.6 | 18.0 | 15.0 | 8.0 | 15.0 | 0.8 | 18.0 | 18.5 | 11.5 | 15.0 | 0.8 |
| 0.27 | 274 | 13.0 | 12.0 | 6.5 | 10.0 | 0.6 | 18.0 | 13.0 | 6.0 | 15.0 | 0.8 | 18.0 | 16.0 | 8.5 | 15.0 | 0.8 | 25.5 | 18.0 | 9.0 | 22.5 | 0.8 |
| 0.33 | 334 | 13.0 | 13.0 | 7.0 | 10.0 | 0.6 | 18.0 | 14.0 | 6.5 | 15.0 | 0.8 | 18.0 | 17.0 | 9.5 | 15.0 | 0.8 | 25.5 | 19.0 | 10.0 | 22.5 | 0.8 |
| 0.39 | 394 | 13.0 | 13.5 | 7.5 | 10.0 | 0.6 | 18.0 | 14.5 | 7.0 | 15.0 | 0.8 | 18.0 | 18.0 | 10.5 | 15.0 | 0.8 | 25.5 | 20.0 | 11.0 | 22.5 | 0.8 |
| 0.47 | 474 | 13.0 | 14.0 | 8.5 | 10.0 | 0.6 | 18.0 | 15.0 | 8.0 | 15.0 | 0.8 | 25.5 | 16.0 | 9.0 | 22.5 | 0.8 | 20.5 | 20.5 | 12.0 | 17.5 | 0.8 |
| 25.5 | 21.0 | 12.0 | 22.5 | 0.8 | |||||||||||||||||
| 0.56 | 564 | 18.0 | 14.0 | 7.0 | 15.0 | 0.8 | 18.0 | 16.0 | 8.5 | 15.0 | 0.8 | 25.5 | 17.0 | 10.0 | 22.5 | 0.8 | 25.5 | 22.5 | 13.5 | 22.5 | 0.8 |
| 0.68 | 684 | 18.0 | 15.0 | 7.5 | 15.0 | 0.8 | 18.0 | 17.0 | 9.5 | 15.0 | 0.8 | 25.5 | 18.0 | 11.0 | 22.5 | 0.8 | 25.5 | 24.0 | 15.0 | 22.5 | 0.8 |
| 0.82 | 824 | 18.0 | 15.5 | 8.0 | 15.0 | 0.8 | 18.0 | 18.5 | 10.0 | 15.0 | 0.8 | 25.5 | 20.0 | 11.0 | 22.5 | 0.8 | 25.5 | 25.5 | 16.5 | 22.5 | 0.8 |
| 1.00 | 105 | 18.0 | 16.5 | 9.0 | 15.0 | 0.8 | 18.0 | 20.0 | 11.0 | 15.0 | 0.8 | 25.5 | 21.5 | 12.5 | 22.5 | 0.8 | 26.0 | 16.5 | 12.0 | 22.5 | 0.8 |
| 31.5 | 25.0 | 16.0 | 27.5 | 0.8 | |||||||||||||||||
| 1.20 | 125 | 18.0 | 17.5 | 10.0 | 15.0 | 0.8 | 25.5 | 18.0 | 9.0 | 22.5 | 0.8 | 25.5 | 23.0 | 14.0 | 22.5 | 0.8 | 31.5 | 27.0 | 18.0 | 27.5 | 0.8 |
| 1.50 | 155 | 18.0 | 18.5 | 11.5 | 15.0 | 0.8 | 25.5 | 19.5 | 10.5 | 22.5 | 0.8 | 25.5 | 24.5 | 15.5 | 22.5 | 0.8 | |||||
| 1.80 | 185 | 25.5 | 18.0 | 9.0 | 22.5 | 0.8 | 25.5 | 20.5 | 11.5 | 22.5 | 0.8 | ||||||||||
| 2.20 | 225 | 25.5 | 19.0 | 10.0 | 22.5 | 0.8 | 25.5 | 22.0 | 13.0 | 22.5 | 0.8 | ||||||||||
| 2.70 | 275 | 25.5 | 20.0 | 11.5 | 22.5 | 0.8 | 25.5 | 23.5 | 14.5 | 22.5 | 0.8 | ||||||||||
| 3.30 | 335 | 25.5 | 24.5 | 15.5 | 22.5 | 0.8 | 25.5 | 25.5 | 16.0 | 22.5 | 0.8 | ||||||||||
Приклад номер частини – НАВАЛОМ
Приклад номер частини – РАДІАЛЬНИЙ ЗАЛЕПЕНИЙ
ЄМНІСТЬ
| мкФ | 0.01 | 0.047 | 0.1 | 0.47 | 1.0 | 3.3 |
| PF | 10,000 | 47,000 | 100,000 | 470,000 | – | – |
| Кодування | 103 | 473 | 104 | 474 | 105 | 335 |
КОДЕКС ТОЛЕРАНТНОСТІ
| Кодування | Толерантність |
| J | + 5% |
| K | + 10% |
| М | + 20% |
НОМІНАЛЬНА НАПРУГА
| В.В. | 100 | 250 | 400 | 630 |
| Кодування | 2A | 2Е | 2G | 2J |
КОД СТРІЧКИ (Дивіться діаграми)
| Інтервал | 7.5мм | 10мм | 15мм |
| Упаковка | А чи Р | A | A |
| Кодування | RT2 | RT3 | RT4 |
ПРИКЛАДИ СТИЛЮ ВЕДУЧОГО
РАДІАЛЬНИЙ КОНТРОЛ
* Відвідний простір — це прямий вихідний несформований початковий відвідний простір.
| мм | 7.5 | 10 | 15 | 22.5 | 27.5 |
| Кодування | 075 | 100 | 150 | 225 | 275 |
ДОВЖИНА ВІДВОДУ ВІД ПЛОЩИНИ СИДІННЯ (якщо оптова упаковка)
| мм | 5 | 10 | 15 | 20 | 25 |
| Кодування | 050 | 100 | 150 | 200 | 250 |
УПАКОВКА
| Мет | оd | Маса | Боєприпаси | котушка |
| Кодування | Б | A | Р | |
СТИЛЬ КЕРІВНИЦТВА
| Кодування | Стиль |
| S | Прямий |
| K | Перелом (Вийти) |
| F | Форма Out |
| Я | Форма В |
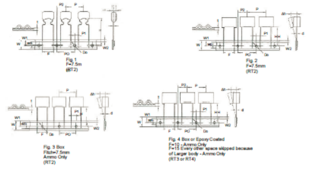
КОДОВА ДІАГРАМА РАДІАЛЬНОЇ СТРІЧКИ
Специфікація
| Опис |
лист |
Розмір (мм) |
Опис |
лист |
Розмір (мм) | ||||||||
| RT1 | RT2 | RT3 | RT4 | Тол. | RT1 | RT2 | RT3 | RT4 | Тол. | ||||
| Діаметр свинцевого дроту | d | 0.5 / 0.6 | 0.5 / 0.6 | 0.6 | 0.6 / 0.8 | + 0.05 | Ширина несучої стрічки | Ш | 18 | 18 | 18 | 18 | + 1;-0.5 |
| Крок стрічки | С | 12.7 | 12.7 | 12.7 | 25.4 | + 1 | Утримуйте ширину стрічки | WO | 6 | 6 | 9 | 10 | Хв |
| Крок живильного отвору | PO | 12.7 | 12.87 | 12.7 | 12.7 | + 0.2 | Позиція отвору | W1 | 9 | 9 | 9 | 9 | + 0.5 |
| Центрування провідного дроту | P1 | 3.85 | 2.6 / 3.75 | 7.7 | 5.2 | + 0.7 | Утримуйте позицію стрічки | W2 | 3 | 3 | 3 | 3 | Максимум |
| Центрування тіла | P2 | 6.35 | 6.35 | 12.7 | 12.7 | + 1.3 | Діаметр живильного отвору | робити | 4 | 4 | 4 | 4 | + 0.2 |
| Відстань між проводами (крок) | F | 5 | 7.5 | 10 | 15 | + 0.6;-0.1 | Товщина стрічки | t | 0.7 | 0.7 | 0.7 | 0.07 | + 0.2 |
| Вирівнювання компонентів | ∆h | 0 | 0 | 0 | 0 | + 2 | малюнок | фіг | 1 або 2 | 1.2 або 3 | 4 | 4 | |
| Висота компонента від центру стрічки | H | 18.5 | 18.5 | 18.5 | 18.5 | + 0.5 | |||||||
Зауваження: *Допуск накопиченого кроку менше 1 мм за сумою 20 висоти.
*Безперервний порожній компонент менше ніж 3 послідовні частини.
*Всього порожньо на один барабан менше ніж 1%.
Вступ
Серії CDBC виготовлені з металізованого поліпропіленового плівкового діелектрика, мідно-свинцевий і вогнезахисне покриття з епоксидної смоли. Відповідне блокування, за- пропуск, з'єднання, об'єднання, фільтрування, терміни, тюнінг, температурна компенсація і ідеально підходить для використання в баластах, імпульсні джерела живлення, телекомунікаційне обладнання, промислові інструменти, системи автоматичного керування та інше загальне електронне обладнання.













