Металізований конденсатор поліпропіленової плівки | Подвійний | CDBB
Особливості
◆Висока вологостійкість
◆Номінальна напруга : 250~2000 В постійного струму (180~700 В змінного струму)
◆Діапазон ємності : 0.00022 ~3,9 мкФ
◆ Вогнестійка епоксидна смола (Відповідає UL 94V-0)
◆Відповідає RoHS і не містить свинцю
Для застосування з високим dv/dt
Особливості
◆ Висока вологостійкість
◆ Номінальна напруга : 250~2000 В постійного струму(180~700 В змінного струму)
◆ Діапазон ємності : 0.00022 ~3,9 мкФ
◆ Вогнестійка епоксидна смола (Відповідає UL 94V-0)
◆ Відповідає RoHS і не містить свинцю
◆ Для застосування з високим dv/dt
Приклад номер частини
ЕЛЕКТРИЧНІ ХАРАКТЕРИСТИКИ
| Предмети | Виконання | ||||||||||||
| Діапазон робочої напруги | 250В постійного струму ~ 2000 В постійного струму | ||||||||||||
| Номінальна температура | -40°C ~ +105 °C (Знижується при температурі понад 85°C 1.25% за °C) | ||||||||||||
| Кліматична категорія | 40 / 105 / 56 | ||||||||||||
| Діапазон ємності | 0.00022 мкФ ~ 3,9 мкФ | ||||||||||||
| Толерантність до ємності | ± 5% (J), ± 10% (K), інші допуски за запитом | ||||||||||||
|
Коефіцієнт розсіювання (tan fiÅ |
C ≤0.1мкФ | 0.1мкФ < C ≤ 1.0мкФ | C > 1.0мкФ | ||||||||||
| 1Кхц, 20° C | 0.0003 | 0.0003 | 0.0003 | ||||||||||
| 1Кхц, 20° C | 0.0004 | 0.0006 | — | ||||||||||
| 100Кхц, 20° C | 0.0015 | — | — | ||||||||||
|
Опір ізоляції |
Виміряно при 20°C, 100Vdc для 1 хвилина | ||||||||||||
|
|||||||||||||
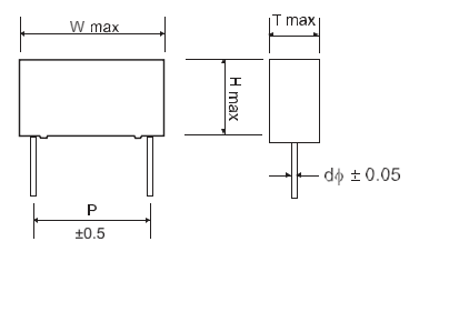
ОЦІНКИ & Розміри (мм)

Рекомендації щодо пайки хвилею
|
(мкф) |
Робота g
Напруга |
250Vdc (2Е) | 400Vdc (2G) | 630Vdc (2J) | |||||||||||||||
| 180Ваканлювати | 250Ваканлювати | 400Ваканлювати | |||||||||||||||||
| Кодування | Ш | H | Т | С | померти | dv/dt | Ш | H | Т | С | померти | dv/dt | Ш | H | Т | С | померти | dv/dt | |
| 0.01 | 103 | 13.0 | 11.0 | 5.0 | 10.0 | 0.6 | 3,000 | ||||||||||||
| 0.012 | 123 | 13.0 | 11.0 | 5.0 | 10.0 | 0.6 | 3,000 | ||||||||||||
| 0.015 | 153 | 13.0 | 12.0 | 6.0 | 10.0 | 0.6 | 3,000 | ||||||||||||
| 0.018 | 183 | 18.0 | 11.0 | 5.0 | 15.0 | 0.8 | 2,500 | ||||||||||||
| 0.022 | 223 | 18.0 | 11.0 | 5.0 | 15.0 | 0.8 | 2,500 | ||||||||||||
| 0.027 | 273 | 13.0 | 11.0 | 5.0 | 10.0 | 0.6 | 1,400 | 18.0 | 11.0 | 5.0 | 15.0 | 0.8 | 2,500 | ||||||
| 0.033 | 333 | 13.0 | 11.0 | 5.0 | 10.0 | 0.6 | 1,400 | 18.0 | 12.0 | 6.0 | 15.0 | 0.8 | 2,500 | ||||||
| 0.039 | 393 | 13.0 | 12.0 | 6.0 | 10.0 | 0.6 | 1,400 | 18.0 | 12.0 | 6.0 | 15.0 | 0.8 | 2,500 | ||||||
| 0.047 | 473 | 13.0 | 11.0 | 5.0 | 10.0 | 0.6 | 1,000 | 18.0 | 11.0 | 5.0 | 15.0 | 0.8 | 1,000 | 18.0 | 12.0 | 6.0 | 15.0 | 0.8 | 2,500 |
| 0.056 | 563 | 13.0 | 11.0 | 5.0 | 10.0 | 0.6 | 1,000 | 18.0 | 11.0 | 5.0 | 15.0 | 0.8 | 1,000 | 26.5 | 15.0 | 6.0 | 22.5 | 0.8 | 1,800 |
| 0.068 | 683 | 13.0 | 12.0 | 6.0 | 10.0 | 0.6 | 1,000 | 18.0 | 12.0 | 6.0 | 15.0 | 0.8 | 1,000 | 26.5 | 15.0 | 6.0 | 22.5 | 0.8 | 1,800 |
| 0.082 | 823 | 18.0 | 11.0 | 5.0 | 15.0 | 0.8 | 600 | 18.0 | 12.0 | 6.0 | 15.0 | 0.8 | 1,000 | 26.5 | 15.0 | 6.0 | 22.5 | 0.8 | 1,800 |
| 0.1 | 104 | 18.0 | 11.0 | 5.0 | 15.0 | 0.8 | 600 | 18.0 | 13.5 | 7.5 | 15.0 | 0.8 | 1,000 | 26.5 | 15.0 | 6.0 | 22.5 | 0.8 | 1,800 |
| 0.12 | 124 | 18.0 | 12.0 | 6.0 | 15.0 | 0.8 | 600 | 18.0 | 13.5 | 7.5 | 15.0 | 0.8 | 1,000 | 26.5 | 16.0 | 7.0 | 22.5 | 0.8 | 1,800 |
| 0.15 | 154 | 18.0 | 12.0 | 6.0 | 15.0 | 0.8 | 600 | 26.5 | 15.0 | 6.0 | 22.5 | 0.8 | 600 | 26.5 | 17.0 | 8.5 | 22.5 | 0.8 | 1,800 |
| 0.18 | 184 | 18.0 | 13.5 | 7.5 | 15.0 | 0.8 | 600 | 26.5 | 15.0 | 6.0 | 22.5 | 0.8 | 600 | 32.0 | 18.0 | 9.0 | 27.5 | 0.8 | 1,100 |
| 0.22 | 224 | 18.0 | 13.5 | 7.5 | 15.0 | 0.8 | 600 | 26.5 | 16.0 | 7.0 | 22.5 | 0.8 | 600 | 32.0 | 18.0 | 9.0 | 27.5 | 0.8 | 1,100 |
| 0.27 | 274 | 18.0 | 14.5 | 8.5 | 15.0 | 0.8 | 600 | 26.5 | 17.0 | 8.5 | 22.5 | 0.8 | 600 | 32.0 | 18.0 | 9.0 | 27.5 | 0.8 | 1,100 |
| 0.33 | 334 | 18.0 | 16.0 | 10.0 | 15.0 | 0.8 | 600 | 26.5 | 17.0 | 8.5 | 22.5 | 0.8 | 600 | 32.0 | 20.0 | 11.0 | 27.5 | 0.8 | 1,100 |
| 0.39 | 394 | 26.5 | 16.0 | 7.0 | 22.5 | 0.8 | 400 | 26.5 | 18.5 | 10.0 | 22.5 | 0.8 | 600 | 32.0 | 20.0 | 11.0 | 27.5 | 0.8 | 1,100 |
| 0.47 | 474 | 26.5 | 16.0 | 7.0 | 22.5 | 0.8 | 400 | 32.0 | 18.0 | 9.0 | 27.5 | 0.8 | 500 | 32.0 | 22.0 | 13.0 | 27.5 | 0.8 | 1,100 |
| 0.56 | 564 | 26.5 | 17.0 | 8.5 | 22.5 | 0.8 | 400 | 32.0 | 20.0 | 11.0 | 27.5 | 0.8 | 500 | 32.0 | 22.0 | 13.0 | 27.5 | 0.8 | 1,100 |
| 0.68 | 684 | 26.5 | 18.5 | 10.0 | 22.5 | 0.8 | 400 | 32.0 | 20.0 | 11.0 | 27.5 | 0.8 | 500 | 32.0 | 24.5 | 15.0 | 27.5 | 0.8 | 1,100 |
| 0.82 | 824 | 26.5 | 18.5 | 10.0 | 22.5 | 0.8 | 400 | 32.0 | 22.0 | 13.0 | 27.5 | 0.8 | 500 | 32.0 | 28.0 | 14.0 | 27.5 | 0.8 | 1,100 |
| 1 | 105 | 32.0 | 20.0 | 11.0 | 27.5 | 0.8 | 300 | 32.0 | 24.5 | 15.0 | 27.5 | 0.8 | 500 | 32.0 | 33.0 | 18.0 | 27.5 | 0.8 | 1,100 |
| 1.2 | 125 | 32.0 | 20.0 | 11.0 | 27.5 | 0.8 | 300 | 32.0 | 24.5 | 15.0 | 27.5 | 0.8 | 500 | 32.0 | 33.0 | 18.0 | 27.5 | 0.8 | 1,100 |
| 1.5 | 155 | 32.0 | 22.0 | 13.0 | 27.5 | 0.8 | 300 | 32.0 | 33.0 | 18.0 | 27.5 | 0.8 | 500 |
продовжувати …… |
|||||
| 1.8 | 185 | 32.0 | 24.5 | 15.0 | 27.5 | 0.8 | 300 | 32.0 | 33.0 | 18.0 | 27.5 | 0.8 | 500 | ||||||
| 2.2 | 225 | 32.0 | 24.5 | 15.0 | 27.5 | 0.8 | 300 |
|
|||||||||||
| 2.7 | 275 | 32.0 | 33.0 | 18.0 | 27.5 | 0.8 | 300 | ||||||||||||
| 3.3 | 335 | 32.0 | 33.0 | 18.0 | 27.5 | 0.8 | 300 | ||||||||||||
| 3.9 | 395 | 32.0 | 33.0 | 18.0 | 27.5 | 0.8 | 300 | ||||||||||||
ОЦІНКИ & Розміри (мм)
| ( F) | Робота g
Напруга |
1000VDC(3A) | 1600Vdc (3C) | 2000Vdc (3Р.) | |||||||||||||||
| 600Ваканлювати | 650Ваканлювати | 700Ваканлювати | |||||||||||||||||
|
Кодування |
Ш | H | Т | С | померти | dv/dt | Ш | H | Т | С | померти | dv/dt | Ш | H | Т | С | померти | dv/dt | |
| 0.00022 | 221 | 18.0 | 11.0 | 5.0 | 15.0 | 0.8 | 10,000 | ||||||||||||
| 0.00027 | 271 | 18.0 | 11.0 | 5.0 | 15.0 | 0.8 | 10,000 | ||||||||||||
| 0.00033 | 331 | 18.0 | 11.0 | 5.0 | 15.0 | 0.8 | 10,000 | ||||||||||||
| 0.00047 | 471 | 18.0 | 11.0 | 5.0 | 15.0 | 0.8 | 10,000 | ||||||||||||
| 0.00056 | 561 | 18.0 | 11.0 | 5.0 | 15.0 | 0.8 | 10,000 | ||||||||||||
| 0.00068 | 681 | 18.0 | 11.0 | 5.0 | 15.0 | 0.8 | 6,000 | 18.0 | 11.0 | 5.0 | 15.0 | 0.8 | 10,000 | ||||||
| 0.00082 | 821 | 18.0 | 11.0 | 5.0 | 15.0 | 0.8 | 6,000 | 18.0 | 11.0 | 5.0 | 15.0 | 0.8 | 10,000 | ||||||
| 0.001 | 102 | 18.0 | 11.0 | 5.0 | 15.0 | 0.8 | 6,000 | 18.0 | 11.0 | 5.0 | 15.0 | 0.8 | 10,000 | ||||||
| 0.0012 | 122 | 18.0 | 11.0 | 5.0 | 15.0 | 0.8 | 6,000 | 18.0 | 11.0 | 5.0 | 15.0 | 0.8 | 10,000 | ||||||
| 0.0015 | 152 | 18.0 | 11.0 | 5.0 | 15.0 | 0.8 | 6,000 | 18.0 | 11.0 | 5.0 | 15.0 | 0.8 | 10,000 | ||||||
| 0.0018 | 182 | 18.0 | 11.0 | 5.0 | 15.0 | 0.8 | 6,000 | 18.0 | 11.0 | 5.0 | 15.0 | 0.8 | 10,000 | ||||||
| 0.0022 | 222 | 18.0 | 11.0 | 5.0 | 15.0 | 0.8 | 6,000 | 18.0 | 11.0 | 5.0 | 15.0 | 0.8 | 10,000 | ||||||
| 0.0027 | 272 | 18.0 | 11.0 | 5.0 | 15.0 | 0.8 | 6,000 | 18.0 | 11.0 | 5.0 | 15.0 | 0.8 | 10,000 | ||||||
| 0.0033 | 332 | 18.0 | 11.0 | 5.0 | 15.0 | 0.8 | 6,000 | 18.0 | 11.0 | 5.0 | 15.0 | 0.8 | 10,000 | ||||||
| 0.0039 | 392 | 13.0 | 11.0 | 5.0 | 10.0 | 0.6 | 6,000 | 18.0 | 11.0 | 5.0 | 15.0 | 0.8 | 6,000 | 18.0 | 11.0 | 5.0 | 15.0 | 0.8 | 10,000 |
| 0.0047 | 472 | 13.0 | 11.0 | 5.0 | 10.0 | 0.6 | 6,000 | 18.0 | 11.0 | 5.0 | 15.0 | 0.8 | 6,000 | 18.0 | 11.0 | 5.0 | 15.0 | 0.8 | 10,000 |
| 0.0056 | 562 | 13.0 | 12.0 | 6.0 | 10.0 | 0.6 | 6,000 | 18.0 | 11.0 | 5.0 | 15.0 | 0.8 | 6,000 | 18.0 | 13.5 | 7.5 | 15.0 | 0.8 | 10,000 |
| 0.0068 | 682 | 13.0 | 12.0 | 6.0 | 10.0 | 0.6 | 6,000 | 18.0 | 11.0 | 5.0 | 15.0 | 0.8 | 6,000 | 18.0 | 13.5 | 7.5 | 15.0 | 0.8 | 10,000 |
| 0.0082 | 822 | 18.0 | 11.0 | 5.0 | 15.0 | 0.8 | 3,300 | 18.0 | 12.0 | 6.0 | 15.0 | 0.8 | 6,000 | 26.5 | 15.0 | 6.0 | 22.5 | 0.8 | 5,000 |
| 0.01 | 103 | 18.0 | 11.0 | 5.0 | 15.0 | 0.8 | 3,300 | 18.0 | 12.0 | 6.0 | 15.0 | 0.8 | 6,000 | 26.5 | 15.0 | 6.0 | 22.5 | 0.8 | 5,000 |
| 0.012 | 123 | 18.0 | 11.0 | 5.0 | 15.0 | 0.8 | 3,300 | 18.0 | 13.5 | 7.5 | 15.0 | 0.8 | 6,000 | 26.5 | 15.0 | 6.0 | 22.5 | 0.8 | 5,000 |
| 0.015 | 153 | 18.0 | 11.0 | 5.0 | 15.0 | 0.8 | 3,300 | 18.0 | 13.5 | 7.5 | 15.0 | 0.8 | 6,000 | 26.5 | 16.0 | 7.0 | 22.5 | 0.8 | 5,000 |
| 0.018 | 183 | 18.0 | 13.5 | 7.5 | 15.0 | 0.8 | 3,300 | 18.0 | 14.5 | 8.5 | 15.0 | 0.8 | 6,000 | 26.5 | 16.0 | 7.0 | 22.5 | 0.8 | 5,000 |
| 0.022 | 223 | 18.0 | 13.5 | 7.5 | 15.0 | 0.8 | 3,300 | 18.0 | 14.5 | 8.5 | 15.0 | 0.8 | 6,000 | 26.5 | 17.0 | 8.5 | 22.5 | 0.8 | 5,000 |
| 0.027 | 273 | 18.0 | 14.5 | 8.5 | 15.0 | 0.8 | 3,300 | 26.5 | 15.0 | 6.0 | 22.5 | 0.8 | 3,000 | 26.5 | 18.5 | 10.0 | 22.5 | 0.8 | 5,000 |
| 0.033 | 333 | 26.5 | 15.0 | 6.0 | 22.5 | 0.8 | 2,100 | 26.5 | 16.0 | 7.0 | 22.5 | 0.8 | 3,000 | 26.5 | 18.5 | 10.0 | 22.5 | 0.8 | 5,000 |
| 0.039 | 393 | 26.5 | 15.0 | 6.0 | 22.5 | 0.8 | 2,100 | 26.5 | 17.0 | 8.5 | 22.5 | 0.8 | 3,000 | 26.5 | 22.0 | 12.0 | 22.5 | 0.8 | 5,000 |
| 0.047 | 473 | 26.5 | 16.0 | 7.0 | 22.5 | 0.8 | 2,100 | 26.5 | 18.5 | 10.0 | 22.5 | 0.8 | 3,000 | 32.0 | 20.0 | 11.0 | 27.5 | 0.8 | 2,200 |
| 0.056 | 563 | 26.5 | 16.0 | 7.0 | 22.5 | 0.8 | 2,100 | 26.5 | 18.5 | 10.0 | 22.5 | 0.8 | 3,000 | 32.0 | 22.0 | 13.0 | 27.5 | 0.8 | 2,200 |
| 0.068 | 683 | 26.5 | 17.0 | 8.5 | 22.5 | 0.8 | 2,100 | 26.5 | 22.0 | 12.0 | 22.5 | 0.8 | 3,000 | 32.0 | 22.0 | 13.0 | 27.5 | 0.8 | 2,200 |
| 0.082 | 823 | 26.5 | 18.5 | 10.0 | 22.5 | 0.8 | 2,100 | 32.0 | 20.0 | 11.0 | 27.5 | 0.8 | 2,000 | 32.0 | 24.5 | 15.0 | 27.5 | 0.8 | 2,200 |
| 0.1 | 104 | 26.5 | 18.5 | 10.0 | 22.5 | 0.8 | 2,100 | 32.0 | 20.0 | 11.0 | 27.5 | 0.8 | 2,000 | 32.0 | 28.0 | 14.0 | 27.5 | 0.8 | 2,200 |
| 0.12 | 124 | 32.0 | 20.0 | 11.0 | 27.5 | 0.8 | 1,300 | 32.0 | 22.0 | 13.0 | 27.5 | 0.8 | 2,000 | 32.0 | 33.0 | 18.0 | 27.5 | 0.8 | 2,200 |
| 0.15 | 154 | 32.0 | 20.0 | 11.0 | 27.5 | 0.8 | 1,300 | 32.0 | 24.5 | 15.0 | 27.5 | 0.8 | 2,000 | 32.0 | 33.0 | 18.0 | 27.5 | 0.8 | 2,200 |
| 0.18 | 184 | 32.0 | 22.0 | 13.0 | 27.5 | 0.8 | 1,300 | 32.0 | 24.5 | 15.0 | 27.5 | 0.8 | 2,000 |
|
|||||
| 0.22 | 224 | 32.0 | 22.0 | 13.0 | 27.5 | 0.8 | 1,300 | 32.0 | 33.0 | 18.0 | 27.5 | 0.8 | 2,000 | ||||||
| 0.27 | 274 | 32.0 | 24.5 | 15.0 | 27.5 | 0.8 | 1,300 | 32.0 | 33.0 | 18.0 | 27.5 | 0.8 | 2,000 | ||||||
| 0.33 | 334 | 32.0 | 28.0 | 14.0 | 27.5 | 0.8 | 1,300 | 32.0 | 33.0 | 18.0 | 27.5 | 0.8 | 2,000 | ||||||
| 0.39 | 394 | 32.0 | 33.0 | 18.0 | 27.5 | 0.8 | 1,300 | ||||||||||||
| 0.47 | 474 | 32.0 | 33.0 | 18.0 | 27.5 | 0.8 | 1,300 | ||||||||||||
Vrms проти. Частота, типове значення

КОДОВА ДІАГРАМА РАДІАЛЬНОЇ СТРІЧКИ

Рис. 4 Коробка або покриття Expoxy
F=10 = Тільки патрони
F=15 Кожен інший пробіл пропущено, тому що
більшого тіла – Тільки патрони
(RT3 або RT4)
| Опис |
лист |
Розмір (мм) | |
| RT4 | Тол. | ||
| Діаметр свинцевого дроту | d | 0.6 / 0.8 | ± 0.05 |
| Крок стрічки | С | 25.4 | ± 1 |
| Крок живильного отвору | PO | 12.7 | ± 0.2 |
| Центрування провідного дроту | P1 | 5.2 | ± 0.7 |
| Центрування тіла | P2 | 12.7 | ± 1.3 |
| Відстань між проводами (крок) | F | 15 | + 0.6; -0.1 |
| Вирівнювання компонентів | Δh | 0 | ± 2 |
| Висота компонента від центру стрічки | H | 18.5 | ± 0.5 |
| Ширина несучої стрічки | Ш | 18 | + 1; -0.5 |
| Утримуйте ширину стрічки | WO | 10 | Хв |
| Позиція отвору | W1 | 9 | ± 0.5 |
| Утримуйте позицію стрічки | W2 | 3 | Максимум |
| Діаметр живильного отвору | робити | 4 | ± 0.2 |
| Товщина стрічки | t | 0.5 | ± 0.2 |
| малюнок | фіг | 4 | |
Зауваження: *Допуск накопиченого кроку менше 1 мм за сумою 20 висоти.
*Безперервний порожній компонент менше ніж 3 послідовні частини.
*Всього порожньо на один барабан менше ніж 1%.
Вступ
Серія CDBB розроблена спеціально для корекції коефіцієнта потужності (PFC) програми. Плівку було вибрано та металізовано спеціально для високого dv/dt










