Hybride tantalum -condensatoren met hoge energie|Cbee
Tantaal geval, Hermetisch afgesloten, Cilindrisch, Radiale leiding, Heteropolariteit, met schroeven, handig te repareren Vermengd door elektrolytische tantaalcondensator en elektrochemische condensator, Klein formaat, Supercapaciteit
Stabiel in elektrische prestaties, Hoge betrouwbaarheid, Lange levensduur, Maximaal in de dichtheid van capaciteit en energie, De nominale capaciteit is hoger dan die van de CBEF-serie
Ingebouwd als batterij in een energieconversatiecircuit & Stroompulscircuit, fungeerde als filter, opslag energie,tijdvertraging circuit.
SPECIFICATIES
Bedrijfstemperatuur:-55℃ tot +125℃ (tot +125℃, met beoordeeld
Opslagtemperatuur:-62℃ ~ +130℃
Capaciteitstolerantie:Q: (-10%~+30%), K: (±10%), M: (±20%)
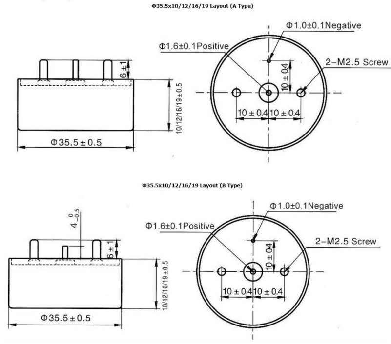
AFMETINGEN
Opmerking
1.Gebruik geen multimeter tijdens de meetprocedures (kan onomkeerbare schade veroorzaken en leiden tot weggooien).
2.Capaciteit en DF gemeten bij 100 Hz, U_=2.200 V, U = 1,00- V-test alleen toegepast in serie-equivalent circuit.
3.Spanningsderating wordt toegepast bij +125℃. (De DCL-parameter moet daarna worden gelezen 5 minuten wanneer deze op het circuit is aangesloten).
4.Speciale maat en vraag kunnen met ons overleggen.
VOORBEELD ONDERDEELNUMMER

Kenmerken en toepassing
◆Tantalum-behuizing, Hermetisch afgesloten, Cilindrisch, Radiale leiding, Heteropolariteit
◆Vermengd met elektrolytische tantaalcondensator en elektrochemische condensator, Klein formaat, Supercapaciteit.
◆Stabiel in elektrische prestaties, Hoge betrouwbaarheid, Lange levensduur, Maximaal in de dichtheid van capaciteit en energie
◆Ingebouwd als batterij in een energieconversatiecircuit & Stroompulscircuit, fungeerde als filter, opslag energie, tijdvertraging circuit













