Condensateurs de tantale hybride à haute énergie|CBEA
Cas de tantale, Hermétiquement scellé, Cylindrique, Sortie radiale, Hétéropolarité
Mélangé par un condensateur électrolytique au tantale et un condensateur électrochimique, Petite taille, Super capacité.
Stable dans les performances électriques, Haute fiabilité, Longue durée de vie, Maximum in the Density of Capacitance and Energy Built-in as battery in Energy-conversed-circuit & Circuit à puissance pulsée, fonctionnait comme un filtre, énergie de stockage, circuit temporisé.
CARACTÉRISTIQUES
Température de fonctionnement: -55℃ à +125℃ (à +125℃, avec déclassement de tension nominale)
Température de stockage: -62℃ ~ +130℃
Tolérance de capacité:Q: (-10%~+30%), K: (±10%), M: (±20%)
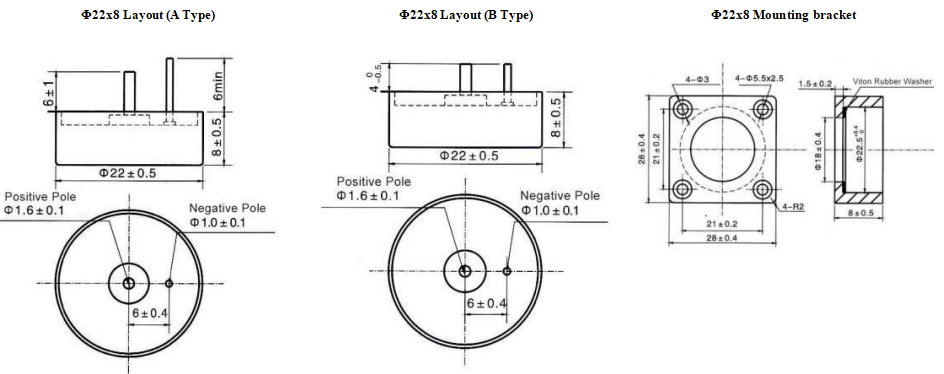
Dimensions (unité: MM)
Please visit our website to get more update data, those data & specification are subject to change without notice.
EXEMPLE DE NUMÉRO DE PIÈCE

Dimensions (unité: MM)
Dimensions (unité: MM)
Note:
1.Veuillez ne pas utiliser de multimètre pendant les procédures de mesure (peut causer des dommages irréversibles et conduire à la mise au rebut).
2.Capacité et DF mesurés à 100 Hz, U_=2.200-1.0V, U~=1.00-0.5V Test only applied in series equivalent circuit.
3.Le déclassement de tension est appliqué à +125℃. (Le paramètre DCL doit être lu après 5 minutes lorsqu'il s'est connecté au circuit).
4.Une taille et une demande spéciales pourraient nous consulter.
Caractéristiques et application
◆Cas tantale, Hermétiquement scellé, Cylindrique, Sortie radiale, Hétéropolarité
◆Mélangé par un condensateur électrolytique au tantale et un condensateur électrochimique, Petite taille, Super capacité.
◆Stable dans les performances électriques, Haute fiabilité, Longue durée de vie, Maximum dans la densité de capacité et d’énergie
◆Intégré comme batterie dans un circuit à conversion d'énergie & Circuit à puissance pulsée, fonctionnait comme un filtre, énergie de stockage, circuit temporisé















