المكثفات الإلكترولينية المذهلة ▏105 ℃ 3000 ساعة ▏cavb
سمات
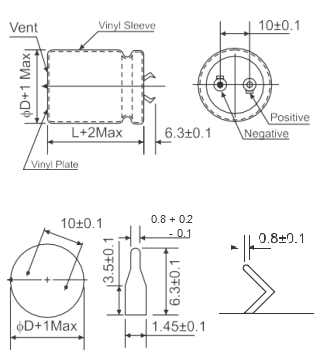
يحتوي على طرف إضافي يمكنه اللحام بثنائي الفينيل متعدد الكلور مباشرة ولا يحتاج إلى تثبيت لتوفير وقت المعالجة.
مناسب للمعدات الإلكترونية ذات دوائر الجهد المتوسط والعالي. يتوفر نوع طرفي لوحة الدوائر المطبوعة ونوع طرف العروة.
3,000 ساعة الحياة
يحتوي على طرف إضافي يمكنه اللحام بثنائي الفينيل متعدد الكلور مباشرة ولا يحتاج إلى تثبيت لتوفير وقت المعالجة.
مناسب للمعدات الإلكترونية ذات دوائر الجهد المتوسط والعالي. يتوفر نوع طرفي لوحة الدوائر المطبوعة ونوع طرف العروة.
3,000 ساعة الحياة
تحديد
| غرض | أداء | |||||||||||||||||||||||
| درجة حرارة التشغيل. يتراوح | -40درجة مئوية ~ +105 درجة مئوية | |||||||||||||||||||||||
| التسامح السعة | ±20% (عند 120 هرتز, 20درجة مئوية) | |||||||||||||||||||||||
| تسرب الحالي (عند 20 درجة مئوية) | I=0.02CV أو 1.5mA أيهما أصغر (بعد 5 دقائق) أين, C = السعة المقدرة في F. V = تصنيف جهد العمل DC. | |||||||||||||||||||||||
| عامل التبديد
(تان عند 120 هرتز, 20درجة مئوية) |
الجهد المقدر | 16 | 25 | 35 | 50 | 63 | 100 | 160 | 200 | 250 | 350 | 400 | 450 | |||||||||||
| تان (الأعلى) | 0.40 | 0.30 | 0.25 | 0.20 | 0.15 | 0.10* | 0.15 | 0.10* | 0.10* | 0.15 | 0.15 | 0.15 | ||||||||||||
| *0.15 ل د = 35 ملم | ||||||||||||||||||||||||
|
خصائص درجات الحرارة المنخفضة (عند 120 هرتز) |
يجب ألا تتجاوز نسبة المعاوقة القيم الواردة في الجدول أدناه. | |||||||||||||||||||||||
| الجهد المقدر | 16 | 25 | 35 | 50 | 63 | 100 | 160 | 200 | 250 | 350 | 400 | 450 | ||||||||||||
| نسبة المعاوقة | ز(-25درجة مئوية) / ز(+20درجة مئوية) | 4 | 3 | 3 | 2 | 2 | 2 | 4 | 4 | 4 | 4 | 8 | 8 | |||||||||||
| ز(-40درجة مئوية) / ز(+20درجة مئوية) | 15 | 10 | 8 | 6 | 6 | 5 | 4 | 8 | 10 | 16 | 18 | 20 | ||||||||||||
|
اختبار عمر الحمل |
وقت الاختبار | 3000 ساعات | ||||||||||||||||||||||
| تغيير السعة | ضمن ±20% من القيمة الأولية | |||||||||||||||||||||||
| عامل التبديد | أقل من 200% ذات قيمة محددة | |||||||||||||||||||||||
| تسرب الحالي | ضمن القيمة المحددة | |||||||||||||||||||||||
| يجب استيفاء المواصفات المذكورة أعلاه عند إعادة المكثفات إلى درجة حرارة 20 درجة مئوية بعد ذلك
الجهد المقنن المطبق عليه 3000 ساعة عند 105 درجة مئوية |
||||||||||||||||||||||||
|
اختبار مدة الصلاحية |
وقت الاختبار | 1000 ساعات | ||||||||||||||||||||||
| تغيير السعة | ضمن ±20% من القيمة الأولية | |||||||||||||||||||||||
| عامل التبديد | أقل من 150% ذات قيمة محددة | |||||||||||||||||||||||
| تسرب الحالي | ضمن القيمة المحددة | |||||||||||||||||||||||
| يجب استيفاء المواصفات المذكورة أعلاه عند إعادة المكثفات إلى درجة حرارة 20 درجة مئوية بعد تعريضها 1000 ساعات عند 105 درجة مئوية دون تطبيق الجهد. | ||||||||||||||||||||||||
| تموج الحالي & مضاعفات التردد | WV (الخامس) التكرار (هرتز) | 50/60 | 120 | 300 | 1ك | 10ك يصل | ||||||||||||||||||
| المضاعف | 0.8 | 1.0 | 1.1 | 1.3 | 1.4 | |||||||||||||||||||
| تموج الحالي & مضاعفات درجة الحرارة | درجة حرارة (درجة مئوية) | 40 | 60 | 70 | 85 | 105 | ||||||||||||||||||
| المضاعف | 2.5 | 2.2 | 2.0 | 1.8 | 1.0 | |||||||||||||||||||
| المعايير | يفي بخصائص W لـ JIS C 5141 | |||||||||||||||||||||||
الأداة الإضافية نوع المحطة الطرفية
مثال رقم الجزء
سمات
◆ يحتوي على طرف إضافي يمكنه اللحام بثنائي الفينيل متعدد الكلور مباشرة ولا يحتاج إلى تركيب لتوفير وقت المعالجة.
◆ مناسب للمعدات الإلكترونية ذات دوائر الجهد المتوسط والعالي. يتوفر نوع طرفي لوحة الدوائر المطبوعة ونوع طرف العروة.
◆ 3,000 ساعة الحياة














