مكثفات تانتالوم هجينة عالية الطاقة|CBEC
حالة التنتالوم, مختومة بإحكام, أسطواني, شعاعي الرصاص, تباين القطبية, مع مسامير, مناسب للإصلاح الممزوج بمكثف التنتالوم كهربائيا والمكثف الكهروكيميائي, الحجم الصغير, السعة الفائقة
مستقر في الأداء الكهربائي, موثوقية عالية, عمر طويل, الحد الأقصى في كثافة السعة والطاقة, السعة الاسمية أعلى من سلسلة CBEF
مدمجة كبطارية في دائرة متحولة للطاقة & دائرة الطاقة النبضية, بمثابة تصفية, طاقة التخزين,دائرة تأخير الوقت.
تحديد
درجة حرارة التشغيل:-55درجه مئوية إلى +125 درجه مئوية (إلى +125 درجة مئوية, مع تصنيف
درجة حرارة التخزين:-62درجه مئوية ~ +130 درجه مئوية
التسامح السعة:س: (-10%~+30%), ك: (± 10 ٪), م: (±20%)
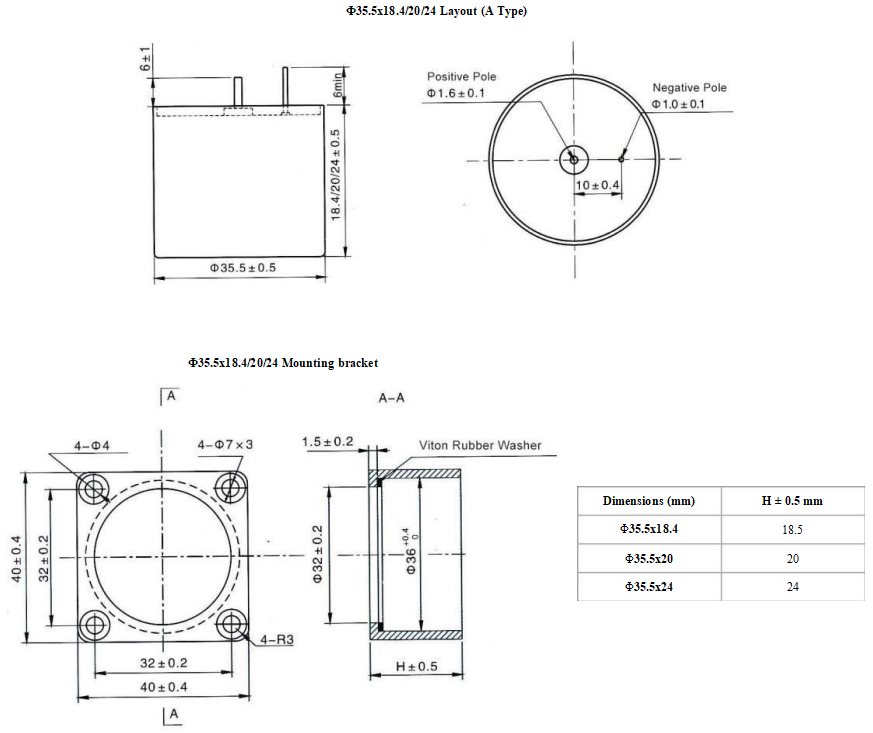
أبعاد (وحدة: مم)
ملحوظة
1.يرجى عدم استخدام المتر المتعدد خلال إجراءات القياس (قد يسبب ضررا لا رجعة فيه ويؤدي إلى التخلص منها).
2.السعة وDF تقاس عند 100 هرتز, U_=2.200 فولت, ش =1.00- يتم تطبيق اختبار V فقط في الدائرة المكافئة للسلسلة.
3.يتم تطبيق خفض الجهد عند +125 درجة مئوية. (يجب قراءة معلمة DCL بعد ذلك 5 دقائق عند توصيله بالدائرة).
4.يمكن للحجم الخاص والطلب التشاور معنا.
مثال رقم الجزء

الخصائص والتطبيق
◆حالة التنتالوم, مختومة بإحكام, أسطواني, شعاعي الرصاص, تباين القطبية
◆ ممزوج بمكثف التنتالوم كهربائيا والمكثف الكهروكيميائي, الحجم الصغير, السعة الفائقة.
◆مستقر في الأداء الكهربائي, موثوقية عالية, عمر طويل, الحد الأقصى في كثافة السعة والطاقة
◆مدمجة كبطارية في دائرة تحويل الطاقة & دائرة الطاقة النبضية, بمثابة تصفية, طاقة التخزين, دائرة تأخير الوقت













