Metalize polipropilen film kapasitörü |Düşük DF| CDBC
CDBC serisi metalize polipropilen film dielektrik ile üretilmiştir, bakır kat kurşun ve alev geciktirici epoksi reçine kaplama. Uygun engelleme, ile- geçmek, kaplin, ayırma, filtreleme, zamanlama, ayarlama, sıcaklık dengelemesi ve balastlarda kullanım için ideal, güç kaynaklarını değiştirme, telekomünikasyon ekipmanları, endüstriyel aletler, otomatik kontrol sistemleri ve diğer genel elektronik ekipmanlar.
ÖZELLİKLER
◆ Yüksek frekansta düşük dağılım faktörü
◆ Yüksek kapasitans ve dağılım faktörü kararlılığı
◆ Endüktif olmayan yapı
◆ Kendi kendini iyileştirme
◆ Alev geciktirici epoksi reçine kaplama (UL 94V'ye uygun-0)
Spesifikasyonlar
| Öğeler | Performans | ||||||
| Çalışma Gerilimi Aralığı | 100VDC, 250VDC, 400VDC, 630VDC | ||||||
| Nominal Sıcaklık | -40 ˚C ~ +85°C | ||||||
| Kullanılabilir Üst Kategori Sıcaklığı | +105°C
(+85˚C ~ +110° C'nin üzerinde nominal gerilimin değer kaybı oranı: 1.5% Anma Geriliminin °C'si başına) |
||||||
| Kapasite Aralığı | 0.01 uF ~ 10 uF | ||||||
| Kapasitans toleransı | +3% (H), +5% (J), +10% (K) | ||||||
|
Dağılma faktörü |
KHz | C < 0.1 uF | 0.1 < C < 1.0 uF | 1.0 < C < 3.0 uF | 3.0 < C < 5.0 uF | 5.0 < C < 10 uF | |
| 1 | < 0.10% | ||||||
| 100 | < 0.40% | < 0.70% | < 1.20% | < 1.80% | < 2.80% | ||
|
Yalıtım Direnci Terminalinden Terminale |
Gerilim Şarjı: 100Vdc x 1 dk (20˚C'de + 5C)
> 30,000C için MΩ < 0.33uF > 10,000C için MΩ x µF > 0.33uF |
||||||
| Dayanım Gerilimi | Terminalden Terminale: (20˚C'de + 5C) | ||||||
|
Nominal Gerilim Darbe Eğimi dV/dt (V/μs) |
Saha
Sanal Gerçeklik |
7.5mm | 10mm | 15mm | 22.5mm | 27.5mm | |
| 100VDC | 130 | 110 | 100 | 70 | 50 | ||
| 250VDC | 240 | 220 | 200 | 130 | 100 | ||
| 400VDC | — | 350 | 300 | 200 | 150 | ||
| 630VDC | — | 420 | 400 | 250 | 180 | ||
GÜVENİLİRLİK TESTİ
| Öğe | Test Yöntemler | Gereksinimler |
| Lehimleme Isısına Direnç IEC 60068-2-20 | Lehim Banyosu: 260°C + 5ºC Daldırma Süresi: 10saniye + 1saniye | Kapasitans Değişimi ІΔ C/C : <1% DF Değişimi Δ tan d : 0.1% 1KHz IR'de: > sınır değeri |
| Titreşime Karşı Direnç IEC 60068-2-6 | Frekans Aralığı: 10Hz ila 55Hz Genlik: 1.5mm
Süre: 6 saat |
Görünür Hasar Olmayacak, Aralıklı Temas Yok,
Açık veya Kısa Devre Yok |
| Nemli Isı, Kararlı Durum IEC 60068-2-3 | Sıcaklık: 40°C + 2ºC Bağıl Nem: 90% ile 95%
Süre: 1,000 saat |
Kapasitans Değişimi ІΔC/C І< : 3% DF Değişimi Δ tan d: 0.1% 1KHz IR'de: > 50% sınır değeri |
| Elektriksel Dayanıklılık IEC 60384-17 | Sıcaklık: 85°C + 2°C Uygulanan Gerilim: 1.25 xVR(DC) Süre: 2,000 saat | Kapasitans Değişimi ІΔC/CІ< : 3% DF Değişimi Δ tan d : 0.1% 1KHz IR'de: > 50% sınır değeri |
MAKSİMUM BOYUTLAR
| W.V.. | 100VDC (2A) | 250VDC (2E) | 400VDC (2G) | 630VDC (2J) | |||||||||||||||||
| (uF) | Kodlamak | K | H | T | P | D | K | H | T | P | D | K | H | T | P | D | K | H | T | P | D |
| 0.010 | 103 | 10.5 | 7.5 | 4.0 | 7.5 | 0.6 | 10.5 | 9.0 | 5.5 | 7.5 | 0.6 | ||||||||||
| 0.012 | 123 | 10.5 | 8.5 | 4.0 | 7.5 | 0.6 | 10.5 | 9.5 | 6.0 | 7.5 | 0.6 | ||||||||||
| 0.015 | 153 | 10.5 | 9.0 | 4.5 | 7.5 | 0.6 | 10.5 | 10.5 | 6.0 | 7.5 | 0.6 | ||||||||||
| 0.018 | 183 | 10.5 | 9.5 | 4.5 | 7.5 | 0.6 | 10.5 | 11.0 | 6.5 | 7.5 | 0.6 | ||||||||||
| 0.022 | 223 | 10.5 | 7.5 | 4.0 | 7.5 | 0.6 | 10.5 | 10.0 | 5.0 | 7.5 | 0.6 | 13.0 | 10.0 | 6.0 | 10.0 | 0.6 | |||||
| 0.027 | 273 | 10.5 | 8.0 | 4.0 | 7.5 | 0.6 | 10.5 | 10.5 | 5.5 | 7.5 | 0.6 | 13.0 | 11.0 | 6.5 | 10.0 | 0.6 | |||||
| 0.033 | 333 | 10.5 | 8.5 | 4.5 | 7.5 | 0.6 | 10.5 | 11.0 | 6.0 | 7.5 | 0.6 | 13.0 | 11.5 | 7.0 | 10.0 | 0.6 | |||||
| 0.039 | 393 | 10.5 | 9.0 | 4.5 | 7.5 | 0.6 | 13.0 | 11.0 | 5.5 | 10.0 | 0.6 | 13.0 | 12.0 | 8.0 | 10.0 | 0.6 | |||||
| 0.047 | 473 | 10.5 | 7.5 | 4.0 | 7.5 | 0.6 | 10.5 | 10.0 | 4.5 | 7.5 | 0.6 | 13.0 | 11.0 | 5.5 | 10.0 | 0.6 | 13.0 | 13.0 | 8.0 | 10.0 | 0.6 |
| 0.056 | 563 | 10.5 | 8.0 | 4.0 | 7.5 | 0.6 | 10.5 | 10.5 | 5.0 | 7.5 | 0.6 | 13.0 | 11.5 | 6.0 | 10.0 | 0.6 | 13.0 | 14.0 | 9.0 | 10.0 | 0.6 |
| 0.068 | 683 | 10.5 | 9.0 | 4.5 | 7.5 | 0.6 | 10.5 | 11.0 | 5.5 | 7.5 | 0.6 | 13.0 | 12.5 | 6.5 | 10.0 | 0.6 | 18.0 | 12.5 | 7.0 | 15.0 | 0.8 |
| 0.082 | 823 | 10.5 | 9.5 | 4.5 | 7.5 | 0.6 | 10.5 | 11.5 | 6.0 | 7.5 | 0.6 | 13.0 | 13.0 | 7.0 | 10.0 | 0.6 | 18.0 | 13.0 | 7.5 | 15.0 | 0.8 |
| 0.10 | 104 | 10.5 | 10.0 | 5.0 | 7.5 | 0.6 | 10.5 | 12.0 | 6.5 | 7.5 | 0.6 | 13.0 | 13.5 | 8.0 | 10.0 | 0.6 | 18.0 | 14.0 | 8.0 | 15.0 | 0.8 |
| 0.12 | 124 | 10.5 | 10.0 | 5.5 | 7.5 | 0.6 | 13.0 | 11.5 | 6.0 | 10.0 | 0.6 | 18.0 | 12.0 | 6.0 | 15.0 | 0.8 | 18.0 | 15.5 | 8.0 | 15.0 | 0.8 |
| 0.15 | 154 | 10.5 | 11.0 | 6.0 | 7.5 | 0.6 | 13.0 | 12.0 | 6.5 | 10.0 | 0.6 | 18.0 | 12.5 | 7.0 | 15.0 | 0.8 | 18.0 | 16.5 | 9.0 | 15.0 | 0.8 |
| 0.18 | 184 | 10.5 | 11.5 | 6.5 | 7.5 | 0.6 | 13.0 | 12.5 | 7.0 | 10.0 | 0.6 | 18.0 | 13.5 | 8.5 | 15.0 | 0.8 | 18.0 | 17.5 | 10.0 | 15.0 | 0.8 |
| 0.22 | 224 | 13.0 | 11.5 | 6.0 | 10.0 | 0.6 | 13.0 | 13.0 | 7.5 | 10.0 | 0.6 | 18.0 | 15.0 | 8.0 | 15.0 | 0.8 | 18.0 | 18.5 | 11.5 | 15.0 | 0.8 |
| 0.27 | 274 | 13.0 | 12.0 | 6.5 | 10.0 | 0.6 | 18.0 | 13.0 | 6.0 | 15.0 | 0.8 | 18.0 | 16.0 | 8.5 | 15.0 | 0.8 | 25.5 | 18.0 | 9.0 | 22.5 | 0.8 |
| 0.33 | 334 | 13.0 | 13.0 | 7.0 | 10.0 | 0.6 | 18.0 | 14.0 | 6.5 | 15.0 | 0.8 | 18.0 | 17.0 | 9.5 | 15.0 | 0.8 | 25.5 | 19.0 | 10.0 | 22.5 | 0.8 |
| 0.39 | 394 | 13.0 | 13.5 | 7.5 | 10.0 | 0.6 | 18.0 | 14.5 | 7.0 | 15.0 | 0.8 | 18.0 | 18.0 | 10.5 | 15.0 | 0.8 | 25.5 | 20.0 | 11.0 | 22.5 | 0.8 |
| 0.47 | 474 | 13.0 | 14.0 | 8.5 | 10.0 | 0.6 | 18.0 | 15.0 | 8.0 | 15.0 | 0.8 | 25.5 | 16.0 | 9.0 | 22.5 | 0.8 | 20.5 | 20.5 | 12.0 | 17.5 | 0.8 |
| 25.5 | 21.0 | 12.0 | 22.5 | 0.8 | |||||||||||||||||
| 0.56 | 564 | 18.0 | 14.0 | 7.0 | 15.0 | 0.8 | 18.0 | 16.0 | 8.5 | 15.0 | 0.8 | 25.5 | 17.0 | 10.0 | 22.5 | 0.8 | 25.5 | 22.5 | 13.5 | 22.5 | 0.8 |
| 0.68 | 684 | 18.0 | 15.0 | 7.5 | 15.0 | 0.8 | 18.0 | 17.0 | 9.5 | 15.0 | 0.8 | 25.5 | 18.0 | 11.0 | 22.5 | 0.8 | 25.5 | 24.0 | 15.0 | 22.5 | 0.8 |
| 0.82 | 824 | 18.0 | 15.5 | 8.0 | 15.0 | 0.8 | 18.0 | 18.5 | 10.0 | 15.0 | 0.8 | 25.5 | 20.0 | 11.0 | 22.5 | 0.8 | 25.5 | 25.5 | 16.5 | 22.5 | 0.8 |
| 1.00 | 105 | 18.0 | 16.5 | 9.0 | 15.0 | 0.8 | 18.0 | 20.0 | 11.0 | 15.0 | 0.8 | 25.5 | 21.5 | 12.5 | 22.5 | 0.8 | 26.0 | 16.5 | 12.0 | 22.5 | 0.8 |
| 31.5 | 25.0 | 16.0 | 27.5 | 0.8 | |||||||||||||||||
| 1.20 | 125 | 18.0 | 17.5 | 10.0 | 15.0 | 0.8 | 25.5 | 18.0 | 9.0 | 22.5 | 0.8 | 25.5 | 23.0 | 14.0 | 22.5 | 0.8 | 31.5 | 27.0 | 18.0 | 27.5 | 0.8 |
| 1.50 | 155 | 18.0 | 18.5 | 11.5 | 15.0 | 0.8 | 25.5 | 19.5 | 10.5 | 22.5 | 0.8 | 25.5 | 24.5 | 15.5 | 22.5 | 0.8 | |||||
| 1.80 | 185 | 25.5 | 18.0 | 9.0 | 22.5 | 0.8 | 25.5 | 20.5 | 11.5 | 22.5 | 0.8 | ||||||||||
| 2.20 | 225 | 25.5 | 19.0 | 10.0 | 22.5 | 0.8 | 25.5 | 22.0 | 13.0 | 22.5 | 0.8 | ||||||||||
| 2.70 | 275 | 25.5 | 20.0 | 11.5 | 22.5 | 0.8 | 25.5 | 23.5 | 14.5 | 22.5 | 0.8 | ||||||||||
| 3.30 | 335 | 25.5 | 24.5 | 15.5 | 22.5 | 0.8 | 25.5 | 25.5 | 16.0 | 22.5 | 0.8 | ||||||||||
Parça numarası örneği – TOPLU
Parça numarası örneği – RADYAL bantlanmış
KAPASİTANS
| uF | 0.01 | 0.047 | 0.1 | 0.47 | 1.0 | 3.3 |
| pF | 10,000 | 47,000 | 100,000 | 470,000 | – | – |
| Kodlamak | 103 | 473 | 104 | 474 | 105 | 335 |
TOLERANS KODU
| Kodlamak | Hoşgörü |
| J | + 5% |
| K | + 10% |
| M | + 20% |
ANMA GERİLİMİ
| W.V.. | 100 | 250 | 400 | 630 |
| Kodlamak | 2A | 2E | 2G | 2J |
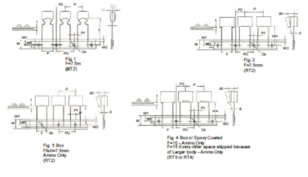
BANT KODU (Diyagramlara Bakın)
| Aralık | 7.5mm | 10mm | 15mm |
| Ambalaj | A veya R | A | A |
| Kodlamak | RT2 | RT3 | RT4 |
KURŞUN TARZI ÖRNEKLERİ
RADYAL KURŞUN ARALIĞI
* Leadspace, düz lead'li, biçimlendirilmemiş orijinal leadspace'dir.
| mm | 7.5 | 10 | 15 | 22.5 | 27.5 |
| Kodlamak | 075 | 100 | 150 | 225 | 275 |
OTURMA DÜZLEMİNDEN KURŞUN UZUNLUĞU (toplu paket ise)
| mm | 5 | 10 | 15 | 20 | 25 |
| Kodlamak | 050 | 100 | 150 | 200 | 250 |
AMBALAJLAMA
| Meth | OD | Toplu | Cephane | Makara |
| Kodlamak | B | A | R | |
KURŞUN STİLİ
| Kodlamak | Stil |
| S | Dümdüz |
| K | Kink-In (Uzak Dur) |
| F | Form Çıkışı |
| BEN | Formu Gir |
RADYAL BANTLAMA KOD ŞEMASI
Spesifikasyonlar
| Tanım |
Mektup |
Boyut (mm) |
Tanım |
Mektup |
Boyut (mm) | ||||||||
| RT1 | RT2 | RT3 | RT4 | Tol. | RT1 | RT2 | RT3 | RT4 | Tol. | ||||
| Kurşun Tel Çapı | D | 0.5 / 0.6 | 0.5 / 0.6 | 0.6 | 0.6 / 0.8 | + 0.05 | Taşıyıcı Bant Genişliği | K | 18 | 18 | 18 | 18 | + 1;-0.5 |
| Bant Aralığı | P | 12.7 | 12.7 | 12.7 | 25.4 | + 1 | Bant Genişliğini Basılı Tut | WO | 6 | 6 | 9 | 10 | Min. |
| Besleme Deliği Aralığı | PO | 12.7 | 12.87 | 12.7 | 12.7 | + 0.2 | Delik Konumu | W1 | 9 | 9 | 9 | 9 | + 0.5 |
| Kurşun Telin Merkezlenmesi | P1 | 3.85 | 2.6 / 3.75 | 7.7 | 5.2 | + 0.7 | Bant Konumunu Basılı Tut | W2 | 3 | 3 | 3 | 3 | Maksimum |
| Vücudun Merkezlenmesi | P2 | 6.35 | 6.35 | 12.7 | 12.7 | + 1.3 | Besleme Deliği Çapı | Yapmak | 4 | 4 | 4 | 4 | + 0.2 |
| Kurşun Aralığı (Saha) | F | 5 | 7.5 | 10 | 15 | + 0.6;-0.1 | Bant Kalınlığı | T | 0.7 | 0.7 | 0.7 | 0.07 | + 0.2 |
| Bileşen Hizalaması | ∆sa | 0 | 0 | 0 | 0 | + 2 | Figür | incir | 1 veya 2 | 1.2 veya 3 | 4 | 4 | |
| Componenet'in Bant Merkezinden Yüksekliği | H | 18.5 | 18.5 | 18.5 | 18.5 | + 0.5 | |||||||
Açıklama: *Toplamda 1 mm'den az birikmiş adım payı 20 sahalar.
*Sürekli boş bileşen daha az 3 ardışık parçalar.
*Bir makaradaki toplam boş değerden az 1%.
GİRİİŞ
CDBC serisi metalize polipropilen film dielektrik ile üretilmiştir, bakır kat kurşun ve alev geciktirici epoksi reçine kaplama. Uygun engelleme, ile- geçmek, kaplin, ayırma, filtreleme, zamanlama, ayarlama, sıcaklık dengelemesi ve balastlarda kullanım için ideal, güç kaynaklarını değiştirme, telekomünikasyon ekipmanları, endüstriyel aletler, otomatik kontrol sistemleri ve diğer genel elektronik ekipmanlar.













