Yüksek Enerji Hibrit Tantal Konsetorlar|CBEL
Tantal kasası, Hermetik olarak mühürlenmiş, Silindirik, Radyal, Heteropolarite, vidalı, Elektrolitik Tantal Kondansatör ve Elektrokimyasal Kondansatör ile Karıştırılarak sabitlenmesi uygundur, Küçük boyut, Süper Kapasite
Elektrik Performanslarında Kararlı, Yüksek Güvenilirlik, Uzun ömür, Kapasitans ve Enerji Yoğunluğunda Maksimum, Nominal Kapasitans CBEF serisinden daha yüksektir
Enerjiyle dönüştürülen devrede pil olarak yerleşik & Güç darbeli devre, filtreleme görevi gördü, depolama enerjisi,zaman geciktirme devresi.
Spesifikasyonlar
Çalışma sıcaklığı:-55°C ile +125°C arası (+125°C'ye kadar, derecelendirilmiş
Depolama Sıcaklığı:-62°C ~ +130°C
Kapasitans toleransı:Q: (-10%~+0), K: (±), M: (±% 20)
Parça numarası örneği
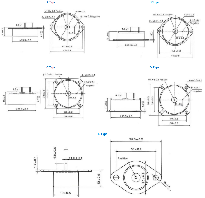
Boyutlar (birim: mm)
Not
1.Lütfen ölçüm prosedürlerinde multimetre kullanmayın (geri dönüşü olmayan hasara neden olabilir ve atılmasına yol açabilir).
2.Kapasitans ve DF 100Hz'de ölçülmüştür, U_=2.200V, U =1,00- V Testi yalnızca seri eşdeğer devrede uygulanır.
3.Gerilim azalması +125°C'de uygulanır. (DCL parametresi sonra okunmalıdır 5 dakika devreye bağlandığında).
4.Özel boyut ve talep bize danışabilir.
Özellikleri ve Uygulaması
◆Tantal kasa, Hermetik olarak mühürlenmiş, Silindirik, Radyal, Heteropolarite, with mountingflange.
◆Elektrolitik Tantal Kondansatör ve Elektrokimyasal Kondansatör ile birleştirilmiştir, Küçük boyut, Süper Kapasite
◆Elektriksel Performanslarda Kararlı, Yüksek Güvenilirlik, Uzun ömür, Kapasitans ve Enerji Yoğunluğunda Maksimum
◆Enerji dönüştürülmüş devrede dahili pil olarak & Güç darbeli devre, filtreleme görevi gördü, depolama enerjisi,
zaman geciktirme devresi.














