Метализовани полипропилен филмски кондензатор |Низак ДФ| ЦДБЦ
ЦДБЦ серије су направљене од метализованог полипропиленског филма диелектрика, премаз од бакреног олова и епоксидне смоле отпорне на пламен. Погодно блокирање, би- проћи, спојница, раздвајање, филтрирање, тајминг, штимовање, температурна компензација и идеална за употребу у баластима, прекидачки извори напајања, телекомуникациона опрема, индустријски инструменти, Аутоматски управљачки системи и друга општа електронска опрема.
Карактеристике
◆ Низак фактор дисипације на високој фреквенцији
◆ Висока капацитивност и стабилност фактора дисипације
◆ Неиндуктивна конструкција
◆ Самоизлечење
◆ Премаз од епоксидне смоле отпоран на пламен (у складу са УЛ 94В-0)
Спецификације
| Предмети | Перформансе | ||||||
| Опсег радног напона | 100ВДЦ, 250ВДЦ, 400ВДЦ, 630ВДЦ | ||||||
| Називна температура | -40 ˚Ц ~ +85ºЦ | ||||||
| Употребљива температура горње категорије | +105ºЦ
(Однос смањења називног напона преко +85˚Ц ~ +110ºЦ: 1.5% по ºЦ називног напона) |
||||||
| Опсег капацитивности | 0.01 µФ ~ 10 µФ | ||||||
| Толеранција капацитивности | +3% (Хмерово), +5% (Ј), +10% (К) | ||||||
|
Фактор дисипације |
КХз | Ц < 0.1 µФ | 0.1 < Ц < 1.0 µФ | 1.0 < Ц < 3.0 µФ | 3.0 < Ц < 5.0 µФ | 5.0 < Ц < 10 µФ | |
| 1 | < 0.10% | ||||||
| 100 | < 0.40% | < 0.70% | < 1.20% | < 1.80% | < 2.80% | ||
|
Отпор изолације терминал на терминал |
Волтаге Цхарге: 100Вдц к 1 мин (на 20˚Ц + 5˚Ц)
> 30,000МΩ за Ц < 0.33µФ > 10,000МΩ к µФ за Ц > 0.33µФ |
||||||
| Издржи напон | Од терминала до терминала: (на 20˚Ц + 5˚Ц) | ||||||
|
Називни напон пулсног нагиба дВ/дт (В/µс) |
Натапање
ВР |
7.5мм | 10мм | 15мм | 22.5мм | 27.5мм | |
| 100ВДЦ | 130 | 110 | 100 | 70 | 50 | ||
| 250ВДЦ | 240 | 220 | 200 | 130 | 100 | ||
| 400ВДЦ | — | 350 | 300 | 200 | 150 | ||
| 630ВДЦ | — | 420 | 400 | 250 | 180 | ||
ТЕСТ ПОУЗДАНОСТИ
| Артикал | Тест Методе | Захтеви |
| Отпорност на топлоту лемљења ИЕЦ 60068-2-20 | Солдер Батх: 260ºЦ + 5ºЦ Време урањања: 10сец + 1сец | Промена капацитивности ИΔ Ц/Ц : <1% ДФ Промена Δ тан д : 0.1% на 1КХз ИР: > гранична вредност |
| Отпорност на вибрације ИЕЦ 60068-2-6 | Фреквенцијски опсег: 10Хз до 55Хз Амплитуде: 1.5мм
Трајање: 6 сати |
Неће бити видљивих оштећења, Нема повременог контакта,
Нема отвореног или кратког споја |
| Влажна топлота, Стабилно стање ИЕЦ 60068-2-3 | Температура: 40ºЦ + 2ºЦ Релативна влажност: 90% да 95%
Трајање: 1,000 сати |
Промена капацитивности ИΔЦ/Ц И< : 3% ДФ Промена Δ тан д: 0.1% на 1КХз ИР: > 50% гранична вредност |
| Електрична издржљивост ИЕЦ 60384-17 | Температура: 85ºЦ + 2ºЦ Примењен напон: 1.25 к ВР(ДЦ) Трајање: 2,000 сати | Промена капацитивности ИΔЦ/ЦИ< : 3% ДФ Промена Δ тан д : 0.1% на 1КХз ИР: > 50% гранична вредност |
Максималне димензије
| В.В. | 100ВДЦ (2А) | 250ВДЦ (2Е) | 400ВДЦ (2Г) | 630ВДЦ (2Ј) | |||||||||||||||||
| (µФ) | Шифра | Ви | Хмерово | Т | П | д | Ви | Хмерово | Т | П | д | Ви | Хмерово | Т | П | д | Ви | Хмерово | Т | П | д |
| 0.010 | 103 | 10.5 | 7.5 | 4.0 | 7.5 | 0.6 | 10.5 | 9.0 | 5.5 | 7.5 | 0.6 | ||||||||||
| 0.012 | 123 | 10.5 | 8.5 | 4.0 | 7.5 | 0.6 | 10.5 | 9.5 | 6.0 | 7.5 | 0.6 | ||||||||||
| 0.015 | 153 | 10.5 | 9.0 | 4.5 | 7.5 | 0.6 | 10.5 | 10.5 | 6.0 | 7.5 | 0.6 | ||||||||||
| 0.018 | 183 | 10.5 | 9.5 | 4.5 | 7.5 | 0.6 | 10.5 | 11.0 | 6.5 | 7.5 | 0.6 | ||||||||||
| 0.022 | 223 | 10.5 | 7.5 | 4.0 | 7.5 | 0.6 | 10.5 | 10.0 | 5.0 | 7.5 | 0.6 | 13.0 | 10.0 | 6.0 | 10.0 | 0.6 | |||||
| 0.027 | 273 | 10.5 | 8.0 | 4.0 | 7.5 | 0.6 | 10.5 | 10.5 | 5.5 | 7.5 | 0.6 | 13.0 | 11.0 | 6.5 | 10.0 | 0.6 | |||||
| 0.033 | 333 | 10.5 | 8.5 | 4.5 | 7.5 | 0.6 | 10.5 | 11.0 | 6.0 | 7.5 | 0.6 | 13.0 | 11.5 | 7.0 | 10.0 | 0.6 | |||||
| 0.039 | 393 | 10.5 | 9.0 | 4.5 | 7.5 | 0.6 | 13.0 | 11.0 | 5.5 | 10.0 | 0.6 | 13.0 | 12.0 | 8.0 | 10.0 | 0.6 | |||||
| 0.047 | 473 | 10.5 | 7.5 | 4.0 | 7.5 | 0.6 | 10.5 | 10.0 | 4.5 | 7.5 | 0.6 | 13.0 | 11.0 | 5.5 | 10.0 | 0.6 | 13.0 | 13.0 | 8.0 | 10.0 | 0.6 |
| 0.056 | 563 | 10.5 | 8.0 | 4.0 | 7.5 | 0.6 | 10.5 | 10.5 | 5.0 | 7.5 | 0.6 | 13.0 | 11.5 | 6.0 | 10.0 | 0.6 | 13.0 | 14.0 | 9.0 | 10.0 | 0.6 |
| 0.068 | 683 | 10.5 | 9.0 | 4.5 | 7.5 | 0.6 | 10.5 | 11.0 | 5.5 | 7.5 | 0.6 | 13.0 | 12.5 | 6.5 | 10.0 | 0.6 | 18.0 | 12.5 | 7.0 | 15.0 | 0.8 |
| 0.082 | 823 | 10.5 | 9.5 | 4.5 | 7.5 | 0.6 | 10.5 | 11.5 | 6.0 | 7.5 | 0.6 | 13.0 | 13.0 | 7.0 | 10.0 | 0.6 | 18.0 | 13.0 | 7.5 | 15.0 | 0.8 |
| 0.10 | 104 | 10.5 | 10.0 | 5.0 | 7.5 | 0.6 | 10.5 | 12.0 | 6.5 | 7.5 | 0.6 | 13.0 | 13.5 | 8.0 | 10.0 | 0.6 | 18.0 | 14.0 | 8.0 | 15.0 | 0.8 |
| 0.12 | 124 | 10.5 | 10.0 | 5.5 | 7.5 | 0.6 | 13.0 | 11.5 | 6.0 | 10.0 | 0.6 | 18.0 | 12.0 | 6.0 | 15.0 | 0.8 | 18.0 | 15.5 | 8.0 | 15.0 | 0.8 |
| 0.15 | 154 | 10.5 | 11.0 | 6.0 | 7.5 | 0.6 | 13.0 | 12.0 | 6.5 | 10.0 | 0.6 | 18.0 | 12.5 | 7.0 | 15.0 | 0.8 | 18.0 | 16.5 | 9.0 | 15.0 | 0.8 |
| 0.18 | 184 | 10.5 | 11.5 | 6.5 | 7.5 | 0.6 | 13.0 | 12.5 | 7.0 | 10.0 | 0.6 | 18.0 | 13.5 | 8.5 | 15.0 | 0.8 | 18.0 | 17.5 | 10.0 | 15.0 | 0.8 |
| 0.22 | 224 | 13.0 | 11.5 | 6.0 | 10.0 | 0.6 | 13.0 | 13.0 | 7.5 | 10.0 | 0.6 | 18.0 | 15.0 | 8.0 | 15.0 | 0.8 | 18.0 | 18.5 | 11.5 | 15.0 | 0.8 |
| 0.27 | 274 | 13.0 | 12.0 | 6.5 | 10.0 | 0.6 | 18.0 | 13.0 | 6.0 | 15.0 | 0.8 | 18.0 | 16.0 | 8.5 | 15.0 | 0.8 | 25.5 | 18.0 | 9.0 | 22.5 | 0.8 |
| 0.33 | 334 | 13.0 | 13.0 | 7.0 | 10.0 | 0.6 | 18.0 | 14.0 | 6.5 | 15.0 | 0.8 | 18.0 | 17.0 | 9.5 | 15.0 | 0.8 | 25.5 | 19.0 | 10.0 | 22.5 | 0.8 |
| 0.39 | 394 | 13.0 | 13.5 | 7.5 | 10.0 | 0.6 | 18.0 | 14.5 | 7.0 | 15.0 | 0.8 | 18.0 | 18.0 | 10.5 | 15.0 | 0.8 | 25.5 | 20.0 | 11.0 | 22.5 | 0.8 |
| 0.47 | 474 | 13.0 | 14.0 | 8.5 | 10.0 | 0.6 | 18.0 | 15.0 | 8.0 | 15.0 | 0.8 | 25.5 | 16.0 | 9.0 | 22.5 | 0.8 | 20.5 | 20.5 | 12.0 | 17.5 | 0.8 |
| 25.5 | 21.0 | 12.0 | 22.5 | 0.8 | |||||||||||||||||
| 0.56 | 564 | 18.0 | 14.0 | 7.0 | 15.0 | 0.8 | 18.0 | 16.0 | 8.5 | 15.0 | 0.8 | 25.5 | 17.0 | 10.0 | 22.5 | 0.8 | 25.5 | 22.5 | 13.5 | 22.5 | 0.8 |
| 0.68 | 684 | 18.0 | 15.0 | 7.5 | 15.0 | 0.8 | 18.0 | 17.0 | 9.5 | 15.0 | 0.8 | 25.5 | 18.0 | 11.0 | 22.5 | 0.8 | 25.5 | 24.0 | 15.0 | 22.5 | 0.8 |
| 0.82 | 824 | 18.0 | 15.5 | 8.0 | 15.0 | 0.8 | 18.0 | 18.5 | 10.0 | 15.0 | 0.8 | 25.5 | 20.0 | 11.0 | 22.5 | 0.8 | 25.5 | 25.5 | 16.5 | 22.5 | 0.8 |
| 1.00 | 105 | 18.0 | 16.5 | 9.0 | 15.0 | 0.8 | 18.0 | 20.0 | 11.0 | 15.0 | 0.8 | 25.5 | 21.5 | 12.5 | 22.5 | 0.8 | 26.0 | 16.5 | 12.0 | 22.5 | 0.8 |
| 31.5 | 25.0 | 16.0 | 27.5 | 0.8 | |||||||||||||||||
| 1.20 | 125 | 18.0 | 17.5 | 10.0 | 15.0 | 0.8 | 25.5 | 18.0 | 9.0 | 22.5 | 0.8 | 25.5 | 23.0 | 14.0 | 22.5 | 0.8 | 31.5 | 27.0 | 18.0 | 27.5 | 0.8 |
| 1.50 | 155 | 18.0 | 18.5 | 11.5 | 15.0 | 0.8 | 25.5 | 19.5 | 10.5 | 22.5 | 0.8 | 25.5 | 24.5 | 15.5 | 22.5 | 0.8 | |||||
| 1.80 | 185 | 25.5 | 18.0 | 9.0 | 22.5 | 0.8 | 25.5 | 20.5 | 11.5 | 22.5 | 0.8 | ||||||||||
| 2.20 | 225 | 25.5 | 19.0 | 10.0 | 22.5 | 0.8 | 25.5 | 22.0 | 13.0 | 22.5 | 0.8 | ||||||||||
| 2.70 | 275 | 25.5 | 20.0 | 11.5 | 22.5 | 0.8 | 25.5 | 23.5 | 14.5 | 22.5 | 0.8 | ||||||||||
| 3.30 | 335 | 25.5 | 24.5 | 15.5 | 22.5 | 0.8 | 25.5 | 25.5 | 16.0 | 22.5 | 0.8 | ||||||||||
Пример броја дела – БУЛК
Пример броја дела – РАДИАЛ ТАПЕД
ЦАПАЦИТАНЦЕ
| µФ | 0.01 | 0.047 | 0.1 | 0.47 | 1.0 | 3.3 |
| пф | 10,000 | 47,000 | 100,000 | 470,000 | – | – |
| Шифра | 103 | 473 | 104 | 474 | 105 | 335 |
КОД ТОЛЕРАНЦИЈЕ
| Шифра | Толеранција |
| Ј | + 5% |
| К | + 10% |
| М | + 20% |
Називни напон
| В.В. | 100 | 250 | 400 | 630 |
| Шифра | 2А | 2Е | 2Г | 2Ј |
Код на касету (Погледајте дијаграме)
| Размак | 7.5мм | 10мм | 15мм |
| Паковање | А или р | А | А |
| Шифра | РТ2 | РТ3 | РТ4 |
Примери у стилу олова
РАДИЈАЛНИ РАЗМАК ВОДОВА
* Леадспаце је праволинијски неформирани оригинални водећи простор.
| мм | 7.5 | 10 | 15 | 22.5 | 27.5 |
| Шифра | 075 | 100 | 150 | 225 | 275 |
Дужина олова од авионе за седење (ако се пакују на велико)
| мм | 5 | 10 | 15 | 20 | 25 |
| Шифра | 050 | 100 | 150 | 200 | 250 |
Паковање
| Мет | од | Скупљати се | Муниција | Намотати |
| Шифра | Б | А | Р | |
Стил олова
| Шифра | Стил |
| С | Равно |
| К | Утеран (Одрећи се) |
| Ф | Извући се |
| Ја | Укрцати се у |
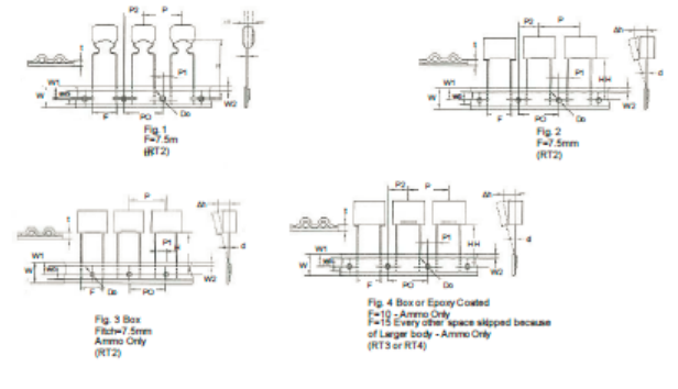
КОДНИ ДИЈАГРАМ РАДИЈАЛНОГ ЛЕПА
Спецификације
| Опис |
Слово |
Димензија (мм) |
Опис |
Слово |
Димензија (мм) | ||||||||
| РТ1 | РТ2 | РТ3 | РТ4 | Тол. | РТ1 | РТ2 | РТ3 | РТ4 | Тол. | ||||
| Пречник оловне жице | д | 0.5 / 0.6 | 0.5 / 0.6 | 0.6 | 0.6 / 0.8 | + 0.05 | Ширина носача траке | Ви | 18 | 18 | 18 | 18 | + 1;-0.5 |
| Тапе Питцх | П | 12.7 | 12.7 | 12.7 | 25.4 | + 1 | Држите ширину траке | Во | 6 | 6 | 9 | 10 | Мин |
| Наношење рупе | По | 12.7 | 12.87 | 12.7 | 12.7 | + 0.2 | Рупа | В1 | 9 | 9 | 9 | 9 | + 0.5 |
| Центрирање оловне жице | П1 | 3.85 | 2.6 / 3.75 | 7.7 | 5.2 | + 0.7 | Држите положај траке | В2 | 3 | 3 | 3 | 3 | Макс |
| Центрирање тела | П2 | 6.35 | 6.35 | 12.7 | 12.7 | + 1.3 | Пречник отвора за напајање | Донети | 4 | 4 | 4 | 4 | + 0.2 |
| Размак од олова (Натапање) | Ф | 5 | 7.5 | 10 | 15 | + 0.6;-0.1 | Дебљина траке | т | 0.7 | 0.7 | 0.7 | 0.07 | + 0.2 |
| Поравнавање компонената | ΔХ | 0 | 0 | 0 | 0 | + 2 | Фигура | сл | 1 или 2 | 1.2 или 3 | 4 | 4 | |
| Висина компоненета са касетофона | Хмерово | 18.5 | 18.5 | 18.5 | 18.5 | + 0.5 | |||||||
Намидати: *Допуштање нагомиланог нагиба мање од 1 мм на суму 20 бацачи.
*Континуирана празна компонента мање од 3 узастопни комади.
*Укупно празно на једном колуту мање од 1%.
Увођење
ЦДБЦ серије су направљене од метализованог полипропиленског филма диелектрика, премаз од бакреног олова и епоксидне смоле отпорне на пламен. Погодно блокирање, би- проћи, спојница, раздвајање, филтрирање, тајминг, штимовање, температурна компензација и идеална за употребу у баластима, прекидачки извори напајања, телекомуникациона опрема, индустријски инструменти, Аутоматски управљачки системи и друга општа електронска опрема.













