Хибридни кондензатори високе енергије|Цбее
Случај тантал, Херметички затворено, Цилиндричне, Радијално-олово, Хетерополарност, са завртњима, згодно за поправку Помешани електролитичким танталним кондензатором и електрохемијским кондензатором, Мала величина, Супер Капацитет
Стабилан у електричним перформансама, Висока поузданост, Дуг животни век, Максимум у густини капацитета и енергије, Номинални капацитет је већи од ЦБЕФ серије
Уграђена као батерија у струјном колу & Снага-пулсно коло, функционисало као филтрирање, складиштење енергије,временско коло.
Спецификације
Радна температура:-55℃ до +125 ℃ (до +125 ℃, са оцењеним
Температура складиштења:-62℃ ~ +130 ℃
Толеранција капацитивности:П: (-10%~+30%), К: (± 10%), М: (± 20%)
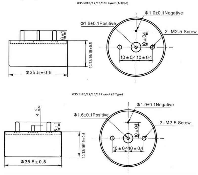
ДИМЕНЗИЈЕ
Бележити
1.Молимо вас да не користите мултиметар у поступцима мерења (може изазвати неповратну штету и довести до одбацивања).
2.Капацитет и ДФ мерени на 100Хз, У_=2.200 В, У =1,00- В Тест се примењује само у серијском еквивалентном колу.
3.Смањење напона се примењује на +125℃. (Након тога треба прочитати ДЦЛ параметар 5 минута када се прикључи на коло).
4.Посебна величина и потражња могу се консултовати са нама.
Пример броја дела

Карактеристике и примена
◆ Кућиште од тантала, Херметички затворено, Цилиндричне, Радијално-олово, Хетерополарност
◆ Комбиновани електролитичким танталним кондензатором и електрохемијским кондензатором, Мала величина, Супер Капацитет.
◆Стабилно у електричним перформансама, Висока поузданост, Дуг животни век, Максимум у густини капацитета и енергије
◆Уграђена као батерија у струјном колу & Снага-пулсно коло, функционисало као филтрирање, складиштење енергије, временско коло













