СМД алуминијумски електролитички кондензатори ▏105℃ 1.000 сати ▏Низак ЕСР ▏ЦАХБ
Карактеристике
105° Ц, 1000 увјерен сати
Лов Импеданце
Мање величине од ВЕХ
РоХС Цомплиант
105° Ц, 1000 увјерен сати
Лов Импеданце
Мање величине од ВЕХ
РоХС Цомплиант
Спецификације
| Предмети | Перформансе | |||||||||
| Опсег радне температуре | -55 °Ц~ +105 ° Ц | |||||||||
| Толеранција капацитивности | +20% (на 120Хз, 20° Ц) | |||||||||
| Струја цурења (на 20°Ц) | И = 0,01ЦВ или 3 (м А) који год је већи (после 2 минута) Где,
Ц= номинални капацитет у µФ. В= номинални ДЦ радни напон у В. |
|||||||||
| Фактор дисипације (Танδ на 120 Хз, 20° Ц) | Оцењено
Волтаге |
6.3 | 10 | 16 | 25 | 35 | 50 | |||
| Танδ (мак) | 0.28 | 0.24 | 0.2 | 0.16 | 0.14 | 0.12 | ||||
|
Ниска температура Карактеристике (на 120Хз) |
Однос импедансе не сме да прелази вредности дате у табели испод. | |||||||||
| Називни напон | 6.3 | 10 | 16 | 25 | 50 | |||||
| Импеданса
Ратио |
З (-25° Ц)/З(+20° Ц) | 4 | 3 | 2 | 2 | 2 | ||||
| З(-40° Ц)/З(+20° Ц) | 8 | 5 | 4 | 3 | 3 | |||||
|
Тест животног века оптерећења |
Тест Тиме | 1,000 Хрс | ||||||||
| Промена капацитета | Унутар +25% почетне вредности | |||||||||
| Фактор дисипације | Мање од 200% одређене вредности | |||||||||
| Струја цурења | У оквиру одређене вредности | |||||||||
| * Горе наведене спецификације ће бити задовољене када се кондензатори врате на 20°Ц након називног напона примењеног за 1,000 сати на 105°Ц | ||||||||||
| Тест рока трајања | Тест Тиме: 1000 сати; остале ставке су исте као оне за тест трајања оптерећења. | |||||||||
|
Риппле Цуррент & Множитељи фреквенције |
Фрек. (Хз)
ВДЦ(У) |
50, 60 |
120 |
1к |
10к уп |
|||||
| 6.3 ~ 35 | 0.64 | 0.8 | 0.93 | 1.0 | ||||||
| Стандарди | ЈИС Ц 5101-1 | |||||||||
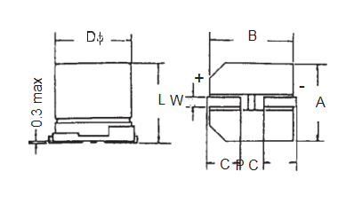
ДИМЕНЗИЈА, ИМПЕДАНЦЕ & ДОЗВОЉЕНА СТРУЈА таласања
Димензија: φД к Л(мм)
Струја таласа мА/рмс на 100КХз, 105°Ц Импеданса: на 100КХз, 20ºЦ
| В.ДЦ
μф Садржај |
6.3У (0Ј) | 10У (1А) | 16У (1Ц) | 25У (1Е) | 35У (1У) | 50У (1Хмерово) | |||||||||||||
| φД к Л | мА | Имп. | φД к Л | мА | Имп. | φД к Л | мА | Имп. | φД к Л | мА | Имп. | φД к Л | мА | Имп. | φД к Л | мА | Имп. | ||
| 1.0 | 010 | 4 к 5.3 | 30 | 5.0 | |||||||||||||||
| 2.2 | 2Р2 | 4 к 5.3 | 30 | 5.0 | |||||||||||||||
| 3.3 | 3Р3 | 4 к 5.3 | 30 | 5.0 | |||||||||||||||
| 4.7 | 4Р7 | 4 к 5.3 | 65 | 3.20 | 4 к 5.3 | 65 | 3.20 | 5 к 5.3 | 50 | 3.0 | |||||||||
| 10 | 100 | 4 к 5.3 | 65 | 3.20 | 4 к 5.3 | 65 | 3.20 | 5 к 5.3 | 110 | 1.50 | 5 к 5.3 | 110 | 1.50 | 6.3 к 5.3 | 70 | 2.0 | |||
| 22 | 220 | 4 к 5.3 | 65 | 3.20 | 5 к 5.3 | 110 | 1.50 | 5 к 5.3 | 110 | 1.50 | 6.3 к 5.3 | 170 | 0.85 | 6.3 к 5.3 | 170 | 0.85 | 6.3 к 5.3 | 70 | 2.0 |
| 33 | 330 | 5 к 5.3 | 110 | 1.50 | 5 к 5.3 | 110 | 1.50 | 6.3 к 5.3 | 170 | 0.85 | 6.3 к 5.3 | 170 | 0.85 | 6.3 к 5.3 | 170 | 0.85 | 6.3 к 7.7 | 170 | 1.0 |
| 47 | 470 | 5 к 5.3 | 110 | 1.50 | 6.3 к 5.3 | 170 | 0.85 | 6.3 к 5.3 | 170 | 0.85 | 6.3 к 5.3 | 170 | 0.85 | 6.3 к 7.7 | 255 | 0.50 | |||
| 100 | 101 | 6.3 к 5.3 | 170 | 0.85 | 6.3 к 5.3 | 170 | 0.85 | 6.3 к 5.3 | 170 | 0.85 | 6.3 к 7.7 | 255 | 0.50 | ||||||
| 150 | 151 | 6.3 к 7.7 | 255 | 0.50 | 6.3 к 7.7 | 255 | 0.50 | 6.3 к 7.7 | 255 | 0.50 | |||||||||
| 220 | 221 | 6.3 к 7.7 | 255 | 0.50 | 6.3 к 7.7 | 255 | 0.50 | 6.3 к 7.7 | 255 | 0.50 | |||||||||
РАЗМАК И ПРЕЧНИК ПАД
| φД | Л | А | Б | Ц | Ви | П+0,2 |
| 4 | 5.3 + 0.2 | 4.3 | 4.3 | 2.0 | 0.5 да 0.8 | 1.0 |
| 5 | 5.3 + 0.2 | 5.3 | 5.3 | 2.3 | 0.5 да 0.8 | 1.5 |
| 6.3 | 5.3 + 0.2 | 6.6 | 6.6 | 2.7 | 0.5 да 0.8 | 2.0 |
| 6.3 | 7.7 + 0.3 | 6.6 | 6.6 | 2.7 | 0.5 да 0.8 | 2.0 |
Пример броја дела
ЦАХБ 220 М 1А ТР 050053
Карактеристике
◆ 105°Ц, 1000 увјерен сати
◆ Ниска импеданса
◆ Мањи од ЦАХА
◆ Усклађен са РоХС















