Capacitor de filme de polipropileno metalizado |Baixo df| CDBC
A série CDBC é construída com dielétrico de filme de polipropileno metalizado, chumbo cobre e revestimento de resina epóxi retardante de chama. Bloqueio adequado, por- passar, acoplamento, dissociação, filtragem, tempo, afinação, compensação de temperatura e ideal para uso em reatores, comutação de fontes de alimentação, equipamento de telecomunicações, instrumentos industriais, sistemas de controle automático e outros equipamentos eletrônicos em geral.
CARACTERÍSTICAS
◆ Baixo fator de dissipação em alta frequência
◆ Alta capacitância e estabilidade do fator de dissipação
◆ Construção não indutiva
◆ Autocura
◆ Revestimento de resina epóxi retardante de chama (compatível com UL 94V-0)
ESPECIFICAÇÕES
| Unid | Desempenho | ||||||
| Faixa de tensão operacional | 100Vcc, 250Vcc, 400Vcc, 630Vcc | ||||||
| Temperatura nominal | -40 ˚C ~ +85ºC | ||||||
| Temperatura utilizável da categoria superior | +105ºC
(Taxa de redução da tensão nominal acima de +85˚C ~ +110º C: 1.5% por ºC de Tensão Nominal) |
||||||
| Faixa de capacitância | 0.01 µF ~ 10 μF | ||||||
| Tolerância de capacitância | +3% (H), +5% (J.), +10% (K) | ||||||
|
Fator de Dissipação |
KHz | C < 0.1 μF | 0.1 < C < 1.0 μF | 1.0 < C < 3.0 μF | 3.0 < C < 5.0 μF | 5.0 < C < 10 μF | |
| 1 | < 0.10% | ||||||
| 100 | < 0.40% | < 0.70% | < 1.20% | < 1.80% | < 2.80% | ||
|
Terminal de resistência de isolamento a terminal |
Carga de Tensão: 100Vcc x 1min (a 20˚C + 5°C)
> 30,000MΩ para C < 0.33μF > 10,000MΩ x µF para C > 0.33μF |
||||||
| Suportar Tensão | Terminal a terminal: (a 20˚C + 5°C) | ||||||
|
Inclinação de pulso de tensão nominal dV/dt (V/µs) |
Tom
RV |
7.5milímetros | 10milímetros | 15milímetros | 22.5milímetros | 27.5milímetros | |
| 100Vcc | 130 | 110 | 100 | 70 | 50 | ||
| 250Vcc | 240 | 220 | 200 | 130 | 100 | ||
| 400Vcc | — | 350 | 300 | 200 | 150 | ||
| 630Vcc | — | 420 | 400 | 250 | 180 | ||
TESTE DE CONFIABILIDADE
| Item | Teste Métodos | Requisitos |
| Resistência ao calor de soldagem IEC 60068-2-20 | Banho de Solda: 260ºC + 5ºC Tempo de Imersão: 10segundo + 1segundo | Mudança de capacitância ІΔ C/C : <1% Mudança DF Δ tan d : 0.1% em 1KHz IR: > valor limite |
| Resistência à vibração IEC 60068-2-6 | Faixa de frequência: 10Amplitude Hz a 55 Hz: 1.5milímetros
Duração: 6 horas |
Não haverá danos visíveis, Nenhum contato intermitente,
Sem circuito aberto ou em curto |
| Calor úmido, Estado Estacionário IEC 60068-2-3 | Temperatura: 40ºC + 2ºC Umidade Relativa: 90% para 95%
Duração: 1,000 horas |
Mudança de capacitância ІΔC/C І< : 3% Mudança DF Δ tan d: 0.1% em 1KHz IR: > 50% valor limite |
| Resistência Elétrica IEC 60384-17 | Temperatura: 85ºC + 2ºC Tensão Aplicada: 1.25 x RV(CC) Duração: 2,000 horas | Mudança de capacitância ІΔC/CІ< : 3% Mudança DF Δ tan d : 0.1% em 1KHz IR: > 50% valor limite |
DIMENSÕES MÁXIMAS
| W.V.. | 100CCV (2UM) | 250CCV (2E) | 400CCV (2G) | 630CCV (2J.) | |||||||||||||||||
| (μF) | Código | C | H | T | P | d | C | H | T | P | d | C | H | T | P | d | C | H | T | P | d |
| 0.010 | 103 | 10.5 | 7.5 | 4.0 | 7.5 | 0.6 | 10.5 | 9.0 | 5.5 | 7.5 | 0.6 | ||||||||||
| 0.012 | 123 | 10.5 | 8.5 | 4.0 | 7.5 | 0.6 | 10.5 | 9.5 | 6.0 | 7.5 | 0.6 | ||||||||||
| 0.015 | 153 | 10.5 | 9.0 | 4.5 | 7.5 | 0.6 | 10.5 | 10.5 | 6.0 | 7.5 | 0.6 | ||||||||||
| 0.018 | 183 | 10.5 | 9.5 | 4.5 | 7.5 | 0.6 | 10.5 | 11.0 | 6.5 | 7.5 | 0.6 | ||||||||||
| 0.022 | 223 | 10.5 | 7.5 | 4.0 | 7.5 | 0.6 | 10.5 | 10.0 | 5.0 | 7.5 | 0.6 | 13.0 | 10.0 | 6.0 | 10.0 | 0.6 | |||||
| 0.027 | 273 | 10.5 | 8.0 | 4.0 | 7.5 | 0.6 | 10.5 | 10.5 | 5.5 | 7.5 | 0.6 | 13.0 | 11.0 | 6.5 | 10.0 | 0.6 | |||||
| 0.033 | 333 | 10.5 | 8.5 | 4.5 | 7.5 | 0.6 | 10.5 | 11.0 | 6.0 | 7.5 | 0.6 | 13.0 | 11.5 | 7.0 | 10.0 | 0.6 | |||||
| 0.039 | 393 | 10.5 | 9.0 | 4.5 | 7.5 | 0.6 | 13.0 | 11.0 | 5.5 | 10.0 | 0.6 | 13.0 | 12.0 | 8.0 | 10.0 | 0.6 | |||||
| 0.047 | 473 | 10.5 | 7.5 | 4.0 | 7.5 | 0.6 | 10.5 | 10.0 | 4.5 | 7.5 | 0.6 | 13.0 | 11.0 | 5.5 | 10.0 | 0.6 | 13.0 | 13.0 | 8.0 | 10.0 | 0.6 |
| 0.056 | 563 | 10.5 | 8.0 | 4.0 | 7.5 | 0.6 | 10.5 | 10.5 | 5.0 | 7.5 | 0.6 | 13.0 | 11.5 | 6.0 | 10.0 | 0.6 | 13.0 | 14.0 | 9.0 | 10.0 | 0.6 |
| 0.068 | 683 | 10.5 | 9.0 | 4.5 | 7.5 | 0.6 | 10.5 | 11.0 | 5.5 | 7.5 | 0.6 | 13.0 | 12.5 | 6.5 | 10.0 | 0.6 | 18.0 | 12.5 | 7.0 | 15.0 | 0.8 |
| 0.082 | 823 | 10.5 | 9.5 | 4.5 | 7.5 | 0.6 | 10.5 | 11.5 | 6.0 | 7.5 | 0.6 | 13.0 | 13.0 | 7.0 | 10.0 | 0.6 | 18.0 | 13.0 | 7.5 | 15.0 | 0.8 |
| 0.10 | 104 | 10.5 | 10.0 | 5.0 | 7.5 | 0.6 | 10.5 | 12.0 | 6.5 | 7.5 | 0.6 | 13.0 | 13.5 | 8.0 | 10.0 | 0.6 | 18.0 | 14.0 | 8.0 | 15.0 | 0.8 |
| 0.12 | 124 | 10.5 | 10.0 | 5.5 | 7.5 | 0.6 | 13.0 | 11.5 | 6.0 | 10.0 | 0.6 | 18.0 | 12.0 | 6.0 | 15.0 | 0.8 | 18.0 | 15.5 | 8.0 | 15.0 | 0.8 |
| 0.15 | 154 | 10.5 | 11.0 | 6.0 | 7.5 | 0.6 | 13.0 | 12.0 | 6.5 | 10.0 | 0.6 | 18.0 | 12.5 | 7.0 | 15.0 | 0.8 | 18.0 | 16.5 | 9.0 | 15.0 | 0.8 |
| 0.18 | 184 | 10.5 | 11.5 | 6.5 | 7.5 | 0.6 | 13.0 | 12.5 | 7.0 | 10.0 | 0.6 | 18.0 | 13.5 | 8.5 | 15.0 | 0.8 | 18.0 | 17.5 | 10.0 | 15.0 | 0.8 |
| 0.22 | 224 | 13.0 | 11.5 | 6.0 | 10.0 | 0.6 | 13.0 | 13.0 | 7.5 | 10.0 | 0.6 | 18.0 | 15.0 | 8.0 | 15.0 | 0.8 | 18.0 | 18.5 | 11.5 | 15.0 | 0.8 |
| 0.27 | 274 | 13.0 | 12.0 | 6.5 | 10.0 | 0.6 | 18.0 | 13.0 | 6.0 | 15.0 | 0.8 | 18.0 | 16.0 | 8.5 | 15.0 | 0.8 | 25.5 | 18.0 | 9.0 | 22.5 | 0.8 |
| 0.33 | 334 | 13.0 | 13.0 | 7.0 | 10.0 | 0.6 | 18.0 | 14.0 | 6.5 | 15.0 | 0.8 | 18.0 | 17.0 | 9.5 | 15.0 | 0.8 | 25.5 | 19.0 | 10.0 | 22.5 | 0.8 |
| 0.39 | 394 | 13.0 | 13.5 | 7.5 | 10.0 | 0.6 | 18.0 | 14.5 | 7.0 | 15.0 | 0.8 | 18.0 | 18.0 | 10.5 | 15.0 | 0.8 | 25.5 | 20.0 | 11.0 | 22.5 | 0.8 |
| 0.47 | 474 | 13.0 | 14.0 | 8.5 | 10.0 | 0.6 | 18.0 | 15.0 | 8.0 | 15.0 | 0.8 | 25.5 | 16.0 | 9.0 | 22.5 | 0.8 | 20.5 | 20.5 | 12.0 | 17.5 | 0.8 |
| 25.5 | 21.0 | 12.0 | 22.5 | 0.8 | |||||||||||||||||
| 0.56 | 564 | 18.0 | 14.0 | 7.0 | 15.0 | 0.8 | 18.0 | 16.0 | 8.5 | 15.0 | 0.8 | 25.5 | 17.0 | 10.0 | 22.5 | 0.8 | 25.5 | 22.5 | 13.5 | 22.5 | 0.8 |
| 0.68 | 684 | 18.0 | 15.0 | 7.5 | 15.0 | 0.8 | 18.0 | 17.0 | 9.5 | 15.0 | 0.8 | 25.5 | 18.0 | 11.0 | 22.5 | 0.8 | 25.5 | 24.0 | 15.0 | 22.5 | 0.8 |
| 0.82 | 824 | 18.0 | 15.5 | 8.0 | 15.0 | 0.8 | 18.0 | 18.5 | 10.0 | 15.0 | 0.8 | 25.5 | 20.0 | 11.0 | 22.5 | 0.8 | 25.5 | 25.5 | 16.5 | 22.5 | 0.8 |
| 1.00 | 105 | 18.0 | 16.5 | 9.0 | 15.0 | 0.8 | 18.0 | 20.0 | 11.0 | 15.0 | 0.8 | 25.5 | 21.5 | 12.5 | 22.5 | 0.8 | 26.0 | 16.5 | 12.0 | 22.5 | 0.8 |
| 31.5 | 25.0 | 16.0 | 27.5 | 0.8 | |||||||||||||||||
| 1.20 | 125 | 18.0 | 17.5 | 10.0 | 15.0 | 0.8 | 25.5 | 18.0 | 9.0 | 22.5 | 0.8 | 25.5 | 23.0 | 14.0 | 22.5 | 0.8 | 31.5 | 27.0 | 18.0 | 27.5 | 0.8 |
| 1.50 | 155 | 18.0 | 18.5 | 11.5 | 15.0 | 0.8 | 25.5 | 19.5 | 10.5 | 22.5 | 0.8 | 25.5 | 24.5 | 15.5 | 22.5 | 0.8 | |||||
| 1.80 | 185 | 25.5 | 18.0 | 9.0 | 22.5 | 0.8 | 25.5 | 20.5 | 11.5 | 22.5 | 0.8 | ||||||||||
| 2.20 | 225 | 25.5 | 19.0 | 10.0 | 22.5 | 0.8 | 25.5 | 22.0 | 13.0 | 22.5 | 0.8 | ||||||||||
| 2.70 | 275 | 25.5 | 20.0 | 11.5 | 22.5 | 0.8 | 25.5 | 23.5 | 14.5 | 22.5 | 0.8 | ||||||||||
| 3.30 | 335 | 25.5 | 24.5 | 15.5 | 22.5 | 0.8 | 25.5 | 25.5 | 16.0 | 22.5 | 0.8 | ||||||||||
EXEMPLO DE NÚMERO DE PEÇA – VOLUME
EXEMPLO DE NÚMERO DE PEÇA – RADIAL GRAVADO
CAPACITÂNCIA
| μF | 0.01 | 0.047 | 0.1 | 0.47 | 1.0 | 3.3 |
| pF | 10,000 | 47,000 | 100,000 | 470,000 | – | – |
| Código | 103 | 473 | 104 | 474 | 105 | 335 |
CÓDIGO DE TOLERÂNCIA
| Código | Tolerância |
| J. | + 5% |
| K | + 10% |
| M | + 20% |
TENSÃO NOMINAL
| W.V.. | 100 | 250 | 400 | 630 |
| Código | 2UM | 2E | 2G | 2J. |
CÓDIGO DA FITA (Veja diagramas)
| Espaçamento | 7.5milímetros | 10milímetros | 15milímetros |
| Embalagem | A ou R | UM | UM |
| Código | RT2 | RT3 | RT4 |
EXEMPLOS DE ESTILO DE LÍDER
ESPAÇAMENTO RADIAL
* Leadspace é leadspace original não formado de lead direto.
| milímetros | 7.5 | 10 | 15 | 22.5 | 27.5 |
| Código | 075 | 100 | 150 | 225 | 275 |
COMPRIMENTO DO PLANO DE ASSENTO (se pacote a granel)
| milímetros | 5 | 10 | 15 | 20 | 25 |
| Código | 050 | 100 | 150 | 200 | 250 |
EMBALAGEM
| Metanfetamina | ód | Volume | Munição | Carretel |
| Código | B | UM | R | |
ESTILO DE LÍDER
| Código | Estilo |
| S | Direto |
| K | Kink-in (Afaste-se) |
| F | Formulário |
| EU | Formulário em |
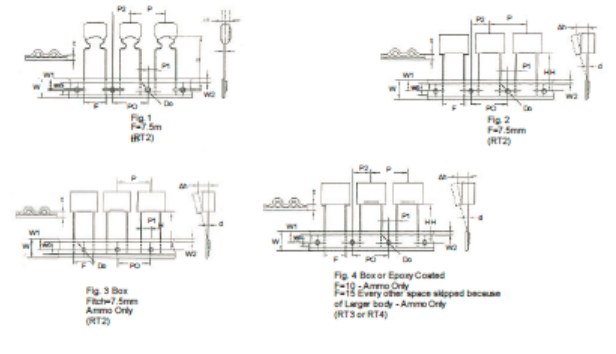
DIAGRAMA DE CÓDIGO DE GRAVAÇÃO RADIAL
ESPECIFICAÇÕES
| Descrição |
Carta |
Dimensão (milímetros) |
Descrição |
Carta |
Dimensão (milímetros) | ||||||||
| RT1 | RT2 | RT3 | RT4 | Tol. | RT1 | RT2 | RT3 | RT4 | Tol. | ||||
| Diâmetro do fio condutor | d | 0.5 / 0.6 | 0.5 / 0.6 | 0.6 | 0.6 / 0.8 | + 0.05 | Largura da fita transportadora | C | 18 | 18 | 18 | 18 | + 1;-0.5 |
| Passo da fita | P | 12.7 | 12.7 | 12.7 | 25.4 | + 1 | Mantenha pressionada a largura da fita | WO | 6 | 6 | 9 | 10 | Mínimo |
| Passo do furo de alimentação | PO | 12.7 | 12.87 | 12.7 | 12.7 | + 0.2 | Posição do furo | W1 | 9 | 9 | 9 | 9 | + 0.5 |
| Centralização do fio condutor | P1 | 3.85 | 2.6 / 3.75 | 7.7 | 5.2 | + 0.7 | Mantenha a posição da fita pressionada | W2 | 3 | 3 | 3 | 3 | Máx. |
| Centralização do Corpo | P2 | 6.35 | 6.35 | 12.7 | 12.7 | + 1.3 | Diâmetro do furo de alimentação | Fazer | 4 | 4 | 4 | 4 | + 0.2 |
| Espaçamento de chumbo (Tom) | F | 5 | 7.5 | 10 | 15 | + 0.6;-0.1 | Espessura da fita | t | 0.7 | 0.7 | 0.7 | 0.07 | + 0.2 |
| Alinhamento de componentes | ∆h | 0 | 0 | 0 | 0 | + 2 | Figura | Figo | 1 ou 2 | 1.2 ou 3 | 4 | 4 | |
| Altura do Componente do Tape Center | H | 18.5 | 18.5 | 18.5 | 18.5 | + 0.5 | |||||||
Observação: *Tolerância de passo acumulado inferior a 1 mm na soma de 20 arremessos.
*Componente vazio contínuo menor que 3 peças consecutivas.
*Total vazio em uma bobina a menos de 1%.
INTRODUÇÃO
A série CDBC é construída com dielétrico de filme de polipropileno metalizado, chumbo cobre e revestimento de resina epóxi retardante de chama. Bloqueio adequado, por- passar, acoplamento, dissociação, filtragem, tempo, afinação, compensação de temperatura e ideal para uso em reatores, comutação de fontes de alimentação, equipamento de telecomunicações, instrumentos industriais, sistemas de controle automático e outros equipamentos eletrônicos em geral.













