Capacitores eletrolíticos de alumínio SMD ▏105℃ 1.000Hrs ▏Low ESR ▏CAHB
CARACTERÍSTICAS
105° c, 1000 horas garantidas
Baixa Impedância
Tamanho menor que VEH
Compatível com RoHS
105° c, 1000 horas garantidas
Baixa Impedância
Tamanho menor que VEH
Compatível com RoHS
ESPECIFICAÇÕES
| Unid | Desempenho | |||||||||
| Faixa de temperatura operacional | -55 °C~ +105 ° c | |||||||||
| Tolerância de capacitância | +20% (a 120Hz, 20° c) | |||||||||
| Corrente de fuga (a 20ºC) | I = 0,01CV ou 3 (mA) o que for maior (depois 2 minutos) Onde,
C = capacitância nominal em µF. V = tensão nominal de trabalho CC em V. |
|||||||||
| Fator de Dissipação (Tanδ a 120Hz, 20° c) | Avaliado
Tensão |
6.3 | 10 | 16 | 25 | 35 | 50 | |||
| Tanδ (máx.) | 0.28 | 0.24 | 0.2 | 0.16 | 0.14 | 0.12 | ||||
|
Baixa temperatura Características (a 120Hz) |
A relação de impedância não deve exceder os valores indicados na tabela abaixo. | |||||||||
| Tensão nominal | 6.3 | 10 | 16 | 25 | 50 | |||||
| Impedância
Razão |
Z (-25° c)/Z(+20° c) | 4 | 3 | 2 | 2 | 2 | ||||
| Z(-40° c)/Z(+20° c) | 8 | 5 | 4 | 3 | 3 | |||||
|
Teste de vida útil de carga |
Tempo de teste | 1,000 Hrs | ||||||||
| Mudança de capacitância | Dentro de +25% de valor inicial | |||||||||
| Fator de Dissipação | Menor que 200% do valor especificado | |||||||||
| Corrente de fuga | Dentro do valor especificado | |||||||||
| * As especificações acima deverão ser atendidas quando os capacitores forem restaurados para 20°C após a tensão nominal aplicada para 1,000 horas a 105°C | ||||||||||
| Teste de prazo de validade | Tempo de teste: 1000 horas; outros itens são iguais aos do teste de vida útil da carga. | |||||||||
|
Corrente Ondulada & Multiplicadores de frequência |
Frequência. (Hz)
CCV(V) |
50, 60 |
120 |
1k |
10acalme-se |
|||||
| 6.3 ~ 35 | 0.64 | 0.8 | 0.93 | 1.0 | ||||||
| Padrões | JIS C 5101-1 | |||||||||
DIMENSÃO, IMPEDÂNCIA & CORRENTE DE ONDULAÇÃO PERMITIDA
Dimensão: φD x L(milímetros)
Corrente de ondulação mA/rms a 100KHz, 105°C Impedância: a 100 KHz, 20ºC
| V.DC
µF Conteúdo |
6.3V (0J.) | 10V (1UM) | 16V (1C) | 25V (1E) | 35V (1V) | 50V (1H) | |||||||||||||
| φD x L | mA | Diabrete. | φD x L | mA | Diabrete. | φD x L | mA | Diabrete. | φD x L | mA | Diabrete. | φD x L | mA | Diabrete. | φD x L | mA | Diabrete. | ||
| 1.0 | 010 | 4 x 5.3 | 30 | 5.0 | |||||||||||||||
| 2.2 | 2R2 | 4 x 5.3 | 30 | 5.0 | |||||||||||||||
| 3.3 | 3R3 | 4 x 5.3 | 30 | 5.0 | |||||||||||||||
| 4.7 | 4R7 | 4 x 5.3 | 65 | 3.20 | 4 x 5.3 | 65 | 3.20 | 5 x 5.3 | 50 | 3.0 | |||||||||
| 10 | 100 | 4 x 5.3 | 65 | 3.20 | 4 x 5.3 | 65 | 3.20 | 5 x 5.3 | 110 | 1.50 | 5 x 5.3 | 110 | 1.50 | 6.3 x 5.3 | 70 | 2.0 | |||
| 22 | 220 | 4 x 5.3 | 65 | 3.20 | 5 x 5.3 | 110 | 1.50 | 5 x 5.3 | 110 | 1.50 | 6.3 x 5.3 | 170 | 0.85 | 6.3 x 5.3 | 170 | 0.85 | 6.3 x 5.3 | 70 | 2.0 |
| 33 | 330 | 5 x 5.3 | 110 | 1.50 | 5 x 5.3 | 110 | 1.50 | 6.3 x 5.3 | 170 | 0.85 | 6.3 x 5.3 | 170 | 0.85 | 6.3 x 5.3 | 170 | 0.85 | 6.3 x 7.7 | 170 | 1.0 |
| 47 | 470 | 5 x 5.3 | 110 | 1.50 | 6.3 x 5.3 | 170 | 0.85 | 6.3 x 5.3 | 170 | 0.85 | 6.3 x 5.3 | 170 | 0.85 | 6.3 x 7.7 | 255 | 0.50 | |||
| 100 | 101 | 6.3 x 5.3 | 170 | 0.85 | 6.3 x 5.3 | 170 | 0.85 | 6.3 x 5.3 | 170 | 0.85 | 6.3 x 7.7 | 255 | 0.50 | ||||||
| 150 | 151 | 6.3 x 7.7 | 255 | 0.50 | 6.3 x 7.7 | 255 | 0.50 | 6.3 x 7.7 | 255 | 0.50 | |||||||||
| 220 | 221 | 6.3 x 7.7 | 255 | 0.50 | 6.3 x 7.7 | 255 | 0.50 | 6.3 x 7.7 | 255 | 0.50 | |||||||||
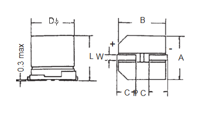
ESPAÇAMENTO E DIÂMETRO DA PAD
| φD | eu | UM | B | C | C | P+0,2 |
| 4 | 5.3 + 0.2 | 4.3 | 4.3 | 2.0 | 0.5 para 0.8 | 1.0 |
| 5 | 5.3 + 0.2 | 5.3 | 5.3 | 2.3 | 0.5 para 0.8 | 1.5 |
| 6.3 | 5.3 + 0.2 | 6.6 | 6.6 | 2.7 | 0.5 para 0.8 | 2.0 |
| 6.3 | 7.7 + 0.3 | 6.6 | 6.6 | 2.7 | 0.5 para 0.8 | 2.0 |
EXEMPLO DE NÚMERO DE PEÇA
CAHB 220 M 1Um TR 050053
CARACTERÍSTICAS
◆ 105°C, 1000 horas garantidas
◆ Baixa Impedância
◆ Tamanho menor que CAHA
◆ Compatível com RoHS















