Kapasitor filem polipropilena metal |DF rendah| CDBC
CDBC series are constructed with metalized polypropylene film dielectric, copperply lead and flame retardant epoxy resin coating. Suitable blocking, by- pass, gandingan, penyahgandingan, penapisan, timing, tuning, temperature compensation and ideal for use in ballasts, switching power supplies, telecommunication equipment, industrial instruments, sistem kawalan automatik dan peralatan elektronik am yang lain.
Ciri -ciri
◆ Low dissipation factor at high frequency
◆ High capacitance and dissipation factor stability
◆ Non-inductive construction
◆ Self-healing
◆ Flame retardant epoxy resin coating (compliant to UL 94V-0)
Spesifikasi
| Item | Prestasi | ||||||
| Julat Voltan Kendalian | 100Vdc, 250Vdc, 400Vdc, 630Vdc | ||||||
| Suhu Dinilai | -40 ˚C ~ +85ºC | ||||||
| Suhu Kategori Atas Boleh Digunakan | +105ºC
(Derating ratio of rated voltage over +85˚C ~ +110º C: 1.5% per ºC of RatedVoltage) |
||||||
| Julat kapasitans | 0.01 µF ~ 10 μf | ||||||
| Toleransi kapasitans | +3% (H), +5% (J), +10% (K) | ||||||
|
Faktor pelesapan |
Khz | C < 0.1 μf | 0.1 < C < 1.0 μf | 1.0 < C < 3.0 μf | 3.0 < C < 5.0 μf | 5.0 < C < 10 μf | |
| 1 | < 0.10% | ||||||
| 100 | < 0.40% | < 0.70% | < 1.20% | < 1.80% | < 2.80% | ||
|
Terminal Rintangan Penebat ke Terminal |
Caj Voltan: 100Vdc x 1min (pada 20˚C + 5˚C)
> 30,000MΩ for C < 0.33μf > 10,000MΩ x µF for C > 0.33μf |
||||||
| Menahan Voltan | Terminal ke Terminal: (pada 20˚C + 5˚C) | ||||||
|
Cerun Nadi Voltan Ternilai dV/dt (V/µs) |
Pitch
VR |
7.5mm | 10mm | 15mm | 22.5mm | 27.5mm | |
| 100Vdc | 130 | 110 | 100 | 70 | 50 | ||
| 250Vdc | 240 | 220 | 200 | 130 | 100 | ||
| 400Vdc | — | 350 | 300 | 200 | 150 | ||
| 630Vdc | — | 420 | 400 | 250 | 180 | ||
RELIABILITY TEST
| Item | Ujian Kaedah | Keperluan |
| Rintangan kepada Haba Pematerian IEC 60068-2-20 | Mandian Solder: 260ºC + 5ºC Immersion Time: 10sec + 1sec | Capacitance Change ІΔ C/C : <1% DF Change Δ tan δ : 0.1% at 1KHz IR: > nilai had |
| Rintangan kepada Getaran IEC 60068-2-6 | Julat Kekerapan: 10Amplitud Hz hingga 55Hz: 1.5mm
Tempoh: 6 jam |
Tidak akan ada Kerosakan Nampak, Tiada Kenalan Terputus-putus,
Tiada Litar Terbuka atau Pintas |
| Haba Lembap, IEC keadaan mantap 60068-2-3 | Suhu: 40ºC + 2ºC Relative Humidity: 90% ke 95%
Tempoh: 1,000 jam |
Capacitance Change ІΔC/C І< : 3% DF Change Δ tan δ: 0.1% pada 1KHz IR: > 50% nilai had |
| Ketahanan Elektrik IEC 60384-17 | Suhu: 85ºC + 2ºC Voltage Applied: 1.25 x VR(DC) Tempoh: 2,000 jam | Capacitance Change ІΔC/CІ< : 3% DF Change Δ tan δ : 0.1% at 1KHz IR: > 50% nilai had |
DIMENSI MAKSIMUM
| W.V. | 100VDC (2A) | 250VDC (2E) | 400VDC (2G) | 630VDC (2J) | |||||||||||||||||
| (μf) | Kod | W | H | T | P | d | W | H | T | P | d | W | H | T | P | d | W | H | T | P | d |
| 0.010 | 103 | 10.5 | 7.5 | 4.0 | 7.5 | 0.6 | 10.5 | 9.0 | 5.5 | 7.5 | 0.6 | ||||||||||
| 0.012 | 123 | 10.5 | 8.5 | 4.0 | 7.5 | 0.6 | 10.5 | 9.5 | 6.0 | 7.5 | 0.6 | ||||||||||
| 0.015 | 153 | 10.5 | 9.0 | 4.5 | 7.5 | 0.6 | 10.5 | 10.5 | 6.0 | 7.5 | 0.6 | ||||||||||
| 0.018 | 183 | 10.5 | 9.5 | 4.5 | 7.5 | 0.6 | 10.5 | 11.0 | 6.5 | 7.5 | 0.6 | ||||||||||
| 0.022 | 223 | 10.5 | 7.5 | 4.0 | 7.5 | 0.6 | 10.5 | 10.0 | 5.0 | 7.5 | 0.6 | 13.0 | 10.0 | 6.0 | 10.0 | 0.6 | |||||
| 0.027 | 273 | 10.5 | 8.0 | 4.0 | 7.5 | 0.6 | 10.5 | 10.5 | 5.5 | 7.5 | 0.6 | 13.0 | 11.0 | 6.5 | 10.0 | 0.6 | |||||
| 0.033 | 333 | 10.5 | 8.5 | 4.5 | 7.5 | 0.6 | 10.5 | 11.0 | 6.0 | 7.5 | 0.6 | 13.0 | 11.5 | 7.0 | 10.0 | 0.6 | |||||
| 0.039 | 393 | 10.5 | 9.0 | 4.5 | 7.5 | 0.6 | 13.0 | 11.0 | 5.5 | 10.0 | 0.6 | 13.0 | 12.0 | 8.0 | 10.0 | 0.6 | |||||
| 0.047 | 473 | 10.5 | 7.5 | 4.0 | 7.5 | 0.6 | 10.5 | 10.0 | 4.5 | 7.5 | 0.6 | 13.0 | 11.0 | 5.5 | 10.0 | 0.6 | 13.0 | 13.0 | 8.0 | 10.0 | 0.6 |
| 0.056 | 563 | 10.5 | 8.0 | 4.0 | 7.5 | 0.6 | 10.5 | 10.5 | 5.0 | 7.5 | 0.6 | 13.0 | 11.5 | 6.0 | 10.0 | 0.6 | 13.0 | 14.0 | 9.0 | 10.0 | 0.6 |
| 0.068 | 683 | 10.5 | 9.0 | 4.5 | 7.5 | 0.6 | 10.5 | 11.0 | 5.5 | 7.5 | 0.6 | 13.0 | 12.5 | 6.5 | 10.0 | 0.6 | 18.0 | 12.5 | 7.0 | 15.0 | 0.8 |
| 0.082 | 823 | 10.5 | 9.5 | 4.5 | 7.5 | 0.6 | 10.5 | 11.5 | 6.0 | 7.5 | 0.6 | 13.0 | 13.0 | 7.0 | 10.0 | 0.6 | 18.0 | 13.0 | 7.5 | 15.0 | 0.8 |
| 0.10 | 104 | 10.5 | 10.0 | 5.0 | 7.5 | 0.6 | 10.5 | 12.0 | 6.5 | 7.5 | 0.6 | 13.0 | 13.5 | 8.0 | 10.0 | 0.6 | 18.0 | 14.0 | 8.0 | 15.0 | 0.8 |
| 0.12 | 124 | 10.5 | 10.0 | 5.5 | 7.5 | 0.6 | 13.0 | 11.5 | 6.0 | 10.0 | 0.6 | 18.0 | 12.0 | 6.0 | 15.0 | 0.8 | 18.0 | 15.5 | 8.0 | 15.0 | 0.8 |
| 0.15 | 154 | 10.5 | 11.0 | 6.0 | 7.5 | 0.6 | 13.0 | 12.0 | 6.5 | 10.0 | 0.6 | 18.0 | 12.5 | 7.0 | 15.0 | 0.8 | 18.0 | 16.5 | 9.0 | 15.0 | 0.8 |
| 0.18 | 184 | 10.5 | 11.5 | 6.5 | 7.5 | 0.6 | 13.0 | 12.5 | 7.0 | 10.0 | 0.6 | 18.0 | 13.5 | 8.5 | 15.0 | 0.8 | 18.0 | 17.5 | 10.0 | 15.0 | 0.8 |
| 0.22 | 224 | 13.0 | 11.5 | 6.0 | 10.0 | 0.6 | 13.0 | 13.0 | 7.5 | 10.0 | 0.6 | 18.0 | 15.0 | 8.0 | 15.0 | 0.8 | 18.0 | 18.5 | 11.5 | 15.0 | 0.8 |
| 0.27 | 274 | 13.0 | 12.0 | 6.5 | 10.0 | 0.6 | 18.0 | 13.0 | 6.0 | 15.0 | 0.8 | 18.0 | 16.0 | 8.5 | 15.0 | 0.8 | 25.5 | 18.0 | 9.0 | 22.5 | 0.8 |
| 0.33 | 334 | 13.0 | 13.0 | 7.0 | 10.0 | 0.6 | 18.0 | 14.0 | 6.5 | 15.0 | 0.8 | 18.0 | 17.0 | 9.5 | 15.0 | 0.8 | 25.5 | 19.0 | 10.0 | 22.5 | 0.8 |
| 0.39 | 394 | 13.0 | 13.5 | 7.5 | 10.0 | 0.6 | 18.0 | 14.5 | 7.0 | 15.0 | 0.8 | 18.0 | 18.0 | 10.5 | 15.0 | 0.8 | 25.5 | 20.0 | 11.0 | 22.5 | 0.8 |
| 0.47 | 474 | 13.0 | 14.0 | 8.5 | 10.0 | 0.6 | 18.0 | 15.0 | 8.0 | 15.0 | 0.8 | 25.5 | 16.0 | 9.0 | 22.5 | 0.8 | 20.5 | 20.5 | 12.0 | 17.5 | 0.8 |
| 25.5 | 21.0 | 12.0 | 22.5 | 0.8 | |||||||||||||||||
| 0.56 | 564 | 18.0 | 14.0 | 7.0 | 15.0 | 0.8 | 18.0 | 16.0 | 8.5 | 15.0 | 0.8 | 25.5 | 17.0 | 10.0 | 22.5 | 0.8 | 25.5 | 22.5 | 13.5 | 22.5 | 0.8 |
| 0.68 | 684 | 18.0 | 15.0 | 7.5 | 15.0 | 0.8 | 18.0 | 17.0 | 9.5 | 15.0 | 0.8 | 25.5 | 18.0 | 11.0 | 22.5 | 0.8 | 25.5 | 24.0 | 15.0 | 22.5 | 0.8 |
| 0.82 | 824 | 18.0 | 15.5 | 8.0 | 15.0 | 0.8 | 18.0 | 18.5 | 10.0 | 15.0 | 0.8 | 25.5 | 20.0 | 11.0 | 22.5 | 0.8 | 25.5 | 25.5 | 16.5 | 22.5 | 0.8 |
| 1.00 | 105 | 18.0 | 16.5 | 9.0 | 15.0 | 0.8 | 18.0 | 20.0 | 11.0 | 15.0 | 0.8 | 25.5 | 21.5 | 12.5 | 22.5 | 0.8 | 26.0 | 16.5 | 12.0 | 22.5 | 0.8 |
| 31.5 | 25.0 | 16.0 | 27.5 | 0.8 | |||||||||||||||||
| 1.20 | 125 | 18.0 | 17.5 | 10.0 | 15.0 | 0.8 | 25.5 | 18.0 | 9.0 | 22.5 | 0.8 | 25.5 | 23.0 | 14.0 | 22.5 | 0.8 | 31.5 | 27.0 | 18.0 | 27.5 | 0.8 |
| 1.50 | 155 | 18.0 | 18.5 | 11.5 | 15.0 | 0.8 | 25.5 | 19.5 | 10.5 | 22.5 | 0.8 | 25.5 | 24.5 | 15.5 | 22.5 | 0.8 | |||||
| 1.80 | 185 | 25.5 | 18.0 | 9.0 | 22.5 | 0.8 | 25.5 | 20.5 | 11.5 | 22.5 | 0.8 | ||||||||||
| 2.20 | 225 | 25.5 | 19.0 | 10.0 | 22.5 | 0.8 | 25.5 | 22.0 | 13.0 | 22.5 | 0.8 | ||||||||||
| 2.70 | 275 | 25.5 | 20.0 | 11.5 | 22.5 | 0.8 | 25.5 | 23.5 | 14.5 | 22.5 | 0.8 | ||||||||||
| 3.30 | 335 | 25.5 | 24.5 | 15.5 | 22.5 | 0.8 | 25.5 | 25.5 | 16.0 | 22.5 | 0.8 | ||||||||||
Contoh nombor bahagian – BULK
Contoh nombor bahagian – RADIAL TAPED
CAPACITANCE
| μf | 0.01 | 0.047 | 0.1 | 0.47 | 1.0 | 3.3 |
| pF | 10,000 | 47,000 | 100,000 | 470,000 | – | – |
| Kod | 103 | 473 | 104 | 474 | 105 | 335 |
Kod toleransi
| Kod | Toleransi |
| J | + 5% |
| K | + 10% |
| M | + 20% |
VOLTAN KADAR
| W.V. | 100 | 250 | 400 | 630 |
| Kod | 2A | 2E | 2G | 2J |
KOD PITA (See Diagrams)
| Jarak | 7.5mm | 10mm | 15mm |
| Pembungkusan | A atau R | A | A |
| Kod | RT2 | RT3 | RT4 |
CONTOH GAYA PIMPIN
JARI PLUMBUM JARI
* Ruang plumbum ialah ruang plumbum asal lurus yang tidak terbentuk.
| mm | 7.5 | 10 | 15 | 22.5 | 27.5 |
| Kod | 075 | 100 | 150 | 225 | 275 |
PANJANG PIMPIN DARI TEMPAT DUDUK (if bulk pack)
| mm | 5 | 10 | 15 | 20 | 25 |
| Kod | 050 | 100 | 150 | 200 | 250 |
PEMBUNGKUSAN
| Meth | od | Pukal | peluru | kekili |
| Kod | B | A | R | |
GAYA PIMPIN
| Kod | Gaya |
| S | Lurus |
| K | Kink-In (Berdiri) |
| F | Borang Keluar |
| saya | Borang Dalam |
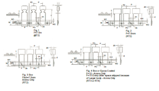
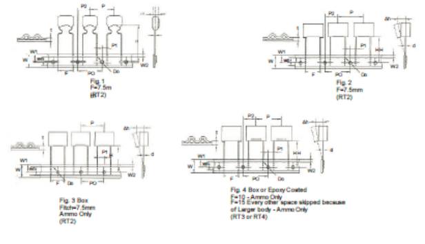
GAMBARAJAH KOD TAPING JARIAN
Spesifikasi
| Penerangan |
surat |
Dimensi (mm) |
Penerangan |
surat |
Dimensi (mm) | ||||||||
| RT1 | RT2 | RT3 | RT4 | Tol. | RT1 | RT2 | RT3 | RT4 | Tol. | ||||
| Diameter Wayar Plumbum | d | 0.5 / 0.6 | 0.5 / 0.6 | 0.6 | 0.6 / 0.8 | + 0.05 | Lebar Pita Pembawa | W | 18 | 18 | 18 | 18 | + 1;-0.5 |
| Pitch Pita | P | 12.7 | 12.7 | 12.7 | 25.4 | + 1 | Tahan Lebar Pita | WO | 6 | 6 | 9 | 10 | Min |
| Padang Lubang Suapan | PO | 12.7 | 12.87 | 12.7 | 12.7 | + 0.2 | Kedudukan Lubang | W1 | 9 | 9 | 9 | 9 | + 0.5 |
| Pemusatan Kawat Plumbum | P1 | 3.85 | 2.6 / 3.75 | 7.7 | 5.2 | + 0.7 | Tahan Kedudukan Pita | W2 | 3 | 3 | 3 | 3 | Maks |
| Pemusatan Badan | P2 | 6.35 | 6.35 | 12.7 | 12.7 | + 1.3 | Diameter Lubang Suapan | buat | 4 | 4 | 4 | 4 | + 0.2 |
| Jarak utama (Pitch) | F | 5 | 7.5 | 10 | 15 | + 0.6;-0.1 | Ketebalan Pita | t | 0.7 | 0.7 | 0.7 | 0.07 | + 0.2 |
| Penjajaran Komponen | ∆h | 0 | 0 | 0 | 0 | + 2 | Rajah | ara | 1 atau 2 | 1.2 atau 3 | 4 | 4 | |
| Ketinggian Componenet dari Pusat Pita | H | 18.5 | 18.5 | 18.5 | 18.5 | + 0.5 | |||||||
Teguran: *Elaun pic terkumpul kurang daripada 1mm pada jumlah 20 padang.
*Komponen kosong berterusan kurang daripada 3 kepingan berturut-turut.
*Jumlah kosong pada satu kekili kurang daripada 1%.
Pengenalan
CDBC series are constructed with metalized polypropylene film dielectric, copperply lead and flame retardant epoxy resin coating. Suitable blocking, by- pass, gandingan, penyahgandingan, penapisan, timing, tuning, temperature compensation and ideal for use in ballasts, switching power supplies, telecommunication equipment, industrial instruments, sistem kawalan automatik dan peralatan elektronik am yang lain.













