Метализиран полипропиленов филм кондензатор |Нисък DF| CDBC
Серията CDBC е конструирана с диелектрик от метализиран полипропиленов филм, медно олово и покритие от епоксидна смола, забавящо горенето. Подходящо блокиране, от- пас, свързване, отделяне, филтриране, синхронизация, настройка, температурна компенсация и идеален за използване в баласти, импулсни захранвания, телекомуникационно оборудване, индустриални инструменти, Автоматични системи за управление и друго общо електронно оборудване.
Характеристики
◆ Нисък коефициент на разсейване при висока честота
◆ Висок капацитет и стабилност на фактора на разсейване
◆ Неиндуктивна конструкция
◆ Самолечение
◆ Покритие от епоксидна смола, забавящо горенето (в съответствие с UL 94V-0)
Спецификации
| Елементи | Изпълнение | ||||||
| Диапазон на работното напрежение | 100Vdc, 250Vdc, 400Vdc, 630Vdc | ||||||
| Номинална температура | -40 ˚C ~ +85ºC | ||||||
| Използваема температура от горна категория | +105ºC
(Коефициент на намаляване на номиналното напрежение над +85˚C ~ +110ºC: 1.5% на ºC номинално напрежение) |
||||||
| Обхват на капацитет | 0.01 µF ~ 10 µf | ||||||
| Толерантност към капацитет | +3% (З), +5% (J), +10% (K) | ||||||
|
Коефициент на разсейване |
KHz | C < 0.1 µf | 0.1 < C < 1.0 µf | 1.0 < C < 3.0 µf | 3.0 < C < 5.0 µf | 5.0 < C < 10 µf | |
| 1 | < 0.10% | ||||||
| 100 | < 0.40% | < 0.70% | < 1.20% | < 1.80% | < 2.80% | ||
|
Изолационно съпротивление клема към клема |
Зареждане на напрежението: 100Vdc x 1 мин (при 20˚C + 5˚C)
> 30,000MΩ за C < 0.33µf > 10,000MΩ x µF за C > 0.33µf |
||||||
| Издържа на напрежение | Терминал до терминал: (при 20˚C + 5˚C) | ||||||
|
Наклон на импулса на номиналното напрежение dV/dt (V/µs) |
Стъпка
VR |
7.5мм | 10мм | 15мм | 22.5мм | 27.5мм | |
| 100Vdc | 130 | 110 | 100 | 70 | 50 | ||
| 250Vdc | 240 | 220 | 200 | 130 | 100 | ||
| 400Vdc | — | 350 | 300 | 200 | 150 | ||
| 630Vdc | — | 420 | 400 | 250 | 180 | ||
ТЕСТ ЗА НАДЕЖДНОСТ
| Артикул | Тест Методи | Изисквания |
| Устойчивост на топлина при запояване IEC 60068-2-20 | Вана за спояване: 260ºC + 5ºC Време на потапяне: 10Sec + 1Sec | Промяна на капацитета ІΔ C/C : <1% DF Промяна Δ tan d : 0.1% при 1KHz IR: > гранична стойност |
| Устойчивост на вибрации IEC 60068-2-6 | Честотен диапазон: 10Амплитуда от Hz до 55 Hz: 1.5мм
Продължителност: 6 часове |
Не трябва да има видими щети, Без прекъсващ контакт,
Няма прекъсване или късо съединение |
| Влажна топлина, IEC в стабилно състояние 60068-2-3 | Температура: 40ºC + 2ºC Относителна влажност: 90% към 95%
Продължителност: 1,000 часове |
Промяна на капацитета ІΔC/C І< : 3% DF Промяна Δ tan d: 0.1% при 1KHz IR: > 50% гранична стойност |
| Електрическа издръжливост IEC 60384-17 | Температура: 85ºC + 2ºC Приложено напрежение: 1.25 x VR(DC) Продължителност: 2,000 часове | Промяна на капацитета ІΔC/CІ< : 3% DF Промяна Δ tan d : 0.1% при 1KHz IR: > 50% гранична стойност |
Максимални размери
| W.V. | 100Vdc (2A) | 250Vdc (2E) | 400Vdc (2G) | 630Vdc (2J) | |||||||||||||||||
| (µf) | Код | W | З | T | P | г | W | З | T | P | г | W | З | T | P | г | W | З | T | P | г |
| 0.010 | 103 | 10.5 | 7.5 | 4.0 | 7.5 | 0.6 | 10.5 | 9.0 | 5.5 | 7.5 | 0.6 | ||||||||||
| 0.012 | 123 | 10.5 | 8.5 | 4.0 | 7.5 | 0.6 | 10.5 | 9.5 | 6.0 | 7.5 | 0.6 | ||||||||||
| 0.015 | 153 | 10.5 | 9.0 | 4.5 | 7.5 | 0.6 | 10.5 | 10.5 | 6.0 | 7.5 | 0.6 | ||||||||||
| 0.018 | 183 | 10.5 | 9.5 | 4.5 | 7.5 | 0.6 | 10.5 | 11.0 | 6.5 | 7.5 | 0.6 | ||||||||||
| 0.022 | 223 | 10.5 | 7.5 | 4.0 | 7.5 | 0.6 | 10.5 | 10.0 | 5.0 | 7.5 | 0.6 | 13.0 | 10.0 | 6.0 | 10.0 | 0.6 | |||||
| 0.027 | 273 | 10.5 | 8.0 | 4.0 | 7.5 | 0.6 | 10.5 | 10.5 | 5.5 | 7.5 | 0.6 | 13.0 | 11.0 | 6.5 | 10.0 | 0.6 | |||||
| 0.033 | 333 | 10.5 | 8.5 | 4.5 | 7.5 | 0.6 | 10.5 | 11.0 | 6.0 | 7.5 | 0.6 | 13.0 | 11.5 | 7.0 | 10.0 | 0.6 | |||||
| 0.039 | 393 | 10.5 | 9.0 | 4.5 | 7.5 | 0.6 | 13.0 | 11.0 | 5.5 | 10.0 | 0.6 | 13.0 | 12.0 | 8.0 | 10.0 | 0.6 | |||||
| 0.047 | 473 | 10.5 | 7.5 | 4.0 | 7.5 | 0.6 | 10.5 | 10.0 | 4.5 | 7.5 | 0.6 | 13.0 | 11.0 | 5.5 | 10.0 | 0.6 | 13.0 | 13.0 | 8.0 | 10.0 | 0.6 |
| 0.056 | 563 | 10.5 | 8.0 | 4.0 | 7.5 | 0.6 | 10.5 | 10.5 | 5.0 | 7.5 | 0.6 | 13.0 | 11.5 | 6.0 | 10.0 | 0.6 | 13.0 | 14.0 | 9.0 | 10.0 | 0.6 |
| 0.068 | 683 | 10.5 | 9.0 | 4.5 | 7.5 | 0.6 | 10.5 | 11.0 | 5.5 | 7.5 | 0.6 | 13.0 | 12.5 | 6.5 | 10.0 | 0.6 | 18.0 | 12.5 | 7.0 | 15.0 | 0.8 |
| 0.082 | 823 | 10.5 | 9.5 | 4.5 | 7.5 | 0.6 | 10.5 | 11.5 | 6.0 | 7.5 | 0.6 | 13.0 | 13.0 | 7.0 | 10.0 | 0.6 | 18.0 | 13.0 | 7.5 | 15.0 | 0.8 |
| 0.10 | 104 | 10.5 | 10.0 | 5.0 | 7.5 | 0.6 | 10.5 | 12.0 | 6.5 | 7.5 | 0.6 | 13.0 | 13.5 | 8.0 | 10.0 | 0.6 | 18.0 | 14.0 | 8.0 | 15.0 | 0.8 |
| 0.12 | 124 | 10.5 | 10.0 | 5.5 | 7.5 | 0.6 | 13.0 | 11.5 | 6.0 | 10.0 | 0.6 | 18.0 | 12.0 | 6.0 | 15.0 | 0.8 | 18.0 | 15.5 | 8.0 | 15.0 | 0.8 |
| 0.15 | 154 | 10.5 | 11.0 | 6.0 | 7.5 | 0.6 | 13.0 | 12.0 | 6.5 | 10.0 | 0.6 | 18.0 | 12.5 | 7.0 | 15.0 | 0.8 | 18.0 | 16.5 | 9.0 | 15.0 | 0.8 |
| 0.18 | 184 | 10.5 | 11.5 | 6.5 | 7.5 | 0.6 | 13.0 | 12.5 | 7.0 | 10.0 | 0.6 | 18.0 | 13.5 | 8.5 | 15.0 | 0.8 | 18.0 | 17.5 | 10.0 | 15.0 | 0.8 |
| 0.22 | 224 | 13.0 | 11.5 | 6.0 | 10.0 | 0.6 | 13.0 | 13.0 | 7.5 | 10.0 | 0.6 | 18.0 | 15.0 | 8.0 | 15.0 | 0.8 | 18.0 | 18.5 | 11.5 | 15.0 | 0.8 |
| 0.27 | 274 | 13.0 | 12.0 | 6.5 | 10.0 | 0.6 | 18.0 | 13.0 | 6.0 | 15.0 | 0.8 | 18.0 | 16.0 | 8.5 | 15.0 | 0.8 | 25.5 | 18.0 | 9.0 | 22.5 | 0.8 |
| 0.33 | 334 | 13.0 | 13.0 | 7.0 | 10.0 | 0.6 | 18.0 | 14.0 | 6.5 | 15.0 | 0.8 | 18.0 | 17.0 | 9.5 | 15.0 | 0.8 | 25.5 | 19.0 | 10.0 | 22.5 | 0.8 |
| 0.39 | 394 | 13.0 | 13.5 | 7.5 | 10.0 | 0.6 | 18.0 | 14.5 | 7.0 | 15.0 | 0.8 | 18.0 | 18.0 | 10.5 | 15.0 | 0.8 | 25.5 | 20.0 | 11.0 | 22.5 | 0.8 |
| 0.47 | 474 | 13.0 | 14.0 | 8.5 | 10.0 | 0.6 | 18.0 | 15.0 | 8.0 | 15.0 | 0.8 | 25.5 | 16.0 | 9.0 | 22.5 | 0.8 | 20.5 | 20.5 | 12.0 | 17.5 | 0.8 |
| 25.5 | 21.0 | 12.0 | 22.5 | 0.8 | |||||||||||||||||
| 0.56 | 564 | 18.0 | 14.0 | 7.0 | 15.0 | 0.8 | 18.0 | 16.0 | 8.5 | 15.0 | 0.8 | 25.5 | 17.0 | 10.0 | 22.5 | 0.8 | 25.5 | 22.5 | 13.5 | 22.5 | 0.8 |
| 0.68 | 684 | 18.0 | 15.0 | 7.5 | 15.0 | 0.8 | 18.0 | 17.0 | 9.5 | 15.0 | 0.8 | 25.5 | 18.0 | 11.0 | 22.5 | 0.8 | 25.5 | 24.0 | 15.0 | 22.5 | 0.8 |
| 0.82 | 824 | 18.0 | 15.5 | 8.0 | 15.0 | 0.8 | 18.0 | 18.5 | 10.0 | 15.0 | 0.8 | 25.5 | 20.0 | 11.0 | 22.5 | 0.8 | 25.5 | 25.5 | 16.5 | 22.5 | 0.8 |
| 1.00 | 105 | 18.0 | 16.5 | 9.0 | 15.0 | 0.8 | 18.0 | 20.0 | 11.0 | 15.0 | 0.8 | 25.5 | 21.5 | 12.5 | 22.5 | 0.8 | 26.0 | 16.5 | 12.0 | 22.5 | 0.8 |
| 31.5 | 25.0 | 16.0 | 27.5 | 0.8 | |||||||||||||||||
| 1.20 | 125 | 18.0 | 17.5 | 10.0 | 15.0 | 0.8 | 25.5 | 18.0 | 9.0 | 22.5 | 0.8 | 25.5 | 23.0 | 14.0 | 22.5 | 0.8 | 31.5 | 27.0 | 18.0 | 27.5 | 0.8 |
| 1.50 | 155 | 18.0 | 18.5 | 11.5 | 15.0 | 0.8 | 25.5 | 19.5 | 10.5 | 22.5 | 0.8 | 25.5 | 24.5 | 15.5 | 22.5 | 0.8 | |||||
| 1.80 | 185 | 25.5 | 18.0 | 9.0 | 22.5 | 0.8 | 25.5 | 20.5 | 11.5 | 22.5 | 0.8 | ||||||||||
| 2.20 | 225 | 25.5 | 19.0 | 10.0 | 22.5 | 0.8 | 25.5 | 22.0 | 13.0 | 22.5 | 0.8 | ||||||||||
| 2.70 | 275 | 25.5 | 20.0 | 11.5 | 22.5 | 0.8 | 25.5 | 23.5 | 14.5 | 22.5 | 0.8 | ||||||||||
| 3.30 | 335 | 25.5 | 24.5 | 15.5 | 22.5 | 0.8 | 25.5 | 25.5 | 16.0 | 22.5 | 0.8 | ||||||||||
Пример за номер на част – НАСИПЕН
Пример за номер на част – РАДИАЛЕН ЗАЛЕПЕН
КАПАЦИТЕТ
| µf | 0.01 | 0.047 | 0.1 | 0.47 | 1.0 | 3.3 |
| pf | 10,000 | 47,000 | 100,000 | 470,000 | – | – |
| Код | 103 | 473 | 104 | 474 | 105 | 335 |
КОД НА ТОЛЕРАНТНОСТ
| Код | Толерантност |
| J | + 5% |
| K | + 10% |
| M | + 20% |
Номинално напрежение
| W.V. | 100 | 250 | 400 | 630 |
| Код | 2A | 2E | 2G | 2J |
Код на лентата (Вижте диаграми)
| Интервал | 7.5мм | 10мм | 15мм |
| Опаковане | A или r | A | A |
| Код | RT2 | RT3 | RT4 |
Примери за водещ стил
Радиално разстояние между оловото
* Leadspace е направо олово без оформено оригинално Leadspace.
| мм | 7.5 | 10 | 15 | 22.5 | 27.5 |
| Код | 075 | 100 | 150 | 225 | 275 |
Дължина на олово от самолета за сядане (ако е пакет в насипно състояние)
| мм | 5 | 10 | 15 | 20 | 25 |
| Код | 050 | 100 | 150 | 200 | 250 |
Опаковане
| Мет | ог | Насипно състояние | Амуниции | Макара |
| Код | Б | A | R | |
Оловен стил
| Код | Стил |
| S | Направо |
| K | Kink-in (Отстоява се) |
| Е | Формира |
| I | Форма в |
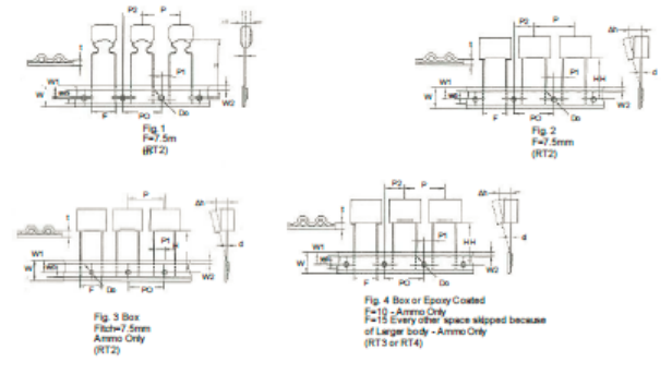
КОДОВА СХЕМА НА РАДИАЛНА ЛЕНТА
Спецификации
| Описание |
Писмо |
Измерение (мм) |
Описание |
Писмо |
Измерение (мм) | ||||||||
| RT1 | RT2 | RT3 | RT4 | Тол. | RT1 | RT2 | RT3 | RT4 | Тол. | ||||
| Диаметър на оловен проводник | г | 0.5 / 0.6 | 0.5 / 0.6 | 0.6 | 0.6 / 0.8 | + 0.05 | Ширина на лентата на носача | W | 18 | 18 | 18 | 18 | + 1;-0.5 |
| Стъпка на лентата | P | 12.7 | 12.7 | 12.7 | 25.4 | + 1 | Задръжте ширината на лентата | Wo | 6 | 6 | 9 | 10 | Мин |
| Стъпка на отвора за подаване | След | 12.7 | 12.87 | 12.7 | 12.7 | + 0.2 | Положение на дупката | W1 | 9 | 9 | 9 | 9 | + 0.5 |
| Центриране на оловната жица | P1 | 3.85 | 2.6 / 3.75 | 7.7 | 5.2 | + 0.7 | Задръжте позицията на лентата | W2 | 3 | 3 | 3 | 3 | Макс |
| Центриране на тялото | P2 | 6.35 | 6.35 | 12.7 | 12.7 | + 1.3 | Диаметър на отвора за подаване | Направете | 4 | 4 | 4 | 4 | + 0.2 |
| Разстояние между олово (Стъпка) | Е | 5 | 7.5 | 10 | 15 | + 0.6;-0.1 | Дебелина на лентата | t | 0.7 | 0.7 | 0.7 | 0.07 | + 0.2 |
| Изравняване на компонентите | ∆H | 0 | 0 | 0 | 0 | + 2 | Фигура | Фиг | 1 или 2 | 1.2 или 3 | 4 | 4 | |
| Височина на компонета от центъра на лентата | З | 18.5 | 18.5 | 18.5 | 18.5 | + 0.5 | |||||||
Забележка: *Допускане на натрупана стъпка по -малко от 1 мм при сумата на 20 парцели.
*Непрекъснат празен компонент по -малко от 3 последователни парчета.
*Общо празно на една макара по -малко от 1%.
Въведение
Серията CDBC е конструирана с диелектрик от метализиран полипропиленов филм, медно олово и покритие от епоксидна смола, забавящо горенето. Подходящо блокиране, от- пас, свързване, отделяне, филтриране, синхронизация, настройка, температурна компенсация и идеален за използване в баласти, импулсни захранвания, телекомуникационно оборудване, индустриални инструменти, Автоматични системи за управление и друго общо електронно оборудване.













