Хибридни кондензатори с високо енергийни тантали|Cbed
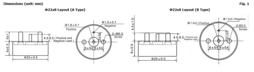
Случай на Танталум, Херметически запечатан, Цилиндрични, Радиално-олово, Хетерополярност, с винтове, удобен за фиксиране Комбиниран от електролитен танталов кондензатор и електрохимичен кондензатор, Малък размер, Супер капацитет
Стабилни в електрически изпълнения, Висока надеждност, Дълъг живот, Максимален в плътността на капацитета и енергията, Номиналният капацитет е по-висок от серията CBEF
Вграден като батерия в енергийно сблъскана верига & Силно-импулсна верига, функционира като филтриране, енергия за съхранение,верига с времезакъснение.
Спецификации
Работна температура:-55℃ до +125 ℃ (до +125 ℃, с оценка
Температура на съхранение:-62℃ ~ +130 ℃
Толерантност към капацитет:Q: (-10%~+30%), K: (± 10%), M: (± 20%)
Пример за номер на част
Забележка
1.Моля, не използвайте мултицет чрез измервателните процедури (може да причини необратими щети и да доведе до изхвърляне).
2.Капацитет и DF, измерени при 100Hz, U_ = 2.200 V, U = 1.00- V тест, приложен само в серия еквивалентна верига.
3.Напрежението на напрежението се прилага при +125 ℃. (Параметърът DCL трябва да се чете след 5 минути, когато се свързва към веригата).
4.Специален размер и търсене могат да се консултират с нас.
Характеристики и приложение
◆Калъф от тантал, Херметически запечатан, Цилиндрични, Радиално-олово, Хетерополярност
◆ Изчакано от електролитен кондензатор на танталум и електрохимичен кондензатор, Малък размер, Супер капацитет.
◆ Стабилни в електрически изпълнения, Висока надеждност, Дълъг живот, Максимален в плътността на капацитета и енергията
◆ Вградена като батерия в енергийно обвързана верига & Силно-импулсна верига, функционира като филтриране, енергия за съхранение, верига с времезакъснение
















