고 에너지 하이브리드 탄탈 룸 커패시터|CBEL
특징
탄탈 룸 케이스, 밀봉되었습니다, 원통형, 방사형, 이종성, 나사 포함, 전해탄탈륨콘덴서와 전기화학콘덴서가 혼합되어 있어 고정이 편리함, 작은 크기, 슈퍼 커패시턴스
전기적 성능이 안정적, 높은 신뢰성, 긴 수명, 용량 및 에너지 밀도의 최대화, 공칭 정전 용량은 CBEF 시리즈보다 높습니다.
에너지 변환 회로에 배터리 내장 & 전력 펄스 회로, 필터링 역할을 했다, 저장 에너지,시간 지연 회로.
탄탈 룸 케이스, 밀봉되었습니다, 원통형, 방사형, 이종성, 나사 포함, 전해탄탈륨콘덴서와 전기화학콘덴서가 혼합되어 있어 고정이 편리함, 작은 크기, 슈퍼 커패시턴스
전기적 성능이 안정적, 높은 신뢰성, 긴 수명, 용량 및 에너지 밀도의 최대화, 공칭 정전 용량은 CBEF 시리즈보다 높습니다.
에너지 변환 회로에 배터리 내장 & 전력 펄스 회로, 필터링 역할을 했다, 저장 에너지,시간 지연 회로.
[Download not found]
Datasheet-For-High-Energy-Hybrid-Tantalum-Capacitors-CBEL.pdf (663 다운로드 )
명세서
작동 온도:-55℃ ~ +125 + (+125℃까지, 등급이 있는
보관 온도:-62℃ ~ +130℃
커패시턴스 내성:큐: (-10%~+30%), 케이: (± 10%), 중: (± 20%)
부품 번호 예
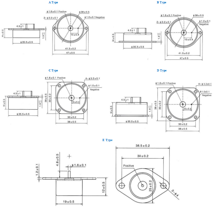
치수 (단위: mm)
메모
1.측정 절차를 통해 멀티미터를 사용하지 마십시오. (돌이킬 수 없는 손상을 초래하고 폐기로 이어질 수 있습니다.).
2.100Hz에서 측정된 정전 용량 및 DF, U_=2.200V, 유 =1.00- V 테스트는 직렬 등가 회로에만 적용됩니다..
3.+125℃에서는 전압 디레이팅이 적용됩니다.. (DCL 매개변수는 다음에 읽어야 합니다. 5 회로에 연결되었을 때의 분).
4.특별한 크기와 수요는 우리와 상담할 수 있습니다..
특성 및 응용
◆탄탈륨 케이스, 밀봉되었습니다, 원통형, 방사형, 이종성, with mountingflange.
◆전해탄탈륨콘덴서와 전기화학콘덴서의 혼합, 작은 크기, 슈퍼 커패시턴스
◆전기적 성능이 안정적이다, 높은 신뢰성, 긴 수명, 용량 및 에너지 밀도의 최대화
◆에너지 변환 회로에 배터리 내장 & 전력 펄스 회로, 필터링 역할을 했다, 저장 에너지,
시간 지연 회로.














