Kapaċituri ibridi ta 'enerġija għolja ta' enerġija|CBEC
Każ tat-tantalu, Issiġillat ermetikament, Ċilindriku, Radjali taċ-ċomb, Eteropolarità, bil-viti, konvenjenti biex tiffissa Commingled minn Electrolytic Tantalum Capacitor u Electrochemical Capacitor, Daqs żgħir, Super Capacitance
Stabbli fil-Prestazzjonijiet Elettriku, Affidabilità Għolja, Ħajja twila, Massimu fid-Densità tal-Kapaċità u l-Enerġija, Kapaċità nominali hija ogħla mis-serje CBEF
Inkorporat bħala batterija f'ċirkwit ta' enerġija konversata & Power-pulsed-ċirkwit, ħadmet bħala filtrazzjoni, enerġija tal-ħażna,ċirkwit ta' dewmien fil-ħin.
SPEĊIFIKAZZJONIJIET
Temperatura operattiva:-55℃ sa +125℃ (għal +125℃, ma ratata
Temperatura tal-Ħażna:-62℃ ~ +130℃
Tolleranza tal-kapaċitanza:Q.: (-10%~+30%), K: (± 10%), M: (±20%)
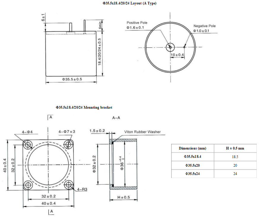
Dimensjonijiet (unità: mm)
Nota
1.Jekk jogħġbok tużax multimeter permezz tal-proċeduri tal-kejl (jista’ jikkawża ħsara irriversibbli u jwassal għar-rimi).
2.Kapaċità u DF imkejla f'100Hz, U_=2.200 V, U =1.00- V Test applikat biss f'ċirkwit ekwivalenti tas-serje.
3.It-tnaqqis tal-vultaġġ huwa applikat f'+125℃. (Il-parametru DCL għandu jinqara wara 5 minuti meta konness maċ-ċirkwit).
4.Daqs u domanda speċjali jistgħu jikkonsultaw magħna.
Eżempju tan-numru tal-parti

Karatteristiċi u Applikazzjoni
◆Każ tat-tantalu, Issiġillat ermetikament, Ċilindriku, Radjali taċ-ċomb, Eteropolarità
◆Magħquda minn Kondensatur Elettrolitiku Tantalu u Kondensatur Elettrokimiku, Daqs żgħir, Super Capacitance.
◆Stable fil-Prestazzjonijiet elettriċi, Affidabilità Għolja, Ħajja twila, Massimu fid-Densità tal-Kapaċità u l-Enerġija
◆Built-in bħala batterija f'ċirkwit Enerġija-konversat & Power-pulsed-ċirkwit, ħadmet bħala filtrazzjoni, enerġija tal-ħażna, ċirkwit ta' dewmien fil-ħin













