Kapaċituri ibridi ta 'enerġija għolja ta' enerġija|CBEA
Każ tat-tantalu, Issiġillat ermetikament, Ċilindriku, Radjali taċ-ċomb, Eteropolarità
Imħallta minn kondensatur elettrolitiku tat-tantalu u capacitor elettrokimiku, Daqs żgħir, Super Capacitance.
Stabbli fil-Prestazzjonijiet Elettriku, Affidabilità Għolja, Ħajja twila, Massimu fid-Densità tal-Kapaċità u l-Enerġija Inkorporati bħala batterija f'ċirkwit konversat tal-Enerġija & Power-pulsed-ċirkwit, ħadmet bħala filtrazzjoni, enerġija tal-ħażna, ċirkwit ta' dewmien fil-ħin.
SPEĊIFIKAZZJONIJIET
Temperatura operattiva: -55℃ sa +125℃ (għal +125℃, b'derating tal-vultaġġ nominali)
Temperatura tal-Ħażna: -62℃ ~ +130℃
Tolleranza tal-kapaċitanza:Q.: (-10%~+30%), K: (± 10%), M: (±20%)
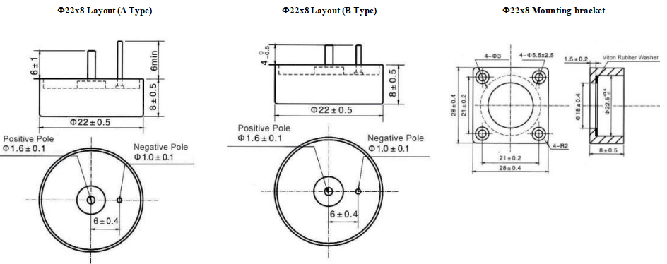
Dimensjonijiet (unità: mm)
Please visit our website to get more update data, those data & specification are subject to change without notice.
Eżempju tan-numru tal-parti

Dimensjonijiet (unità: mm)
Dimensjonijiet (unità: mm)
Nota:
1.Jekk jogħġbok tużax multimeter permezz tal-proċeduri tal-kejl (jista’ jikkawża ħsara irriversibbli u jwassal għar-rimi).
2.Kapaċità u DF imkejla f'100Hz, U_=2.200-1.0V, U ~ = 1.00-0.5V Test applikat biss f'ċirkwit ekwivalenti ta 'serje.
3.It-tnaqqis tal-vultaġġ huwa applikat f'+125℃. (Il-parametru DCL għandu jinqara wara 5 minuti meta konness maċ-ċirkwit).
4.Daqs u domanda speċjali jistgħu jikkonsultaw magħna.
Karatteristiċi u Applikazzjoni
◆Każ tat-tantalu, Issiġillat ermetikament, Ċilindriku, Radjali taċ-ċomb, Eteropolarità
◆Magħquda minn Kondensatur Elettrolitiku Tantalu u Kondensatur Elettrokimiku, Daqs żgħir, Super Capacitance.
◆Stable fil-Prestazzjonijiet elettriċi, Affidabilità Għolja, Ħajja twila, Massimu fid-Densità tal-Kapaċità u l-Enerġija
◆Built-in bħala batterija f'ċirkwit Enerġija-konversat & Power-pulsed-ċirkwit, ħadmet bħala filtrazzjoni, enerġija tal-ħażna, ċirkwit ta' dewmien fil-ħin















