Capacoratori di Tantalum Tantalum High Energy|CPEE
Casu di tantalu, Sigillatu ermeticamente, Cilindricu cylindricu, Piombu radiale, Eteropolarità, cù viti, cunvene à riparà Commingled da Electrolytic Tantalum Capacitor è Electrochemical Capacitor, Small size, Super Capacità
Stabile in Prestazioni Elettriche, Alta affidabilità, Longa vita, Massimu in a Densità di Capacità è Energia, Capacità nominali hè più altu chè serie CBEF
Custruitu cum'è batteria in un circuitu Energy-conversated & Circuitu à impulsi di putenza, hà funzionatu cum'è filtrazione, energia di almacenamentu,circuitu di ritardu di tempu.
Specificazioni
Temperature di funziunamentu:-55℃ à + 125 ℃ (à + 125 ℃, cun valutatu
Temperature di almacenamiento:-62℃ ~ + 130 ℃
TALLERIAZIONE DI CAPIENTIANZA:Q: (-10%~ + 30%), K: (± 10%), M: (± 20%)
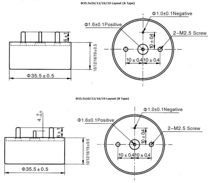
Dimensioni
Nota
1.Per piacè ùn aduprate micca u multimetru attraversu e prucedure di misurazione (pò causà danni irreversibili è portanu à scartà).
2.Capacità è DF misurati à 100 Hz, U_=2.200 V, U = 1,00- V Test applicatu solu in un circuitu equivalente in serie.
3.A riduzione di tensione hè applicata à + 125 ℃. (U paràmetru DCL deve esse lettu dopu 5 minuti quandu hè cunnessu à u circuitu).
4.Taglia è dumanda speciale puderia cunsultà cun noi.
Esempiu di parte di parte

Caratteristiche è Applicazioni
◆ Casu di tantalu, Sigillatu ermeticamente, Cilindricu cylindricu, Piombu radiale, Eteropolarità
◆Commingled da Electrolytic Tantalum Capacitor è Electrochemical Capacitor, Small size, Super Capacità.
◆Stable in Prestazioni Elettriche, Alta affidabilità, Longa vita, Massimu in a Densità di Capacità è Energia
◆Built-in cum'è batterie in Energy-conversed-circuit & Circuitu à impulsi di putenza, hà funzionatu cum'è filtrazione, energia di almacenamentu, circuitu di ritardu di tempu













